Fórum témák
» Több friss téma |
Üdv!
Meglehetősen kezdő vagyok, mondhatni egyátalán nem értek a témához. Szóval tegnap vettem egy dinamikus mikrofont, de mivel gyári zsinórra már nem volt pénzem, ezért darabokban vettem meg, mondván csak meg tudom forrasztani. A zsinór egyik végére a mono jack-et még sikerült is ráforrasztanom, de a hárompólusú dugóval már gondban vagyok. Ha tudtok segítsetek! És még egy olyan kérdés, hogy (ugye remélhetőleg) egypár rossz bekötés nem tehetett tönkre semmit. További szépnapot
Attól függ mire akarod rákötni?
Azért van 3 csatlakozó mert szimetrikusan van vezetve a jel az erőlködőbe. Kettő a jel a harmadik az árnyékolás. Az erősítőbe meg egy trafóval csinálnak belőle megint aszimetrikus jelet. Ez azért van így, hogy ne búgjon a miki használat közben. Remélem érthető!
Tehát az egyest és a kettest zárjam rövidre és kössem a jelre, a 3-ast pedig az árnyékra? Burok is árnyék? Egy sima mono erősítőre szeretném kötni.
A bekötés pedig, ha úgy nézzük, hogy a rugó felfelé néz akkor bal odali a hidegpont(árnyékolás) a másik kettő értelem szerűen a melegpontok. Ha a dugót nézed amit bedugsz a mikiba akkor az egyik tüske kicsit hosszabb a többinél, az a hidegpont. Persze feltételezem hogy ez XLR csati, mint általában.
tehát az egyes az árnyék? a burkot rákössem valamire?
Alternatív bekotés lehet az hogy az egyik melegpontot rákötöd a hidegpontra és a másik marad úgy ahogy van. igy máris kész az aszimetrikus bekötés. ennek az a hátránya hogy búghat, ha túl hosszú a madzag.
igen xlr3 a cstalakozó. ha felfelé tartom, ahogy mondod, akkor a középső pöcök legyen hozzám a legközelebb és uyga bal a hideg vagy fordítva?
Na ne kavarjunk!
Az XLR (canon) avagy szimmetrikus csatlakozón számokkal vannak jelölve a bekötési pontok: 1: Árnyék 2: + Fázis 3: - Fázis Ha aszimmetrikusra akarod kötni, akkor az XLR csatiban összekötöd az 1 és 3 pontokat, az lesz a GND (föld), azt kötöd a jack dugó gyűrűjéhez. A 2-es pont lesz a jel, azt kötöd a jack dugó hegyéhez. Ha csak az erősítő bemenetén kísérleteztél, és megszólalás esetén nem adtál nagy hangerőt, akkor nem szúrtál el semmit, csak max fordított fázisban szólt.
jó jó, ha még nem akasztottalak ki titeket teljesen, akkor még megkérdezném, hogy mi a + meg a - fázis közti különbség a szimetrikus bekötés szempontjából?
Az, hogy ha fordítva kötöd be, akkor a mikrofon membránjának befelé haladására a hangszóró memránja nem kifelé mozdul, hanem befelé "szívja".
Ettől specifikusabban és érthetőbben nem tudom elmondani.
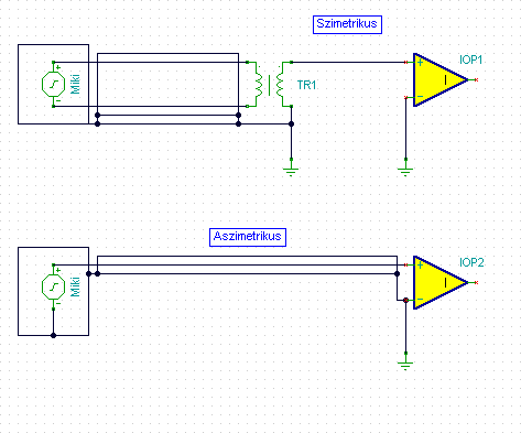
A testponthoz képest mérve a - fázisú jel a + fázisú jel fordítottja. Vagy éppen fordítva. A - fázis szokták a trafó tekercsénke a végpontjára kötni. úgy ahogy a fent mellékelt képen is látszik.
ok, az is érthető, de akkor mit kössek a - ra. felételezem, hogy nem a jelet, de így meg marad az árnyék.
emberibben fogalmazva a te válaszod az érthetőbb.
A negatív fázist összekötöd az árnyékolással és a vezeték árnyékolásával, a pozitív fázis meg a jel vezetékre kötöd.
hálás köszönetem mindkettőtöknek, és elnézést a nehéz természetemért!
Esetleg még ezt nézd meg!
Teljesen jó, én is ezt nyomtattam ki, csak már nem volt meg, hogy honnan.
Sziasztok!
segítségre lenne szükségem abban hogy miben más egy xlr csatlakozású mikrofon egy mezei jack dugós mikrofonhoz képest! vettem egy keverőt aminek csak xlr mikrofon bemenete van, én meg csak jack-es mikivel rendelkezem és valahogy össze kéne őket hozni... A válaszokat előre is köszönöm!
Ahogy a bekötésen is látszi általában szimetrikus jelvezetésre használják az XLR-t.
Vagyis a jel a földhöz képes válltozik. Ez azért jobb mert így kevéssé érzékeny a zavarásra. Profi technikában szinte egyeduralkodó. Ha van olyan lejátszód ami szintén XLR csatis. Mindenképp azt használd. Nagyon dicsérik. Nem mellesleg annak idején tápcsatinak fejlesztették ki. Én arra hazsnáltam pl. a Gain Clone-ban. 15A-t bír Isa
Üdv! Egyik barátom holnap fog kölcsönadni egy Shure dinamikus mikrofont. Én is magam szeretném elkészíteni a kábelt. Én számítógépre szeretném kötni xrl-jack-jack átalakítóval hangfelvétel készítésítésére. A hangkártya az ad előfeszültséget? Vagy a dinamikus mikrofonnak nem is kell? Nekem szimetrikus vagy asszimetrikus kábel bekötésre lesz szükségem. Bocs, ha nemjól fogalmaztam! Előre is köszönöm a válaszokat.
mellékelem a hangtechnikában leggyakrabban használt kábelbekötéseket. (talán nincs is több)
dinamikus mikihez nem kell feszültség, az csak a kondenzátoroshoz kell. de a miki jelszintje nagyon gyenge, én is próbáltam már 1 az egyben számítógépre rákötni egy shure mikit, de még a mikrofonbemeneten is gyenge volt a jel. egy kis előerősítő bekötése a line in és a miki közé megoldotta ap roblémát. nyugodtan kösd aszimmetrikusra, valószínűleg nem 15 méteres vezetéket fogsz készíteni, majd azt a nagyáramú hálózati kábelek mellett elhúzni.
Sziasztok! SOS! Szétcsavartam egy profi shure mikrofonomat, és a kábel elszakadt (mindkettő) a forrasztásnál. Most hogy tudom meg melyik a + és a - pólusa a magnak? Mind a két kábel piros, és semmi jelzés nincs. Kipróbáltam, a csatlakozást, és mindenhogyan szól. Tehát, ha a zöldet és a sárgát érintem össze bármelyik piros mikrofon mag kivezetéssel, akkor is szól. Így is úgy is. Akkor mindegy, hogy melyik a + és - pólus? Üdv, és előre is köszönöm.
|
Bejelentkezés
Hirdetés |





