Fórum témák
» Több friss téma |
Diptrace, ingyenes, nekem bevált.
A 47ohmos ellenállás nem kell, a 6 és 10 láb az optocsatolóra megy közvetlenül.
Sziasztok!
Nézegettem 1-2 apróságot itt a témában de nem találtam a számomra igazit. Nekem szükségem lenne egy olyan vezérlésre, amivel tudnám vezérelni a dc motorom. Röviden. Indítójel (mikrókapcsoló), motor elindul egyik irányba-> végálláskapcsoló(3 állású, nem mikró), megáll. Eztán ismét indítójel-> elindul vissza a másik irányban, újból a végálláskapcsoló csak a másik állásban, és megáll. Ennyi lenne. Tudtok nekem vmi támaszt adni?? Köszi
"Kókány" vagy professzionális megoldás kell?
Értesz az elektronikához komolyabban? Mekkora a motor feszültsége/árama? Pénz nem számít, vagy minél olcsóbb legyen?Meg lehet oldani relékkel vagy akár logikai IC-kel, akár mikrokontrollerrel ( sőt akár számítógéppel is ).
Hali!
Értek picit elektronikához, nemrég óta AVRezek is. Nekem stabil megoldás kell. Ha ez 3000 be kerül akkor annyi, de ha 8000 be akkor, nem tudok mit tenni. 12v DC re kellene igazából, kb egy 300w os motorra, de ha kissé túlméretezzük az se baj, mivel lehet h 400 as moci lesz..
Hát a leírás alapján ezt meg lehet valósítani egyszerű, tisztán relés logikával. De ha AVR-ezel, akkor a vezérlést csinálhatod a kontrollerrel, a forgásirány váltáshoz használhatsz vagy H-hidat, vagy szintén relét. ( Megodlható akár TTL vagy CMOS logikai IC-kel is. )
A legkevesebb hozzáértést talán a relés megoldás jelentené.
Elég szép áramerősséget vesz fel majd a motor!
400W / 12V = 33.3A 300W / 12V = 25A Vagyis a teljesítmény kapcsolására igencsak nagy áramút kell választani... :no:
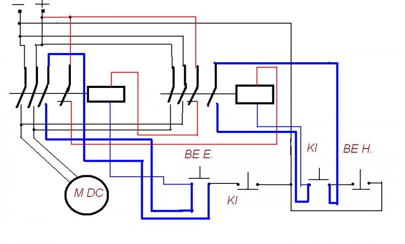
kell 4 nyomógomb:2 záró és 2 nyitó (bontó)
kell 2 darab 24 v-os relé 220v-is jó attól függ milyen kell neked-2 db záró érintkezővel:ami a motort fogja kapcsolni 1 db záró a vezérléshez + 1db bontó a reteszeléshez ismét a vezérlés: amikor ki van kapcsolva az egész és mőködik:a két be gombot ne myond meg egyszerre a retesz csak azért van hogy működés közben ne nyomj rá a BE E.-előre be a BE H.-be hátra a KI-meg ki először megnyomod a BE E. azután ha váltani akarsz KI gomb és BE H.
Petikee 16 nézd meg az üzenetemet neked is ad ihletet bármilyen relével megtudod csinálni csak legyen anyi érintkezője amenyit leírtam én már csináltam csak 400 V-on meg mindenki akinek efféle kapcsolás kell ezt bonyolítani is lehet visszajelző lámpákkal stb...
Sziasztok! Asztali ventilátorból szedtem ki egy 230V-os motort, ami pont olyan amire szükségem van, csak nem abba az irányba forog amerre nekem kell. A motor teljesen egyszerű. A mellékelt képen hasonló motor látható,mint ami nekem is van.
Üdv!
Sajnos nem tudod megfordítani a forgásirányt, mert segédfázis helyett mágnesmező torzítást használ, ami a pólustörzsbe besajtolt rövidrezárt gyűrű hoz létre. Esetleg, ha szétszeded, és a forgórészt másik oldalra átfordítod, ha lehet egyáltalán.
Elég egyszerűen meg lehet a tengelyét fordítani. Vagy pedig a rövidre záró gyűrűket kell átrakni, de az sokat ront a hatásfokán (szerintem).
A tengely megfordítása egyértelmű, csak sajnos nincs rá lehetőség a hely szűke miatt.
Ami túl hosszú abból könnyű levágni. Mekkora fordulaton üzemel?
Szerintem szimetrikus a dolog a tengelyre meroleges sikban .Ha helyszuke van akkor most is az van illetve nagy a motor .Az allo resz ugyanolyan ha atforditod a tekercs is mid ket oldalra szimetrikussan all ki.
Csak a tengely nem mindkét oldalon egyformán lóg ki. Ha rövid a másik oldala megfordítva gond van. Viszont a rövid záró gyűrű áthelyezése parádé. Megpróbálhatod, szerintem működne, úgy is, persze fordított irányban. Le kell venned, onnan ahol, van, a másik oldalán megcsinálni a hornyot neki a lemezekben letisztítani az összes forgácsot, lelakozni, majd feltekerni rá a rézdrótot. Nem garantálok, ilyet még sose csináltam.
Köszönöm a segítségeket. Sajnos viszont arra jutottam, hogy egyszerűbb lesz egy másik motort keresnem, aminek jó a forgásiránya.
Pedig ha ez jelen helyzetben jó lenne, csak a másik irányba forog, akkor tényleg azt kellene csinálni, hogy az állórészen fordítani 180 fokot.
Nem bírtam magammal, így némi fúrás, faragás, állítgatás után csak sikerült összehozni, hogy fordítva rakjam be a tengelyt, így már megoldódott a problémám.
Jó estét! Bedöglött a szivattyúm motorja... no problem gondoltam, van egy tartalék, feldobom és kész. Kipróbáltam hogy működik e, biztos ami biztos. Bedugtam elindult... a megfelelő irányba. Na még egy próba.. elindult megint, de az ellenkező irányba... ki be ki be dugdosgatás és mikor hogy volt kedve, hol erre hol arra forgott!! Váltóáramú... nem tudom miért??? Hogy lehet ez, mi lehet a hiba!? Tud valaki csiszolni rajtam??? Köszönöm!! SOS!
Ok. Milyen információ kellene még ... nagyon "ZÖLD" vagyok a villanyszereléshez! .
Lefényképezzem a motort gyorsan és felrakjam ide? Nem gond, max. öt perc.
Milyen típusú motor? Aszinkron, mert akkor a kondenzátorral lesz gond. Más motor nem igazán vált irányt, csak így.
Ugyanilyen volt a másik is...
A kondit ha az a fehér henger az, már azt is cserélgettem.. akkor is így csinált
A másik kondit arról a motrról szedtem le ami fent volt, reggel még működött...és utána lecsapkodta a villanyórát.. ez lehet a konditól?
|
Bejelentkezés
Hirdetés |






Értesz az elektronikához komolyabban? Mekkora a motor feszültsége/árama? Pénz nem számít, vagy minél olcsóbb legyen?




