Fórum témák
» Több friss téma |
Fórum » Muzeális készülékek-alkatrészek restaurálása
Témaindító: Kutyuli, idő: Márc 29, 2008
Témakörök:
Az EL84 rácsfeszültségének 0-nak kell lennie a földhöz képest, mert a 470k ellenállással földelve van (feltételezve, hogy nem szakadt az ellenállás vagy hibás a cső). Az a 3,3-3,5 V a KATÓD feszültsége és pozitív kell, hogy legyen a földhöz képest.
Nekem egy 60Literes dobozban van a mélyközép. 30-35Hz től visz át. 40hz-en már lineáris. Ha egy kisebb segédmágnest taszításban felragasztol hátra, akkor jól szerepel reflex rendszerben. Sajnos eredetileg csak egy 8 literes dobozban volt. HS9. És csak 80 hz től szólt. A csillapítást el ne feledd a dobozból. Vatta. Mert ha megvan, 4-6 db-en belül szór a görbéje.
Fontos. Szórnak a darabok. Ellenállást és induktivitást érdemes mérni. Így párba szedhetőek. Üdv: Bodnár János
Most megint mértem (a hálózati fesz. tegnap 237 V volt, ma 228 V). Ha pontosan leírom a mérés módját, talán közös nevezőre kerülnek az eltérő vélemények
1. A műszer fekete zsinórja (COM) a fémvázon, a piros a 2-es lábon: 2,3 V -- a piros a 3-as lábon: 6,0 V. 2. A fekete a 2-es lábon, a piros a 3-ason: 2,5 V. -- Fordítva: -2,4 V. Tehát a katódhoz viszonyítva érvényes a negatív feszültség. (A kapcsolási rajzon minden piros érték a fémvázhoz képest értendő.) A hozzászólás módosítva: Aug 10, 2019
Nem igazán tudom követni, de ahogy már mondták előttem is. A rácson a sasszihoz képest nem mérhetsz feszültséget, vagyis, ha már öreg a cső rácsáramos, akkor negatív feszültséget, pozitívat semmi kép. (ez a csatolt rajzra vonatkozik) A rácselőfeszültség viszont a katódhoz képest mérendő. A katódon a sasszihoz képest pozitív feszültséget kell mérned.
a csövek nem túl érzékenyek a hálózati feszültség --> anódfezsültség változására. A beállított értékek némileg eltérhetnek, a mért értékek eltérései sokkal inkább az öregedés jelei. A hálózati fesz emelkedését a hálózati trafó, tápszűrő kondik túlélték, olyan nagyon nincs mitől tartani. Ahogy látod, mindenütt kb annyival többet mértél, amennyivel több a hálózati fesz., de ettől még működőképesnek kell lenni a készüléknek. Ha mégis sokallod, a katódellenállások 10 % körüli növelésével visszaállíthatod az eredeti anódáramot, csökkentve a csövek terhelését. A hozzászólás módosítva: Aug 10, 2019
Leegyszerűsítve: azért kaptam pozitív értéket a rácsra, mert a fémvázhoz viszonyítva mértem. Most már értem, hogy a katódhoz képest kell mérni - így meg is van a negatív érték.
A rádió nagyon jól működik: érzékeny és nagyon hangos. Csak azért aggódtam egy kicsit, hogy nem árt-e a helyenkénti nagy túlfeszültség (pl. 60 helyett 97) a kényes alkatrészeknek. Köszönöm a tájékoztatást és a javaslatot.
Akkor sem mérhetsz pozitív feszültséget, mert a rácslevezető ellenállás (470k) egyik lába a sasszin van. Ezen pedig nem folyhat áram, tehát feszültség sem lehet. Már, ha minden jó.
Ha a csatoló kondi átereszt, és az ellenállás szakadt, akkor igen.
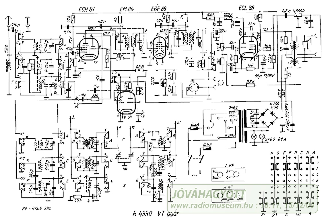
Sziasztok! Elég hasonló problémám van nekem is, csővel. Az ECL86 trióda szekciójának anódfeszültsége (9) 2V a 106V helyett. A 220KOhm "előtt" ~150V van, "utána", azaz az anódon már 2V. A 100pF és 82nF cseréje/kikötése után is változatlan a helyzet.
További érdekesség: hideg csőnél bekapcsolás után a teljes 200V mérhető a 9. lábon, üzemi hőmérsékleten 2.1V-re csökken 10 mp-en belül.Tönkrement a cső? Külső HF megtáplálásról szól, de a korábban írt halk, "repedtfazék hangon". Sajnos így az RF részt sem tudom ellenőrizni, valószínűleg annak a gyenge jelszintje meg sem szólaltatja a hangszórót így. Búg egyébként elég hangosan (50Hzen). További feszültségek az ECL86-on: 6 anód 220V mérve, 202V a rajzon. 3 rács 204V mérve, 184V a rajzon. 7-es 4.7V mérve, 5.1V rajzon. (minden érték a GND-hez képest) Ha csőhiba, kérem írjtátok le a lejátszódó folyamatokat a csőben ami ezt a jelenséget okozza. A hozzászólás módosítva: Aug 10, 2019
A trióda rácslevezető 1 M ellenállását cseréld ki.
A jelenség azt mutatja, hogy a cső teljesen kinyit, ez pedig a rácsfeszültség hiányát mutatja. Ha a csere nem segít, akkor másik csővel ha lehet ki kéne próbálni.
Az az 1 M az 10 M. Azért ilyen nagy, mert trükkös módon úgy állítják be a negatív előfeszültséget, hogy a rácsba becsapódó elektronok miatt a rács negatívvá válik. Ha túl kicsi az ellenállás, akkor ez nem lehetséges.
Szerintem meg kellene mézni, hogy tényleg 10 M van-e benne (vagy valaki kicserélte kisebbre)? Valamint az egyik oldalát a 22 nF-nak kiforrasztani, mert ha átvezet, akkor az is söntölhet. Nem árt kicsit megtisztogatni sem a környéket, mert 10 M eléggé nagy érték... Személy szerint én nem szeretem ezt a kapcsolást, pont ezért, mert nehezen kézbentartható. Vagy lehet még esetleg anód-rács zárlat, ekkor a rácson pozitív feszültséget kellene látni.
Tehát a sasszihoz képest nem kaphatok a rácson negatív feszültséget? Akkor helyes, ha pozitív, vagy akkor, ha nulla?
Úgy mértem, hogy a műszer fekete zsinórja a testen, a piros a rácson (2-es láb). Ha ez rossz polaritású mérés, akkor milyen a jó?
(Nem tudok eligazodni az eltérő véleményeken. Utána kell olvasnom, mi a pontos jelentésük a "rácsfeszültség" és a "rácselőfeszítés, rácselőfeszültség" fogalmaknak.)
Laikusként, a zavart szerintem az okozza, hogy míg az elektronikában általánosságban a test/föld/negatív/sasszi ponthoz viszonyítva mérünk, a csöves technikában általàban a katódhoz viszonyítva. De a katód közben kapcsolástól függően, nem mindig van a "legnegatívabb" ponton.
Ha a csövek müködésével tisztàban vagy, belátható, hogy egy negatív töltésű elektront (ami a katódból indul ki), csak egy nála negatívabb potenciálú (ràcs) dologgal lehet szabályozni (visszatartani). Ha a katódnál pozitívabb a rács, akkor vonzani fogja az elektronokat és az anódig el sem jutnak. Nézd meg egy cső rácsfeszültség-anódàram karekterisztikáját, és az előjeleiket. Leegyszerűsítve és normál üzemmódot feltételezve. Jelen kapcsolásodat nem néztem, lehetnek másféle megoldások, amik zavart kelthetnek. A hozzászólás módosítva: Aug 11, 2019
Nagyjából ugyanazt jelentik. A cső üzemi feszültségeit mindig a katódhoz képest mérjük. Sokszor azonban az egyszerűség miatt a sasszihoz képest, viszont akkor figyelni kell a kapcsolási rajzra is.
A sasszi az egy általános föld, test, ahogy tetszik, és árnyékolásban is szerepet játszik. Célszerű, ha a cső katódja ezen a potenciálon van, de akkor mi lesz a vezérlő rács előfeszültségével? Ilyenkor jönnek a trükkös megoldások, nagyértékű rácslevezető, tápegység áramának kisértékű ellenálláson ejtett feszültségével. A probléma csak a vezérlőrács feszültségének, előfeszültségének mérésével van, mert sokszor nem világos honnan származik, ráadásul csak nagy bemeneti ellenállású műszerrel mérhető. Ezért biztos, ha a katód és a rács között méred. A többi rács feszültsége olyan nagy, hogy pár volt eltérés nem számít.
Igazad van, a 10 -et elnéztem, valóban 10 Mohm, és a sokunk által kedvelt rácsáramos megoldás.
A mért értékek alapján az a gyanúm, hogy a kelleténél kisebb belső ellenállású műszerrel mérsz (pl. analóg kéziműszer), ami terheli az áramkört. Az 1. és 2. mérések alapján a műszer belső ellenállása hatással van az eredményre: 2,3+2,5=6,0V ? Csöves készülékhez használj inkább digitális multimétert, annak a min. 10 MOhm belső ellenállása miatt reálisabb eredményeket fogsz kapni.
(Nem akarom reklámozni, de nemrég kínai boltban vettem egy DT-9205B-t valakinek 2500 Ft-ért, ilyen célokra egész jó.)
A 10MOhm rendben. A 22nF a potm felé lekötve. Az anódfesz még mindig 2.1V. Cső nélkül 220V. A vezérlőrácsra adott negatív feszültség esetén 150mV-ot nő az anódfesz csupán.
Más: tegnapi szerzemény
A 220 kOhm tényleg annyi?
Igen. A katódot függetlenítettem a gnd-tól. -8V rácsfeszültségnél az anódfesz -2V, miközben a 220K előtt 150V van.
Talán hülyeség, de a katód és a rács közötti átvezetést (mint csőhibát) el tudnám képzelni.
Nem hülyeség. Az ECL86-os csövek gyakorta produkálnak ilyesmit.
Van cserecső? Ki kéne azzal is próbálni.
Digitális műszerrel mértem!
Ami pedig az idézett képletet illeti (2,3+2,5=6,0), az alakulhatott így a mérés időbeli lefolyása miatt; közben ingadozhatott a hálózati feszültség. Lehetséges?
Ferci fórumtársunk ötlete alapján a katód 2KOhmal van GNDra kötve, a rácslevezető 1MOhmra cserélve. Így 79V az anódfeszültség és negatív rácsfeszültségre le is zár a cső teljesen. Külső jelről kellően hangosan szól és egész szépen! Vajon hosszú távon jó így a csőnek? Ebben az elrendezésben egy másik, biztosan jó csövet kicsinálna (a 10M helyett 1M pl) ?
Ha különböző körülmények között mérted a feszültségeket, akkor persze lehetséges. (Én kicsit utánaszámoltam és az jött ki, hogy egy kb. 100 uA-es deprez műszer mutatna hasonló értékeket a 470 kOhm ellenállásnál. Bocs.)
A hálózati feszültség ingadozásnak egyébként szerintem nem kell nagy jelentőséget tulajdonítani, ez nem akkora mértékű, hogy gondot okozzon. Egy rádió nem egy precíziós műszer, lényeg az, hogy jól szóljon. Ami nekem nem tetszik, az EL84 árama: a 100 Ohmos ellenálláson (ha annyi) mért 6V azt jelenti, hogy 60 mA anódáram folyik nyugalomban. Ez nagyon közel van a megengedett max. 65 mA-hez és kivezérelve túl is lépi azt, ez árthat a csőnek. Ez összefüggésben lehet a feszültségek eltérésével. Nem tudsz egy másik csövet betenni próbaképpen?
Biztos nem csinálná ki, mert ez a normálisabb beállítás. Nézz át sok csöves erősítőt, hasonló funkciókban ez a megszokott, automatikus Ug1 beállítás.
A mélyhang kiemelést még lehet javítani ( ha kell ) a 2 kohm kondis áthidalásával, Xc sacc 300 ohm, fültől függően.
Üdv. Mindenkinek! Egy kérdésem lenne! Valamelyikőtök javított-e Horthy néprádió hangszórót eredményesen, és ha igen, mire érdemes odafigyelni? Sikerült egy jó állapotú kávát szerezni hangszóróval, már csak a belseje hiányzik. A hangszórót jó állapotúnak látom, a tekercse nem szakadt, de hangot nem tudtam belőle kicsikarni. Köszi a segítséget!
Szia! Azt hogy érted hogy nem szakadt, de nem szól.
Ha szorul a lengőrendszer,(hozzáér valahol valamelyik mágnes pólushoz, vagy valami darabos szennyeződés beleesett a lengő és a mágnes közé) akkor is kéne valamit ciceregnie.
Egy másik hangszóróval próbáld ki - nehogy felesleges köröket fussál.
Ha ilyen spéci, akkor engedjél rá egy kis trafó szekunderéről ( 6-10 volt ) párszáz ohmon át váltófeszt és hallod-e az 50 Hz-et.. A hozzászólás módosítva: Aug 12, 2019
Szia! Ez az a tipus, ahol a kónusz középen egy pálcikával kapcsolódik a tekercsből kiálló nyelvhez. A tekercs áll a mágnes erőterében, és a kis nyelvnek kell rezegni. Kimenő trafó nélküli, nagy menetszámú tekercs. Nem a jelenleg használt technológia.
Aha értem már. Lengőnyelves hangszóró. Az viszonylag nagy ellenállású. A végcső anódkörébe szokták bekötni sorosan. Annak úgy saccra néhány ezer ohm az ellenállása.
A hozzászólás módosítva: Aug 12, 2019
Helló! Na, éppen így próbáltam "szóra" bírni, de egyenlőre hallgat. Ilyen rendszerű hangszórót gyerekkoromban szedtem szét, de akkor nem volt cél az össze rakása. Azért kértem, hogy aki ilyet javított, megoszthatná a tapasztalatait. Szétbarmolni nem akarom, mert eredeti, és viszonylag jó állapotú.
|
Bejelentkezés
Hirdetés |







