Fórum témák
» Több friss téma |
Az összes precíziós így akkor az utolsó tétel lesz számomra tökéletes.
gondolkoztam hogy meleg levegős forrasztómhoz készítek adaptert annak érdekében hogy a kisebb tokokat 1:1-ben ki tudjam venni.
Szerintem nem is kell levenni a foglalatokat. Kell egy panel tervező program (pl: Sprint Layout). Ha az IC -k már nem takarják a huzalozást, a rajzolat gyorsan bevihető a program segítségével. Ha mégis adódna kérdéses bekötés, egy ellenállásmérő mindent kiderít.
Mégiscsak jó lenne modernebb típusokkal dolgozni. Pl. a Z80 órajel meghajtása TTL elemmel és kiegészítéssel oldható meg csak (tranzisztor, ellenállás stb.), de egy CMOS kapu magában megoldja (Colck input high voltage min. Vcc-0.6V).
Először megpróbálom megmenteni a panelt, de ha nem sikerül akkor lebontom, amit gyártatok is még színben is meg fog egyezni az eredetivel, nem tervezem az elsőt módosítani majd ha kész és stabil akkor módosítom és lesz több típusterv.
Idézet: Eloszor a kapcsolasi rajzot kell megrajzolni, utana mar hibazni se nagyon tudsz a nyaktervvel „Hidd el többször megjártam már ezt az utat (azt is amikor magam rajzoltam) annyi panelhibát utólag javítani (és ennek erős anyagi vonzata is van!) elég durva tud lenni” Ismerosi korben eleg sok 8008-as gep, valamint sdk-85/86 szuletett igy. (Vannak akik aruljak az ebay-en is a PCB-t, izles dolga)Idézet: Csak mert neked harmat is dobott a 'gep' az nem azt jelenti hogy mas nem adna akar penzt is erte hogy megmentsen (vagy akar csak birtokoljon) egy eredeti peldanyt..„még annyit hogy nem terveztem őket eladni így az eladásos részt nem is értettem.” Tedd a szivedre a kezed: akkor is szetszedned ha fizettel volna erte 50k forintot? Ugye
Honnét tudod hogy nem fizettem?
![]() Én gyűjtöm ezeket a gépeket nem csak brahiból tartom őket.... Lassan unom az okfejtést, egyébként a panel már csupasz be is szkenneltem. Őszintén szólva lenyűgöző hogy ahhoz képest a korabeli panelek milyen "gyengék" ezt simán tisztára tudtam szedni, az összes furatot ki tudtam takarítani, egyszóval attól hogy lebontottam nem lett használhatatlan. És legalább a hiba is meglett rajta (track szakadás az egyik foglalat szélén amit kereshettem volna bármeddig ha nem szedem szét). Valószínűleg össze is fogom rakni ezt a gépet vissza ha már ilyen jó szolgálatot tett és csak azért berakom a többiekhez a vitrinbe mert ennek segítségével készül el sok-sok darab belőle. ![]() Még annyit hogy 8008-as gép eléggé kötve hiszem hogy az "ismerősi körödben" elég sok lenne, szerintem te a 8080-ra gondoltál.
En ket erdetit es harom utanepitettet lattam sajat szememmel, kettohoz akar most is vehetsz nyak-ot, ha szeretned utanepiteni (Nem tolem, en nem gyartok ilyeneket).
Nekem is van hozza procim es doksim is, szeretnek majd magam tarvezni belole egy gepet. De van 4004-es procim komplett chipkeszlettel is, eredeti doksival. Nem csak Z80-bol vagy 8080(8085)-bol all(t) a vilag, bar ezek tagadhatatlanul nepszeruek voltak es mondjuk Mo-on en sem lattam 8008-at vagy 4004-et. (Tudom, hogy volt par gep anno, de en nem lattam egyet sem)
Ha gondolod és nem tartasz a dologtól tesztelhetsz nekem "bétát".
![]() Adok egy nyákot alkatrészekkel, össze kell rakni és minden létezőfunkcióját letesztelni. Persze cserébe a gép a tiéd, de fontos tudnom hogy hol/mi lehet a pontos hiba (egyedül hiába csinálom én is hibázok sokszor. )
Meg a postat is kifizetem, mert az szerintem tobb, mint az alkatreszek ara
Esetleg arra lenne ötleted (témánál is legyünk) hogy a billentyűzettől jövő prom-ot hogyan tudnám kihelyettesíteni?
Nem emlekszem ra milyen tipus volt. Van kapcsolasi rajzod hozza?
A PROM TBP18SA030N típusú, otthon van kapcsrajzom pontosan sajnos.
Bár ennek a 74Sxxx verziója is létezik lehet hogy azt lehet még rendelni.
Jah, azt irtam privatban
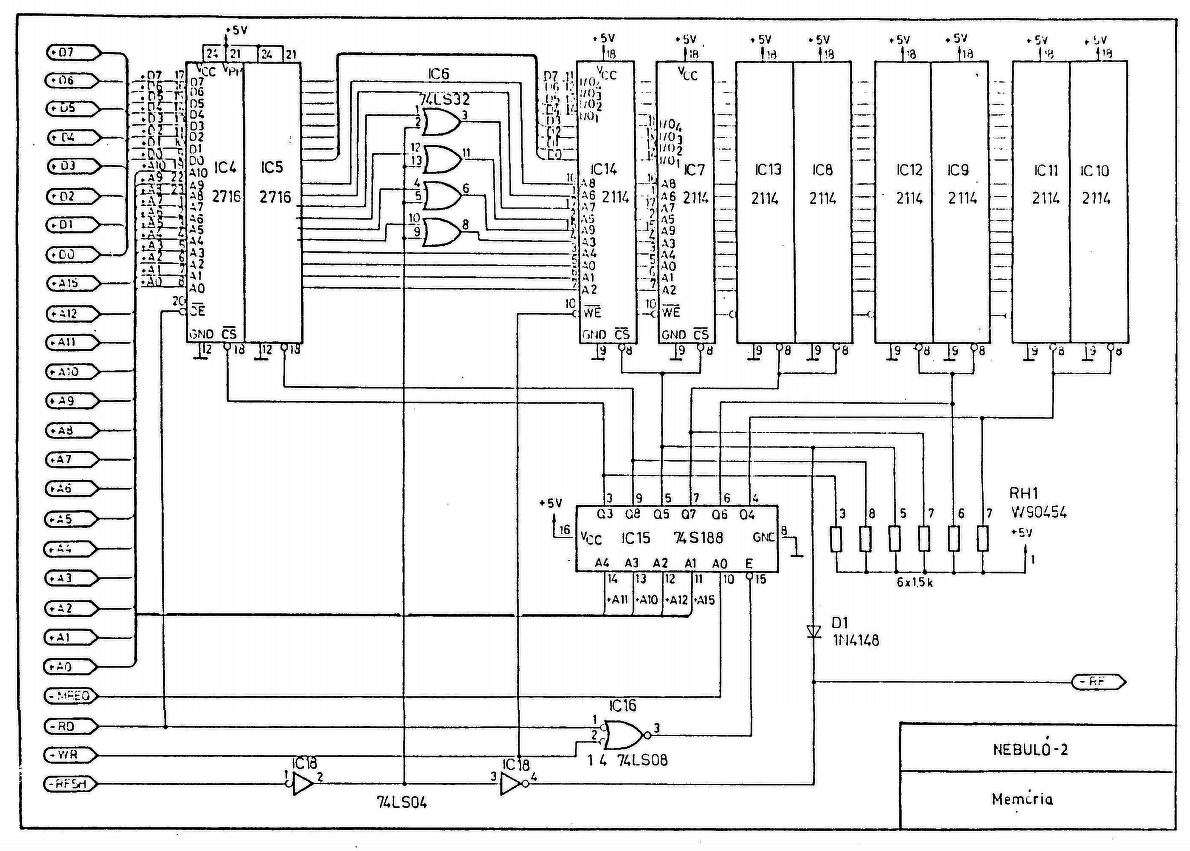
![]() 74s188
TBP18SA030 - 74S188, TBP18S030 - 74S288
Milyen feladatot végez ez a PROM? BIN -> HEX 7 szegmenses dekódoló? Nem elég beszerezni, hanem fel is kell programozni valahogy... Meglehet, hogy kiváltható programmal is. A hozzászólás módosítva: Nov 24, 2020
Igen valószínűleg fordít a billentyűzet mátrixról, még a programozása gondot jelenthet de megoldom valahogy, találtam belőle 200 as csomagban eladót így az alkatrésszel nem lesz gond.
Jajj akkor nagyon elnéztem az este.
![]() Hát akkor viszont marad a gyári prom mivel nem kiváltható logikával.
A MAT512-ben is ilyen PROM-ok osztották az észt, emlékeim szerint.
A hozzászólás módosítva: Nov 24, 2020
Hat oda azert eleg sok mindent rakhatsz, ha akarsz. Kerdes mi a cel.
Az eredeti prom olcson elerheto, viszont programozasahoz szerintem egyedi aramkor kell, de az sem lehet nagyon ordongos. En altalaban arduino-t hasznalok ilyen celra
Valószínűleg maradok az eredeti prom-nál a programozását pedig az arduino segítségével /inkább közbenjárásával) fogom megoldani.
Még arra kell rájönnöm miféle billentyűk ezek amik gyárilag vannak rajta, mert próbálom hasonlóval szerelni azzal lenne az igazi. Idézet: „programozasahoz szerintem egyedi aramkor kell, de az sem lehet nagyon ordongos.” Klasszikus kiégetős/beégetős módszer, tényleg agysebészet.
Bárcsak szóba jöhetne 2k * 8 RAM (HM6116, 5516 stb), aminek van OE vezérlése is....
Ekkor a PROM helyettesíthető lenne egy 74HC138 -cal is.
Ezert kerdeztem mi a pontos cel
![]() Ha az eredeti konstrukcio megorzese, akkor kell a prom, ha csak funkcionalisan hasonlo epitese, akkor mar sok minden mas valtoztathato (egyszerusitheto). Mindket irany elfogadhato es ertheto (torekves), bar ha lehet en az erdeti kontrukciora szavazok En szeretem az old school cuccokat. Telen 8080-bol epitettem gepet (csak prototipus, vary-panel-en), a memoria kartyat talan ide is felraktam (ki mit epitett) A nebulo nekem szemely szerint annyiban erdekes/ertekes/nosztalgikus, hogy anno programoztam ra a suliban, volt beadando ra. Az elvtarsak azt mondtak ez a jovo, ezert nem tanitjak a 8080/8085-ot (amit en mar elotte tanultam, szerencsere)
Eredeti verzió is lesz ez fix, viszont akarok módosítottat is (pl 6116 ramokkal) sok van belőle és olcsó. Nagyobb eprom terület címzéssel pl.
Mellekesen megkerdeznem, hogy az eredeti targynak megfelelo (nebulo-1) kapcsolasa rajza van-e valakinek...
Abbol a ket kepbol amit valaki par eve felmasolt es a kapcslasi rajzbol lehetne az elso valtozatbol is klonozni. Feltetelezem nincs nagy kulonbseg a ket kapcsolas kozott, ami messzirol latszik az (talan TIL311) kijelzo, valamint a 2-es valtozat kapcsolasi rajza alapjan talan sima kontaktos nyomogomb, nem hall elemes, mint az 1-es. De ezt ugye konnyu ellenorizni
Küldök egy PDF-et ha hazaérek abban benne van a 2-es kapcsolási rajza.
Az megvan, koszonom
Az elso valtozat erdekelne (amirol van kep egy oldallal elorebb). Egyszer valaki, valahol emlitette hogy kapott rajzokat de latni sosem lattam.
Volt fent belinkelték valami oldalról de azóta az oldal rég megszűnt, én most azon "próbálkozok" hogy a Nebuló atyjával fel tudjam venni a kapcsolatot, ő sok mindennel tudna segíteni ha tudna.
|
Bejelentkezés
Hirdetés |




Ismerosi korben eleg sok 8008-as gep, valamint sdk-85/86 szuletett igy. (Vannak akik aruljak az ebay-en is a PCB-t, izles dolga)
) 





