Fórum témák

» Több friss téma
Fórum » Nokia 3310 LCD vezérlés
 
Témaindító: H.Viktor, idő: Aug 12, 2007
Témakörök:
Lapozás: OK   5 / 8
(#) kobold válasza zenetom hozzászólására (») Okt 14, 2008 /
 
V+ és test közé, olyan közel az LCD-hez, ahogy lehet (a közelség a meglévő kondira is igaz).
(#) zenetom válasza kobold hozzászólására (») Okt 14, 2008 /
 
Na megcsináltam, de így se jön be semmi... Biztos nem baj ha elkoval csináltam, ja és 50V-osak?
Feladom
(#) deguss válasza zenetom hozzászólására (») Okt 19, 2008 /
 
A reset lábat húzd fel egy 10k-val tápra, szerintem.
(#) zenetom válasza deguss hozzászólására (») Okt 19, 2008 /
 
Sajnos ez se segít
(#) zenetom válasza zenetom hozzászólására (») Okt 19, 2008 /
 
Na ez a szemétláda bevillant eggyet, de most nem akar semmi se megjelenni, szóval ma addig nem fekszek le amíg rá nem jövök hogy mi a baja hosszú napom lesz
(#) moltam hozzászólása Nov 2, 2008 /
 
Van egy siemens a40 LCD m igaz nem nokia 3310.Valaki tudja ennek a szalagkábelnek a kiosztását?Pontos tipusa hp96521qg-dpo.Datasheet oldalaknál az uzenet mindig datasheet not found volt.Ezt a kijelzőt lehet LCDhype vel vezérelni?
(#) moltam válasza moltam hozzászólására (») Nov 7, 2008 /
 
Vagy egy sagem my v55 ösnek a kijelzőjánek a kiosztását?Nagyon hiányzik a billentyuzetemre egy lcd
(#) pepe33 hozzászólása Nov 11, 2008 /
 
PIC -el szeretném meghajtani a NOKIA 3310-es kijelzőjét.
Tud valaki valami jó drivert hozzá ajánlani amiben vannak nagy karakterek , esetleg rajzolást is támogat C hez ?
(#) picard666 hozzászólása Dec 6, 2008 /
 
sziasztok!
megépítettem az lcdhype féle vezérlőt egy 3310eshez, rádugom a gépre, az lcdhype ki is írja, hogy az van rádugva, de képet sehogy sem tudok kicsalni belőle
először arra gyanakodta, hogy nincsen áram a cuccon, de v+ és gnd közt világít egy led, ha odateszem
valahogy meg lehet róla bizonyosodni, hogy nem halt meg a kijelzőm, hanem valahol elrontottam valamit a kapcsoláson? (tehát mondjuk valamelyik lábakat rövidre zárva felvillan minden képkocka vagy ilyesmi)
(#) Tys23 válasza dpeti hozzászólására (») Jan 27, 2009 /
 
detto
(#) pako válasza Tys23 hozzászólására (») Jan 27, 2009 /
 
Ezt nevezem! Másfél éves hozzászólásra ennyit írni...
(#) Brienter hozzászólása Márc 4, 2009 /
 
Üdv!
Van egy pár darab nokia személyhívóból való lcd kijelzőm. Ami rá val írva: 4851003 92 23
Másik típus 4851016 93 12
Ezekhez kellene bekötési rajz meg ezeknek van e valamilyen beépített vezérlője? 10 lába van
(#) Brienter válasza Brienter hozzászólására (») Márc 5, 2009 /
 
Senkinek semmi?
Pedig ha jól nézem ez egy 16X2-es karakteres lcd jó lenne valamit kezdeni vele.
Egyik 10 lábú a másik típus csak 8.
(#) Villamos hozzászólása Márc 5, 2009 /
 
Sziasztok. Ne haragudjatok de én nagyon hülye vagyok ehhez és nem értek egy két dolgot. Légy szí segítsetek.
1 a GND-t a pc -5-re kötöm? És a többi mi?
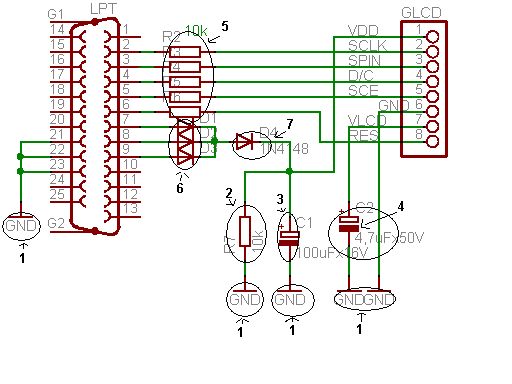
Nézzétek meg a képet amit nem tudok azt be karikáztam és számot adtam neki, hogy könnyebben meg magyarázzátok. Előre is köszönöm.

bekőtés.jpg
    
(#) deguss válasza Villamos hozzászólására (») Márc 8, 2009 /
 
Szia Villamos!

A GND szimbólumó vezetékvégek egymással vannak összeköttetésben, csak az átláthatóság kedvéért használnak "test ikont". Az 5-ös csoport 5db 10kiloohmos ellenállás, a 6+7-es 1N4148-as diódák, a 2-es szám egy 10kiloohmos ellenállást jelöl, a 3-as egy 100µF-os kondenzátort, a 4-es egy 4.7µF-osat. (mikrofarád)

Véleményem szerint ez a kapcsolás veszélyes az alaplapra nézve, a 100µF-os kondenzátor megtépheti az alaplapot. Javaslom hogy a szükséges tápfeszültséget az USB-ről, vagy egy PS/2 csatlakozóból vedd. Ez esetben a 3 dióda elhagyható, oda kell kötni az 5V-ot. Remélem eligazodsz rajta.
(#) Villamos válasza deguss hozzászólására (») Márc 8, 2009 /
 
Nagyon szépen köszönöm deguss.
Lpt ptrtról menne a vezérlés.
Melyik az a 3 dióda? 6-os ra gondolsz? 5V-t mínusz vagy pluszra gondolsz.
Ne haragudj csak alig értek hozzá és már 3 hete ezzel foglalkozom és nagyon meg szeretném csinálni.
Küldök egy másik kapcsolást. Erről mi a véleményed?
Ez is rossz?
Előre is köszönöm.
Nagyon jó a fórum.
(#) Honki hozzászólása Márc 12, 2009 /
 
Sziasztok!

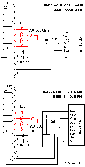
Én is ennek a rajznak alapján kötöttem be a kijelzőt . LCDHype 0.6 progival nagyon szépen működik.

3310 kijelző
(#) Honki hozzászólása Márc 13, 2009 /
 
Már csak az a kérdés, hogy az lcdhype oldalán hol a fórum. Mert ahány linket találok mint csak egy oldalra vezet ahol mindenféle tvmount meg ilyesmi van. pl: Bővebben: Link

Segítsetek hogy juthatnék a fórumra. Kösz!
(#) Honki hozzászólása Márc 21, 2009 /
 
Sziasztok meginT

Lcdhype-ban hogyan lehet megoldani hogy több screen leygen a sciptben? több oldalas és utána kezdi elölről, mint a smartieban.

köszi

(#) moltam hozzászólása Ápr 15, 2009 /
 
Helosztok!
Megépítettem a kapcsolást.Sikerült is kiíratni dolgokat de nem frissül a kép.Csak akkor ha folyamatosan a 'ceruzára' kattingatok.Az idő is csak egyhelyben áll.
Mi lehet a gond?
(#) Honki válasza moltam hozzászólására (») Ápr 15, 2009 /
 
Hali!
A főképernyőn nyomd meg a GO gombot
(#) moltam válasza Honki hozzászólására (») Ápr 16, 2009 /
 
Eddig is be volt nyomva de igy sem frissül.Amikor benyomom frissül 1et és vége.
(#) gunner19 hozzászólása Ápr 26, 2009 /
 
Üdv szakik!
1 kéréssel fordulnék hozzátok, hogy 1 épkézláb bekötési rajzot a nokia 3310-hez valaki küldjön már el nekem + 1 alkatrész listát.
Nagyjából megvan minden de van annyi rajz, hogy elég belőle kijönni!

U.I. Előre is köszönök mindent, én ennek alapján próbálom majd megcsinálni.

nokia lcd.gif
    
(#) Honki válasza gunner19 hozzászólására (») Ápr 29, 2009 /
 
Szia!

Ez jó kapcsolás, csak kicsit módosítani kellett. Nézd meg hogy mekkora feszültség van az lpt portodon (4148 dióda előtti fesz). Ha 5V akkor kell a dióda ha 3.3V akkor nem. De elég csak az egyik, nem kell párhuzamosan kötni. A piros rajzú ledek csak háttérvilnek vannak. Amúgy jó a kapcs. Itt a sajátom: Üdv!

Bővebben: Link
(#) gunner19 válasza Honki hozzászólására (») Ápr 30, 2009 /
 
Köszi szépen a segítséget, végre valaki válaszol nekem is!
(#) moltam válasza Honki hozzászólására (») Ápr 30, 2009 /
 
(#) Honki válasza moltam hozzászólására (») Ápr 30, 2009 /
 
Köszi már megtalálétam Azóta már mindenfélét ki tudok írni a kijelzőre
(#) syetemerror hozzászólása Máj 13, 2009 /
 
Sziasztok

Elnézve ezeket a kapcsolásokat nagyon tetszenek. Nekem is van egy 3310-es kijelzőm, de sajnos az alaplapomon nincs LPT port. Esetleg valaki tudna nekem adni olyan kapcsolást ami USB-ről működik?

Előre is köszönök mindent :worship:
(#) H.Viktor hozzászólása Jún 17, 2009 /
 
üdv!
Nemrég újratelepítettem a gépemet és, elfelejtettem elmenteni az LPT dirveremet.... :S
Valami ProPort vagy PortPro vagy ilyen volt a neve. system32 be kelett betelepíteni azt histzem, elindítani beírni hogy $378 és utána működött. Csak ez cirka 3 éve volt és már elfelejtettem :S
Valaki megtudná mondani a nevét a proginak meg gyorsan leírni a beüzemelését?

A másik hova kell telepíteni DiscoLitezt, hogy Ctrl+P nyomása után a Visualiton ba a Plug-ins eknél megtaláljam?

Köszi előre is a választokat!
(#) moltam válasza H.Viktor hozzászólására (») Jún 17, 2009 /
 
Én a Dlportio t használom az lcd hype honlapjáról letölthető.
Következő: »»   5 / 8
Bejelentkezés

Belépés

Hirdetés
XDT.hu
Az oldalon sütiket használunk a helyes működéshez. Bővebb információt az adatvédelmi szabályzatban olvashatsz. Megértettem