Fórum témák
» Több friss téma |
Fórum » NYÁK-lap készítés kérdések
A témában nincs helye a nem szakmai indíttatású vitáknak, ezért a szabályszegést elkövetők azonnali figyelmeztetés nélküli kitiltásban, vagy némításban részesülnek. Ugyan így járunk el azokkal szemben, akik "blog"-nak nézik a fórumot. Ezt mindenki tartsa szem előtt!
Üdv!
Kössz! Őszintén bő egy éve, de eddig vasalásos technikával csináltam de azzal ilyen vonalvastagsában sehogy nem jött össze. Pedig nagyon sokszor próbáltam. Fotós eljárásban ezaz első. Nem gondoltam hogy ilyen jó lesz, úgyhogy mehet sorozatban.....
Mostmár látod te is hogy érdemes levilágítót építeni
és jó a fotó technika .Én is örülök hogy elpártoltál a vasalósoktól! A vasalás is jó csak ha profi minőséget akarsz sokkal nagyobb befektetést kiván mint a fotózás. Lásd :hőprés (a gyárit nem kapod meg 150 e alatt) Házilag sem egyszerü megcsinálni! viszont a fotózáshoz elég 3-4 uv neon(fénycső) és egy 5-10 perces időkapcsoló.
Szia !
Idézet: „sokkal nagyobb befektetést kiván mint a fotózás.” Ha van nyomtatód akkor nem. Ha emiatt vennél nyomtatót akkor igen. Üdv!
Én nem a nyomtatóról a profi hőprésről beszéltem!
A nyomtató mamár nem tétel ! Én 12000ért vettem tintást de enyiért már lézert is lehet itt nincs külömbség De a félreértések elkerülése végett én nem akarom ezt a vitát újra felszítani! Ugyanitt egyszer már kitárgyaltuk (kinek a pap-kinek a papné)
Üdv!
Van UV csövem építek egy levilágítót. Csak kiraktam a napra, vajon milyen lesz. De sokkal szebb lett, mint a vasalásos. A vasalásossal nem tudok ilyen vékony vezetőt közel egymáshoz vonalazva sűrűn, mert ha rányomtam a vasalót összeért a vonal, ha nem akkor meg nem ragadt a nyákra a festékpor. Pedig nem is ügyeltem pontosan a dolgokra. Az elején próbálkoztam a fotóssal, de akkor a nyák-ot én fújtam, úgy nemsikerült. Szóval maradok ennél a technikánál, gyári fotólakkos nyákkal.
Szia!
Jó lett a nyákod. Grat hozzá! DE: Attól, hogy neked nem sikerült a vasalás, attól még lehet jó. Üdv
Üdv!
Semmi bajom a vasalással. Sikerültek azok is, csak vékony vezetővel, sűrűn, közel egymáshoz az nem sikerült.
Szia !
Nem baj, amit és ahogy csináltad az Ez a lényeg, azt kell használni ami megy. Üdv!
Értem, akkor félreértettelek.
De PCB -nek is igaza van.
Ha egy ic lába közt egy szálat el tudsz hozni az már bőven elég is. De csak több ic közti buszoknál van szükség erre.
Jól megtervezett nyákon nem kell a lábak között flangálni.
Sziasztok!
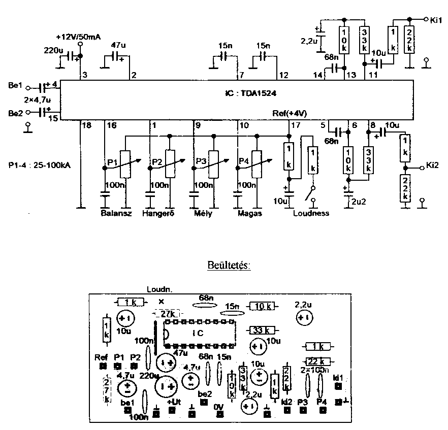
Egy TDA1524-es nyák + beültetés rajzára lenne szükségem. Ha valaki meg tudná terbezni, vag ha esetleg valakinek lenne az nagyon jó lenne. Azért kérem mert én nem tudom megtervezni. A kapcsolás mellékelve van. A válaszokat előre is köszi.
Szia!
Ez egy elég egyszerű kapcsolás. Szerintem ezen pont jó lesz elkezdeni a nyák-tervezést(egyszer muszály lesz).l Megnézed az ic adatlapján a lábkiosztást, és csak odarakod az alkatrészeket. Nem olyan bonyolult, csak gyakorlat kérdése
Üdv!
Csatlakozom az előttem szólóhoz! Én nagyon sokat tanultam ezen a fórumon (nyák-ot gyártani, rajzolni, stb). Saját sikerélmények többet érnek bárminél!
Az nagyon jó érzés, amikor egy általad épített áramkör azt csinálja, ahogy tervezted.
Nézd a jó oldalát. Az alkatrészek pozicióját már ki sel kell találni hiszen adott. Már csak be kell huzogatni a vonalakat
Had csatlakozzék az előttem szólókhoz!
(persze nem bántás vagy ilyesmi)Tényleg nem nehéz, csak a lustaság beszél belőlünk ilyenkor! (Belőlem is szokott) Hát valóban pepecs munka benne lesz lehet hogy 1-2 órád, de megéri :yes: Megérted a kapcsolást is! Memorizálod jobban, könnyebb a hibakeresés utánna stb. Úgyhogy Hajrá!
Szia !
Sokszor olvastam, hogy melyik módszerrel mit lehet, és mit nem. Gondoltam ma kipróbálom, már csak a magam megnyugtatása végett is, hogy eloszlassam az anomáliákat a melyik módszer mit bír, mit tud kérdésben ![]() Relatíve sok panelt készítek (heti átlag 3-4db) eddig nem volt szükségem ilyen sávokra, nem hiszem, hogy ezután is lesz, de kíváncsi voltam azért a dologra. Üdv!
Ha már ismered a tervezőprogramot, akkor egy ilyen áramkör nem kerül 1-2 órába. Én Eagle 4.11 -et használok és eléggé megszoktam már. De egy nagyobb ák. tényleg pepecs munka és időigényes.
Milyen technikával csináltad? Vasalás, vagy fotózás?
Jól sikerült
Szia !
Vasalás, mert az van kicsit leszólva érzésem szerint alaptalanul. Üdv!
De neked valamilyen speciális vasalód van. Azzal könnyű dolgozni. :yes:
Szia !
Csak annyira speciális, mint pl a tűzhely sütője helyett egy nyákszárító :yes: Üdv!
Végre valaki promótálja a vasalásos technikát, mostanában elég sokan köpködték.
Dehát tessék, lehet egy Ic alatt 8 sávot is elvinni (amúgy gratula). akkor én is szertnék egy tévhitet eloszlatni. Elég sokszor hallom, "nem sikerült a vasalásos technika, mert biztos nem volt jól felcsiszolva, nem volt fémtiszta a felület" a múltkor találta otthon jó 12-13 éves agyon oxidálódott nyáklemezt, ... namondom kipróbálom... nem csiszoltam fel, hanem csak lemostam acetonnal... namost az eredmény első osztájú lett, sehol egy alámarás, ergo ez az átcsiszolgatás tök fölösleges, max maratás után nagyon finom vípapírral, de az is csak esztétikum. Meg aztán agyonégetni sem szabad a papírt a vasalóval, egyébként ilyenkor a nyáklemez bimetálként működik, a nagy hőtől, kidomborodik, és a vasaló nem fogja egyenletes nyomást kifelyteni, ilyenkor érdemes, ha van valami gumigörgő szerűség, és azzal melegébe végigmenni rajta. üdv
Szia !
Azért, ha másért nem is, de az oxidmentesítés arra jó, hogy gyorsabban tudsz maratni "tiszta" mint oxidos panelt. Teljesen igazad van, az egyoldalon melegített panel hajlik, ha nem is látványosan, plusz a vasaló talpa sem sík, hanem domporú, de ez sem látványos persze. Ezért nem a legjobb, és ezért nem 100% a vasaló használata. Üdv!
Hi
elég látványos azért.. főleg nagyobb panel esetén. Fogj be a satuba egy nyáklemezt függőlegesen, és küld meg hőlégfúvóval... olyat hajlik mint a pisai ferde torony ![]() üdv
Helló
Nekem eddig még csak a bakelit nyák hajlott meg. Üvegszálas még soha. Most is bakelit van és az elég szépen hajlik. Nem is szeretem ezért, de nem volt más a boltba, csak ez.
Hi
pedig az is meghajlik, csak nem annyira, de csak azért mert vastagabb. Nincs jelentősége milyen anyagból van. üdv
Milyen nyák-vasalód van?
Egy képet fel tudnál rakni róla? Köszi! |
Bejelentkezés
Hirdetés |





(persze nem bántás vagy ilyesmi)





