Fórum témák
» Több friss téma |
Fórum » PC táp átalakítás
Mivel a negatív ág (általában) nem szabályozott és (általában) a pozitív ág tekercséről megy, ezért egyforma + - csak szimmetrikus terhelés esetén jön ki belőle.
Ha megpróbálod a 12 voltra ráírt áramot kivenni belőle akkor a tekercs (a vezeték miatt) elkezd melegedni meg a dióda is. Aztán 30-120 perc múlva valamelyik megadja magát. (Főleg az olcsóbb kategóriák) A vas meg a primer az bírná. Ezért gondolom, hogy ami rá van ezekre írva azt inkább csúcsáram lehetőségnek érdemes venni, tartós terhelésnél vagy dióda és tekercs változtatás, vagy nagyobb áramú alaptáp a megnyugtató megoldás. (szerintem)
(2X20V) 8,6A-es terhelés mellett a pozitív ág feszültsége: 19,9-20V a negatív ág fesz.: 19,6V (5 perc alatt a FET-ek 40-50°C-ra melegedtek.) A schottkyk amik plussz bordát is kaptak viszont tűzforróak voltak. De majd holnap megnézem hogy pár óra alatt kisebb terheléssel hogy szuperál. A pozitív ágra elég volt a ventilátor terhelése és már így is stabil lett a kimenet. Ha a primer kör bírja, akkor lehet hogy emelek még a kimeneti feszültségen és ezáltal csökken a leadott áram.
A leadott áram csökken, de a tekercsen és a diódán folyó az nem, sőt... (kapcsolóüzem, PWM)
Most teljesen elbizonytalanítottál, de én nem egészen így gondolom. Mivel ugyanakkora leadott telj. mellett, a primer kör kit. tényező ugyanakkora kell hogy legyen. A szekunder köré is ebből adódóan ugyanakkora marad, de mivel utána vannak a diódák és az induktivitás is, ami simítja az áramot, majd jön a puffer, amiből már kisebb áramot veszek ki, nagyobb fesz. mellett. Így a betáplált energia bár ugyanannyi, de az induktivitás szerintem csökkenti a szekunder kör és a diódák áramát magasabb feszültség mellett. (Bár őszintén szólva csak annyit tudok a PWM-ről hogy hogy működik. De az energiatárolók elméletét váltakozóáramú körökben viszont ismerem, és ebből gondolom azt amit írtam.) De majd a gyakorlati teszteken elválik.
Kinyírtam az alanyt.
(Plussz egy másik tranyó garnitúrát is.) Komolyabb átalakítás kell. Vagy teljesen új táp. (Az ATX-ről azért mondtam le, mert túl magasak. És nincs hely a dobozban.)
Az eredeti elképzelésed szerint nem +20V-on 3,6A és -20V-on 1,2 A szerepelt? Vagy ez egy másik projekt? Az egy ág 344W-os terhelésével a tápot túlterhelted. A táp oldalán ott kell lennie, hogy 12V-os ág mennyivel terhelhető, terhelésben az alá kell tervezned.
Sziasztok!
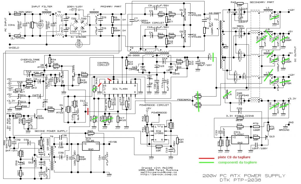
Van egy BTC PSC-200A (Rev: 2.1) típusú 200W-os AT-s tápom. Belőle szeretnék CB-hez illetve URH mobil rádióhoz tápegységet csinálni. Elég lenne ehhez nekem, ha a 12 Voltos ágat fel tudnám húzni 13,8 V-ra és ehhez a "feszültség figyelést" átültetni a 12 Voltos ágba. Nekiálltam kibogarászni a dolgokat Amarton cikke alapján. Elindultam a KA7500 1-es lábától az 5 Voltos ágig. Ezen a szakaszon 3 ellenállást találtam csak sorba kötve. Valószínűleg én nézhettem be valamit, de ha valaki már ilyen táppal foglalkozott és tudna segíteni, az nagy segítség lenne, esetleg egy kapcsolási rajz is úgy érzem nagyot lendíthetne a helyzetemen. Van még egy Mercury ATX tápom is, de azt valami 2003 feliratú IC hajtja, így úgy gondoltam, hogy az már csak a legvégső eset. Ha netán ahhoz tudna valaki instrukciót adni, azt is nagyon megköszönném.
A projekt folyamatosan változik, de már kezdenek kialakulni a dolgok, mivel a műszerek már megvannak és a fejlesztőkártya tápigénye is adott már. Ebben a csatolmányban benne vannak a közel végleges adatok, de mivel a védelmi kör tápellátása ebben még nincs benne, így max. +10W kell a védelmeknek még. Nos fogtam még egy AT-s tápot és megnéztem hogy gyári állapotában elviseli-e a ráírt adatokat, de sajnos kb. 5 perc után megfeküdt. Úgyhogy fogok egy ATX-es tápot és egy új NYÁK-ot tervezek neki, hogy beleférjen a dobozban. (Csak a bordák magasságát és a kondik magasságát kell csökkentenem.) (Meg persze a kimeneti kört kell újraterveznem.) (Még van itt egy pár működő táp, szórakozok még velük.
)
Az IC 4-es lábán lévő alkatrészekből (dióda és ell. csak azt az ellenállást hagyd bennt, ami a GND-re húzza). Az 1-es lábon lévő alkatrészek 3 ell. vedd ki azt amelyiknek a lába a +5V-ra megy. (A +5V-ra menő lábát.) Ezt a kivett lábat kösd be a 12V-ra. Ekkor a kim. fesz.-et ez az ág szabályozza. És van még ott egy ellenállás, ami a GND és az IC 1-es lába között van, na oda tegyél egy potit (22-47k) és állítsd be vele a kim. feszültséget. A poti max. állásba legyen az első bekapcsoláskor és ekkor a kim. fesz. kellően alacsony lesz. Ha megvan cseréld ki a potit ellenállásra. A teszteknél figyelj hogy a kimeneti ELKÓ-k fesz.-e mekkora. Én úgy szoktam, hogy beledugom a műszert és bedugom rövid ideig. (Ha jó a kim. fesz, akkor állítom, ha magasabb, mint amit az ELKÓ-k bírnak, akkor kihúzom.)
Áramigény? Esetleg ez a leírás segíthet.
Köszönöm a tippet bankimajki, akkor jó fele indultam. Neki is ülök és folytatom. Remélem sikerül.
laszlokunstar, áramigény egyelőre 10A alatt bőven. Ha 7-8 A kijön már boldog vagyok.
Köszönöm a segítséget! Azt hiszem sikerült is, csak ügyesen rövidre zártam az egyik tápcsatit, így elfüstöltettem... Szerencsére van még elfekvőben tápom..
Időközben nekiálltam egy másik tápnak. A feszültség figyelést átkötöttem a 12 Voltos ágba, de már vagy 1 órája ülök felette, de nem találok ellenállást ami GNDre húzná a 4-es lábat. Amit találtam: 4-es láb->ellenállás->ellenállás, zener->DBL339(LM339) lábaira megy. Van még egy forrasztási pont a vezetősávban ami üres és vele szembe egy másik ami viszont GND. Lehet nekem kellene ide beraknom egy ellenállást, a vezetősávot pedig elvágnom?
Ja és még valami... Ha csak ezeket a módosításokat csinálom meg, attól a rövidzár védelem még továbbra is működik, ugye? Köszi a választ!
Ok, közben rájöttem, hogy hülyeséget kérdeztem a rövidzár védelemmel kapcsolatban... A másik kérdésem azért még áll továbbra is..
Kis segítség a mellékletben.
Hát ezek alapján az elgondolásom akkor jó lehet. Itt is a 4-es láb direkte csak egy ellenálláson keresztül GND-re van kötve... Bár kicsit félek, hogy újabb táp halálozik el a kezeim között.
No holnap kipróbálom akkor így, a jelenlegi felállásban. Aztán meglátjuk.. Köszönöm.
A szokásos - 60-100W-os izzó a táppal sorba kötni a 230V-os oldalon a teszt idejére.
Korábbi hozzászólásomban (#1108696) egy komplett CB táp átalakítást linkeltem be. Ami igazán ötletes a megvalósításban, az, hogy a feszültségeket úgy növelte meg, hogy a visszacsatolásba diódákat kötött, és ezzel diódánként 0,6V-al emelte a kimeneti feszültséget.
Az a baj a 4-es lábbal, ha az le van kötve a testre és a többi pedig ki van iktatva róla, akkor a rövidzár védelem nem fog működni. Ha valami miatt hosszabb ideig lesz rövidzárlat izzós korlátozás nélkül, akkor nagyot durrannak a primer tranyók.
Sziasztok!
Átalakítottam egy 235w at tápot. Sikerült is. 2x22V a max én egyelőre 20-on küldöm. Kérdésem annyi volna, hogy vannak ezek az "áramváltó" tekercsek vagy mik. Ha a -12v on bennhagyom az eredetit akkor 1,5v al kisebb feszkóm lesz a - ágon és terhelésre is sokat esik a feszkó. Ha kiveszem akkor jobb sokkal. Ezeket ki kell venni a + - ágról is? Illetve ha csak a - ágat terhelem akkor sokszor feleződik a fesz és ciripel a táp. Ez normális szimetrikusan lehet csak terhelni??? Köszönöm a válaszokat Sziasztok!
Gratulálok! Mindkét ágon maradjanak a tekercsek, ha lehet egyformák, és nagy áramúak legyenek, a -12V-os ágon levő kisebb áramra lett tervezve, cseréld ki. A két kimenet legyen szimmetrikus.
A -12V-os ágon levő schottky diódákat is cseréld le nagyobb áramúra, valamint van bent egy + dióda is amit kiveszel és rövid zárral helyettesíted. A táp a pozitív ágat figyeli, és ha csak a negatív ágat terheled, a pozitív terheletlensége miatt "költözik bele a tücsök".
Ez az izzós élesztés valóban okos dolog... Majd kisütötte a szememet, de legalább a táp megmaradt.. Na ha hazajöttem melóból újra átgondolom ezt a dolgot...
Köszönöm!
A diódákat kicseréltem már a sorost kiiktattam. Akkor 2 nagyáramú tekercset fogok keresni. Amúgy ennek mi a szerepe (tekercs) tudja valaki mert én csak sejtem. Üdv!
A tekercs és a kondik feladata a kapcsolóüzem miatt keletkező nagyfrekvenciás zaj szűrése.
Alap szintű ismeretek nélkül nem kellene neki állni egy ilyen relatíve bonyolult kapcsolás átalakításának.
Egyszer el kell kezdeni valahol. Mindenki egyszer elkezdte és volt amikor még csak kapizsgálta a dolgokat
. Üdv!
Egyrészt, másrészt az áramváltozás sebességének csökkentése. Ha nincs a fojtó a kimeneten akkor a közel négyszög alakú primer áram "csúcsos" (kúp szerű) lesz és a csúcsértéke is nagyobb lesz. Ha nem erre vannak méretezve a kapcsoló tranyók, akkor nagyobb terhelés esetén tönkre is mehetnek.
Tényleg ez is. A második felét én sem tudtam. Mindig tanul valamit az ember!
Még egy kérdésem volna. Olyan duál schottky dióda (to220 stb tok) létezik e aminek a két széle a - és középen a + vannak összekötve? Ez a - ághoz kellene. Jelenleg két 5A schottky gyors diódát használok és az a gondom hogy ezt nem tudom hűteni.
Eredetileg úgy volt a táp, hogy a megszaggatott fesz ráment a két eredeti dióda - ára (1A) és a másik oldal + közösítve alkotta a kimenetet. Ezzel csak a hűtés a gond. Van rá valami megoldás? Köszi Üdv!
Létezik, csak nehéz találni. A HQ-Videonál találtam horribilis áron. Viszont a HEStore-ban van TO220-as tokban 1db schottky, ebből kettőt össze tudsz kötni megfelelően.
Persze a hűtőbordára szerelés előtt szigetelni kell...
![]() Üdv Inhouse
Nagyon köszönöm a segítséget mindenkinek! Sikerült az átalakítás, megvan a fix, stabil 13,8 Voltom. Viszont a rövidzár védelemmel kapcsolatban, azt szeretném megkérdezni, hogy nincs-e valamilyen mód ilyen fix feszültség mellett visszakötni és ennek a feszültségszintnek megfelelően átalakítani a rövidzár védelmet? Mert ha jól sejtem a feszültség eltérés miatt kellett kikötni.
|
Bejelentkezés
Hirdetés |




(Plussz egy másik tranyó garnitúrát is.) Komolyabb átalakítás kell. Vagy teljesen új táp. (Az ATX-ről azért mondtam le, mert túl magasak. És nincs hely a dobozban.)






