Fórum témák
» Több friss téma |
Fórum » PC táp átalakítás
Egy kicsit át kell alakítani. Keresd meg, hogy a tiedben milyen van... Nálam például egy egyszerű tranzisztoros, ennél lebontottam a +5V, -5V, -12V-os részét (AT táp), majd egy darab ellenállás kellett csak beforrasztanom és már működött is. Így csak az áramváltóból jövő feszültséget figyeli.
A legelső (#1108696) hozzászólásomban említett CB célú átalakítás a legegyszerűbb, kb. 15 perces munka, miután megkerested az átalakítási helyeket. Védelem marad a régi!
A visszacsatolásba diódákat kell beforrasztani az alábbiaknak megfelelően, és kész vagy. A feszültségigényed 20%-kal magasabb az eredetinek. Tehát 12V->14,4 V (+2,4V=4 dióda), 5V->6V (+1V=2 dióda), 3,3V->3,96V (+0,66V=1dióda). Esetleg még a 12V-os ág kondenzátorait érdemes kicserélni +25V-osra.
Sziasztok!
Segítsetek légyetek szívesek! A második at tápnál tartok, (első jó lett ja és egyformák). A gondom az, hogy ha fullon megy (25v) akkor jó, ha lejebb tekerem a potit akkor nagyon erős kaparó ciripelő szinte zúg hangja van és melegszik a 230v on a tranyók. Ha a plusz ágat terhelem akkor is zúg, csak terheletlenül jó és fullra hajtva, másképp cirip .Lehet alkatrész lesz belőle a többihez ![]() Köszönöm előre is!
Van még tápom elfekvőben, a következőn kipróbálom ezt. Ha jól értem a piros vonalak jelölik a fólia átvágását a zöld pedig az alkatrészek eltávolítását és/vagy cseréjét? Köszi!
Pontosan, ha a bonyolultabb megoldást választod. Ha az egyszerűbbet, akkor nézd meg az (#1108696) hozzászólásomban levő linken levő leírást.
Jaa, hogy erre a leírásra utaltál az előző hozzászólásodban is. AZért nem értettem, hogy hol vannak a plusz diódák azon a rajzon...
Ok, világos... Google Fordítóval lefordítattam angolra, így már a leírás is világos és valóban elmés, ha úgy működik ahogy sejtem. Tehát csak a visszacsatoló ágat babrálja meg annyival, hogy annyit ejt a visszacsatolt feszültségen amennyivel többet szeretne a kimeneten látni, így a táp gyorsan utána húz? Na neki is ugrok kikeresgélem ezeket a visszacsatolásokat aztán megnézem, ez így egyszerűbb és viccesebb. No meg sokkal biztonságosabb a megmaradt védelem miatt! Köszi
Igen!
Üdv
A segédtáp kimenetére kellenek az 50V-os elkók? Az enyémben gyárilag az van, de csak 13-14V körül mérek a kimenetén, gondoltam beledobok egy 16Vos 470uFos low-esr kondit, csak nem tudom, hogy vannak-e ott nagy feszültségtüskék.
Szia!
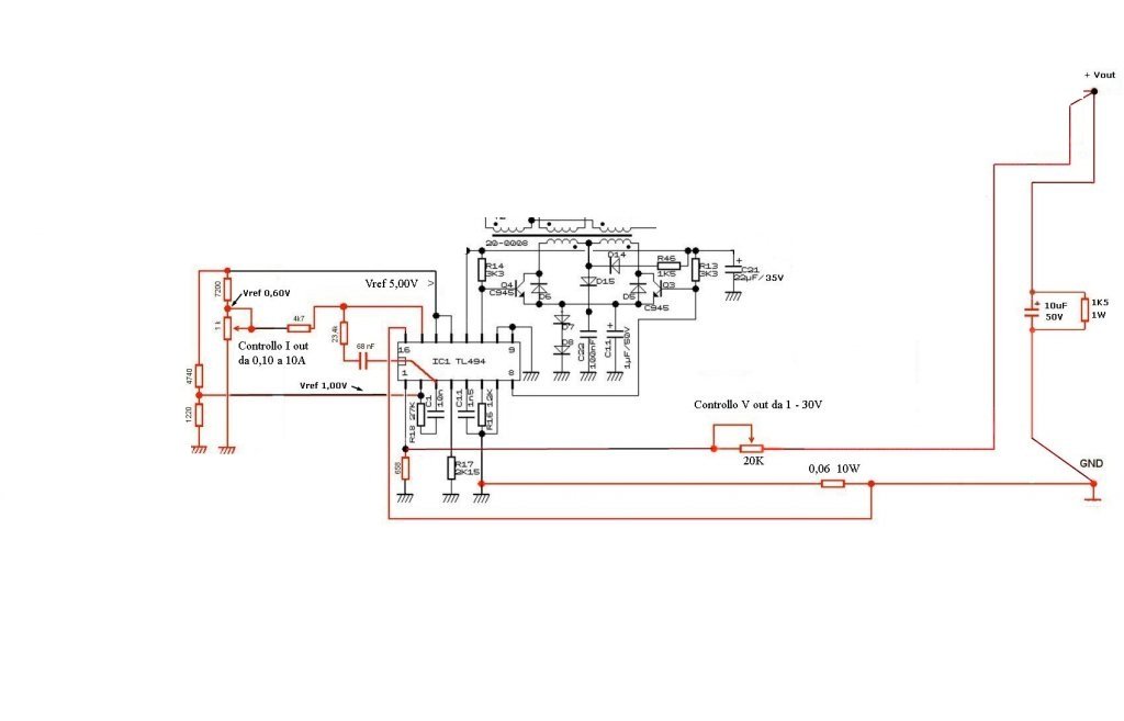
Ez a diódás ötlet nagyon nagy okosság. Ma kipróbáltam, bár picit másképp. Az általad linkelt oldalon lévő megoldás ha jól sejtem azért nem szerencsés, mert ott nem tartja a feszültséget, ha elkezdem terhelni a 12 Voltos ágat. Én annyiban tértem el, hogy az 5 Voltos ág visszacsatolásába csatoltam be a 12 Voltot 3,2 Voltra csökkentve, így a táp szépen fel is nyomta a feszt 13,8 Voltra. Megy is nagyon remekül, 97 Wattal megterheltem és szépen vitte. Most egy sor dióda van összeforrasztva, de majd cserélem feszültség osztóra és akkor úgy szebb is talán a megoldás. Annyi problémát tapasztaltam még, hogy ha rajta van a terhelés a tápon és "hidegen" indítom, akkor van hogy csak 3.-4. vagy 5. alkalomra indul el. Jól sejtem, pufferkondi csere lesz? Ha jól gondolom, akkor elég a C30 kondi cseréje(Lásd a kapcsolási rajzon.)? (jobb felső sarokban)
Szerintem diódázd a 3.3-as ágat is.
(A kondinak nincs köze ehhez szerintem)
Ha úgy csináltad, ahogy a leírásban van, akkor minden ágba tettél a feszültség emelkedésnek megfelelően diódát.
Mind a +12V és mind a -12V -os ágban kell kondit cserélni a feszültség emelkedés miatt. Az új feszültség közel van a régi kondik tűréshatárához.
Sziasztok!
A kérdésem nem pont ide való csak félig ezért bocsánat . Vannak rossz tápjaim amikből elég sokat megcsináltam már és azokat is át fogom majd alakítani . Két tápban 2 ic van amit nem tudok sehol beszerezni! Írtam már a két tápos topicba is de még nem jött válasz eddig. A 2 ic TPS3510 és LP7510 ezek a PS-ON részen vannak a tl494 szomszédságában. Ezeknek a tápoknak már csak ez a bajuk, mert mindent ami meghalt kicseréltem és az 5v vsb már tökéletesen megvan, csak emiatt az ic miatt nem indulnak mert az is meghalt. A két ic teljesen ugyanaz felcserélhetőek és lábkompatibilisek is, de SEHOL nem kapok. Köszönöm válaszotokat előre is. Üdv!
Sajnos nincs sehol egyik sem. Egyedül az eBay-en találtam majdnem 1600Ft-ért + szállítás + vám + egyéb.
Ha át akarod alakítani akkor jobban jársz ha kiszeded, mert ez csak a PSON, a PG, a túlfeszültség figyeléshez és a túl alacsony feszültséget figyeléshez kell. Ha rendeltetés szerű használatra szánod a tápot, akkor kérdezd meg a HEstore-t vagy valamelyik nagyobb kereskedést, hogy be tudják e szerezni.
Köszönöm válaszod! A kiiktatás sem gond, mert nem mindegyik kell pc be. A legtöbbet úgyis átalakítanám töltőnek, erősítő tápnak stb. A kiiktatása hogy történik röviden? Köszi Üdv!
Ha jól gondolom, akkor a FPO kimenet megy a TL494 DTC lábára. Kiveszed ezt a felügyelő IC-t és az FPO helyét lekötöd GND-re. De a legjobb, ha visszaköveted ezt a részt és megnézed mi, hová megy...
Hello. Van egy pc táp primerem. Csak primer. Eredetileg SG6105 volt a szekunderen.
Életre lehet-e ezt a primert kelteni ha csinálok neki valami visszacsatolát? vagy nemtudom... ezért kérdezem...
A rajza alapján minmdent ami nem a primer része kiszedtem. Így a készenléti 5V primejét is. Most van a egyenirányítás a puffer és a főtrafó vezérlése.
A nagy kérdés hogy a visszacsatoló trafóra mi menjen?
Valamilyen vezérlés mindenképpen kell neki, legegyszerűbb lenne a sajátja. Miért szedted ki a szekunder részét, mit szeretnél ezzel az egésszel?
A kérdésed ide való, át is tettem.
Az IC el volt pukkanva a szekunderbe meg bele volt matatva. Így kaptam. Ahogy elnézegettem a vezérlés a kis trafón megy vissza. Arra kéne valami kis kapcsolás hogy szabályozzon. Nem kell rá védelem semmi csak induljon.
Javaslom nézz meg egy gyári PC táp kapcsolási rajzot, mondjuk TL494 vezérléssel, és az alapján építsd újra a vezérlést. A hibaerősítőket kihagyhatod, kitöltési tényezőt pl a DTC lábon tudsz szabályozni (akár egy potival). A meghajtó trafó bekötését pedig lelesed a kapcsolási rajzról.
Ilyen mókolás esetén kiemelten fontos, hogy kb 40W-os, 230-as betáppal soros izzón keresztül éleszd, és sok bosszúságtól kíméled meg magad
Igen ismerős a primerbe izó kötés. Szívtam már miatta... hogy nem volt.
A szabályzós kapcsolásból loptam. Letöröltem a primert a szekundert meg a készelétit hogy átláthatóbb legyen. Így még szabályozni is tudom majd
Igen, erről van szó! Így még működhet is. Figyelj a meghajtó trafó tekercselésének irányaira, amit persze nem tudhatsz
Így vagy marad az hogy ugyanúgy kösd be mint eddig, vagy próbálgasd (szkó sokat segít).
Led égősorhoz szeretnék egy tápot felhasználni. A kérdés az az, hogy mennyire bírja a PS_ON-ról történő ki-be kapcsolgatást?
A PS_ON közvetve a TL494, vagy bármi más DTC (Dead Time Control) lábát vezérli, vagyis leveszi minimálisra a kitöltést. Elvileg nem gond neki a kapcsolgatás, viszont a kimeneti kondik, félvezetők nem biztos hogy örülnek neki, ha a bekapcsolási tranziesnt többször kell elviselniük a tervezettnél.
Sokkal elegánsabb megoldásnak találom ha a tápot a kívánt feszültségen folyamatosan járatod, és a kimeneten egy MOSTFET-el kapcsolgatod a ledsort.
Nem lenne szó sokról, kb napi 10-15 alkalomról. 30W-ot szeretnék kinyerni, szükséges ventilátor ekkora terhelés mellett?
Mekkora lehet egy tápnak haszontalan teljesítménye nagyságrendileg?
Akkor simán menni fog. Azt hittem mint egy karácsonyfafüzért, percenként több tízszer akarod villogtatni.
Én több éve használok egy régi AT tápot egy 2x25W-os autós erősítővel, ventillátor nélkül, semmi baj. Üresjáratban primer oldali hűtőborda melegszik jobban, ezért arra kell figyelni elsősorban. Ráteszed a teljes terhelést, aztán nézed hogy mennyire melegszik. Ha nem megy 40-50 fok fölé, akkor bírni fogja. Persze gondolni kell az esetleges szélsőséges időjárási körülményekre is, ha olyan helyen lesz(nyáron 40 fok). Üzem közben ne nagyon tapogasd a primer bordát, hanem járatás után kapcsol ki, és úgy mérd a hőmérsékletet, jobb a békesség.
Korábban mértem több tápnál, 11-18W között volt az üresjárati fogyasztásuk. Az átalakítás veszteségét is hozzáadva, 30 W kivett teljesítménynél kb 60W fogyasztrásra számíthatsz. Gondolom régebbi tápod van nem 90+ -os.
|
Bejelentkezés
Hirdetés |




.





