Fórum témák
» Több friss téma |
Fórum » PC táp javítása
Szia!
A kondik 16V-osak, a 12V helyett pedig csak 11,34V van, azaz most mértem a két kondi nélkül csak 11,29 V. Viszont az 1000mikis még a Zeener előtt van, annak fel kellene nyomni a feszt 1,4 szeresre, azaz 15,8V-ra. Ebből a Zeener zener már tudna 12V-ot csinálni. Ha malacom van lehet hogy megúszom egy új kondival? A hozzászólás módosítva: Nov 13, 2017
Moderátor által szerkesztve
Nem úsztam meg ennyivel, új kondival is csak 11,36V a Zeenerre jutó fesz.
Sziasztok!
PC tápom megadta magát! Mercury 350W-os WT7514L IC-vel. Ami feszültségek mérhetőek az IC-n: 4 – 078V 6 – 1,84V 7 – 1,38V 8 – 1,38V 13 – 5,05V 15 – 2,42V, a többi lábon nem mérhető feszültség. Mit érdemes még megnézni? Hol keressem a hibát?
A gyök kettő a pc tápban felejtős. Csak a szinusz hullámnál használatos.
Hello,
A kimeneteken nézd meg valamelyik nem zárlatos-e a negatív pólus felé (3 dióda szerűt látok a sárga toroidokhoz közelebbi hűtőbordához közelebb) ! A 1,2,3 lábakra kellene érkeznie a szekunder oldalon a 3.3V, 5V, 12V feszültségeknek. Mivel ezek nem érkeznek meg 250ms-n belül az IC-hez bekapcsolás után ezért az valszeg letilt. A 9-s lábon magas szintnél van a kikapcsolt, alacson szintnél a bekapcsolt állapot. A kimeneteken 7,8 láb ott a vezérlő feszültség a primer kapcsoló elemek felé. Üzem közben leválasztó trafó és/vagy földfüggetlen műszer használata erősen javasolt!
Sajnos nem elég éles a fótód, hogy kinagyítva érdemben látni lehessen az áramkört. Azon a részen lehet még egy két érdekes alkatrész, pl tl431 jó lenne látni, most csak sejtésem van
Szia!
Teszek fel még néhány képet, de egy kapcsolási rajz többet érne. Bár lehet hogy én azzal sem jutnék előre, mert mint ahogy azt alex0 már észre vette én még analógban gondolkodom. Talán segít a hibakeresésben ha elárulom hogy életemben még annyi pormacskát nem láttam mint ami ebben a gépben volt. Úgyhogy valószínűleg a túlmelegedéstől ment ki benne valami.
Ezek között nincs véletlenül? Ha az orosz megy ott nagyob eséjed lehet, mert ők sokat közölnek.
Kurkászó hely Vagy egy konkrétabb Mondjuk ez A hozzászólás módosítva: Nov 14, 2017
Köszi, körülnézek majd, egyenlőre a héten nem tudok foglalkozni vele, vidéken dolgozom.
Szia! Ha lesz időm átnézem, most egyenlőre nem tudok vele foglalkozni.
Köszi a képeket! A 2-s és 7 sorszámú képeken bejelöltem piros karikával amit ellenőrizni lenne szükséges. A 2-s képen a kis SMD ellenállásokat, hogy mindegyik jó értéken van-e, érintkeznek-e, jók-e a forrasztások, a 7-s képen a 3 lábú to-92 tokozású eszköznek mi a típusa. Tranzisztorra tippelek, de a képeken nem látható a típusszáma.
A 6-s számú képen, a bal felős sarokban lévő 2 kondenzátor kapacitását és esr értékét kellene ellenőrizni még.
A diódák rendben vannak.
Úgy érted nincs zárlat a szekunder oldalon egyik kimeneten sem ?
Kellene egy leválasztó trafó és szkóp, megnézni a IC kimeneteket, a meghajtó trafó környékét, a primer köri tranzisztorokat.
iIgen, persze műszerparkkal rendelkezem itthon .... nem ér annyit ... KUKA.
Ráadásul az összes diódát (nemcsak a kérdéses 3 db-ot) kiforrasztva ellenőrizve elbaltáztam egy csomó időt ... az idő pénz ... hasonló táp nem kerül annyiba mint az óradíjam az Olajipari cégnél. A hozzászólás módosítva: Nov 17, 2017
Moderátor által szerkesztve
Elég lett volna csak a műszert sipolós állásba kapcsolni és feszültségmentes állapotban megmérni a PN átmenetek nyitó feszültségét. Mivel itt shottky diódák vannak kb 200mv körüli nyító feszt lehet mérni. Amelyiknél kevesebb csak 30-80mv az kuka.
Sziasztok!
Van egy Cooler Master 700W-os moduláris tápom. Egyszerűen nem bírom életre kelteni. A táp nem kapcsol be. A segédtáp része működik a standby 5V megvan. Tápvezérlő ic kettő van a segédtápé nem tudom mi de az megy is. A főtáp CM6806 és egy PS223 védelem van benne a szekunder oldalon. A PS223-on szinte semmit nem lehet mérni, VCC van a segédtáptól és pwr on is leesik 5V-ról 0 környékére amikor a zöldet testelem. A táp előélete, hogy ment kb 2 hónapot gond nélkül, majd pihent 3 évet és most nem indul. Amire még gondoltam, hogy az ActivePFC rész okozhat gondokat, természetesen itt a feteket kimértem két pfc fet, egy dióda, két meghajtó fet, elvileg hibátlanok. Ki lehet iktatni ebből a rendszerből a pfc-t? A CM6806 lehet rossz? Ezt beszerezni nem tudom honnan lehet. A tápvezérlő ic-k környékén kondik cserélve. Szekunder kondik hibátlannak tűnnek, de párat cseréltem semmi változás. Amit még nézegettem, hogy a CM6806 nem igazán kap VCC feszültséget pedig ahogy néztem az egyenirányított nagyfesztől kéne kapnia néhány ellenálláson keresztül, nem tudom kell e neki egyáltalán készenléti állapotban. Akinek volt már gondja ActivePFC tápokkal hasonló ic-vel kérem írja le tapasztalatait mert tanácstalan vagyok. 90%-ban erről a tápról van szó: Bővebben: Link A hozzászólás módosítva: Dec 26, 2017
Szia,
Kapcsolási rajból több mindent meg lehet állapítani de ha ellenálláson keresztül kapna VCC-t az IC akkor annak mérhetőnek kellene lenni. Igaz kp tápot az IC de addig nem indul még nem kapcsolt be a táp. Nekem hasonló aktív PFC-s táp szintén nem indult el és ot is a VCC-t előállító ellenálláson túl sok fesz esett és így nem volt meg a vezérlésnek az indító feszültség. Ahogy néztem a CM IC az egy PWM és PFC vezérlő kombó így ha az nem kap VCC-t valószínű el sem tud indulni. Nézd meg esetlen nem-e valamelyik optó kapcsolja a VCC-t a CM vezérlő IC-nek. Üdv
Sajnos kapcsolási rajzot a földön nem találtam. Ahogy nézem a VCC-t tényleg lehetséges hogy az egyik optó kapcsolja, most még nem volt rá több időm méregetni, csak gyorsan ránéztem. Eddig annyi biztos, hogy nem kap vcc-t a CM6806.
Szia,
Ha lesz időd nézd majd meg pontosan honna kap VCC-t az IC. Nekem nem régen volt egy hasonló FSP tápom amiben a szekunder oldalon lévő vezérlő IC adta meg magát és nem kapcsol feszültséget az opto-ra így a táp nem indul el. Ha meg van esetleg melyik opto kapcsolja a primer oldalt nézd meg mi van a másik oldalon lehet ott lesz a probléma. Most néztem a képeket és elég sok (3 db) opto van benne amiből egy szerintem az indításért felel. Üdv
Szia!
A mellékletben nem a kérdéses táp rajza van, de az elve hasonló. Ebben is CM6808 kombó IC van. Természetesen ez is meghibásodhatott, de a cseréje előtt ellenőrizd, megkapja-e a "VCC" feszültséget.
Találtam egy nagyon jó oldalt rengeteg táp kapcsolási rajz van rajta: Bővebben: Link
Ez pedig ami legjobban hasonlít az enyémre: Bővebben: Kép Ebben cm6805 és ps229-van az enyémben cm6806 és ps223 ha jól tudom.
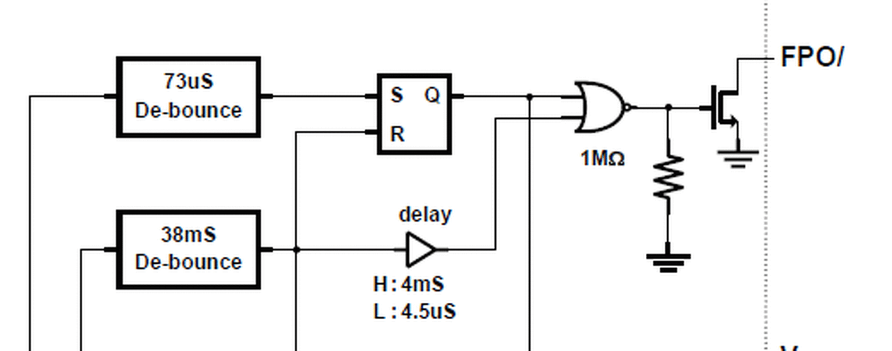
Szia! A kapcsolási rajz alapján már sikerült kiokoskodnom hogyan működhet, visszakerestem a bekapcsolásért felelős opto-t és ha a szekunder oldalon egy pici izzóval 5VSB-t rákötöm akkor bekapcsol a táp, tovább tesztelni még nem volt időm, de ha az 5VSB-t a PS223 FPO kivezetésére kapcsolom, onnan nem indul be. Az FPO még valami ellenálláson keresztül megy egyébként az opto-ra, az opto másik lába meg valami tranzisztoron keresztül kapna testet vagy jelet, ezt a részét nem igazán értem, a kapcsolási rajzon ilyen tranyókat nem láttam, de a tápon több darab is van pl AS431-ből 3-at is találtam + vagy 3 tranzisztor.
Szia!
Bocs, hogy belevau, de szerintem valamit elnézhettél. A PS223 FPO kivezetésén "L" szintnek kell lenni ahhoz, hogy a főtáp és az aktív PFC elindulhasson. Az opto 1. lábára a stby 5V van kapcsolva. A 2. lábat egy 470 Ω-on keresztül alacsony szintre húzza, "le testeli" a PS223 IC az FPO kivezetésén keresztül. Mellékeltem egy részletet a PS223 adatlapjából. Ellenőrizd, ott van-e a stby 5V az opto 1. lábán. Kapcsold testre a 2. lábat egy 470 Ω-os ellenállással. Mérd le a PS223 által figyelt feszültségeket. Ha azokat rendben találod, cseréld a PS223-at. Persze a tápcsatlakozón a zöld PS ON-t zárd össze a fekete kivezetéssel. A hozzászólás módosítva: Jan 4, 2018
Köszi a segítséget, igazából mindenki mondott valami okosat, meg közben jobban megismertem a tápot is.
A lényeg, hogy itt az FPO közvetlenül az opto-ra ment, és az 5V az opto másik lábán nem jelent meg, mert egy C1815 tranzisztor kapcsolta volna de nem tette. Ezt már nem tudtam kideríteni, hogy ez mért nem kapcsolt, mert kimérve jónak gondoltam, de nem teszteltem csak multiméterrel dióda módban. Az egyik lábán meg volt az 5V-is, de nem kapcsolta át az opto-ra. Igazából úgy gondoltam, hogy itt rövidre zárom a tranzisztor két lábát, úgyis az FPO végzi a dolgát és bejött. Jelenleg tökéletesen működik a táp. A PS223-is megy, a védelem is jó, a power-on és a PG-is.
Én még csak utánanéznék annak a tranzisztornak!
Nem biztos, de szerintem még valamilyen plusz védelem kapcsoló tranzisztora lehet. Pl. hűtőborda túlmelegedés védelem. Ugyan a PS223 "OTP" funkciója erre van kitalálva, de a tápban nem csak egy hűtőborda van. Kövesd vissza a tranzisztor bázisától az áramkört és kiderül mi is a feladata ennek a tranzisztornak. A tranzisztor C-E összezárásával csak elkendőzöd a hibát.
Lehet igazad van a hűtőbordán 2db hőérzékelő is volt és valahová arra a környékre volt bekötve.
Mivel kapcsolási rajzot sem találtam hozzá megfelelőt csak hasonlót így elkönyveltem hogy valami nélkül de működik és feszültség védelem is van benne. Sajnos itt 3db AZ431 és még vagy 3-4db tranzisztorféleség is volt, amit már nem tudtam kibogozni. Köszönöm a segítségedet és a többiekét is, igazából már belefáradtam és nem is tudok már több időt rá fordítani, összeszereltem és péntek óta folyamatosan megy hibátlanul.
"tranzisztor C-E összezárásával csak elkendőzöd a hibát."
Vagy kiiktat egy eléggé felesleges funkciót. Lehet, hogy az a hűtőborda sohasem lesz olyan meleg, hogy áramköre valóban aktiválódjon. Ha viszont tényleg rendesen működik - akkor persze minden OK!
Sziasztok!
Ez egy CODEGEN 400W ATX P4 PFC belseje. A táp rendben működik , és ami az illeti láttam már hanyagabb kivitelű tápokat is .(SG6105D és LM339 van benne) )Viszont a venti teljes fordulaton megy , és nem tudom valójában úgy kell e neki.Mi a véleményetek róla.(Egy picit idegesít az a poti a 339 ic paneljén. A hozzászólás módosítva: Jan 23, 2018
Kövesd vissza az áramkörben ventillátort mi vezérli. A tápod passziv PFC-snek néz ki ami nem túl friss megoldás.
|
Bejelentkezés
Hirdetés |




























