Fórum témák

» Több friss téma
Fórum » RF műszerek, mérések
 
Témaindító: pucuka, idő: Júl 10, 2010
Témakörök:
Lapozás: OK   31 / 53
(#) fecameca válasza elektroncso hozzászólására (») Jún 27, 2016 /
 
Üdv! Latin betűvel ha beírod, lefordítja. Sajnos nekem sincs ciril billentyűm.: chastotomer eljektronno schetnij=elektronikus ferkvencia számláló, sety=hálózat, rod raboti=munka fajta, vremia scheta=számlálási idő, dlit=hossz, summ=összegek, metki vremeni=időosztások, pusk=kezdet, kanal=csatorna. Érdekes: az f=frekvencia, MHz, és GHz már latin betűvel van, ugyanúgy, mint a kínai cuccokon is.
A hozzászólás módosítva: Jún 27, 2016
(#) granpa válasza elektroncso hozzászólására (») Jún 27, 2016 /
 
A cirill billentyűzetet le lehet tölteni, s a gépre fel. Nekem a bal alsóban, a bill.nyelveknél ott a váltás, a képernyő alján ott a szimbólum (virtuális klaviatúra). Csere, felhúzás, és írok cirillel; sok mindent meg lehet találni így. A Google egész jól fordítja (néha elkel, mert már elfelejtettem).
(#) Ge Lee válasza granpa hozzászólására (») Jún 27, 2016 /
 
Még az sem kell, mert a gugli fordító is tudja.
(#) granpa válasza Ge Lee hozzászólására (») Jún 27, 2016 /
 
Ez igaz, de ha keresek valami cirill feliratos izét, akkor úgy írom be keresőbe; egyszerűbb, gyorsabb.
(#) elektroncso hozzászólása Jún 27, 2016 / 1
 
Köszönöm mindenkinek a tanácsot. Sikerült kibogozni a feliratokat. Működik is a műszer, már le is mértem, hogy a régebben készült GDO-m egy 5mm átmérőjű "omega" alakú karikával 170MHz-es dolgozik, ez a felső frekvenciahatára.
Mellékelek pár képet az "én" példányomról.
Kicsit furán néztek rám az utcán, buszon, meg a megállóban, miközben hazafelé cipeltem.
(#) szendi001 válasza elektroncso hozzászólására (») Jún 27, 2016 /
 
Szép jószág! Jó mérést vele!
(#) elektroncso válasza szendi001 hozzászólására (») Jún 27, 2016 /
 
Köszönöm. Szép bizony, már persze aki szereti az ilyet. De a súlya is szép, 13 kiló mindenestül.
(#) dinokal válasza elektroncso hozzászólására (») Jún 28, 2016 /
 
Hogy még szebb legyen, fogsz egy rongycsíkot vagy cipőfűzőt, be fogkrémezed, és megpucolod a csatlakozókat. Hálás lesz érte
(#) elektroncso válasza dinokal hozzászólására (») Jún 30, 2016 /
 
Megpróbálom, bár sokat nem érnek rajta a csatlakozók, legszívesebben lecserélném. Szovjet "szabványú" BNC csatlakozó, nem passzol hozzá rendesen a többi (komoly méretpontatlanság). Ha az enyém lenne biztos lecserélném. Viszont le van plombálva, nem piszkálok inkább bele.
A hozzászólás módosítva: Jún 30, 2016
(#) granpa válasza elektroncso hozzászólására (») Jún 30, 2016 /
 
Ez szívás. Pedig adtam volna "verde-fényes", arany(ozott) csatlakozókat. Kérdezz rá a suliban: Ez így gány, nem lehet vele tanulni; kicserélhetem? Vagy javasold a leselejtezését, mivel nem használható! Persze kilóra se, jelképes bagóért.
A hozzászólás módosítva: Jún 30, 2016
(#) Gafly válasza granpa hozzászólására (») Jún 30, 2016 /
 
Az a része, hogy 1.5 mm és például nem 1.54?
Nem "szarul" van gyártva, hanem "tényleg" más szabvány...
Te cuccod, Te pénzed, Te barmolod szét, ahogyan Te szeretnéd...
Nem Neked szántam, de ide sikerült
A hozzászólás módosítva: Jún 30, 2016
(#) granpa válasza Gafly hozzászólására (») Jún 30, 2016 /
 
Nem az övé (sajnos), a suliból kapta kölcsön, nyárra.Másé, plombált, stb.
(#) szendi001 válasza granpa hozzászólására (») Júl 1, 2016 /
 
A Kis ügyességgel rámegy a gagyi BNC mert egy picivel nagyobb az átmérője csak. Nekem föl sem tűnt az első orosz gépnél, alkarból rátettem . Egyébként a tüske magasabb egy picit, finoman meg lehet igazítani.
(#) granpa válasza szendi001 hozzászólására (») Júl 2, 2016 /
 
Nem nekem van gondom vele.
(#) szendi001 válasza granpa hozzászólására (») Júl 2, 2016 /
 
Megválaszoltam az utolsót, nyilván olvassa az érdekelt is.
(#) proba hozzászólása Júl 12, 2016 /
 
Sziasztok, érdeklődni szeretnék. milyen műszert javasoltok a 130-170 MHz és a 450MHz sávra rádiókészülékek beállításához,javításához. Amit elvárnék tőle, tudjon a megadott sávban adni a kimenőszint legyen állítható min 0.3uV ig legalább ( érzékenység mérés ) a modulációs mélység állítható az sem baj. Vétel oldalon torzítást, moduláció mértékét ,teljesítményt (3-5W) tudjon mérni minimum. A régi talán lengyel műszer már erősen gyengélkedik, szeretnénk lecserélni. Nem fontos a hordozhatóság, de nem hátrány.
(#) kendre256 válasza proba hozzászólására (») Júl 12, 2016 /
 
Kérdés, hogy mennyit szánsz rá... Ezek a fajta műszerek nem olcsók. Annak idején a BRG-ben Stabilock 4022, Stabilock 4031, Stabilock 4040, Stabilock 4015 típusú műszereket használtunk ilyen célokra a lengyel ZPFM-3-ak mellett. Mindegyik alkalmas a felsorolt mérésekre, használtan is árulják már őket, ha nem "fúj" az osztójuk, meg nincs megégve, és nem kontakthibásak akkor még lehet őket használni is. Van még jó pár cég, aki gyártott tesztműszereket rádiótelefonokhoz (Pl. Rohde & Schwarz, Marconi, Motorola), de valamiért a cégnél a Schlumbergert favorizálták. De tényleg jók is voltak...
A ZPFM-nek az az előnye (bár rettenetesen fapados), hogy egészen jól javítható. (A sajátomban már szinte az összes lengyel gyártmányú TTL IC-t és 7 szegmenses kijelzőt kicseréltem a szintézer, frekvenciamérő és kijelző egységben )
(#) proba válasza kendre256 hozzászólására (») Júl 12, 2016 /
 
Nálunk az általad említett ZPFM-3 van. Néha (sűrűn) szeret lefagyni ( olyan lelkesen meg nem akarom javítani, és az egyik átszervezésnél a rajza is elveszett) . A tudása nekem bőven élég volna, csak valami stabilabb kivitelben . Állítólag találtak rá pénz forrást ezért szeretnénk lecserélni valami újra. Ahogy elnéztem ehhez hasonló egyszerűen használható műszert már nem találok, és ezen a részen teljesen tájékozatlan vagyok. Ez helyett az 1 helyett venni kellene egy generátort, spektrum analizátort meg egy teljesítménymérőt? A spektrumanalizátor mennyire alkalmas moduláció mérésre ? Esetleg van valami minden az egyben mai kivitelben is?
(#) gtk válasza proba hozzászólására (») Júl 12, 2016 /
 
Ebayen eleg sok Test Set cucc van neha. Erdemes figyelni.
(#) proba válasza gtk hozzászólására (») Júl 12, 2016 /
 
Csak hazai beszerzés és új érdekel.
(#) kendre256 válasza proba hozzászólására (») Júl 12, 2016 / 1
 
Ezzel eléggé leszűkíted a lehetőségeket... Ne felejtsd el, hogy az analóg FM kommunikációs berendezések úgy nagyjából 20 éve "kimentek a divatból". Az előbb nézegettem a Rohde&Schwarz oldalát, már nincs is ilyen műszerük, csak a kifutott típusok között. A mostaniak GSM, satellit telefon, LTE stb. rendszerű kommunikációs berendezések tesztelésére vannak. A ROHDE & SCHWARZ Österreich-nek még van budapesti irodája, érdemes lehet felhívni őket. (Aztán megmondják, hogy hány millióért mit tudnának ajánlani...)
(#) Ktulu hozzászólása Júl 30, 2016 / 1
 
Sziasztok.

Ismeri valaki a G4-107 típusú orosz RF generátort? Találtam hozzá könyvet, de sajnos csak oroszul.
Egy angol, vagy magyar leírás jól jönne.
Például nem sikerült rájönnöm, hogy a uA mérő pontosan mit is mér? Köze van a modulációs szinthez. Van felette egy nyomógomb, azt sem tudom mire való.
Valamint balról a harmadik gomb ami felett NG áll? A másodlagos 0.1V -os kimenet felett is ezt írja.
Rajz van a beszkennelt könyvben (Bővebben: Link) de nem lehet kibogozni a kapcsolók körüli káoszt.

(találtam egy német feliratos fotót is)
Köszönöm.
A hozzászólás módosítva: Júl 30, 2016
(#) fecameca válasza Ktulu hozzászólására (») Júl 30, 2016 /
 
A németet talán értem: speise = magyarul spájz equivalens az angol store, avval tárolni, rögzíteni lehet valamit.A DSB meg angolul van: Double Side Band Suppressed Carrier - Elnyomott vivőjű adás lehet. Az AM, PM FM mellett talán ez logikus. A modulációs szint AM-nél % FM nél löket jó kérdés, hogy ezt KHz-ben az utóbbinál hogyan állítod be?
(#) Ktulu válasza fecameca hozzászólására (») Júl 30, 2016 /
 
A kicsi gombot ha megnyomom, (nyomva kell tartani) 35uA -t mutat mindentől függetlenül.
Vspeise, tehát valami feszültség lehet?
A DSB -t még tesztelnem kell. A blokkrajzon a másodlagos kimenet nagyon elölről van levéve, nem látom át még hogyan lehetne modulálni. A műszer hátulján is ban egy BNC dugasz. Ezt írja felette: упр. напр.
(#) Ktulu válasza Ktulu hozzászólására (») Júl 30, 2016 /
 
Talán az lesz az.
A hozzászólás módosítva: Júl 30, 2016

G4-107.PNG
    
(#) Ge Lee válasza Ktulu hozzászólására (») Júl 30, 2016 /
 
Ennek valamelyik tesójával én is szemeztem, de elég sokat kértek érte urbánéknál. Viszont egy ilyet vagy hasonlót jó lenne összerakni...
(#) fecameca válasza Ktulu hozzászólására (») Júl 30, 2016 /
 
Lehet, valami etalon. De mire vonatkozik Modulációs mélység, frekvencialöket, netalán mindkettő? Próbálgatni kellene rádióvevőkkel, szkóppal, és dugdosni, tekerészni, hátha talán rájössz. Oroszul 8 éven át csak az ige és főnévragozást gyúrtuk, viszont a nagyanyám sváb volt, a németet kicsit jobban értem.
(#) Simsone hozzászólása Szept 19, 2016 /
 
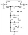
Sziasztok! Kísérletezésül megépítettem a mellékelt rajzon /neten találtam/ swr- ledes indikátort. Az igazság az, hogy nem értem, hogyan lehet használni, antennát hangolni. Mikor jó, ha a led világít vagy nem, vagy gyengén? A tekercses változatoknál semmit nem csinált, míg a tekercs nélkülinél abban az esetben világított ha a bemenetet kondi nélkül csatoltam. Itt a potival szépen lehetett a led fényerejét állítani. Antennakábel 50 ohm koax, /4méter kb./ antenna: teleszkóp a kísérletnél a hossza így változtatható. De lehet egy drót is csipkedéssel. Én úgy gondoltam, hogy egy körülbelüli swr hangolásra használható? De hogyan? Milyen jósággal ? Vagy nem jó az egész ötlet.
(#) Kera_Will válasza Simsone hozzászólására (») Szept 19, 2016 / 1
 
A működésének a megértéséhez némi elektrotechnikai alapismeretre van szükség.
Ez az áramkör a klasszikus Wheatstone-Híd alapjain nyugszik.hid1 hid2 stb.
Ha a 2 feszültség osztón ugyan akkora feszültség esik akkor a közepén nem folyik áram mert nincs feszültség különbség.
Második rajzodon vannak pozíciók.
A hídad 4 ellenállásból áll.
R1 R2 R3 Zvalami .(Zvalami az a komplex impedancia amit az illesztőd mutat a hídnak impedanciát amit az antennáról transzformál le a tekergetése , hangolása közben)
Ideális eset az ha a R1 - R2 osztón ugyan akkora feszültség van mint az R3 - Zvalami osztón.
A közéjük kötött (híd)indikátoron nem folyik áram mert a 2 pontjuk között ugyanakkora a feszültség .
Ekkor valóban 50 ohm értékű a Zvalami is (a komplex és valós vektorok eredő értéke ennyi ha bonyolítani akarom az életed mert ez a híd csak skalárist mér deee eeez bőőven elég antennát hangolni ... (habár majd jöhetnek mások a VNA-val ... mert az tud vektorosat is )
kiegyenlítéskor igaz ez az arányosság is :
R2 / R1 = Rx / R3
Jelen esetben a híd indikátor nem más mint a tekercs/(autotrafó) L1 ami hajtja a ledet.
Az L1 1:5 áttétellel mint feszültség növelő és a hídátló terhelését csökkentő illesztő szerepet tölt be("végtelen ellenállású" ideális Galvano méter helyett érd be ezzel ).
D1 és C1 mint csúcs egyenirányító "puffer"/ RF áramot vágó, hidegítő szerepük van.
A híd elvből kiindulva az a lényeg , hogy minél halványabban vagy sehogy se világítson a led.
(érdemes kis áramra is nagy fényű ledet választani ide mert érzékenyebb lesz az indikálás)
Kalibrálni legegyszerűbben úgy lehet , hogy egy 4dik 51/50 ohmos ellenállást berakni az antenna helyére R3 és föld közé.
(pontosabb 50 ohmot kapsz , ha 2 db 100 ohmos párhuzamosan kötve így 2 dolgot is nyerhetsz , teljesítményük nő eredő zavaró induktivitásuk csökken)
Ekkor a lednek nem szabad világítani.Ha mégis akkor vagy túl nagy a teljesítmény vagy nem egészen kiegyenlített a híd Szórt kapacitások , induktivitások vannak jelen.
Ezért nagyon körül tekintően kell kivitelezni , nagyfrekvenciás szerelési szabályok betartásával.
Ellenállások ne spirál köszörültek legyenek , rövid kivezetéssel szerelve ... stb .

A hangolás menete :
- minimális kimenő teljesítményt beállítani az adón.(max akkora amit az R1 R2 R3 elvisel)
- A hídáramkör benne legyen a hangoló és az antenna .
- Antenna hangolóba legyen Antenna is bedugva
- Állandó nagyságú vivőt generálni az adóból (AM/FM/CW mód)
- Az antenna tunerrel úgy tekerni a kezelő szerveket hogy minél kisebb legyen a fényerő
(lehet kicsit "parázslani" fog, ekkor nem érhető el az ideális 50hmra illesztés de már használható az antenna )
- átváltás normál állásba és forgalmazás
Röviden ennyi .
55!
(#) Kera_Will válasza Simsone hozzászólására (») Szept 20, 2016 /
 
Idézet:
„Én úgy gondoltam, hogy egy körülbelüli swr hangolásra használható? De hogyan? Milyen jósággal ?”

Precíz kivitelezéssel minőségi alkatrészekkel akár 40dB átfogást is elérhetsz :
1.8MHz - 1,3GHz swr mérő híd
low level max 50mW meghajtásra zero-bias diódával
Következő: »»   31 / 53
Bejelentkezés

Belépés

Hirdetés
XDT.hu
Az oldalon sütiket használunk a helyes működéshez. Bővebb információt az adatvédelmi szabályzatban olvashatsz. Megértettem