Fórum témák
» Több friss téma |
Sziasztok!
Sony tv sajnos nem tudok típust mondani kb 4 éves 100centis tv-ről lenne szó kb fél éve volt szerelőnél infra vevőjét (lehet nem így hívják)kellet cserélni 2 hétre rá tévézés közben kikapcsolt teljesen a főkapcsolóval tudtam csak visszakapcsolni utána minden tökéletes aztán naponta 2-3 alkalommal megcsinálta ugyan ezt 1 hétig így tévéztünk az utolsónál mikor vissza kapcsoltam képarány a szín a kontraszt minden csatornán más és más volt hiába állítottam be a szint stb. képarányt amint átkapcsoltam más csatornára el állítódót megnéztem azt amin beállítottam de már ott is más kijött a szerelő bekapcsolta a tévét ugyan azt produkálta levette a hátúját nézegette kotorászott benne 5 perc után rávágta hogy képcsöves még 1 műszert se vett elő v valami nem vagyok tv szerelő de így szerintem nem lehet a pontos hibát meg találni ha tudna valaki ötletet adni mi lehet a baja v hogy mivel próbálkozzak azt megköszönném
Sziasztok!
Van egy SOny kp48ps1k tv-m. Aminek a képe hosszú tízpercek után jön csak be. De akkor is csak olyan életlen homályos maszat. (kép mellékelve, vaku nélkül készült nem valami jó, de a kép kb olyan mint látszik) Beszéltem a Sony mo szervízével, ezúton is tisztelet-megbecsülésem anak a szervízesenek akivel beszéltem, korrekt normális fazon volt, multi cégnél ilyet én még nem tapasztaltam. Szóval Ő azt mondta, hogy utánna kellene állítani a tv nek. Ez kb olyan 18e ft+az elszállítás-visszaszállítás. Ez egy olyan 40-50 ezer mindenestől. Ennyit nekem nem biztos, hogy megér. Valakinek esetleg ötlete? Vagy dobjam ki a csukott ablakon ![]() Köszönöm előre is!!!
Szia!
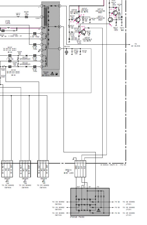
Úgy látszik, elment a fókusz. A sorkimenő trafó melletti "Focus Pack" körül nézz szét, nincs-e leszakadt, kicsúszott vezeték. Az (FV) potikon is próbálj állítani. A felgyülemlett port is alaposan takarítsd ki a készülékből, mert az okozhat érdekes jelenségeket. Nem ártana a tápfeszültségeket is ellenőrizni a tápegységnél. Rajz:Bővebben: Link
Szia! A hiba jellege lefáradó képcsőre utal /a hosszú várakozás a kép megjelenéséig/, tipikusan Sony-nál tapasztaltam ilyent.Ilyen irányban is érdemes vizsgálódni.
Szia!
Mind a három cső nem szokott egyszerre lefáradni. Az életlen kép viszont egyértelmű.
Köszönöm, sajnos az elektotanyához nincs acc. om. Esetleg emailben nem tudnád elküldeni, ha megkérlek?..
Nem kell regisztráció a Tanyához. A linkelt lapon kattints a "Get Manual"-ra.
Ha ezer évig élek sem láttam volna meg, csak arra a másik linkre kattingattam...KÖSZI!
Szia!
Valamilyen hálózati forrasztás vagy érintkezési hiba miatt elszállt az EEPROM, ezért nem tárolja a beállítási értékeket. Szervízt ajánlok.
szia kadarist!
köszi a választ azóta már a kép se jön be teljesen fekete a képe hang az van
Lehet, hogy fekete képernyő és a programozási probléma két különböző tőről fakad. A képcsőpanelen próbáld tekergetni a nagy potmétert. Ez egy széles képernyőjű készülék?
szia! Igen az! azóta észrevettem hogy 5x villan pirosan a készenléti led nem tudom mond ez valamit neked? neten sajna nem találtam ilyen hiba leírást.
Az sugáráram-hibát jelent. Muszáj lesz valamit tekergetned a tévében. Leírás:Sony TV LED & Blinking Codes
Szia nekem KV29 ls 60E tv.m van ehez kaptam rajzot egyéb dolgokat ezt megosztom veled hátha segít.
Köszönöm !
Sokat segítettetek. Át tanulmányozom őket részletesebben ! Majd írom a végeredményt még1x köszi üdv: ferkonya
Sziasztok !
Nekem 1 KV-29X2D tipusú TV-m van aminek következő a baja ! Ha bekapcsolom akkor fut a kép ( szalad ) ! Hang az van ! 1 bizonyos idő (1-2 óra ) elteltével a kép megáll DE csak úgy ha játszok vele ! ( ki- bekapcsolgatom ) ! Elég idegesítő tud lennni ! Viszont ha bejön akkor szép a kép csak annyi a baj vele hogy vízszintesen több csík is látható halványan ! ( de ez nem is olyan idegesítő már ) ! Kérek mindenkit aki tud az segítsen nekem ,de lehetőleg emberi nyelven !Köszönöm a segítséget !
Szia!
Emberi nyelven írom: cseréld ki a függőleges eltérítés végerősítője körüli elektrolitkondenzátorokat.
Szia kadarist köszönöm a gyors választ !
De ezt hol keressem ?és hogy néz ki ? Tudom hülye kérdés , de ez van sajna nem vagyok szaki ! Barkácsolni szoktam csak !! ![]() A másik kérdésem a következő lenne : ha ezt kicserélem akkor vajon jó lesz ? ![]() Mosdtam hogy csak hülye kérdéseim vannak ! Köszönöm a választ !
Csinálj képeket a készülék belsejéről. Ha szerencsénk van meglátjuk a keresett területet. Hűtőbordára erősített IC-t kell keresni.
Sziasztok! Segítséget szeretnék kérni!
Sony KV 29-es tv-m magától kikapcsol. Vissza tudom kapcsolni, de aztán sajnos megint ugyanaz történik. A szervíz csak jövő héten tud vele foglalkozni. Sajnálnám, ha a ki- és bekapcsolgatástól még több baja lenne... Komoly a baj? Köszi előre is!
Üdv
Egy olyan kérdésem lenne, hogy van egy sony kv29fx65e típusú tévém és állandóan kikapcsol magától. Gondoltam azért mert a szekrényben van és bemelegszik tehát kivettem, de még ennek ellenére is kikapcsolt. Ha csak simán valamilyen tv csatornát nézek akkor bírja egy darabig, de ha dvd-zek akkor rövid idő után kikapcsol visszakapcsolom 1-2 perc múlva megint kikapcsol és folyamatosan ezt csinálja. Mit lehetne ezzel kezdeni?
Kedves Fórumozók!
Segítséget szeretnék kérni. A tv-nk ma nagyon furcsa dolgot kezdett művelni. (végignéztem egy darabon a beszélgetéseket és nem találtam hasonlót) A tv tipusa: kv-21ct1k 55cm-s trinitron. A távirányító minden gomjának lenyomásakor a következő 3 felirat váltakozik a jobb felső sarokban: -csatorna szám vagy, - T vagy, - ADEKR TT-- 2.68E CA NORM RGBD---- --- Egyszer jól reagált a kontektorból kihúzásra, kb 2 percig, azóta újra bénázik. Nem válik be az újra kihúzás sem. Ki-bekapcsolni és egyéb funkciók a tv paneljáról irányíthatók. Mi lehet a baj? Várom válaszotokat! Üdv: Hanga
Sziasztok! Javítok egy Sony KV29X5K típusú TV-t.Kapcsolási rajzot keresek hozzá.Ha valaki tud ebben nekem segíteni megköszönném.Egyébként a TV-nek az a baja, hogy el van mosódva a képe.Lassan is jön be. Képcsőre gyanakszom,de jó lenne a rajzot is látni,hátha valami feszültség nincs meg.
Előre is köszönöm.
Szia!
Rajz: Get Manual
Sziasztok!
Szeretnék egy kis segítséget kérni Tőletek a TV-m javításával kapcsolatban. A TV típusa SONY KV-X2991D. A Hibajelenség a következő: Bekapcsolom a TV-t, és egy zöld csíkos kép jelenik meg. A zöld kép alatt látszik, hogy van rendes kép, a TV-adás megy. Hang is van, azzal nincs gond. Eddig úgy próbálkoztam, hogy a TV gyors ki, majd bekapcsolásával ez a jelenség megszűnt, és nézhető volt a TV. De már ez a módszer sem segít, és állandóan ez a zöld csíkos kép jelenik meg. Nem tudom hova kell belenyúlni, hogy működjön rendesen a TV. Légyszi segítsetek megtalálni mi lehet a gondja. Előre is köszi!
A forrasztásokat nézd át a képcsőpanelen. Ha mozgatod a paneleket, akkor változik a jelenség?
Még nem próbáltam, szerintem is valami kontakthiba lesz, csak nem tudom, hogy hol keressem. Megnézem a képcsőpanelt, aztán majd írok mi az eredmény. Egyik haverom mondta, hogy G2 poti... De nem sok poti van benne. Meg volt olyan is régebben, hogy egy baromi nagyot villant a képcső, ezzel a zöld színnel aztán kikapcsolt a tápegység, majd visszakapcsolt a TV. Gondolom a védelem letiltott.
|
Bejelentkezés
Hirdetés |




kijött a szerelő bekapcsolta a tévét ugyan azt produkálta levette a hátúját nézegette kotorászott benne 5 perc után rávágta hogy képcsöves
még 1 műszert se vett elő v valami nem vagyok tv szerelő de így szerintem nem lehet a pontos hibát meg találni
ha tudna valaki ötletet adni mi lehet a baja v hogy mivel próbálkozzak azt megköszönném 




