Fórum témák
» Több friss téma |
Köszönöm a segítséget!
A TV ismét működik! Azért örülök neki, hogy megy, mert viszonylag ritkán használjuk, de a színe jó, és nincsen benne pixelhiba sem.
Üdv.
Segítséget kérnék egy sony kd55xd7005 tv-vel kapcsolatban. A tévé semmi életjelet nem mutat, aztán random szerűen van hogy csatlakoztatásnál (230V) bekapcsol, a saját menüje viszont artifact-esen jön be, villózva széthullva, viszont hdmi- ről 4k-ban szépen játszotta a filmet. Aztán standby-ba kikapcsolva visszakapcsol, de ha megszűnik a tápellátás akkor ismét kérdőjeles, hogy vajon mikor kapcsol be újra (standby sincs). A feszültségeket ellenőrizve a 12,7V, 3,3V, 5V meg van. Az emmc-nél a 3,3V és az 1,8V szintén megvan. A t-con-t leválasztva szintén semmi változás. Van ötlete valakinek mi okozhatja ezt?
Sziasztok!
Sony KD-49X8005C típusú tévém folyamatosan újraindul (Android boot loop). A Sony márkaszervízek szerint alaplapcsere szükséges 240 eFt-ért. Van valakinek jobb ötlete a javításra? Melyik alkatrész hibásodott meg? Vagy kontakt hiba lépett fel? Köszönettel: meszi1949
2017-es Sony KD-65XE8505 tv menet közben kikapcsolt, nem lehet bekapcsolni. Talán táphiba?
Javítják helyszínen? tipushiba esetleg? Ki javítja?
Sziasztok!
A TV-nk egy Sony KD-XF9005 és sajnos nálunk is előjött a tipikus IR vevőegység problémája (SMD kondi). Tudnátok esetleg abban segíteni, hogy EZT (beírom így is a fórumon, hogy kereshető legyen: Sony HIR board A5005966A) az alkatrészt hol tudnám nem irreális áron beszerezni? (a videóban akkor még 6 font volt - ez lehet már változott - de tizenezer forintos árakat találtam eddig csak, Ali-n pedig nem volt találat a keresésre sajnos... Köszönöm előre is, legyen szép napotok!
De mégis mit akarsz, belinkelted a megoldást, egy bárhonnan leszedhető mlc kondit kell csak kicserélni. ő 10µF-ot rakott rá, ami baromi sok mondjuk, de kb barmit raksz vakon az jó lesz.
Őszinte leszek; utoljára 20+ évvel ezelőtt voltam berendezkedve a szakmára. A (régi) tudás vagy inkább úgymond tapasztalat némiképp megmaradt, de pl egy mikroszkópom sincs, h azt cseréljem így gondoltam "egyszerűbb" lenne, ha a komplett panelt csak kicserélem... persze, ha irreálisan sok, akkor nem fogom, inkább vezéreljük tovább androidos appból...
Haha...megint tönkre ment az Aiwa Text CI400
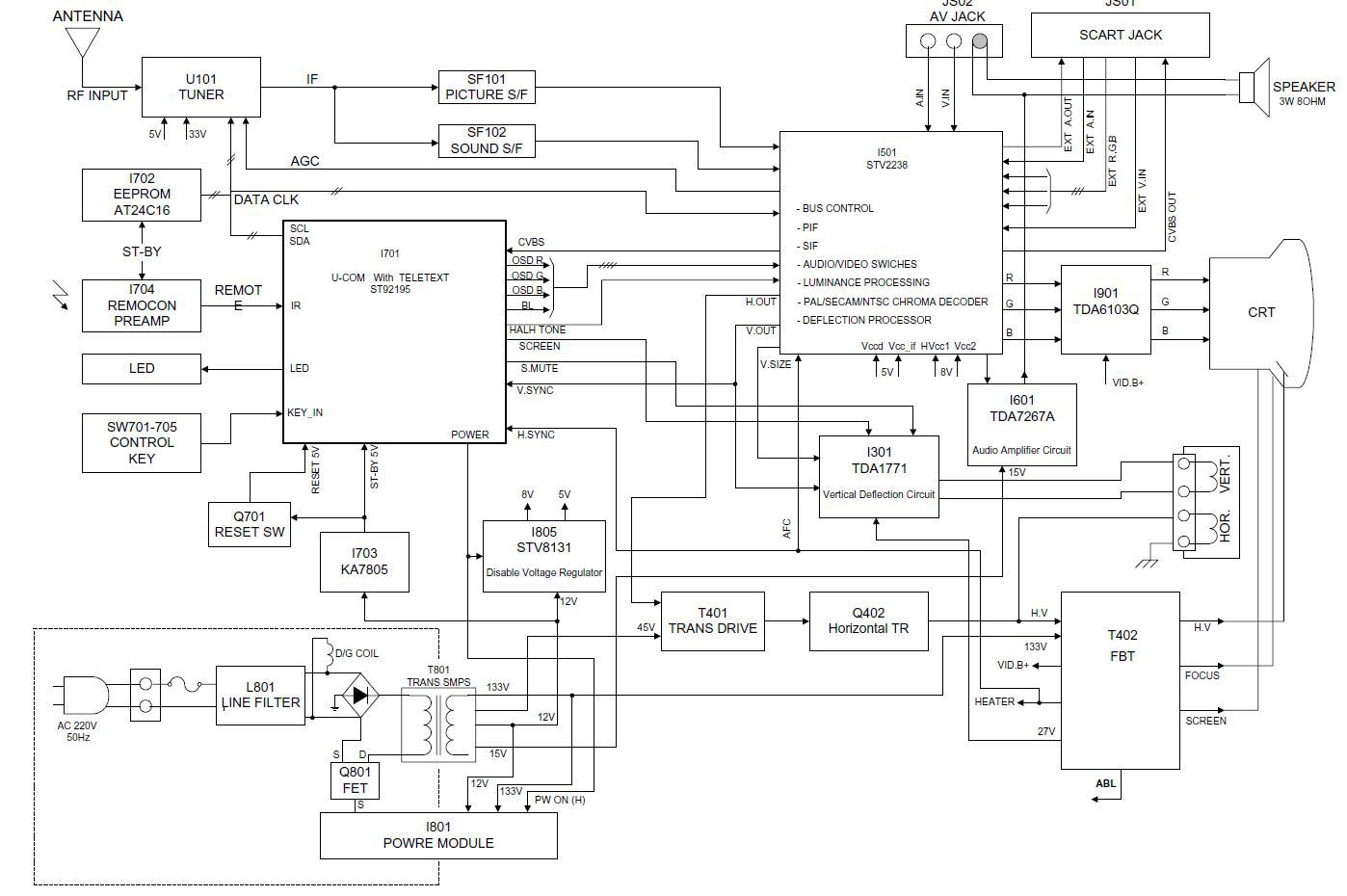
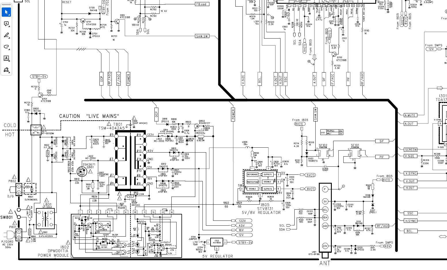
Anno a forrasztások voltak kirepedve a képcső nyakán lévő nyákon. Akkor átforrasztottam a legtöbb csúnyát a Main lapon is. Most nézem 5 éve javítottam. Most az alábbi hibát produkálta: Működés közben kikapcsolt, majd bekapcsolva nem indult még a standby LED se. Nem volt meg a standby 5V -se Végül cseréltem a Power modult I802 DPM001TIA (biztos hogy rossz volt... 14-es láb kicsit mintha feketés lenne, de lehet csak a por... ) az elvileg az OCP (meg biztonság kedvéért a Q801 K267T(2SK2671) kapcsoló FET-et is a trafó előtt.) Most már van Standby 5V és van piros led is... hurrá gondoltam. De sajnos nem indul. Power modult I802 DPM001TIA Tehát Táp alá helyezem, lemágnesező kattan. Stdby led piros ok, bekapcsolom, lemágnesező kapcsol, hallani hogy kapcsolná fel a képernyőt, és abban a pillanatban kb ki is kapcsol. Kicseréltem még az az I805 5V/8V power IC-t is (azon is látszott már az idő) De nem javult. De kicsit kifogytam az ötletekből, mert a bekapcsolás kikapcsolás olyan gyors, hogy kb mérni sem lehet semmit, milyen feszültség hiányzik. Jól jönne egy kis ötlet, mire gyanakodjak, mit mérjek.(pláne hogy? ha lenyomja magát) Köszi (van pót alkatrész szerencsére)
Üdv!
Egy Sony 50"-os Tv-n van hang,de kép nincs. A háttér világítás megy ,mert látszik hogy a képernyő bekapcsolás után világít,kikapcsolás után elsötétül. A pontos tipusát nem tudom,egy ismerős kérdezte hogy ilyenkor mi lehet a gondja,javítható-e? Semmilyen hiba jelzést nem küld,nem villog a készenléti ledje. Előre is köszönöm a segítséget.
Sziasztok!
Adott egy Sony XF9005 TV, ami már egy ideje az alábbi hibát produkálja; 1. bekapcsolás után jó, kb 10 percig, majd 2. csúnyán elkezd csíkos lenni (némiképp és nagyon lassan mozognak a csíkok, sosem állandó), majd olyan. fél óra múlva (kb.), 3. helyreáll... Szerintetek érdemes javítani? Milyen költséget képviselhet, van itt valaki, akinek van rálátása esetleg pont javít is hasonló hibákat? (egyszer már nekifutottam a témának, tudom, hogy javítható, csak azt nem, hogy érdemes-e...). Köszönöm!
alaplapi hiba, elektrolit kondenzátorok, kiszáradása, ill.ipari forr.ok, repedezése, kh. okozza..
megoldás, alkatrész csere. |
Bejelentkezés
Hirdetés |













