Fórum témák
» Több friss téma |
Fórum » ST151 végerősítő
Egyenirányítva, pufferelve pont annyi lesz.
Ja igaz mert 2*43VA írtál. akkor kb várható, de azért szerintem már a 180W az torzítva érhető el.
Szia! A trafó és az elvárt teljesítmények rendben lesznek, a NYÁK úgyszintén.
Ezt az erősítőt nem kell azért a csúcsok-csúcsának tekinteni, de egyszerű és megbízható darab. Hangosítás számára kielégíti az igényeket. A kimenete védett az időleges túlterhelés és rövidzárlat ellen. A legfőbb érv ami mellette szól, hogy az élesztése nem tartogat meglepetéseket, illetve ha mégis probléma adódna akár a használat során is, itt a témájában kapsz hozzá támogatást.
Rendben, köszönöm! Kb mennyi lenne a teljesítmény torzításmenetesen 4 és 8 ohm-on? Hangszóróvédelmet ajánlanál esetleg ehhez a kapcsoláshoz?
Clip-nek ez megfelelő lenne? Ezzel a hangerő és hangszínszabályzóval mennyire viselkedik jól? Véleményed szerint mennyivel jobb vagy rosszab ez
A teljesítmény várhatóan 300W illetve 180W.
Íme egy hangszóróvédelem. A Clip jó hozzá, az LM1036-tal pedig meg kell próbálni és eldöntöd tetszik-e. A PA300 egy kisebb harmonikus torzítású erősítő, ettől függetlenül egy adott hangrendszerben neked kéne a kettőt összehasonlítanod, a hozzám befutott értékelések nem szólnak egyértelműen mellette. Az ST151-gyel kapcsolatos érveimet lásd fentebb!
Elsősorban meg szeretném köszönni az eddigi segítséged, türelmed nem csak ebben a témában hanem mindenben!
![]() Lenne még egy pár kérdésem és egy összeállításom. Kérlek ellenőrizd le. ST151: link1 link2 Mi a véleményed a hozzászólás alapján a két tranzisztor különbségéről? Megéri a sokkal drágább MJL tranzisztor? Trafó:750VA Primer: 230V Szekunder1: 43 VAC 8,5A Szekunder2: 43 VAC 8,5A Szekunder3: 12 VAC 1A Szekunder4: 9 VAC 800mA 9 VAC a védelemnek. Lágyindító: link Clip: link1 link2 A nyákterv az megfelelő? +-60V lesz ugye, ehhez az alábbi módosítások kellenek vagy kell még valami mást is módosítani?: - D dióda: 1N4004 - R1: 130K ohm - R2: 11K ohm - R3: 1,1K ohm Ugye nekem stereo lesz de ezt ne igazán értettem, ha azt akarom külön led legyen mind két oldalnak akkor ebből az áramnkörből kettő kell? ![]() Hangsugárzóévdelem, koppanásgátló: link1 link2 Módosítás: R1, R2, R3: 56 vagy 62K ohm legyen? Kondenzátor feszültsége? Valami más módosítás? Ne haragudj, hogy ennyit kérdezek, de ez nem lesz egy olcsó mulatság és nem akarok "mellényúlni" A hozzászólás módosítva: Jún 30, 2015
Szia.
Összeszedve az infó. Nekem ez a lágy indító jól működik. A hozzászólás módosítva: Júl 1, 2015
Zenebolond: Köszönöm!
Reloop véleményeznéd kérlek vagy valami rosszat kérdeztem?
Húzom-halasztom a választ erre az összetett kérdésre, mert a Fórum szerkezete inkább a témánkénti kitárgyalást kívánja meg. Rövidre fogom:
ST151/a drágább tranzisztorral elképzelhető, hogy jobb lesz az erősítő, sajnos nincs konkrét tapasztalatom. Trafó/rendben. Lágyindító/rendben. Clip/rendben, valóban így kétszer kell megépítened az áramkört. Hangsugárzóvédelem/ Az ellenállások tág határok között megfelelnek, 68k-t ajánlok az egyszerűbb értéksorból. A kondik feszültségtűrése 25V, a több sem gond. Valóban nem lesz olcsó mulatság, de az alkotás öröme megfizethetetlen
Igen ez nem teljesen a topic témája és ne haragudj, hogy kellemetlen helyzetbe hoztalak emiatt. Köszönöm a válaszod és igen az alkotás öröme jó érzés.
Sziasztok! Készülőben van 2 darab st151 a +-80V reloop javitott verzió. Ez csak a 2 pár végtranzisztoros panel. Mellékelek néhány képet hogy állok. Egyetlen egy kicsi változtatást csináltam és kíváncsi vagyok hogy szerintetek az nagyon sok galibát okoz-e a kis erősítőnek. Emlékeim frissítésének érdekében felhoznám majd az egykori élesztést, hogy a tápba a biztik helyett 10 ohmos ellenálláson hány mV is kell hogy mérjek?(lezárt bemenettel) A panelen a kicsi X a trimmer mellett az azt az irányt mutatja amerre növekszik a nyugalmi? Sajnos még nem kaptam meg az mje340 et , és az mje 350 helyett kse350 et kaptam, nem szivesen rakom vele össze, de beszéljenek a képek. Sajnos a vasalásom sem lett a legjobb.
Újraindult a laptopom és nem tudtam már módosítani a h.sz. Az erősítő +-70V ról fog működni. A meghajtó tranzisztorok mje15030-mje15031. A végtranzisztorok pedig NJW0281G-
NJW0302G páros lesz. A kérdésem az lenne hogy ekkora tápfesz mellett ami szerintem visszaesik olyan +-65V ig(sőt lehet jobban) 4 ohmos terhelés mellett bírni fogják a tranyok?
Szia! A végtranzisztor Power Derating ábrájából, no meg egy kis számolgatásból az jön ki, hogy 50°C alatt kell tartani őket, ha 4 ohm-os hangszórókat kötsz rá. Megoldható, de intenzíven kell hűteni.
Szia! L idomon lesz, direkt ventillátoros hűtés ami egyből indul a borda mérete 20x10x2,5cm 2 darab 92x92mm es ventivel lesz megoldva. Táp szerintem rogyni fog, úgyhogy remélem bírni fogják. Biztonság kedvéért már el van készítve és tesztelve a skori féle hangszóróvédő.
Javaslom tegyél bele legalább egy hőmérséklet kapcsolót a bordára, mert ha a ventillátor megáll, akkor hamarosan a végfok is leáll, méghozzá elszenesedett végtranyókkal. Hangosítás közben nem fogod észlelni, hogy a ventillátor működik-e.
Lenne egy olyan megoldásom, hogy a 2 hangszórót sorba kötöm. Így ugyebár 8 ohm lenne. Egy végfok kerülne bele, és akkor hajtanám +-90V-ról, vagy ez még annyira sem egeszséges mint az előző megoldás?
Ez tápfesztől és terhelő impedanciától független javaslatom minden ventillátorral hűtött telesítményelektronikára vonatkozólag.
Ha valamit passzív hűtéssel nagy ráhagyással méreteznek az más tészta, ott a fizika elvégzi a dolgát. De ha egy ventillátoron múlik a dicsőség, az már sikamlósabb terület.
Igen biztonsagi ok miatt nagyon fontos. Kicsit valtozott a tenyallas. Subban lesz egy st152 2sc5200-2sa1943 al ket par.+-69V(uresjarat) 4 ohmon terhelve. Ket topban darabonkent egy egy st panel ugyan ugy 4 ohmon terhelve viszont ezekhez en tekerek trafot. 2x40v ac ra gondoltam hogy a fent emlitett njw tranyok birjak jobban. Skori fele koppanasgatlot kapnak. Mikor elesztek termeszetesen beszamolok minden tapasztalatrol.
Koszonom az "intő" figyelmeztetest.
Jó természetesen, mert még nagyobb is a feszültségtűrése a többi paraméter egyezése mellett.
Sziasztok! Olyat szeretnék kérdezni, hogy mennyi nyugalmi áramot kell beállítani a 4 pár tranzisztoros st151-nek, és melyik 2 pont között kell ezt mérni? Valamint indításnál a biztosíték helyére hány ohm-os ellenállás menjen?
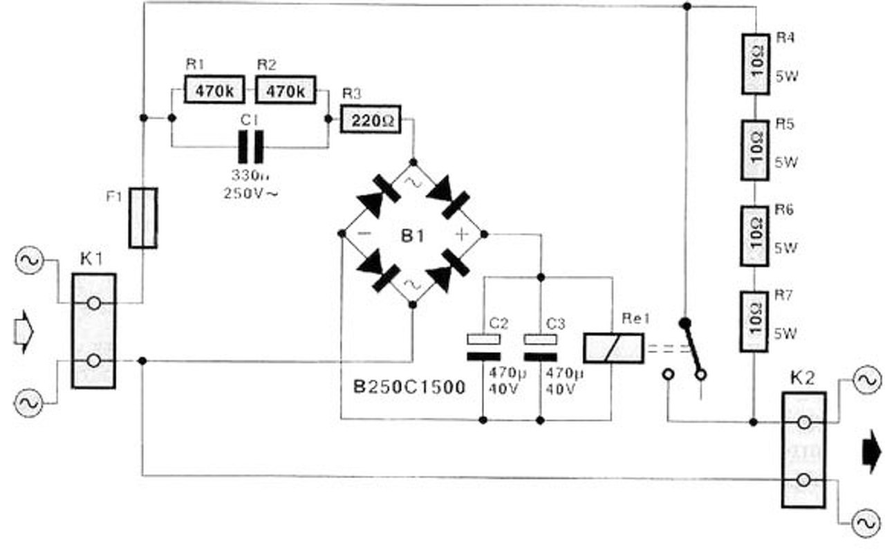
Itt az élesztés.
A végtranzisztor emitter-ellenállások valamelyikén állíts be 3-5mV feszültségesést a nyugalmiáram potival. A többi hasonló ellenálláson is mérd meg beállítás után, közel azonos értéket kell észlelned.
30x10x4 centis borda van rajta rövidre zárt bemenettel elég meleg a borda. Sajnos a hőmérőszondám rossz így pontos hőmérsékletet nem tudok mondani.
Közben sikerült megmérni 45C fokos terheletlenül a borda nem tudom ez mennyire normális?
A kimeneten ugye nincs hangszóró? Az emitter-ellenállások között ekkora különbség nem lehet, hány végtranzisztor van beültetve?
Egy teszt erejére volt hangszóró... 4-4 db van beültetve.
Basszus nagyon benéztem
Jól gondolom, hogy az 5w-os ellenállás két végén kell mérni a nyugalmit? Eddig a tranzisztor emitterje és a gnd közt méricskéltem Az emitter ellenállás két végén szépen be lehet állítani a 3-5mV-ot és minden 5w-os ellenállásnál stimmel azonos.
Jól gondolod
Így már rendben lesz az erősítő. A magas tápfeszültség miatt még csekély nyugalmi áramnál is természetes a hűtőborda melegedése. |
Bejelentkezés
Hirdetés |












Jól gondolom, hogy az 5w-os ellenállás két végén kell mérni a nyugalmit? Eddig a tranzisztor emitterje és a gnd közt méricskéltem
Az emitter ellenállás két végén szépen be lehet állítani a 3-5mV-ot és minden 5w-os ellenállásnál stimmel azonos.




