Fórum témák
» Több friss téma |
hát ma olyan jó napom van
sikerült leégetnem a végfokot is el sem tudom mondani mennyire boldog vagyok . Már vagy három napja dobozolom a cuccot a régi technics dobozába, mert nem találtam nagyobbat, és az egyik bemenet meg a segédtrafó +12 voltja hozzáért a dobozhoz, ami a földhöz volt kötve. bár fogalmam sincs hogy ez hol érintette a tda-t meg a végtranyókat, de mindenesetre megszüntettem a zárlatot, minden működik, csak a végfok alaplapjáról hallok valami zúgást, pedig még hangfal sincs rákötve. Első mérésre a bal oldal npn tranyójának annyi, a többi úgy néz ki működik, de nem mertem tranyó nélkül kipróbálni, nehogy még nagyobb baj legyen. gondoltam előbb megkérdezlek, minthogy mégtöbb dolog leégjen. nem tudom, hogy a tda károsodott-e merthát nem értem hogy a bemenetről hogy jutott el az áram az npn-ig, meghát ott van egy kondi közte, meg ott van a dobozon a föld. Más zárlatot nem vettem észre, átnéztem pedig mindent vagy 10x mielőtt bedugtam. tudnál segíteni hogy miket nézzek meg meg hogy mit mérjek le?
méregettem a tda kimenetét meg a bemenetét és kb szimmetrikusnak tűnik a két oldal. Az npn tranyónál meg a kollektor-emitter rövidrezár, legalábbis a műszer a c-b között 700-at ír, a b-e között is kb 700 és a c-e között 040, szóval az egyik tranyó a darlingtonban rövidrezár HURRÁ
csak akkor azt nem értem hogy a hangfalvédő meg miért kapcsolt be?? még jó hogy nem volt rajta hangszóró. a pnp mindenhol kb 500 és 700 között mutat dióda álláson, mind a két oldal, szóval úgy gondolom, hogy az nem sérült. Ezekszerint elég lesz a tranyót kicserélni? szerinted lehetett az a zárlat az oka vagy keressek valami komolyabb hibát, valami kondi zárlatot vagy nem tudom mit?
kivettem a rossz oldal két tranyóját és a másik oldal ment. mostmár nem hallom a búgást csak hangszóróval
de az még ráér. először csak menjen már a végfok. a pnp jónak tűnik, akárhogy mérem a lábakat, olyan 500-800mV között van a nyitófesz, úgyhogy csak az npn-t kell cserélni. Megnéztem a hqelektronik.hu-n és találtam is, csak van két gyártótól: az ons és st1ik másik felteszek egy képet az enyémről, mert nem tudom hogy ez milyen gyártmány. Szerinted melyiket rendeljem?
No végre ittvagyok,van egy kis idöm.Ha tranyókat cserélsz akkor lehetöleg párba tedd.Necsak az egyiket hanem a másikat is cseréld le.Szerintem az az ons jöhet,olyanom van beépitve erösitöbe és eddig nincs vele baj.A tda 7250 züg ha rossz valamék tranzisztorja és nagyon melegedik olyankor.Nemhiszem,hogy meghibásodott mert a benne lévö védelem nemhadja.Nemtudom miért nemkapcsolt le a hangfal védöd,szerintem nemmegfelelö a kimeneti jel egyenáram figyelö elektronikája.Jólenne llátni róla bekötési rajzot.Amit a tda 1524 röl irtál tényleg érdekes,valahogy nincs szerencséd az ic kell.Nemtudok sok hibalehetöséget mondani,mert nekem nemvolt vele semmi problémám,no egy kicsi,de azis csak a nyáklapon volt egy rossz vezeték.Más semmi,a kimeneti jel is erösebbnek kell lennie mint a bemenetnek,azért mert vam benne elöereösitö.Másik javaslat,ha esetleg problémáid lennének a végtranyókkal akkor vegyél két pár Tip142 és tip147 es tranzisztort müanyag tokkal,olcsöbb és ezek is 125wattot tudnak ha jolemlékszem 10 vagy 15 ampérig.
hát az a baj hogy már múlthéten megrendeltem a tranyót, meg rendeltem egy új tda1524-et. Ezt már a hqvideo.hu-ról, szóval biztos jó lesz az ic. Bekapcsoltam így egy oldallal az erősítőt és tényleg búg rendesen, de csak akkor ha nem szól a zene
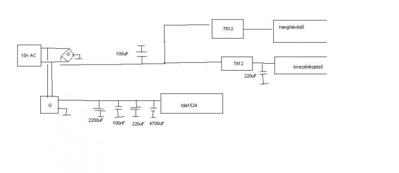
. a hangfalvédő mostmár megy, leteszteltem egyenárammal és megy. nem tudom mi lelte eddig. a kicsi trafó helyett betettem egy másikat, ez nagyobb, egy magnóban volt. teljesítményben szerintem jó, csak a feszültséggel van egy kis gond. 10v ac-t ad le és úgy gondoltam hogy egyenirányítás után meglesz a 12V, csakhogy 10,9 van, a régi hangszínszabályzóm meg most láttam a papírján hogy 16-25Vig kell táplálni, én meg belenyomtam egy 12V-os stabilizátort már az összerakásnál. A három poti meg össze-vissza szabályoz. mondjuk nekem nem tetszik a hangja, ez a tda1524 sokkal jobb szerintem, legalábbis amikor olyan kedvében van, hogy működik
Annak a tda 1524 nek próbálj meg adni 15 voltot,hátha jobb lessz töle.Van most egy eredeti gyári erösitö nálam javitani és abban ilyen ic van a hangszinre,és gyárilag +15 voltos stabilizátoron keresztül kapja a tápfeszt.Nos ami a trafót illeti,kilehet számolni,hogy mennyi lessz a feszültség egyenirányitás után kondenzátorral filterezve.Ezt pedig igy-ac tápfesz szorozva 1,4 el és megkapod a pontos számot,ami a te esetedben 10 voltról + 14 volt lessz,ha nincs csak 10 akkor az aszt jelenti,hogy rossz az elko kondenzátor a dióda kimeneten vagy pedig kicsi a kapacitás.A diódához teszel egy 1000mikrosat 16 voltra de a legjobb lenne 25 voltig és megvan a 14 volt kimeneti fesz,ami pont aktuális a 12 voltos stabilizátornak.Ha feszültségstabilizátort akarunk használni,ügyelni kell a bemeneti feszre,legalább 3 voltal mindig legyen magasabb a bemeneti feszültség mint a stabilizátoré,máskülönben nem müködik a dolog,ugyanis minden stabilizátoron van egy bizonyos feszültség esés,ezért nemtudja pontosan hány voltra stabilizáljon.
lerajzoltam a mostani bekötést. Réggebben a 2200µF-os kondi volt a graetz után, csak akkor a hangfalvédő túl későn kapcsolt le. Most így jól működik a hangfalvédő, csak éppen nincs elég feszültség a tda-nak. Így bekötve van 10,9V a stabilizátorok előtt.
Ajjaj! Ezt nem túl jó megoldás a problémádra. Ha a hangszóróvédelem későn kapcsol, akkor ott kell beavatkozni. Egy tranzisztort, ellenállás, dióda, kondi kombináció, megoldja ezt a problémádat.
Pedig a diódák után okvetlenül kell az az elko kondenzátor,anélkül nemfog jólmüködni egyik stabilizátor sem,ugyanis nemlessz mit stabilizálniuk.A problémádat pedig az a kapcsolás megoldja amit szamóca rakott fel.Ha pedig nemakarod ugy megcsinálni,akkor legalább csinálj külön egyenirányitást a hangfalvédönek,ne legyen közös diódájuk a kivezérlés jelzövel és a hangszinszabájzóval.
jó lenne szamóca ötlete is, csak egyszerűbb lesz még egy graetz híddal megoldani. Megjött az új tranyó, ma már nem próbálom ki a szomszédok miatt
. meg megjött az új tda1524 is, ez már nem philips hanem valami NXP gyártmány. Mostmár a potik működnek rendesen de a loudness még mindig nem. Egyébként nekem úgy tűnik, mintha a loudness be lenne kapcsolva és nem lehetne kikapcsolni, mert a basszust szabályzó potit alig tudom félig feltekerni, már nagyon torzítja a basszust. Néztem googleval más oldalakon hozzászólásokat és találtam is 1-2 helyen olyat, hogy nem jó a kapcsolás és hogy a gyári ajánlottal megy csak.
kivettem a kondit a loudness kapcsolótól, de ugyanúgy nem változik semmit a hang. A basszus nagyon torzít. A kimeneti ellenállásosztó is más élrtékű, mint az adatlapban. Nem tudnád feltenni a te tervrajzodat, hogy átépítsem ezt, mert ez így nem lesz jó. ilyen kimeneti jel nem hajtja ki teljesen a végfokot.
Nekem gyári kapcsolás van megépitve meg egy másik is amit mindjárt felteszek,de azon nincs loudnesz viszont kifogástalanul megy.
No itt a másik jolmüködö kapcsolásom.Szlovák feliratokkal,a hlasitost annyit jelent,hogy hangerö,vysky pedig magas és basy pedig basszus szabájzás,vyvazanie pedig a balance.A nyákrajz alulsó része nincs meg,nemtudom hol van,de nemnehéz az utámtervezés.
győzelem
![]() . Átépítettem a kimenetet a te tervrajzod szerint meg a 2-es lábnál a 47uFosat kicseréltem egy 100asra, mostmár jó a hangerő meg a basszus is szépen szól. a loudness továbbra sem működik, de nem is kell. így pont jó lesz. Köszi a segítséget!!
No ennek örülök,hogy sikerült megoldani a problémát,szivesen segitettem.
Mit akartok ezzel a Tda 72.. Ic.s kacattal?Nem hifi egyik sem 20W felett torzítása is +van rendesen a mély átvitel az nuku,a Texas 5tranzisztoroshoz képest.Én már több darlington erősitőt is építettem igy a Texast TL082 fesz.g erősítő 2db.Bd139-140 a végtranyók Bd249c-250c nagyon szépen szól 50-60W 8ohmra +-38V tápról kb.35db.alkatrész 10x65mm.panelon ez a tuti minőség nem az ic.s miniatürizált sorozat gyártott olcsó tucat termék.
De ha valaki nemigazán jártas az elektronikában,és nemakar sok pénzt rááldozni akkor miért ne épitsen ic set?Mi az akadája?Egyszerübb és olcsóbb,a hang minösége viszont nemutolsó.Gondolkozz egy kicsit,te egy sima tranzisztoros erösitöt irsz nekem itt le,ami a leirásod szerint a quad 405,elismerem jó hangminösége van,de a tda7293 jobb minöséget ad,ugyanis d mos tranzistorokkal dolgozik.Nemhiába használják minöségi házimozikban és aktiv mélyládákban.En ugyszintén jártas vagyok az erösitök terén,ez a hobbim,épitem a végfokokat megrendelésre és zenélek is velük gyakran.De a tapasztalatom mindig az...ha hangerö végett akarsz nagyobb hangfalakat vezérelni példa-diskók stb., jobb a tranzisztoros a mély,közép és a tisztán csengö magas hangok miatt plussz szügség van a nagy teljesitményre amit csak a tranzisztorok párhuzamos kapcsolása tesz lehetövé, de a hang minösége gyengébb,magasabb torzitás ami nemannyira észlelhetö a buli zajában,de az otthoni használatban annál inkább,kivétel ha mosfeteset épitessz.Viszont ha benti zenehallgatásra szobában nagyon jó az ic.Tda7293,vagy 7294 60wattig 4 és 8 ohmon kiváló eredményeket mutat,ha pedig elég a kissebb teljesitmény akkor ott a tda2030,ami 18 wattjával tényleg hi-fi.
Bocs de én a Texas erősítőt építettem úgy 20éve először,2éve pedig az Orion SE260 dupla darlington végfok mintájára alakítottam készítettem végfokot.Ez annyit jelent hogy a Texas végfok moduljába 2db.PNP.Bd250c és2db.Bd249c tranzisztor lett beépítve,igy a tranzisztorok teljesítménye valamint kollektorárama +duplázodik azaz nagyobbat szól kb.60W szinuszos Hf.telj.+-38V tápról kisebb a torzítás,ami a legfontosabb a mély hangátvitel+dinamika sokkal jobb lett.A Quad 405 erősítők is lényegesen szebben szolnak bármely TDA sorozatú 5-600-1400Ft.os Ic.től,azonban +építésűk bonyolultabb kb.55alkatrész és némi hozzáértést erősítőépítésben jártasságot igényel.Elmúlt 25évben jó pár db.erősítőt építettem már,hi-fi rajongókkal is beszéltem párszor,de ilyet +nem hallottam hogy 1Ic.s végfok szebben szol nem torzit be annyira mint egy jól +konstruált minőségi eredeti tranzisztoros kapcsolás.Szivesen megmutatnám az enyémet 2db.3utas Kanton dobozkával 2x5W on már érezni hallani a különbséget jazz.jazz-rock vagy más zenével.Egyébként azért használnak Tda végerősítőket sok házimoziban,meg olcsóbb kacat erősítőben mert könnyen olcsón nagy tételben beszerezhető,egyszerű felépítésű sorozatgyártásra legjobb.Mint tudjuk legalábbis régi szakik műszerészek,igényes hi-fi beszerzők használok hogy a mennyiség nem egyenlő a minőséggel.Ez már csak igy van a mai anyagias világban.
hát igen...biztos jobb a tranzisztoros erősítő mint az ic-s, de nekem ez első erősítőnek azt hiszem több is mint elég. Ha ez nem hifi minőségű, akkor tényleg érdekel, hogy milyen hangja lehet egy tranzisztorosnak. Egy éve kb azt sem tudtam, hogy mi a különbség az egyenáram meg a váltóáram között, ahhoz képest már elég jól állok, igaz sok ic itta meg a levét
. De ha tranzisztoros erősítővel kezdtem volna egyből, tuti beletörik a bicskám...de majd a következő olyan lesz. Azonban van még egy kicsi problémám ezzel is. Még mindig nagyon búg, de nagyon-nagyon búg, nem csak egy kicsit. A búgás a tda1524ből jön, nem a végfokból. Ha külön egy 3ik trafóról megy a tda, akkor nem búg egyáltalán, de azért 3 trafó egy erősítőbe...feltettem a mostani bekötést. A 7812-t kivettem, mert úgy 10,8V volt a tda-n, most így van 11,8V de raktam elé kondit bőven, ezért sem értem hogy miért búg. A kicsi trafó egy 2kazettás magnóban volt, sztereó, nem tudom hogy hány wattos lehet, de csak elég kell legyen ezt a három nyomorult műszert meghajtani...
A baj forrása szerintem az lessz,hogy nincs minden egyhejre földelve,ezért búg.Minden testet egy csillagpontba kell kötni,ha másképp nem megy akkor nehasználj greatz hidat hanem csak egy egy diódát és a trafó szekundér tekercs egyik végeit kösd a földre,ne diódán keresztül legyenek földelve.
A Tda 1524 nek szerintem 2200mikro bőven elég,valami gerjedést szed össze a panel és a táp.közt.Tégy be 150nf.100V-ot több helyre is táp.ba 7812 kimenetre! Valamint a TDA végfok ic.hez minél közelebb a + és test közé,hidegítésnek.Hosszú vezetéket ne használj.A tápot úgy is tervezheted 2200mikro után 1,5-2,2ohm 15W R-s ezután +1000mikro poz.test közé,ez R-C soros szűrőtag,régebben használták.
Üdv! Valaki meg tudná mondani mivel tudom helyettesíteni az STK2038 IC met nem találtam rá úgy semmit... és ennek minimum és maximum mennyi V kell neki? Most jelenleg 45V kap
Hello.
Miért akarod helyettesíteni? Szerintem nemigen van helyettesítője ennek a számú icnek. Egyébként ha egy kicsit használnád a keresőt sok infót találhatnál róla. Pl: http://www.hqelektronik.hu/info/hu/stk2038.html Remélem tudtam segíteni.
Köszi szépen a segítséget! Sokat segítettél
A fránya kereső sokszor jól jön....
Hello! Találtam még egy technics erősítőt( SA-350) egy turkálóban, meg is vettem mert olcsó volt, kb 3ezer ft meg adtak hozzá egy kazettás lejátszót is. Mondták, hogy mikor ki lett próbálva füstölt egy kicsit, de amikor szétszedtem nem láttam benne semmi égésnyomot, az ic-je is tisztának tűnik (STK2038IV). Készítettem egy videót róla :video A bal oldali hangszóró "furcsa" recsgése nem az erősítő hibája, egyszer túl lett terhelve és azóta "fütyül" így, de kb mindkét oldal ugyanazzal a hibával rendelkezik. Kerestem ezt az ic-t de nem találtam sehol a neten, se adatlap, nem is rendelhető sehonnan. Remélem nem az ic-vel lesz a baj, mert jó lenne ha működne. A régi nem éppen a legszebb, bár még működik. A régiben az a pattogás végülis a hálózatból jött, észrevettem a számítógép hangszóróján, és másnál is kipróbáltam az erősítőt és nem pattogott
Tyühűűű!
Ez emlékeztet arra,amikor a nagyanyám beült a WC-re Nekem a TDA2005 adott ilyen hangot,amikor minden alkatrész nélkül próbáltam erősítőt építeni belőle. Szerintem az IC-nek semmi baja,az STK-t strapabírónak ismertem meg.
üdv
En megmondom neked mi a baja az erösitödnek,az STK nak semmi hibája,a belsö bekötése ugyanaz mint a 2028 asé,vagyis csak a végfokozat található benne,de viszont van egy másik ic í a közelébe,amit AN7062 nek hivnak,ez az ic az áramerösitö,neked ez az ic nemkap elegendö feszültséget és nemvezérli ki rendesen az stk t,valahol kivan égve egy teljesitmény ellenállás vagy egy kis feszültség stabilizátor.Abbol jöhetett a füst is.Itt egy szerelési útmutató,egy másik technicshez való de megtalálod benne az áramerösitö ic bekötését és segit a hiba megtalálásában.
sajnos nem találtam kiégett ellenállást, és az an7062 9es lábán is megvan a 40V, mint az stk-n, de még nézelődök...
az an7062-es 10es lábán -15V van, a 18-ason -10,6V, kb 1v-al kisebb mint a tervrajzon, lehet ez a baj? találtam egy kis foltot hátul az alaplapon és ha bedugom ez a rész eléggé melegszik, de nincsenek kiégve az ellenállások és a tranyók is jónak tűnnek. Eléggé eltér ez a tervrajz, nem nagyon találok stabilizátorokat, de még keresek, meg ez az an7062 is külön panelon van, merőlegesen az alaplapra, nehogy már lássam is hogy hova nyúlok
üdv
Az AN ic mellett kell lennie 2-2 pár kis tranzisztornak.Az egyik tranzisztor emiterén +1,5 voltnak a másik tranzisztoron pedig -1,5 voltot kell mérned,a kollektoron meg az ic tápfeszültségeit kell mérned.Ha nincsenek meg ezek a feszek akkor nem megy a kivezérlés.Ezért is torzithat,valójában azok a tranzisztorok az áramgenerátor funkcióját llátják el. |
Bejelentkezés
Hirdetés |




sikerült leégetnem a végfokot is











