Fórum témák
» Több friss téma |
2m-es átmérőjű kört is be lehetne vagdalni sugárirányban, és 30-40 fokban elfordítani a lapátokat.
Régebben én is sokat törtem a fejem a kondik soros kapcsolásán,azután egyszercsak ráakadtam a magyarázatra.
őő igen igazad van de valahol meg kell fogatnom a lapátokat tarató csöveket, és itt jön át minden nyomaték, és teneglyirányú erő, tehát nem csak odaheftelésről van szó, főleg hogy elforgathatóan akarom megoldani..
egy tojáskúpot gondoltam rátenni, a végső stádiumban.. + még egy esztétikai hatása is van... szerintem nagyon tuning kinézete lenne...
na igen de itt több bökkenő is akad
mégpedig 2*2m es lemezt nehéz szerezni, ha túlságosan mélyre végod akkor nem lesz tartása a lapátnak tehát meg kell erősíteni, vagy letörik, elrepül, valószinű pont akkor, amikor balesetet okozhat.! ha meg nem elég mély a bevágás akkor, ahogy kissanyi is mondta fölöslegesen nagy felületet hagysz, ami csak az állványt csapágyakat terheli.. mellesleg nem állítható a lapátok szöge (nem csak viharvédelemre jóm, hanem a jobb hatásfokot is meg lehetvele kergetni, kis szél/nagyszél->lapátszög<-nyomaték/fordulat..)..
Sziasztok! Eddig csak olvastam a fórumot, de most szeretnék egy kérdést feltenni. Ezt a cikket találtam. Szerintetek mi lehet a "robogó indításához használt elektromágnes"?
Szerintem, csak a forditás pontatlan. Ez van, ha szakkifejezéseket fordit egy nem szakember.
Idézet: „A szélturbina teljesítménye 11,3 watt, amely 63 órán keresztül képes elegendő energiát szolgáltatni egy lámpa működtetéséhez, vagy 30 órán át működtethet egy rádiót.” hát ezis nagyon mellésikerült (szakmailag tökre köze nincs a teljesítménynek ahhoz, hogy mennyi ideig megy egy fogyasztó )... az a motorindító mágnes meg valószinűleg egy roobogó generátora (ehhez képest az a 12W szánalmasan kevés, kijönne abból több is.. ) bicigli alkatrészeket énis tervezem használni. konkréten az áttételt akarom lánccal megcsinálni (több fogaskerékméret több áttétel lehetőséget is ad...) ha nem ázik meg (tehát burkolt) a szerkezet, akkor a lánc sztem egy nagyon jó megoldás áttételezésre.. csá
A cikkben említett fazon, egy kész mérnök!
11,5W nem semmi! Pláne, egy mérnöktől. Vagy az eredeti cikk, vagy a fordítás, az nagyon gagyi. Illik is a témához. Bicikli alkatrészeket én használtam, mert volt belő otthon. Ha, nem jön be az ötlet, nem nagy veszteség kidobni a dolgokat. Többen írták, hogy nem kedvelik a lánccal történő áttételezést. Nekem, semmi bajom vele.
Ha azt nézzük 6000 forintért 11 wattos szélgenerátor az nem is rossz ár
hát azért talán mégsem...
tételezzük fel, hogy mindig fúj a szél.. meg termeli a 12W ot minden időpillanatban... 6000 huf, 40huf/KWh számolva 150KWh energia mire ezt ezzel a szerkezettel visszatermeli az 150*10^3/12 =12500 óra = 520,8 nap = 1,426 év .... szerintem kicsit gagyi .... (mint írtam ha folyamatosan termel 0-24 óráig..)
Ha pusztán a gazdaságosságot tartjuk szem előtt, akkor a házunk össz világítása 1W-os szeblámpa, a számítógép működéséhez szükséges áramot kerékpárra szerelet generátorral pedálozzuk elő, és fűtés helyett felöltözünk.
.Tegnap elgondolkoztam az "ingyenenergia-gépeken". Nem szükséges, hogy iszonyat mennyiségű energiát termeljen, az sem, hogy ellentmondjon az energiamegmaradás törvényének.Inkább "olcsón energiát termelő" gépekre van szükségünk.Napfény, szél, bármi. Két kondi soros-párhuzamos kapcsolását hogyan oldjam meg?Relére gondolok, változtatható kapcsolási idővel.
kondikhoz..
sztem csak egy dupla váltóérintkezős relét kellene használni... energiát kinyerni ugysem igen fogsz (mex feltette..) soros ellenállásokon fog eltűnni az az energia amit éppen kinyernél.. érintkező balrazár-> kondik párhuzamosan, töltődnek az R en keresztül az akkuból.. érintkező jobbrazár-> kondik sorba, kisülnek az R en keresztül az akkuba.. de mos nem hülyeség befektetni valamibe, azonkívül hogy szinte semmire sem jó, még a megtérülése is évek múlva lehetséges (elötte csak veszteségként lehet nyilvántartani.) ..? meg erről aztán fontos volt cikket írni nem mintha egy tinenéves ne tudná összerakni...szerintem olcsón energiát tudunk termelni, a baj csak a tárolással van, az akkuk nem a legjobbak erre a célra, de még nincs egyéb alternatíva (esetleg hidrogént bontani, tárolni majd üzemanyagcellában kinyerni az energiát akár ott és akkor, amikor és ahol akarod...)
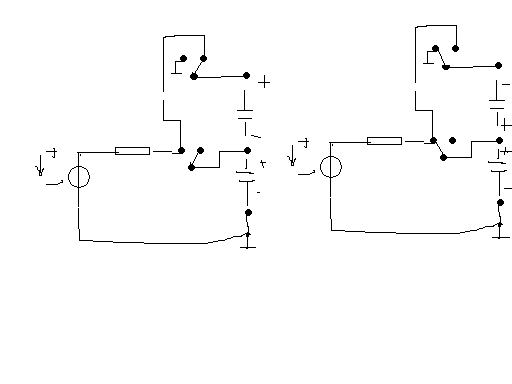
Nem jó a rajzod.Az egyik kondi fordított polaritást kap töltésnél.
Szerintem erre gondolt.
Bocs, a relet nem igy jelolik, de azer latni...
Ezt a relét nem igazán birom kinézni, de úgy tűnik, mindenképp 2 kapcsoló kell, illetve 2 áramkört kapcsoló relé.1 kondi +-a, 2, kondi - -a állandó.Első esetben 1 kondi --át - -hoz kapcs, és 2. kondi +-át +- hoz kapcs. sorosnál 1 kondi --át 2 kondi +-hoz kapcs.
Milyen árú egy ilyen relé? 1-5A-t kellene bírnia.Nem ég be? 24W 10W izzóval, 18000 Uf kondival próbáltam próbáltam.1s vagy rövidebb lesz a kapcs idő.
Kinéztem.
A rajzon a soros állapothoz tartozó állás van ábrázolva.Reggeli fáziskésés.
Asszem erre gondoltál a nagy szélben kitérő farokkal, de ne kérdezd hogy műxik. Csak megláttam.
Látom sokan elhivatottak vagytok a szélgenerátor építésével kapcsolatban. Én évek óta tervezgetem, a napkohómmal egyetemben, de eddig nem nagyon tettem az ügy érdekében, leszámolva az elméleti részt, azaz a tervezgetést. Sok ötletem van és köztük van egy, ami a kedvencem. Erről gondoltam, hogy megkérdem a véleményeteket, hogy milyen buktatókat láttok a dologban, egyelőre elméleti síkon, eltekintve a telepíthetőségtől, az irányérzékenységéről és egyébb fizikai problémáktól.
Naszóval én arra gondoltam, hogy valamilyen kontúrvonalú(kúpos, exponenciális, egyéb...) tölcsérrel befognám a szelet és a tokokba tennék egy közepesen nagy(pl. 1m) függőleges tengelyű szélkereket, azt is abból a "két hordó félbevágva, egymásba fordítva" kivitelből. Kíváncsi lennék, szerintetek milyen vonalvezetésű tölcsér lenne a legjobb a szél bevezetéséhez, és szerintetek milyen hatákonysággal lehetne a szél nyomását a torokban sebességgé tranformálni?
Hasonlót, már én is javasoltam itt a "pudding1" nevű fórumtársunknak.
próbálni, ugyan nem próbáltam, mert a víszszintes tengelyű elrendezés erdekel. gondolom, lehet benne fantázia.
ja igazad van... nem figyeltem a fesz irányokra csak a soros párhuzamos kapcsolásra..
bocs
firkáltam egy javítást..
mármár azthidttem, hogy kevés lesz a 2 vagy relé hozzá.. jobban nézve ugyan az mint Flexi-é...
Viszonylag állandó szélirány esetén lehet létjogosultsága, ha gazdaságosan megvalósítható.
Jobban jársz a tölcsér nélküli nagy mértűvel.Fél hordók egymás mellet és felett.
A függöleges tengelyűbe az a poén hogy nem kell hozzá semmi irányterelő, vagy tölcsér. Minden teszt amit végezek, azt mutatja hogy szereti a városi turbulenciákat és teljesen immunis a szél irányváltásokra.
Egyetlen hátránya, hogy relative lassan forog csak és ezért nehezen illeszthető a gyors fordulatot követelő "olcsó" generátorokhoz.
Igen, sajnos 1 relével nem megoldható.Kivéve, ha dupla relé.
![]() Manuálisan oldottam meg, de holnap készítek 3 ynomógombos változatot.2 fehér gomb egy-egy kondi töltéséhez, és piros a soros kapcsoláshoz.
Torgyán doktor szavaival élve, ez ebben a formában nem igaz!
A széliránnyal szembe jövő hordó, bizony hátráltatja kicsit a „szél előtt” menő hordót.
Igen, de engem nem ez érdekelne("mindent" tudok a rotorok fajtájáról, jellemzőiről normál használat esetében).
Engem a tölcsér kialakítása érdekelne(vonalvezetése, arányai(száj, torok), kialakuló sebesség nyomás viszonyok, visszaverődések, stb.), hogy erről milyen elképzelésetek van. Maga a "huzat" kialakítása. Tételezzük fel, hogy a turbinaház mindkét oldalára egyforma tölcsér kerül(kétirányú szél kihasználása, huzat keltése). Turbinaház esetén képes lenne magasabb fordulatra(csak a "kagyló" kapna szélnyomást)? és hasonlók...
A lapát formályát ki lehet alakítani szárny szerűen(csepp alakot formázva, a félgömb helyett) és akkor némileg növekszik a hatásfok a sima félgömb formához képest, mert akkor is keletkezik forgatónyomáték, ha a lapát háta a szél felé néz. Ha megtalálom az erről szóló oldalt, belinkelem...
De turbinaház esetén a lapát háta nem kap szélnyomást, csak annyit, amennyit maga kelt a járatban. Ez külön történet kiszámolni, hogy mennyi az annyi... |
Bejelentkezés
Hirdetés |




.

nem mintha egy tinenéves ne tudná összerakni...








