Fórum témák
» Több friss téma |
Egy kérdésem van,az erősítőhöz mindenhol 4 ohmos hangszórót írnak nekem 8 ohmos van az autóba beépítve.Nem okoz gondot vagy keressek más kapcsolást erre a célra?
Köszi Pali
Szia!
Semmi gond, csak kisebb lesz a hangerőd!
Nagyon szépen köszönöm!
Akkor ezt fogom elkésziteni! Boldog Új Évet!
Kedves fórumtársak!
Látom elég régen volt már komment, de remélem valaki tud rajtam segíteni. Elég amatőr vagyok még az elektronikában, úgyhogy kérek szépen mindent alaposan, szájbarágósan !Vettem hétvégén egy 5.1 -es hangcuccot, de beépített erősítő nélkül, csak simán a hangfalak. Van ugye a subwoofer, ez 8 ohm - 25W-os. A többi (center, front left, front right, rear left, rear right) 4 ohm - 15W-osak. A Subwoofer és a Center sztereó csatornájának erősítése már meg van oldva, így már csak erre a TDA 7375-ös "quad"-ra van szükségem a maradék négy csatornának. A kérdésem először is az lenne, hogy jól értelmezem, hogy ennek a kapcsolásnak plusz-minuszos táplálék kell? Szeretném beépíteni a számítógépbe és PC-tápról adni neki a táplálékot, a +12V egyértelmű is számomra, azonban nem tudom, honnét szedjem a -12V-ot!? Tehát a Quad kapcsolás, semmi híd... StandBy és Diag-LED. Átolvastam ezt a röpke 7 oldalt, de vagy a fáradtságomnak tudható be, vagy szimplán hülye vagyok :yes: , de nem értettem egyértelműen, hogy akkor a StandBy-nak a 12V tápfeszt adjam, vagy jobban szereti, ha megtáplálom 5V-tal, mert ugye PC táp esetében, ez is "kéznél van"!Ha 12-őt adjak rá, akkor kell elé ellenállat? És mekkora? És még egy kérdés! Ha plusz minuszos táp kell neki, akkor a kapcsolási rajzon, az összes GND-potenciál, a -12V? Bocsi, ha egyszerre sokat kérdezek, meg fárasztó vagyok, de annyira biztos vagyok benne, hogy jó lessz a cucc, hogy már meg is rendeltem az IC-t! :yes: Köszönöm szépen a válaszokat! Jó a topic, nagyon!
Hali!
Nem kell csak a +12V és a test. (Szóval ha PC táp, akkor a sárga és a fekete.) a 7-es lábat meg egy 10k-s ellenállással felhúzod a 12V-ra. Ja, és ha rám hallgatsz, ne ugyanarra a tápra kösd, amiről a gép megy! Nem fogják szeretni egymást...
Köszönöm szépen a válaszod és a segítséget, nem tudom honnan vettem azt a -12V-ot, de legbelül én is sejtettem, hogy bibi lesz, azért kérdeztem inkább...
Megfogadom a tanácsot a táppal kapcsolatban... Egyébként mi történhet, vagy miért nem "szeretik egymást"? Kinyírja az alaplapot? Csak azért nem értem ezt a másik táp dolgot, mert a GND-jük mindenképp közös lesz, a bemeneti jel GND-je miatt, ugyanis azt a hangkártyáról adogatom be neki... Trafóm nincs most jelenleg megfelelő teljesítményű, még egy PC táp, meg már hajszárító effektust fog előidézni a szobámban (a zajszintre értem)... Meg a teljesítmény, amit az eldisszipál még a semmibe, az meg mehet a villanyszámlámra... De ennek ellenére természetesen megfogadom és köszönöm a tanácsot...
Meg egyébként itt is úgy csinálta a csávó, nekem ebből jött az alapötlet, csak drága nekem az a kétszer TA8215...
4x15W 12V amplifier for PC
Hali!
Azért javasoltam a külső tápot, mert korábban már én is csináltam még egy PII-esgépbe erősítőt, TDA1557-el, én is a gépéről akartam táplálni, de nagyon leterhelte a tápot, lefagyott, újraindult. Egyébként én úgy csináltam, hogy két PCI helyet foglalt el a gép hátulján, és a csatlakozók is ott, hátul kaptak helyet. Szóval kintről úgy nézett ki, mint egy szabvány PCI kártya, csak Jack és RCA csatlakozók voltak rajta. De ha gondolod, megpróbálhatod egy tápról, hátha a tiéd bírja.
Hát nem hiszem, hogy megpróbálom, nem akarom kinyírni a rendszeremet, így is van egy videókártyám:
Sapphire ATI Radeon HD3850 512MB AGP Nyáron vettem, drága volt, és nem akarok neki rosszat... A másik meg, hogy a videókártyának alapból kétszer tizenkét voltos tápcsati kell, és az ajánlott tápegység neki az 450W-tól kezdődik, az enyém meg csak 350W-os. Szerencsére kifogástalanul szuperál így is, de nem akarom feleslegesen tovább terhelni a cuccost, mindenesetre köszönöm szépen mégegyszer a tippet! És köszönöm a segítségedet is!
Szia!
Ha van pénz egy ilyen videokártyára akkor nem hiszem el h nincs egy megfelelő tápra ami SZÜKSÉGES HOZZÁ... A megfelelő táppal és megfelelő zavarszűréssel simán elmenne PC-ről is... Arról nem is beszélve, hogy olcsóbban is jössz ki. Remélem segíthettem.
Az OK, hogy a videókártya drága volt, de nehogy azt hidd, hogy meg vagyok tömve rendesen...
Átdolgoztam a nyarat, hogy legyen egy normális videókártyám ![]() Mellesleg van itthon pár darab táp, majd külön megy valamelyikről, amíg nem lesz esetleg nagyobb teljesítményű. És igen, minden hozzászólást köszönök, minden szó segítség!
Heló sziasztok! Én is pc táprol szeretnék hajtani egy ilyesmi erősitöt! Tetszik ez a 7375 meg a 1554-es Tda! Szerintetek melyik a jobb? melyiket épitsem? Egyébként a hifimhez csinállok két plusz hangfalat csak nem tudom hogy egy vagy két hangszorot tegyek bele
! Van 4db 6 ohmos hangszorom ha 2őt párhuzamosan kötnék egy dobozban az ugye 3ohm! Vagy kössem sorosan? azzal ugye kevesebb lessz a teljesitmény ha jol gondolom vagy lehet halkabban szol(16ohm)? Köszönöm előre is!
Én speciel a 7375öst építettem meg az 5.1-emnek. Egy 230 Wattos régi AT-s tápról hajtom, nekem tetszik a hangja, szól mint az atom négy csatornán.
Szerintem ez a párhuzamba kötés hangszóró esetén nem teljesen ugyanaz, mintha sima ellenállásra gondolnál, mert itt az impedancia a 6 ohm. És induktiv ellenállásként fogható fel. Ebben segíteni nem tudok, remélem nem mondtam hülyeséget se, majd valaki aki nálam okosabb segít.
Köszönöm szépen neked is! Ez is segitség legalább tudom hogy jo kis erősitő ez!
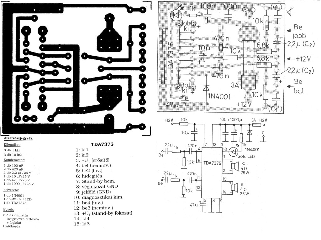
Ja nincs véletlenül egy nyákrajzod beültetéssel?
Csak 12V kell neki? Mert ugy látom a rajzon hogy stand by 10 V vagy elbirja ugye a 12V ot is?
Az ideális tápfeszültség, ha jól emlékszem akkor 14,4V.
De nyugodtan üzemeltetheted a számítógéptáp 12 Voltos ágáról. A Standby-t a rajz alapján egy 10 kohm-os ellenálláson keresztül kösd a tápra. Ja és nincs nyákrajzom, én varialapra készítettem el.
Köszönöm szépen a segitséget!
Igazán nincs mit, ha sikerült írd meg!
Okkés irok! Csak közben még van más dolgom is de a közeljövöbe tervezem! Üdv
Én ez alapján csináltam (kép) Tökéletesen működik, igaz egy nagyobb teljesítményű trafó kéne.
Itt találsz hozzá leírást bőven:Tápfesz, terhelőimpedancia, kapcsolások stb... A diag LEDet érdemes kitenni az előlapra mert elég könnyű túlvezérelni... Sikeres utánépítést!
Áááá már nem tudom módosítani. a pdf ahonnan a képet szedtem ott kocsiba tervezték és ott nagyobb jellel volt hajtva, ezért a beültetési rajzon a 6.8k-s ellenállások helyett 1k-s kell
Okés nagyon szépen köszönöm neked is, csak annyi hogy én négy kimenetet szeretnék!
Lenne még egy kérdésem! A rajzod alapján ha megépitem egy 12 votlos pc táppal akkor fog kelleni 1K-s ellenállás? Illetve ha két hangszórót párh. kötök akkor az impedancia 3 ohm lessz igy is üzemeltethetem? Szoval hogy birja a 3 ohmot a 4 helyett? Köszi
4 kimenetnél 2Ω-on is terhelhető. De ezt írja a gyár is
Ha hidalod a csatornákat, mint ahogy a képemen is van, akkor nemtudom hogy lenne-e baja mert énis egy hónapja így használom. Kellő hűtéssel biztos nem lehet gond... És persze figyelni kell a diag LED-et is. Nem a tápellátástól függ, hogy mekkora ellenállás kell oda. Azzal csak a kivezérelhetőségét változtatod, csak vigyázz ne legyen nagyobb a gyári értéknél a bemeneti ellenállás. Nekem az integrált hangkártyámhoz ez bevált az 1k. MP3 lejátszó, telefon, mindennel teljesen kivezérelhető.
fú köszi szépen akor igy csinálom a rajzod alapján és kötök rá 3 ohmot! Köszi még1*
Olyat lehet hogy ha hidalva van tehát hogy 25-25 W azt még egybelehet hidalni hogy 50W legyen?
thx
Maximum párhuzamosítani lehet, és feleakkora impedanciával terhelni.
(Szerintem a torzítás az egekben lehet ilyenkor... Le kellene mérni) |
Bejelentkezés
Hirdetés |




!
:yes:
! Van 4db 6 ohmos hangszorom ha 2őt párhuzamosan kötnék egy dobozban az ugye 3ohm! Vagy kössem sorosan? azzal ugye kevesebb lessz a teljesitmény ha jol gondolom vagy lehet halkabban szol(16ohm)? Köszönöm előre is!

Ha hidalod a csatornákat, mint ahogy a képemen is van, akkor nemtudom hogy lenne-e baja mert énis egy hónapja így használom. Kellő hűtéssel biztos nem lehet gond... És persze figyelni kell a diag LED-et is. 