Fórum témák

» Több friss téma
Fórum » TDA8560
 
Témaindító: MC Adam, idő: Dec 14, 2005
Lapozás: OK   5 / 7
(#) wolfi válasza Kovidivi hozzászólására (») Jún 4, 2009 /
 
A koppanassal semmi gondom, ha nem karositsa a hangszorokat,
Nem 15VDC, hanem 24VDC, csak max hangeronel esik vissza a feszultseg 15VDC re.
(#) Kovidivi válasza wolfi hozzászólására (») Jún 4, 2009 /
 
24V üresjárati feszültség 40VA-rel terhelve leesik 15V-ra? Nem gyenge az a trafó?
(#) wolfi válasza Kovidivi hozzászólására (») Jún 4, 2009 /
 
Nem tudom a teljesitmenyet hogy menyi kenne legyen, 15V ra 3Amper terheles mellet esik le, amugy ez egy ketutas trafo ez az egyik ut, nem tudom hogy hogy tudnam kiasznalni a masik utat is.
(#) wolfi hozzászólása Jún 4, 2009 /
 
Tulmelegedes problemat megoldottam, felraktam egy AMD hutott(csak bordat venti nelkul), gondoltam na ezt forrald fol, a pofam leszakat amikor lattam hogy ezt sem szegyeli jol rendesen megmelegiteni.
(#) wolfi hozzászólása Jún 6, 2009 /
 
Az ugye szerintettek is gaz ha a TDAm zarlatos Ube lab?
(#) wolfi hozzászólása Jún 6, 2009 /
 
Egeszpontosan a 3-as lab zarban van a foldpontokkal, ezt dobhatom ki ugye?
(#) mindenes válasza wolfi hozzászólására (») Jún 6, 2009 /
 
Üdv!
Hát az elég gáz ha a 3 láp zárlatos a Gnd vel.Ez ugyanis az 1 es csatorna +Ut-je. Igy van 1 egy csatornás monó IC-d .. :eek2:
Üdv Sanyio.
(#) titi válasza mindenes hozzászólására (») Jún 6, 2009 /
 
Hali!
Ne haragudj, de tudod, hogy hülyeséget írtál?
A 3-as lábon kapja az IC a + tápot, és szó sincs arról, hogy csak az egyik oldalnak lenne a tápja.
Tehát nincs " 1 egy csatornás monó IC "-je.
(#) titi válasza wolfi hozzászólására (») Jún 6, 2009 /
 
Hali!
Hogy mérted?
Mérés közben a tápot leakasztottad az erősítőről?
Ha igen, akkor úgy néz ki, az IC halott.
De úgy látom, ahogy visszaolvasok, hogy az se biztos, hogy megfelelő tápról járatod, tehát ha nem választottad le a tápról, az is lehet, hogy a "tápot mérted" és az a zárlatos.
(#) mindenes válasza titi hozzászólására (») Jún 6, 2009 /
 
Üdv !
Lehet , igazad van, én ugyanis még nem épitettem ezzel az IC- ivel, igy gyakorlati tapasztalatom nincs vele kpcsolatban, de én ugy vettem le az adatlapból hogy a két csatornának külön tápja van, és a 3as láb az egyik csatornáé....... Akkor meg csak egy mono IC -je van.......
Üdv Sanyio.
(#) Kovidivi válasza mindenes hozzászólására (») Jún 6, 2009 /
 
Van benne valami!
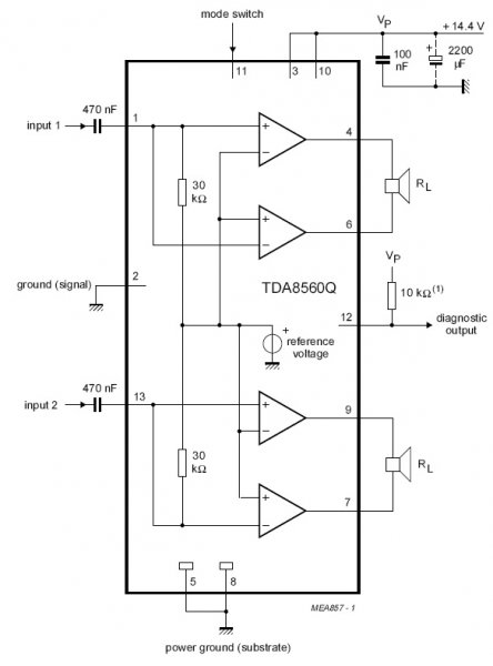
Wolfi! Nézd meg, hogy a 3-as és 10-es láb a tokon belül össze van-e kötve. Ha a 10-es láb nem zárlatos a GND-vel, akkor lehet, hogy meg tudod még szólaltatni az IC-t.
A 3-as és 10-es lábra az adatlap csak annyit ír, hogy supply1, supply2... Én többet nem tudtam kivenni belőle...
Üdv!

hetda.jpg
    
(#) titi válasza mindenes hozzászólására (») Jún 6, 2009 /
 
Hali!
Bocsi!
Lehet, mégse hülyeség...pedig már számtalan TDA-s erősítő került ki a kezeim alól, de erre még valahogy nem figyeltem fel.
Igaz mindig mindegyik elsőre indult, így nem is foglalkoztam különösebben a dologgal.
De most is van ithon egy, kipróbálom mi van, ha az egyik lábat leválasztom.
(#) mindenes válasza titi hozzászólására (») Jún 6, 2009 /
 
Üdv!
Hát arra az eredményre én is kiváncsi lennék !
Szerintem az IC nem birná ki De hátha mégis...... Üdv!
(#) titi válasza mindenes hozzászólására (») Jún 6, 2009 /
 
Na kipróbáltam.
Szóval ha nem kap feszültséget, akkor egyik oldal se szól, tehát nincs külön tápja a két csatornának.
Visszakötve viszont minden gond nélkül újra szól mindkettő.
(Próbáltam menet közben is, vagyis bekapcsolt erősítőnél a leválasztott lábat visszazárni, és azonnal megszólalt.)
Tehát nincs mono erősítője wolfi-nak.
(#) mindenes válasza titi hozzászólására (») Jún 6, 2009 /
 
Hát én egy kicsit szkeptikus maradtam .
Semmi torzitás (mikor lekapcsolod a lábat) ? Semmi elhalkuló hang ? vagy valami ? . Akkor mért van kettö lab is, supply1 és supply 2 néven ?. Kell vegyek egy ilyen IC t hogy én is meggyőződjek erről.......
Üdv!
(#) titi válasza mindenes hozzászólására (») Jún 6, 2009 /
 
Semmi.
Amint nem kap tápot a láb, abban a pillanatban elhallgat.
Bár csak a 3-as lábbal próbáltam ki, mert a 10-est kicsit körülményesebb lett volna leválasztani.
De ugye wolfi esetében is a 3-as lábról van szó.
Szerintem alapvetően a 3-as lábról mennek a végfokozatok, és lehet, hogy a 10-es pedig a meghajtó fokozatoknak ad tápot. (De lehet fordítva is.)
Ha megnézed az adatlapban, vannak a meghajtó részek (háromszöggel jelölve, mint a műveleti erősítők), és vannak végfokozatok (téglalapban két tranzisztor jele).
Szóval szerintem a két külön tápcsatlakozás ezért lehet.
A lényeg, ha valamelyik fokozat nem kap tápot, a hang nem tud átmenni.
- Szerintem.
(#) mindenes válasza titi hozzászólására (») Jún 6, 2009 /
 
Igy már értem ezt a kettös táp dolgot.
"Szerintem alapvetően a 3-as lábról mennek a végfokozatok, és lehet, hogy a 10-es pedig a meghajtó fokozatoknak ad tápot " -ez nagyon igaz lehet. (Ilyen megoldásu IC- kell már in is találkoztam
nemegyszer.)
(#) wolfi válasza titi hozzászólására (») Jún 6, 2009 /
 
Udv,
Leirom hogy hogy sikerult megolni,
Na a lenyeg az hogy mukodott egesz jol, dobozban volt mar meg minden, 4 napot hasznaltam is, egy szimetrikus taprol hasznaltam, annak is csak az egyik agarol.
Valahogy 70-80% utan gyengenek eresztem a regihaz kepest, s a torzitas is eross volt a regihez kepest, gondoltam valahogy a masik agat is ra kenne kossem, h legyen tobb tartalek benne, ezert azzal kezdtem hogy egy diodaval egyeniranyitottam, es egy 12V auto egovel gondoltam tesztelem menyi ampert kuld at, az ego egyik szarat a trafo nem hasznalt agara, a masikat a dobzhoz erintettem GND miat, csak hogy nezem kb 5 mp mulva hogy uresjarathoz kepest valami nagyon futt, nem a TDA volt, hanem az LM(feszstab.), ra mertem 5.5AMPERT vett fel az TDA, na akkor gondoltam ennek anyi, ki is cineztem , es meregetem a 3 as lab (Tap), es a GND zaras volt mar.
A TDA es az LM is szigetellve volt a doboztol ezt lemertem biztos.
Tudom hogy mimiatt tortent, de hogy mitortent, ez nem vilagos.
(#) titi válasza wolfi hozzászólására (») Jún 6, 2009 /
 
Ez kicsit kusza, nem tudsz egy rajzot dobni?
Jól látom, hogy a tápod 25V-ot ad le?
Ezt már egyenirányítás után, vagy még előtte mérted? (DC/AC)
Amennyire ki tudom venni a szavaidból, a trafó másik ágát egyenirányítás után, anélkül, hogy stabilizálva lett volna 18V alá, engedted az erősítődre.
Ezzel tul.képp. a GND és a + táp közötti fesz tuti nagyobb lehetett mint 18V.
Legalábbis abból, amit ki tudtam hámozni az írásodból, nekem ez jött le.
Viszont úgy látom, ajánlották neked, hogy inkább keress egy megfelelő trafót. Én is inkább ezt tanácsoltam volna, mindenféle stab IC helyett.
De a lényeg, hogy ez esetben sajnos az IC megadta magát.
(#) wolfi hozzászólása Jún 6, 2009 /
 
a tap 2X15V AC, en mukodtettem az egyik agrol 15V gratez hid, 3300uF, utana lett 23DC pontosan, 2XLM317 stab fesz 14,3Volt stabilan, kb 4Amperes korlatot tudott,(ez volt a szerencsem, lehet hogy fustoltvolna is), utana TDA ic.
S en fogtam magam s a trafo masik agara egy diodat raktams egy es egy 12V 5W autos izzot, ekkor szalt el az ic, pedig az a trafo masik agarol ment.
(#) titi válasza wolfi hozzászólására (») Jún 6, 2009 /
 
Akkor nem értem, miért szállt el.
Közben nem ért össze valami?
Biztos a GND-re kötötted az izzót?
(#) wolfi válasza titi hozzászólására (») Jún 6, 2009 /
 
Nem vettem eszre hogy hozza ertvolna valamihez, anyi viszont biztos, hogy az izzo meg sem pislant
(#) titi válasza wolfi hozzászólására (») Jún 7, 2009 / 1
 
Idézet:
„az izzo meg sem pislant”

Akkor viszont az izzó rövidzárként viselkedve átengedte magán a teljes, egyenirányított, de stabilizálatlan feszt.
Így már látszik az ok.
(#) bringas2 válasza wolfi hozzászólására (») Jún 7, 2009 /
 
Én annak idején készitettem TDA 2040,TDA1524,TDA7375 végfokokat,tápba szűrésnek 2200mikrokat használtam +150nf hidegitőket,nem volt pukkanás sosem.Kikapcs.nál elhalkult majd csend.Semmilyen relés késleltetés nem volt,viszont úgy kell megépíteni hogy ne gerjedjen a cucc.2x20Voltos tápnak 2x16V trafó kell.Számolva szekunder ~fesz.g szorozva 1,35 pufferelés =DC.táp.
(#) wolfi válasza titi hozzászólására (») Jún 7, 2009 /
 
Igen en is arra gondolok, csak aszt nem ertem hogy mikoze volt a masik agob mukodo erositomhez, szigeteles jo volt, a vesz stabon is, es a vegfokon is.
Masik dolog hogy a stabilizatornak semmi baja nem lett, s a vegfok ugye az utan van.
Szerintem az tortent, hogy ugye csinaltam egy zarlator, es a GND az ugye kozos a szimetrikus tapoknal, s a GND-n feszultseg jelent meg a zar pillanataban, kb ugy -14V DC szuretlen, es nekem az LM317 ek hiaba adtak a stabil 14.4 Voltott, mert a GND-n volt megy egy -14DC, akkor mar ugye az 24Volt jelenik meg a TDAn.
Szerintem ez tortent.
(#) sebestyen_ferenc válasza wolfi hozzászólására (») Jún 7, 2009 /
 
Szerintem is túl nagy feszt kapot, azért halt be max 18voltot bír és szerintem többet kapott, s a másik azért végfok elé azért nem teszünk stab ic-ét elég sok veszteség van rajta jobb lett volna áttekerni vagy más trafót használni.
(#) kopaszs hozzászólása Júl 6, 2009 /
 
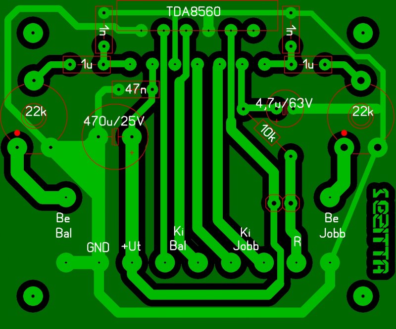
Sziasztok látom sok fél-e képpen csináltátok meg ezt az erősítőt ezért szeretnék kérni tőletek egy tuti biztos
nyák meg esetleg beűltetésí rajzot.
(#) Attis92 hozzászólása Aug 2, 2009 /
 
Helló!

Lenne egy kérdésem! Építettem egy erősítőt TDA8560-as IC-vel és úgy viselkedik, hogy a jobb oldala kifogástalanul működik, de a bal csak akkor szólal meg ha az IC bal bemenetére ráteszek egy csavarhúzót a másik kezemmel pedig megfogom a nyákon a testet.
A nyákrajzot mellékelem! Tudna nekem vki segíteni??
Előre is köszönöm!!

TDA8560.JPG
    
(#) titi válasza Attis92 hozzászólására (») Aug 3, 2009 /
 
Hali!
Nézd át a forrasztásokat, biztos kontakthiba.
Esetleg hibás csatolókondi.
(#) Attis92 válasza titi hozzászólására (») Aug 4, 2009 /
 
A csatolókondival nem lehet baj, mert átcseréltem a másik oldalival és azzal is csak így szólalt meg! A forrasztásokat is átnéztem, de nem találtam hibát! De azért köszi a segítséget!
Következő: »»   5 / 7
Bejelentkezés

Belépés

Hirdetés
XDT.hu
Az oldalon sütiket használunk a helyes működéshez. Bővebb információt az adatvédelmi szabályzatban olvashatsz. Megértettem