Fórum témák
» Több friss téma |
Fórum » LM1036 sztereo hangszínszabályzó áramkör
Témaindító: Krajcsooo, idő: Máj 29, 2006
Témakörök:
Idézet: „úgy néz ki h meggyógyult, gyenge volt a gnd az előerősítőn” Ezzel konkrétan mit szeretnél kifejezni? Mi volt a konkrét hibajelenség?
Sziaztok.
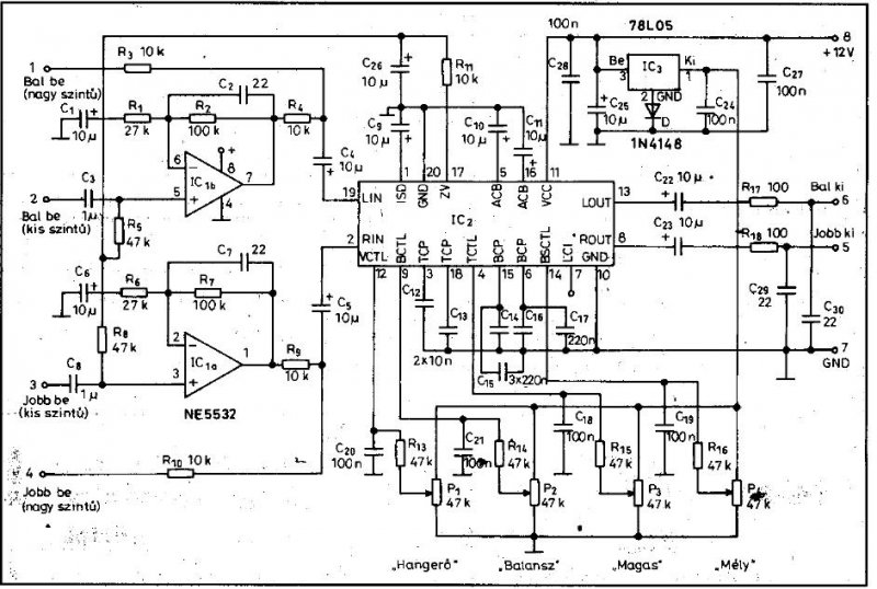
A mellékelt kapcsolást akarom megépíteni de van rajta 2 alkatrész aminek nem igazán értem az értékét mégpedig a kimenet és a GND közötti 22 valami az mi? Köszi
Nagyon valószínűnek tartom,hogy 22nF-os kondenzátor.
Helló.
Én is megépítettem ezt a hangszínszabályzót és szerintem nagyon jól szól működik a hangerő, mély, magas és a loundless is. Kivéve a balance csatornát. Hiába tekerem jobbra balra semmi. Csak fél csatorna szól. Próbáltam másik potival is hátha bekrepált de nem. Nem tudna valaki segíteni? Elég rossz monoban hallgatni.
Hali!
Esetleg dobj róla jó minőségű képet...
Sziasztok.
Megépítettem én is ezt a hangszínszabályzót, és egy olyan probléma adódott, hogy minél feljebb tekerem a hangerő potit, annál jobban súgnak a hangfalak. Tudna valaki segiteni benne, hogy ennek mi lehet az oka? (lehet hogy rossz a poti?, vagy az is lehet, hogy a nyákról vezetékkel vezettem ki a potikat az erősítő előlapjára, és nem árnyékolt kábelt használtam?)
Ha van a bemenetre valamilyen hangforrás kötvbe, akkor lehet, hogy attól "súgnak" a hangfalak. Lehet, hagy a hangforrás zajos egy kicsit, amit az erőlködő felerősít. A potik nem lehetnek a hiba okai, mert ez az IC feszültség alapján szabályozza a hangerőt, szóval a potikra nincs rávezetve a HF jel. Esetleg megpróbálhatsz egy 100nF-os kondit tenni a föld és a potik középső kivezetései közé, lehet, hogy segít, de nem hinném. Az is lehet, hogy az IC selejtes (ahogy nekem is az volt 2db).
Több most nem jut eszembe. Sok sikert a próbálkozáshoz!
A hangforrás nem lehet a hiba oka, mert próbáltam "üres járatban" is, amikor a bemenet szabadon volt.
A kondit megpróbálom beszerelni, ahogy említetted, hátha az segít valamit. De gondolkoztam már azon is, hogy az erősítőmbe sok "kütyüt" szereltem, és az egyik zavarja a másikat...:S A tiédben, amit megépítettél, abban nincs ilyen hiba? Segítségedet Köszönöm!
Sajna ennyire zajos ez az IC. Én semmi pénzért nem használnám.
Szisztok!
Én megépítettem egy kicsit komolyabb változatot egy erősítővel (TDA7386) És össze is raktam viszont érdekesen működiknek a potik nálam is az van hogy vlamiért nem szól az egyik csatorna! Aki megépítette már nem nézné át esetleg a kapcsolásomat? Előre is köszi PeTi
Szervusz!
Tudnál nekem ajánlani egy hasonló hangszínszabályzót, mint ez, de olyat, amit vagy már megépítettél, vagy tudod róla, hogy használat közben nem lessz vele gáz.?
Egyszer én is csináltam egyet LM1036-al a balance először nekem is csk egy oldalra működött. Valahogy a feszültséggel oldottam meg de már nem emlékszem pontosan. 2 sávos vagy 3 sávos vagy 3sávos közép paraméterrel hangszínt szeretnél?
Igen, valami hasonlóra gondoltam, ugyanazt lehessen vele szabályozni, mint az LM1036-ossal megvalósított áramkörrel.
Ha tudnál valamit szerezni, ami már volt tesztelve, az nagyon jó lenne!
Loudness is kell mert akkor nem tudok. Viszont ez az íc igen zajos. Megér ennyit egy ilyen. Most csinálok több keverőt és egy csatornáját felrakhatom
egyik: hangerő magas mély gain amásik mély közép paraméter közép magas de nem feszültségvezérelt a kétsávos egy sima lepke karakterisztikájú a másik girátoros és hagyományos keveréke. tesztelve van mindkettő élő dinamikus mikrofonnal én meg vagyok vele elégedve pontos alkatrészekkel az együttfutás is jó ha ez a fő cél .
Bővebben: A kétsávos ebből valóBővebben: Az oldal közepe felé van a hangszín
A paraméteres igen tetszik nekem .Nagyon finoman be lehet állítani az énekes hangjához és a mikrofonhoz is. de mivel ez van a főkeverő kimenetén is az összhanghatást is jól lehet vele állítani a bemeneten a mic nem azt jelenti hogy microfon szint hanem hogy ide csatlakozik a mikrofoncsatorna
Hali, egy kérdésem lenne, ha a balance és hangerő állító potit nem kötöm be, akkor attól még működnie kellene a kapcsolásnak?
Ne kösd be, de ellenállásokkal helyettesítsd a potit, mintha a balance közép állásban lenne, a hangerő potit is hasonlóan, amilyen állásban szeretnéd. Nem értem, hangerő szabályzás miért nem kell.? Üdv!
köszi a választ..
hangerő állító majd lesz, csak még olyan problémám van, hogy bekapcsoltam, és nagyon melegszik.. amit mellékeltem képet, azon van a gond, vagy itt nálam ér össze valami?
mind1, a régi áramkört kidobtam, megcsináltam dj szabcsáét, de olyan problémám van, hogy nagyon halk, és rettenetesen recseg, 1 dologgal nincs probléma, a balance-val, amit fixre kötöttem 2 ellenállással poti helyett..
az lehet e probléma hogy a potik elé nagyobb ellenállást raktam?
Nekem is nagyon halk volta dj szabcsa féle, és kb. a hangerő poti feltekerésének a 90%-nál kezdett hangosítani. Ráadásul ha tekertem a potit borzasztóan recsegett. A balance nekem egyáltalán nem működött, egyébként minden más igen. Ezzel a hangszínnel mindenkinek meggyűlik a baja. Én kiszedtem, nem kínlódok tovább vele. Majd építek egy tda1524-es hangszínt. Azzal szerintem nem lesz ennyi gond...
Ez a hangszínszabályzó IC nekem gond nélkül működött elsőre. Lehet azért kezdett olyan későn hangosítani, mert logaritmikus volt a potid. TDA1524-et is építettem már.. ha valami zajos, hát az az.
Igen.. kicsit melegedős fajta az IC. Nekem is meleg volt üzem közben. De nem voltak vele gondok. Bár egyszer valami különös oknál fogva a bal oldal elszállt.. azóta nem foglalkoztam vele. De előtte egy évig ment stabilan. Lehetséges, hogy az LM317 stabkocka adta meg magát előtte valamilyen szinten.. volt is dolga élete során szegénynek.. 40V-ból csinált nekem 13,8-at. Kicsi hűtőzászló volt rajta, de melegedett rendesen. Megvolt rajta még utána is a 13,8V, de amikor kicseréltem az LM1036 IC-t másikra, az pár nap után megintcsak kimúlt.. ugyanaz az oldal.. most az a stabkocka egy Videoton magnóban van.. de szerintem ott is ő csinálja a gubancot.. ingadozik, pattog az FM.. rapszodikusan.. és ha kihúzom, és miközben kisül a puffer.. aközben nincs baja.
Hali mindenkinek!
Építettem egy 4 csatornás hangszín szabályozót (2Db Lm1036 van benne). A táp külső táp, mert a dobozba már nem fér el :no: Egy dugasztápról hajtom. Meg van szűrve a táp rendesen, de mégis búg. Ha akkuról hajtom, akkor minden oké. Mi lehet a probléma? A doboz alumínium. a Gnd rajta van a házon. Előre is köszönöm! Képek az előfokról: Bővebben: Link 1 Bővebben: Link 2 Bővebben: Link 3
Szia!
Földhurok lesz. Egypont-földelést kellene alkalmazni. A dugasztáp kimeneti pontjára kell összehozni az összes földelési pontot, ami célszerűen rögtön a fémdobozra van kötve.
Hali!
Köszönöm! De nem értem hogy keletkezik a hurkom. Mivel a dugasztápon nincs védőföldelés, így az nem kap földet. Az egyik erősítőm földeletlen, de búg. A másik erősítőm földelt, avval is búg. De lehet hogy megtaláltam a gondot. Nekem egy 3.2-es mono jack a táp csatlakozóm, amit elszigeteltem a doboztól, ugyan akkor az RCA-k "adják" a földelést a doboznak. Megszüntetem a táp bemeneti szigeteltségét, aztán írok hogy mi történt.
A szigetelés eltávolítva.
De a búgás továbbra is megmaradt. Eléggé 50Hz hangja van. Egy valamit még kipróbálok. A stabilizátorom után nincs csak egy 100nF kerámia kondi, próbálok neki adni oda egy elkót.
A hálózati trafó kapacitív csatolással is kapcsolódik a hálózat felé, úgyhogy szép kis hurkok keletkeznek védőföld nélkül is. Az egypontföldeléssel esélyt sem adsz arra, hogy áram folyjon az egyik földelőponttól a másik felé. A csatik még véletlenül se kapják a dobozról a testet!
Hali!
Szóval akkor a doboztól el kell szigetelnem őket? ez az egy pont földelés azt jelenti hogy a föld egyetlen csillagpontban kapcsolódik össze?
Azt hiszem félreértettelek.
A csatik nem a dobozról kapják a testet, hanem rendesen a "forrfül" be van bekötve. Csak a dobozzal is érintkezik hiszen fémes kapcsolatban vannak egymással. |
Bejelentkezés
Hirdetés |













