Fórum témák
» Több friss téma |
Fórum » Többmotoros diszkófény vezérlés
Témaindító: gaboca323f, idő: Aug 31, 2009
Témakörök:
Üdv!
Tudom, hogy van már ilyen topic, de ilyennel ha jól láttam egyik sem foglalkozik. Olyan kapcsolás érdekelne, amiben 2 vagy több motor van ütemvezérelve, ha lehet akkor léptetőmotoros kapcsolások érdekelnének. Olyanok mint pl. a Flash Swing extreme. Vagy olyan is szóba jöhetne ami a 230 voltos sycronous (remélem jól írtam) motorokat hajtja meg, ASTRO STRONG pl, vagy ilyenek vannak a kínai fényekben pl neo neon godees 3, lotus, Szóval aki jártas ezekben az kérem segítsen! Ha lehet akkor ne csak egy rajzot linkeljen be, rajtam kívül szerintem még sokan foglalkoznának ilyennel, de ahogy én sem, nem igazodnak el a bonyolult kapcsolásokban. Várom a hozzászólásokat!
Még egy-két gondolat:
Többkarú syncro fények, scanerek kapcsolása is szóba jöhet. Beszerezhető alkatrészekből álljon ha lehet ![]() Köszi!!
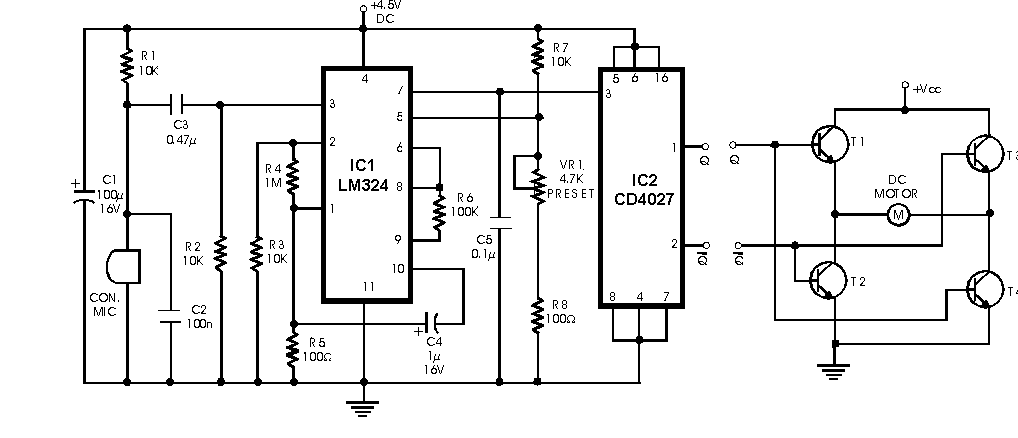
Szia.Van egy nagyon jó és praktikus és nagyon hétköznapi alkatrészekkel elkészíthető kapcsolás.(lásd a mellékelt képben,az utolsó)Az LM324 egy műveleti erősít,az áramkör lelke ami a motorokat vezérli egy CD4027 dual j-k Flip Flop.Olyan tranzisztort kell kiválassz,amely bír két DC motort,ilyenkor az áramfelvételre és a feszre gondolok,akkor két motort is tehetsz.Ha van meglévő fénytest,akkor rá szerelheted,ha nincs lézerekből készíthetsz.Még van más ütemvezérlő is,a második képen láthatod.Az első képen láthatók lézerek egy üvegre szerelve és a másik motorhoz egy tükör van szerelve.Ha te is két motorosra építed és nincs lézer,akkor ez tökéletes egy lézer shownak.
Üdv!
Ezeket a kapcsolásokat már megtaláltam, egy részét meg is építettem. Az "ütemvezérlő-s" kapcsolás rettenetesen süket és nem jöttünk rá hogy miért, de az is csak 1 motort vezérel. Én nem úgy értettem a többmotorost, hogy több motort bírjon el, hanem, hogy több motor legyen vezérelve nem egyszerre. Lézerem az van 50ábrás zöld 100mw-os. Az utolsó képen lévőt még nem csináltam meg, de 1 motoros vezérlőm az már van. Azért köszi a hozzászólást, ötletes a lézer, de sajnos nekem nem erre van szükségem. ASTRO SHARKY Itt egy kis videó, milyesfajta vezérlésre lenne szükségem, lényeke, hogy van egy belső (corallo) motor és egy külső (DTC háromszög). A két motor csak nagyon ritkán megy egyszerre, vagy pl, a flash swingben egyáltalán nem megy egyszerre. Ilyesmi kellene.
Szín és gobó váltáshoz bizony léptető motor kell. A szkennerekben is az van. Olyan kapcsolás kell ami azt vezérli esetleg programozható egy vezérlővel.
Üdv!
Nekem van mikromotoros gobo váltóm is, de az gyári cucc. Optokapuval figyeli az ábratárcsát. Az Astro strongban, ami szintén ábrás, meg 230voltos motor van 2db. De sajnos egyik vezérlő sem másolható
Úgylátom rajtam kívül ez nem nagyon érdekel senit
Helló Gábor!
Esetleg próbálkozhatnál egyszerre 2 db 12 V-os vezérlővel külön érzékenységekre állítva, így elméletilgeg a 2 motor nem mindig egyszerre mozog. Ilyet akartam alkalmazni egy scanner xy tükörmozgásában. Én nem csináltam meg, de szerimtem működne. Mit szólsz? A 230 voltos vezérlés pedig szerintem egy mikrofonos fényorgona lehetne. Ott egyenesen 3 synchronous motort lehetne üzembe helyezni, úgy hogy külön hangfrekvenciákat érzékelne, ezéltal nem egyszerre mozdulnának!
Gondolkoztam rajta, én úgy oldottam meg hogy két vezérlő volt, az egyik egy relével váltogatta a két motor között a másik vezérlő ütemjelét.
Azért nem akarom hogy egyszerre menjen a két motor, mert akkor nagyon mosódik a kép.
Sziasztok.Nekem sikerült megcsinálni ezeket a fényeket(Scanner)pl.De az ütemvezérlést miért nem lpt-ről csinálod és egyszerre 8 motort is tudnál vele(vagy 32)vezérelni.Mikrofon helyett sz.gép.A mikrofon mindig szar,mert nehéz belőni,hogy pont jól működjön.
Gondolkoztam már én is rajta, de több ok miatt letettem róla, nincs laptopom, meg én bérbe is adok fényeket, oda padig a bedugom és működik a legoptimálisabb.
Az összes fényem mikrofonos ütemvezérelt, van amelyikben autogain is van így beállítani sem kell. A többin meg egy, esetleg 2 potméter van azt meg be lehet állítani a hangerőhöz.
Úgylátom ilyen témávan nem sokan foglalkoznak
Helló gaboca 323f!Engem is érdekelne ez a vezérlés de nekem nincs egy frankón működő ütemvezérlöm sem.Lennél szives elküldeni vagy felrakni ide a te motorvezérlődet?Elöre is köszi.
e-mail: furopeter@hotmail.com
Ezért lenne ez a fórum, hogy kitaláljuk a legjobb megoldást rá, de mivel nekem sincs olyan vezérlőm ami teljesen megfelelne az elvárásaimnak, ezért nem halad a dolog. Van ugyan egy megbízható kapcsolás ami már itt is megfordult egy hasonló topicban, de az sem tökéletes sajnos. Amíg a hibáját nem hozzuk helyre addig nemszivesen tenném közzé mert nem sokj értelme van.
Hy gaboca323f.Köszönöm hogy ilyen gyorsan reagáltál.Nekem van egy Hypergobo nevü fényem.Hasonlít az astrora de más mert ütemre vált elöl a dichro 3szög közben pedig gobo-ábrákat vetít közben vált minden 4-8 ütemenként.Ez pontosan dolgozik de sajnos a másolás nem megy.Na mindegy hátha vkinek lesz vmi megbizható kapcsolása.Bár ahogy elnézem nem valami telt a fórum.Nem hiszem el hogy senkit nem érdekel.
Üdv!
Érdekelne engem ez a hypergobo nevű cucc, tudnál képeket készíteni róla meg esetleg egy kis videót működés közben? Ha látnám a szerkezetét lehet hogy több vezérlőt összefűzve, időzítve tudnánk valami áramkört kreálni hozzá. Szóval jó lenne pár nagyfelbontású kép, a belsejéről is, a nyákról is. Megolható?? Ha ide nem akarod feltenni jöhet a mailemre is.
Hy.Ment PÜ!
Üdv! nekem is el tudnád küldeni? a panel mindkét oldaláról kellene a kép és visszarajzolom.
Hy.Nem tudtam hozzáférni rendesen a panelhoz mert minden szűkre van hagyva.Így csak külső képek voltak.Bocsi de most pont kölcsön van a fény ismerősnél igy nem tudom hirtelen még lefényképezni sem.A lényege hogy belül van egy léptetőmotor ami váltja a gobokat 4 ütemenként és külön van elöl a dichro 3szög ami ütemvezérléssel forog oda vissza.Ennyi.
Üdv eti
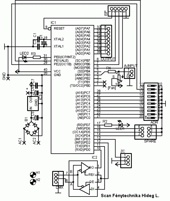
Hy! Ezeket a két vagy több motoros vezérléseket a legpontosabban programozott mikrokontrolerrel lehet megépíteni. lehet hogy bonyolultnak hangzik, de az egyik legegyszerűbb és legpontosabb megoldás. optokapuk figyelnek minden egyes motort, és egy beépített program zenére működteti a motorokat, valamint strob kést is működtet és az áramkörnek van DMX-512-es ki-be menete! Az áramkört már megépítettem, kivállóan működik! közé fogom tenni hamarosan a rajzokat is!
A szoftvert mellékelem, de sajnos hozzá tartozó DMX-512-es prtotokollt ingyen nem tudom továbbadni senkinek sem! üdv.: Scan Professional Lighting pro Scan Fénytechnika
Helló.A strobkésről nem tudnál képet feltenni?Sajna fogalmam sincs hogy néz ki.Megköszönném.
Üdv!
Ez elég jól hangzik, kiváncsian várom a fejleményeket!
egy tipp: fogj egy egymotoros vezérlést és a motorra menő kimenetét egy relére vezérelt lábaira kapcsold rá. A nem vezérelt lábakra kösd rá a 2 motorodat.
A relét egy multivibrátotrral kapcsoltasd ki-be. Ezzel tudod megoldani a legkönnyebben a vezérlést.
Ilyet már csináltam, működik de nem a legjobb.
Valamint csak 2 motornál használható, de pl az álltalam épített fényben, van gobo, színcserélő, és strobi tárcsa is, plusz a két motor ami az optikát mozgatja. Szóval ettől több kell.
Hy petibmw! Jelenleg nincs róla képem, de rajzom van! ha ez megfelel, szivesen felteszem neked!
Helló lesliecold.A rajz is tökéletes lenne.Nekem elég lenne a müködési elv is.Köszi elöre is!
Hy petibmw! ugyan a tervrajzot nem tudtam beszkennelni, de készítettem neked egy aránylag jó rajzot a blackout kés működéséről! Remélem tudtam segíteni! ha problémád van fénytechnikával, nyugodtan szólj! ha letöltötted a fájlt, és nem tudod megnyitni, akkor simán átnevezéssel töröld le hogy .png és írd át .bmp-nek!
Üdv.: Scan Fénytechnika/lesliecold :vigyor2:
Köszi az infót.Rengeteget segitett.
És íme megérkezett a talán várva várt kapcsolás és nyákrajz!
Ez egy DMX vezérlőpultról vezérelhető áramkör, több féle felhasználásra alkalmas! ennek kapcsolásait mellékelem nektek! én megépítettem belőle egyet és tökéletesen működik! Egyet kérnék cserébe attól, aki komolyan meg is akarja építeni a kapcsolást, hogy készítsen nekem is egy üres fotózott nyákot! Mivel nincs időm fotózgatni, és maratgatni! ha valaki megteszi ezt a szivességet, akkor felveszem vele a kapcsolatot! Az ATMEGA8515-16PU-ra égethető DMX-512-es protokollt elküldöm annak aki segít nekem! előre is kössz! Scan fénytechnika
szintén a DMX-512-es áramkörhöz tartozó kapcsolások
|
Bejelentkezés
Hirdetés |









eti 













