Fórum témák
» Több friss téma |
ha nem 3 fázisú rendszer 2 fázisát kapcsolod a rendszerre hanem csak 1 fázist mind a 2-re akkor nem lehet vele gond
Nem tudom mennyire szétszedhető a mozgásérzékelő. Legegyszerübb lenne az időzítést biztosító kondit , (általában elektrolit) kicserélni jóval kissebbre. Gyakorta LM324 IC-vel építik a készüléket, ezért könnyen visszafejthető a kapcsolási rajza.
Sziasztok!
Van egy időrelém, amit a bekötési rajz híján nem tudok használni. A szakmámból adódóan a rajz is lehet, kevés lenne. Azt kérném, hogy aki tudja, a bekötési rajzát az úgy írná meg nekem, hogy „ide a 220V-ot, ide ezt,oda azt,ez a kimenet” szóval laikusnak,hogy megértsem! Köszi
szia, lehet nem jó ötlet de egy próbát megér.. rakj a csengő bemenetére a két kapcsolóval párhuzamosan egy pár 100 mikros kondit hátha annak a feltöltődési ideje elég a csengőnek
Ha jól látom, akkor a 13, 14-re kell a 230V.
A 9,10,11,12 a relé középső érintkezői. Az 1,2,3,4 a behúzott állapotban kapcsolt érintkezői(bekapcsolt állapotban ezek és a hozzájuk tartozó középső érintkezők adnak át), az 5,6,7,8 pedig az alapállapotban zárt érintkezők. Ezek szintén alap állapotban a hozzájuk tartozó középső érintkezőkkel vannak kapcsolatban. Remélem hogy jól fogalmaztam.
Köszi. Azonos fázisokkal fogok dolgozni.
Helló dravecz!
Az időrelé kérdésedet itt helyesen megválaszolta Ricsi89, de ezt a kérdésed már korábban egy másik topikon én is megválaszoltam. Ugy látom egy kérdést több helyre is felteszel.
Helló!
Igen feltettem máshová is de nem jelöltem be,hogy visszaigazolást kérek emailben. Így már azt sem tudom,hogy hová tettem fel. Nehezen találtam meg azt a "fórumot" ahol igazán jó helyen van. Az "oldalt" sem ismerem még nagyon. De már kaptam segítséget az oldalon,ami megoldotta a problémám. Nagyon jó oldalnak tartom mert az emberek segítőkészek úgy látom. Üdv:László
kokozo ötlete bevált! Működik a k e ty e r e.
Köszi Neki, kokozo köszi mindenki segítőkészségét. Üdv:laci
Üdv mindenkinek!
Arra szeretnék egy relés megoldást alkalmazni(talán impulzusrelé), hogy van 2 áramköröm amit egy rezgéskapcsolóval vezérelnék, úgy, hogy rezgésenként váltaná az áramköröket. Tehát megütöm a rezgéskapcsolót kiadja a feszt és behúzza a relét, de viszont ha megint megütöm akkor az előbbi kontaktust bontja és a másikra húzza be. Ilyen relé létezik, vagy kellene építeni hozzá elektronikát, ha igen akkor milyet? Köszi
Váltóérintkezős relé?
Hallottam olyanról, hogy latch relé, azt nézegetem épp. Mit takar, hogy váltóérintkezős? Alapban zárt kellene, hogy legyen és vezérlése nyitott majd megint zárt.
A latch relé akkor vált az állapotok között, ha mindig fordított polaritású jelet kap felváltva. Ezt találtam. No de, hogy lehetséges egy dc 12V-os jel polaritáscseréje? Ehhez már ák. kell, ahhoz meg nem igen értek, csak ha van rajz
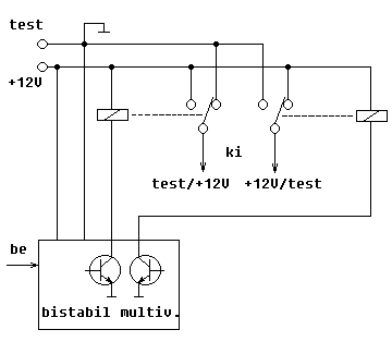
2db váltó (morze) érintkezős relével lehet DC polaritást váltani. Ahhoz, hogy úgy működjön, ahogy szeretnéd, még kell egy bistabil multivibrátor, ami a reléket kapcsolja.
Üdv Inhouse
Talán van olyan is ,aminek két tekercse van.Egyikkel behúzatod a másikkal ejteted.Ha olyan kell ami váltogat nyomógombra (230V ra) ,és nem akarsz elektronikát építeni,akkor azt készen is lehet kapni.
Rendeltem egy impulzusrelét, de azért megépítem a biztonság kedvéért. Egy sima mezei bistabil multivibrátor jó, mert korábbi hozzászólásokban találtam egy rajzot. Mit kell érteni a multivibrátor BE bemenetén? Azt a jelet amivel vezérelni szeretném a reléket?
Multivibrátora válogatja, lehet, hogy tápot, lehet, hogy testet kell neki adni, ahhoz, hogy billenjen...
Csak egy blokkséma, egy áramkör, ami a bemenetre adott jelekre felváltva kacsolgatja a 2 kimenetét... Üdv Inhouse
Helló
Problémám a következő: van egy óra amiből kivágtam az ébresztő csipogót és a helyére be forraszottam 2 vezetéket. Célom az lenne hogy a vezeték végére valamit rakjak ami zárni tud egy másik áramkört mikor az óra eléri az ébresztési időt. ( Fizikához nagyából értek, az elektromos ketyerékhez viszont csak egy picit, ezért kérlek kicsit magyarázosan válaszoljatok.) Előre is kössz.
Szia!
A plusz ágra köss egy 100-200 ohm körüli ellenállást, vele sorba egy BC182-es NPN tranzisztor bázisát. A tranzisztor kollektor ágába egy relének az A2-es pontját. A tranzisztor emitterét kösd testre. A relé A1-es kivezetését pedig +-ra. Így a relé záró érintkezőire tudsz kötni bármit amit kapcsolni akarsz. A relé behúzótekercsével párhuzamosan ( fordított irányba ) egy védődiódát is tegyél. Dávid
Helló Dávid!
Az óra áramköre 1,5 voltról működik és egy 12 voltos áramkört akarok aktiválni. Esetleg egyszerübbet nem tudsz javasolni. Mert öszintén tranzisztorról halottam de nem tudom mi az. Simán relével nem lehet megoldani?
Legegyszerűbb megoldás az 555 monostabil módban. Ez meghajt egy relét és így már működőképes a kapcsolás. Mi lenne az áramkör amit kapcsolni kéne?
Szerintem ez alapból nem jó ötlet mert a csipogó nem folyamatosan kapja a jelet és ha valami "stabil" dolgot akar meghajtani vele akkor az is a pittyenések ritmusára fog működni. Még esetleg egy kondenzátorral a bázison lehet simítani a dolgokon.
egy 12 voltos aksira kötött vékony drótból készült tekercs aminek egy tized másodperc működés elég h elizzon a drótszál ( ez egy gyújtószerkezet)
Jó lehet úgy is, hiszen a relének van tehetetlensége, nem képes nagy frekvenciával kapcsolgatni, a csipogó meg több kHz-en szokott "pittyegni". Ki kell próbálni. Viszont, ha csúcsegyenirányítással lenne megoldva az lenne talán a legjobb. Dióda sorba (schottky lenne a legcélszerűbb, mert azon kisebb a feszültségesés) egy kondenzátor a föld felé, majd innen ellenállásosztó a tranzisztor bázisára.
fogadás..., sorbakötött tüzijátékok gyujtózsinorját szilveszterkor. De ez miért is lényeges?
Talán mert nem képzünk terroristákat...
Üdv Inhouse
kössz, ezzel már előrébb vagyok!
megpróbálom ezt a relés dolgot remélem összejön. 1 partihordó sör a tét ![]() (Inhouse-nak: én véleményem h ebben az országban a terrorista egy lehetetlen fogalom)
Ebben a viszonylag békés országban is termelődik pár kezdő őrült...
Üdv Inhouse |
Bejelentkezés
Hirdetés |














