Fórum témák
» Több friss téma |
- Ez a felület kizárólag, az elektronikában kezdők kérdéseinek van fenntartva és nem elfelejtve, hogy hobbielektronika a fórumunk!
- Ami tehát azt jelenti, hogy a nagymama bevásárlását nem itt beszéljük meg, ill. ez nem üzenőfal! - Kerülendő az olyan kérdés, amit egy másik meglévő (több mint 17000 van), témában kellene kitárgyalni! - És végül büntetés terhe mellett kerülendő az MSN és egyéb szleng, a magyar helyesírás mellőzése, beleértve a mondateleji nagybetűket is!
Üdv az lenne kérdésem hogy egy TDA 5104 mire jó mire lehet használni?
Biztosan jól írtad? Nem nagyon van rá találat...
Sziasztok!
A 74HC147 ugye CMOS IC. No, de ez elmegy 12V-ról? Nem találok egyértelmű infó és a példakapcsolásoknál 5-6V -ot használnak.
Igen én sem találtam sokat belőle de leírom az egész ic-t először is van egy plilips jel majd a tda5104 felirat a következő sorban a j1764 felirat az utolsó sorban pedig jss93181 ez van ráírva egy régi univerzum vr 732-ben van csak a készülék elromlót úgyhogy újra hasznosítom de ezt nem tudtam hová tenni
Szia!
7V-nál többet nem visel el: Adatlap
Értem, de azt hallottam a DIP tokosokra nem szabad forrasztani a PIC-eknél.
Valaki?
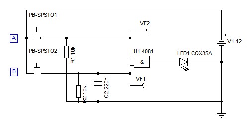
Fontos lenne mert ha megy akkor megépítem.
Az ON ? ONnan tudod meg hogy melyik "semiconductor"
Hello!
Talán ez, talán nem. Mert ebben nem sok minden van ami nem működne, kivétel az "amerikás hálózati feszt".. üdv! proli007
Sziasztok!
A következő feladatot próbálom megoldani részben sikerrel, de biztos van ennél elegánsabb megoldás is. Adott két nyomó gomb (nem kapcsoló). Én azt szeretném elérni, hogy a kimeneten jelenjen meg egy impulzus, de csak akkor B-A sorrendben nyomát meg a gombot. A melléklet szerint próbálom megoldani csak ezzel az a gondom, hogy, ha megvolt a helyes sorrend akkor addig amíg ki nem sül a kondi elég csak az A gombot nyomogatni. Hogyan lehet kisütni azonnal a kondit amint kiment az impulzus?
A hozzaszolasodban meg SMD-t emlitettel. Kerlek, dontsd el, hogy akkor melyik legyen.
Egyebkent a DIP tokosra nyugodtan forraszthatsz, csak nem javasoljak. En is inkabb precizios tokkal szoktam megoldani. A PIC-et utolagosan nyomom bele.
Igen. Sok helyen olvastam, hogy foglaltba kell tenni a DIP tokos PIC-eket, nem rá forrasztani, és így ötlött a kérdés, hogy hogyan forrasszam be az SMD picet.
Ha olyan a PIC és még ráadásul smd is, akkor is lehet foglalatot használni. (Célszerű vagy ICSP-t rátervezni a panelra vagy már felprogizott PICet beforrasztani.) A foglalat megvédi a PIC-et a forrasztási hőtöl és még cserélhetővé is teszi. Egy felforrasztott SMD-t nehéz leszedni szépen és finoman. Ezért szoktam javasolni kezdőknek a furatszerelt alkatrészeket.
Oké. És olyan SMD-s fogit hol lehet venni?
Itt van megint.. Bővebben: Link
Töltsd fel a képet vagy válassz ezek közül, mert a linked nem jó.
Szia Marton11 elemes elektromos gázgyujtóban találsz ilyen tirisztort pcr606j és s8550 tranzisztorral épített
kis gyujtó szerkezet.
Jól néz ki, de építési leírás is van hozzá? Komoly kapcsolás!
Sziasztok!
Ha a rajzomon bekarikázott ellenállásosztóval beállítok a műveleti erősítőnek egy referenciafeszültséget akkor nem kell szimmetrikus tápellátás?
Talán meg van valahol... Tehát működne? Mert ha igen akkor beszerzem a cuccot hozzá és nekiállok.
Ez éppen az egytápos beállítást mutatja. A két ellenállásnak azonos értékűnek kell lennie.
A tekercs menetszámokról, mechanikai kivitelezésről van valamilyen leírás? Mert azért nem lenne hátrány, ha lenne valami konkrétum erről.
|
Bejelentkezés
Hirdetés |




Fontos lenne mert ha megy akkor megépítem. 








