Fórum témák
» Több friss téma |
Fórum » USB és PIC vezérelt 4db RGB POWER LED DMX512
Témaindító: Csaba87, idő: Júl 23, 2011
Témakörök:
Sziasztok!
Ötletem a következő! Adott egy 5*5m-es fedett terasz! Gondoltam feldobom némi hangulat világítással! 4 db RGB power ledet fel a 4 sarokba! 1: A power ledeket meg kell táplálni! 2: Vezérelni kell a ledeket! De mivel viszonylag messze vannak egymástól és szeretném akár külön-külön is működtetni arra gondoltam, hogy DMX512-n lehetne őket irányítani, így kábelköteget is spórolnék és még bővíthető is lenne. 3: Vezérlésre két megoldást szeretnék egy pic-es és egy USB-DMX-es Így létrejönne egy igen komoly kis rendszer PC/PIC vezérelt, DMX512-n kommunikáló RGB power LED-es világítás! Erre az ötletre keresek kapcsolási rajzot és egyéb hozzászólásokat!
A USB-DMX kommunikáció ez alpján megoldva!
Innen válassz egy szimpatikus kapcsolóüzemű áramgenerátort. Kelleni fog belőle 12 darab... Ha nem zavar, ha a fölösleget csak elfűtöd, akkor lm317-el is elkészítheted, ami töredéke lesz a kapcsolóüzemű árának.
PIC ötlet: Én tennék minden ledhez 1 kontrollert, a neki való áramgenerátort meg egy rf vevőt. Így csak a 2 szál tápot kéne körbehúzni, és a kommunikáció sem az 5m-en összeszedett zavarokról fog szólni. Akárhány ilyen egységgel bővíteni tudod. Ha az az rf vevő történetesen egy bluetooth modul, akkor (jó drágán és) egyszerűen rögtön a számítógépről parancsolgathatsz. Szerintem praktikusabb ha független az ilyesmi a géptől, így én az olcsóbb 400-800MHz moduloknál maradnék, és csinálnék egy kis lcd-s kézi egységet, ahol be lehet állítani a fényerőt és színek átfutását, meg amit csak akarsz. Egy 3W RGB modul egy kis szobát sem túl fényesen világít be, szabad téren nem biztos, hogy a kívánt hatást éred el.
Az oldalamon van egy RGB LED-es project, abból ki lehetne indulni. Egy LED-hez 4eres kábel nem a világ. Áramgenerátor nem kell, csak jól kell beállítani az előtét ellenállást és a PWM-et! Az USB más tészta, oda a HID-es cikkemet ajánlom, nekem nagyon bevállt a mód!
Feldúrtam a netet és sikerült összeállítanom egy szerintem működő kapcsolást (egyenlőre a vevő részt)!
Köszönöm az ötleteket elgondolkodtam elég sok variáción! Nem rossz az rf megoldás, kicsit drága, de praktikus lenne! Maradtam a dmx512 kommunikációnál! Nézzétek meg ti is és várom a javaslatokat!
Kábelt mindenképpen ki kell húzzál. PIC-et is használsz a rajzon. Akkor minek bonyolítod? A 4 LED-hez 12tranyó és 1 PIC kéne. A kábelnek jó lenne UTP kábel, az ereket duplán is lehet fogni. Szerintem...
Ötletnek itt van egy ilyen :
Bővebben: Link
Én is ilyen világításban gondolkozom most.
Én két lehetséges megvalósítást találtam. Az egyik: Bővebben: Link Ezt soros porton keresztül lehet vezérelni vagy egy kis kiegészítő áramkörrel efy másik PIC segítségével. Itt is elég két kábelt húzni a vezérlésnek. Ráadásul úgy néz ki, hogy ezzel megvalósítható az egységek külön vezérlése. Ha USB-ről szeretnéd üzemelteteni, akkor pedig egyszerűen egy USB-RS232 átalakító kell. A másik: Bővebben: Link Ez direkt erre a célra van kitalálva, USB-ről jövő adatok alapján keveri a színeket, de vannak benne előre programozottt programok is. Van hozzá egy nagyon jó kezelőfelület, ahol akármilyen effektet össze lehet rakni, színeket keverni, stb.
Ez a picproject oldal segített elég sok dologban! Neki álltam az adónak is, majd ha kész lesz felteszem!
Kicsit módosítottam a vevőn! A programozás lesz még izzasztó feladat! Nem sok időm van, mindig egy kicsit hozzá teszek a történethez!
Szerintem ennek semmi értelme, de nem szólok bele, te tudod!
A Vcc-t ( 5V-os tápfeszültséget ) helyben is előállíthatod. Eggyel csökkentheted a vezetékek számát. ( Az 5V-os amúgy sem érdemes nagyobb távolságra lekábelezni. Zavarjelek, STB. )
A 4017-es kiegészítés eszköz azonosító lesz? Vagy más a feladata? A kapcsolásod gyenge pontja a soros elrendezés. Mivel tápfeszültséget kell adni 751176AD-nek. Így ha az első áramkörnél tápfeszültség gond van, akkor a többi sem fog üzemelni. MIDI gyakorlatban jól bevált megoldás, hogy optocsatolón keresztül veszik le az adatot a kommunikációs portról. Ha jól gondolom, akkor az áramkörödben is csak adatfogadás van? Ha igen akkor három vezeték is elég. S ezzel a lehetséges problémák száma is csökken. Ezért egy készülék (áramkör) kiesése nem akadályozza a többi működőképességét. Mellékelek egy egyszerűsített rajzot az elképzelésemről. ( Csak szemléltetésre. ) A rajzon az egyszerűség kedvéért 4N25-ös optocsatolóval oldottam meg a csatolást. Persze más optocsatoló is jó e célra. PL: H11L1M Amennyiben lámpák tápfeszültség ellátása megoldható, akkor elég csak egy érpáron elvinni a vezérlőjelet. Remélem sikerült új ötleteket adni az egyszerűsítésre.
Szia!
A DMX vevő programozási része engem is érdekelne! Nehéz manapság működő DMX vevő rutint találni... Az adó rész nem nagy ördöngősség: Nekem ilyen van (bal oldali) Sok sikert!
Sziasztok!
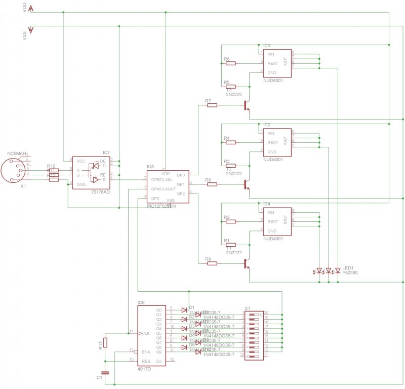
Találtam egy kapcsolást, ami elég egyszerű és még Source Code is van hozzá! http://www.response-box.com/rgblights/2007code.shtml http://www.response-box.com/rgblights/Media/docs/fullpixelschematic.pdf A kimeneten 3 PWM jel jön ki, amire én nem a rajzon lévő tranzisztoros led vezérlést fogom rátenni, hanem a Nud4001-es Led meghajtót! A címzést szoftveresen kell beállítani, ahogy néztem! Ezzel egyszerűsödik a kapcsolás! Úgy döntöttem a javaslatotokra, hogy 5V-ot nem viszek körbe, helyben csinálom meg egy TS78M05 CP-vel! Viszont, ami bántja a szememet, hogy a DMX jelet nem szabad Y-ba elágaztatni! Én így tanultam!(Lehet rosszul tudom) Ezért én kettő 75176-os IC-t raknék be, egyiken bejön a jel, másikon tovább megy! És a jel "gyengülés" nélkül haladhat tovább! Látom a hátrányát, igen! Egy elszáll többi nem világít! Az optós megoldás nem tűnik rossznak, ott nincs ilyen hibalehetőség! Tényleg meggondolandó! Az lenne a kérdésem, hogy Assembler-hez ért valaki? Kilehetne egészíteni ezt még egy PWM-mel? Mert egy fehéret is szeretnék az RGB mellé tenni, hogy jobb legyen a színhatás! Na egyenlőre ennyi! Köszönöm a válaszokat!
Igen elvileg nem lehetne Y-ban osztani a jelet, gyakorlatilag nyugodtan oszthatod...
A gyári fényekben is úgy van továbbfűzve a DMX jel.
Csaba 87, engem az érdekelne, amit már kérdeztem tőled, személyes üzenetben is, de válasz még nem kaptam, amit még fentebb mutattál kapcsolást pic12f629 -el, ahoz van forrás kód, valamilyen formában?
A dmx jelet simán lehet tovább fűzni, amit már építettem demux, 3 panel van egymás felett, simán csak átlinkelve egyik a másikra.
Szerintem nem szükséges fehét led, RGB power led igen szépen kikeveri a fehéret.
A mellékelt képen egy rizslámpába beépített power led , igaz most kékre van állítva, de a fehéret is nagyon szépen kikeveri, és a 3Wjával az egész szobát megszínezi.
A 12f629-es kapcsoláshoz nincs kódom! De a 16f688-hoz találtam!
Kicsit módosítottam a kapcsoláson, amit belinkeltem kedden! De a kódon nem kell változtatni!
Hellosztok!
Lézer géphez tudtok valami usb-dmx vezérlő kapcsolási rajzt? Találtam egyet de ahhoz nincs max431! Üdv morzsa15! |
Bejelentkezés
Hirdetés |














