Fórum témák

» Több friss téma
Fórum » A-osztályú erősítők
 
Témaindító: Dióda, idő: Feb 14, 2006
Lapozás: OK   84 / 137
(#) highand válasza (Felhasználó 46585) hozzászólására (») Ápr 5, 2011 /
 
Abban van TDA2030 macró? Meg darlingtonok?
(#) (Felhasználó 46585) válasza highand hozzászólására (») Ápr 5, 2011 /
 
Én 20 perc alatt megértettem a lényegesebb dolgokat. Egyébként meg olyan, mint egy akármilyen windows-os progi. Csak a szimulátort használom belőle, a nyáktervező nem érdekel.
Van benne TDA2030, meg elég sok darlington, NPN, meg PNP is. Meg sok FET, jFET, óriási választék opamp, stb. De ha találsz valahol modellt, akkor be is lehet tenni, nekem is így küldte valaki a TL494-et. Kevés dolgot nem tudok rajta megcsinálni... Persze, azért vannak gyermekbetegségei, de hát mi a tökéletes?

( Aztán lehet, hogy csak nekem ennyire egyszerű, mert korábban az EWB 5.0c-t használtam, az nagyjából ugyanez, kicsit talán butább, de azt is nagyon gyorsan meg lehet tanulni.)
(#) thedespot0 hozzászólása Ápr 6, 2011 /
 
Sziasztok. Erről a kapcsolásról valami véleményt tudtok mondani? Ebben ugye nincs visszacsatolás?
Kell neki egy előerősítő rész is , ilyet még nem csináltam. Ez működhet A osztályban is ?

sch1.jpg
    
(#) steelbird válasza thedespot0 hozzászólására (») Ápr 6, 2011 /
 
Ez A osztályú beállításban van, de az erősítése 1, vagyis semmit nem erősít.
(#) thedespot0 válasza steelbird hozzászólására (») Ápr 7, 2011 /
 
Tehát kell neki egy feszültségerősítő igaz ? Ami lehet már csöves is , és akkor már hibrid, de lehet egy tranzisztoros a osztályú beálítással is igaz ? Véletlenül nem tudod hogy mekkora feszültség kell neki ? És a végtranzisztorokat mivel lehetne helyettesíteni ?
(#) deadlyroberta hozzászólása Ápr 10, 2011 /
 
Sziasztok, most nézegettem régi laptopomat, inkább a kapcsolóüzemü tápegységét... 18 volt, 5 amper amit le tud adni maximum. Lényeg, hogy ehez lehetne-e épiteni 2x18-20 wattos a osztályos erösitőt? Hiragával,Doz-al szemezgettem,de nem hinném hogy befér egy U1es rackbe és még tápegységet is kell hozzá épiteni.
Köszönöm az orvoslálst
(#) deadlyroberta válasza deadlyroberta hozzászólására (») Ápr 11, 2011 /
 
http://www.redcircuits.com/Page80.htm öt találtam csak az a kérdésem hogy 18 volt 5 amperol mit viritana? végülis...
(#) steelbird válasza deadlyroberta hozzászólására (») Ápr 12, 2011 /
 
Ez 18V -ról 8 Ohm -ra kb. 2-3W -ot tud, többet nem.
4 Ohm -os hangszóróhoz már nem fog tudni elég áramot leadni.
Az, hogy a tápod 5 Ampert tud, az még nem elég. Kevés a feszültség, ekkora feszültségről nem tudod kihasználni a max. 5A -es áramot.
A végfokot csak féltápig vezérelheted ki, ami 9 Volt. Ebből lejön még a végtranzisztoron maradó szaturációs ferszültség, ami 2-3 Volt. Ezt vond le a 9-ből, marad jobbik esetben 7 Volt.
Ez a csúcs, amit kivehetsz a végfokból.
Szinuszos teljesítményhez ezt osztani kell 1,41 -gyel, az 4,96 Volt.
Az 3 Watt 8 Ohm -ra.
4 Ohm -os hangszóróhoz már nem elég a kapcsolás áramerősítése, így csak elméletileg van értelme számolni az előző feszültséggel, ami 6,1 Watt lenne.
2 Ohm -ra pedig 12 Watt. De ahhoz ennyi tranzisztor nem tud elég áramot leadni.
(#) Abukodonozo válasza deadlyroberta hozzászólására (») Ápr 12, 2011 /
 
Ez egy kicsit furcsa, legalábbis nekem:

Idézet:
„This solid-state push-pull single-ended Class A circuit is capable of providing...”


Ezt mondja a linken szereplő leírás. Hogyan fér össze az ellenütem és az A osztály? Nem AB osztályra gondol a szöveg? És a rajz alapján ez nem igazán tűnik ellenüteműnek...

Elnézést az értetlenkedésért!
(#) steelbird válasza Abukodonozo hozzászólására (») Ápr 12, 2011 /
 
Ez bizony ellenütemű csak kvázi-komplementer megoldással.
Az, hogy A, vagy B, vagy AB osztályú a végfok, azt a végtranzisztorok munkaponti beállítása szabja meg. Ellenütemű kapcsolásban is lehet egy végfok A osztályú.
(#) Abukodonozo válasza steelbird hozzászólására (») Ápr 12, 2011 /
 
Szia!

A B osztályt hajlamos vagyok az ellenütemmel társítani, mert ugye ez a legnépszerűbb alkalmazásmódja. Az viszont meg sem fordult a fejemben, hogy a klasszikus értelemben vett ellenütemű kialakításmód is "dolgozhat" más osztályban. Vagy ez csak "itt" lehetséges?
(#) steelbird válasza Abukodonozo hozzászólására (») Ápr 12, 2011 / 3
 
Az ellenütemű kapcsolás mindhárom beállításban működhet (B, AB és A), mint már írtam, ez csak munkaponti beállítás (nyugalmi áram) kérdése.
Ha nulla nyugalmi áram folyik a végtranzisztorokon, akkor B osztályú beállításban megy a végfok. Ilyenkor hallható a tipikus, B osztályú üzemre jellemző keresztezési torzítás.
Ha elkezded növelni a nyugalmi áramot amikor ez pont megszűnik (minimálisra csökken), akkor beszélünk AB osztályú beállításról.
Ha pedig ettől jóval nagyobb áramot állítasz be, ami a max. kivezérléskor sem változik, csak minimális mértékben, akkor beszélünk A osztályú beállításról.
(#) Abukodonozo válasza steelbird hozzászólására (») Ápr 12, 2011 /
 
Értem. Ezt eddig nem így képzeltem el, dehát jó, hogy erre is fény derült. Köszönöm a segítségedet!
(#) steelbird válasza Abukodonozo hozzászólására (») Ápr 12, 2011 /
 
Bővítettem, olvasd vissza, nincs mit.
(#) deadlyroberta válasza steelbird hozzászólására (») Ápr 12, 2011 /
 
2-3 watt az tökéletes otthon kuckó viszonyban. Csöves erősítőm is 4 wattos 4 ohm -es és mégis két 8 ohm -es hangfalamat úgy viszi párhuzamos kapcsolásba hogy lestem. AB osztályos Yamahámat meg nem fogom a osztályosba sorolni igy nem tudom, hogy mekkora a dinamikája egy full tranzisztoros a osztályosnak.
Amúgy meg 8 ohm -es rendszerem van nem fogok belekeverni más típust...
Puszi Roberta
(#) vodkaboy22 hozzászólása Júl 12, 2011 /
 
Lassan elkészül a hiraga le monstre 8W erölködöm és az a kérdésem, hogy van értelme előfokot tenni elé? mivel hangkeltőnek egy DAC-ot használok (analog line out).
Mit változtathat a hangzáson? Vagy egyáltalán nincs sok értelme a dupla FET jelszedés miatt?

Másik kérdés 2 db 8 ohmos hangfalat fogok meghajtani (2 chanel) és tápnak egy dual tápt építettem crc szűrés majdnem az eredeti hiraga által ajánlott verzió csak aksik nélkül illetve mind2 chanel ugyanarrol a tápról hajtom (250 watt potencia van benne) kb 200 000 mikro kondi mellett nem hallottam semmi brummogást de van értelme akkor 2 torroid 2 táp chanelenként?
(#) zsozso72 válasza vodkaboy22 hozzászólására (») Júl 13, 2011 /
 
Szia!Én tettem neki előfokot(Alkotó féle OPA ic-s) de nem igazán igényli ha meg van a megfelelő jel szinted,a trafóból én két 200W osat tettem.Szűrésnek 2*100000uF+2*86000uF+2*64000uf de csak azért mert ezeket tudtam beszerezni.Amúgy ha elhagytam a két 100000µF ost akkor sem volt halható brumm viszont a tápszűrés nagyon fontos ennél az erősítőnél így beleraktam mindet.
(#) vodkaboy22 válasza zsozso72 hozzászólására (») Júl 13, 2011 /
 
Értem de akkor te azt ajánlod, hogy per chanel legyen 200 watt kakaó ne összesen 250 uhum
(#) zsozso72 válasza vodkaboy22 hozzászólására (») Júl 14, 2011 /
 
Szia! Ha nem tévedek Hiraga úr a 2*8W-hoz rakott egy 350W-os hiperszilt,ebből kiindulva tettem a 2*200W-ot es az aksikat én is elhagytam viszont maradt a CRC szűrés.Ma végre sikerűlt a szuper class A-t is rendesen felélesztenem,a CRC-t ott is meghagytam viszont a csatornánkénti 500W majdhogy nem kevésnek bizonyúl 6*64000uF+2*47000µF melett.A hangja számomra nagyon szép telt talán a 8W-os tól nem sokban tér el viszont kicsit másabbnak tünt első hallásra,ezt értsd úgy hogy meglepően tiszta és dinamikus igaz Rammstein-el szoktam tesztelni de nagyon ütős.
(#) vodkaboy22 válasza zsozso72 hozzászólására (») Júl 14, 2011 /
 
Ohhh köszönöm a választ akkor amint tudok rápattintok majd egy nagyobb torroidot Eddig kicsit azon fájt a fejem, hogy az általam kicsinek vélt elektronika+hűtéshez méreteztem a házat és csak utolag döbbentem rá, hogy hoppááá a sok elko lesz benne...
(#) zsozso72 válasza vodkaboy22 hozzászólására (») Júl 15, 2011 /
 
Szia! Ha megvan a trafó mind a két oldalhoz ne rakj be egy nagyot inkább csináld meg dual monó-ban így sok buktatót ki tudsz küszöbölni és az élesztésnél meg a további használatnál(vagy akár javításnál is) könyebb dolgod lessz természetesen ennél a megoldásnál dupla menyiségű kondik kellenek,viszont láttam itt fent I.Hanzi nak a hirdetését,én láttam azokat a kondikat nagyon jó minőségű darabok és garantáltan vadonat újjak.Már jó pár dolgot vettem tőle és soha nem csalódtam benne,igaz alkudni nem igazán szeret de ha menyiséget veszel azt is lehet.További jó építést ha elkészülsz 1-2 fotót tegyél fel hogy mi is megnézhessük a munkád gyümölcsét.
(#) rolitechno hozzászólása Júl 22, 2011 /
 
Heló! 8W Hiragában a két 1 ohm 5W on kívül minden ellenállásnak elég az 1/2 watt ? Kösz
(#) yagi hozzászólása Júl 24, 2011 /
 
Sziasztok!
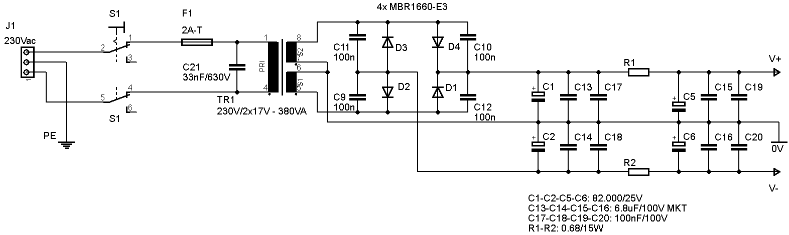
Készülőben van nálam egy Hiraga 20W-os erősítő (már két éve).Eljutottam odáig hogy minden lényeges alkatrész megvan, legalábbis remélem hogy megfelelőek lesznek.
A táp:
- hárompólusú hálózati csatlakozó, főkapcsoló, biztosíték
- 380VA-es hiperszil magos trafó, 4xMBR10100 schottky parallel 100nF MKT
- 82.000µF ROE, 0,68ohm/25W, 82.000µF ROE mindkét tápágban, párhuzamosan a nagy kondikkal 6.8µF MKT (RFT) és 100nF MKT (Remix).
A végfokban a végtranyók 2SA1943/2SC5200, a meghajtók BD139/BD140, a kisteljesítményű tranyók BC546C/BC556C.
Kérdéseim a következők:
- aki megépítette már, mennyire sikerült párba válogatni a tranzisztorokat?
- sikerült az offsetet beállítani?
- mekkora nyugalmi áramot állítottatok be?Állítólag 2A környékén jobb a hangja.
- valamint mekkora ennek a végfoknak a bemeneti érzékenysége?Kellene előfokot építeni hozzá?Mondjuk egy BOZ-t.
(#) yagi válasza yagi hozzászólására (») Júl 24, 2011 /
 
Még a hűtőbordákról, szép nagyok.
A képen még egyben vannak, de mind a kettő félbe lesz vágva.
Valamint néhány kép a kondikról és a trafókról.
Ja, és kettő db készül belőle ( 2db 2x20W).
(#) Abukodonozo hozzászólása Aug 28, 2011 /
 
Sziasztok!

Úgy döntöttem bátorkodom megmutatni azt a minimalista elképzelésemet amivel most kísérletezgetem. A nyugalmi áram beállítása után, 20 volt tápfeszültséggel kb. 1 ampert vesz fel az egész kapcsolás. Egy kisteljesítményű, nyolc ohmos, kétutas hangdobozzal hallgattam meg. A tranisztorok eléggé melegednek, ezért rendesen kell hűtenem őket, egyelőre mindegyiket külön hűtőbordára szereltem.

Lehet, hogy egy kicsit merész az ötlet, de egyszerűsége (és számos általam ismert és nem ismert hibája) ellenére nagyon kellemes hangja van az erősítőnek.

Minden ötleteteknek, meglátásotoknak nagyon örvendenék! További jó fórumolvasást és kellmes zenehallgatást kívánok!

Üdv. Abu

rajz.PNG
    
(#) Mayan válasza Abukodonozo hozzászólására (») Aug 29, 2011 /
 
Hűha... ez még nekem is elvont... nagyjából értem hogy működik, de több mint szokatlan.
(#) Abukodonozo válasza Mayan hozzászólására (») Aug 29, 2011 /
 
Szia Mayan!

A lényeg az lenne benne, hogy a BD140-es az első fokozat munkaellenállása és egyben a jobb felső BD139-es bázisellenállása. A jobb alsó BD139-es pedig a második fokozat munkaellenállása. Ez a két tranzisztor akár ellenállás is lehetne. Az első fokozatban is használhattam volna NPN tranzisztort munkaellenállásnak, de PNP esetén (ebben a formában) egyszerre szabályozhatók a kollektoráramok. A használt tranzisztor maximális kollektoráramának ismeretében a 100k-s trimmer után sorosan érdemes még egy ellenállást kötni, hogy állítgatáskor ne tudjuk rövidre zárni. Röviden ennyi.
(#) reloop válasza Abukodonozo hozzászólására (») Szept 1, 2011 / 1
 
Szia! A két áramgenerátor legyen eltérő. Az emitter követőé lehet 1A -es, főleg ha nagyobb teljesítményű végtranzisztorokra váltasz. A másiknak elég 100mA.
Az erősítős topicban feltett kérdésed alapján itt a féltápfeszt ajánlom a kimenetre.
(#) highand válasza Abukodonozo hozzászólására (») Szept 2, 2011 /
 
Ennek a kapcsolásnak ugye a fele a hatásfoka, mint az A osztálynak?
(#) Abukodonozo válasza reloop hozzászólására (») Szept 2, 2011 /
 
Szia!

A tápfeszültségem jelenleg 12 volt. Sikerült a kimeneti féltápfeszt pontosan beállítanom. Érdekes, hogy ha nem volt rendesen beállítva a kimeneti féltáp, akkor is ugyanolyan szépen szólt, csak jobban melegedtek a tranzisztorok. Én arra számítottam volna, hogy torzít. Az összáramfelvétele valamivel tobb mint egy amper. Ez egyenlően oszlik meg az első és a második fokozat kollektoráramaiban, téhat nagyjából 500-500 mA.

Kipróbálom a Te ötleteidet is!
Következő: »»   84 / 137
Bejelentkezés

Belépés

Hirdetés
XDT.hu
Az oldalon sütiket használunk a helyes működéshez. Bővebb információt az adatvédelmi szabályzatban olvashatsz. Megértettem