Fórum témák
» Több friss téma |
Sziasztok ! Segítség kellene. Van egy DSC Pc 1616-om amit a villanyszerelők leszereltek és most vissza kéne szerelnem. A riasztó felszereléssel nincs gond mert ezzel foglalkozom, viszont van egy multi-alarmos gsm átjelző és nincs hozzá bekötési rajz tudna valaki küldeni egyet vagy írni egy email címet ahonnan letölthetem?
Az email címem ***. Előre is köszönöm a segítségeteket. E-mail címet nem írunk ki ide. 1, Sok SPAM-od lesz. 2, Ami Neked segít, másnak is segíthet. Action2K
Dobj fel egy fotót, úgy könnyebb lesz.
Köszönöm a válaszokat Kovabe és Syn7h37ic.
Este kipróbálom a beállításokat. Az 5k6 ellenállásra miért van szükség a SOLO-ban? A teszteléshez azt hiszem lehúzom a szirénát. Van egyébként lehetőség "halkítani" a hangerőn?
A sziréna kimenet felügyelt kimenet. Ha nincs lezárva egy ellenállással, akkor hibát jelez a riasztó
Nem akkor kell csak az ellenállás (Bell + és Bell-) ha nincs rákötve a kültéri a központra (ha jól emlékszem 1K) ?
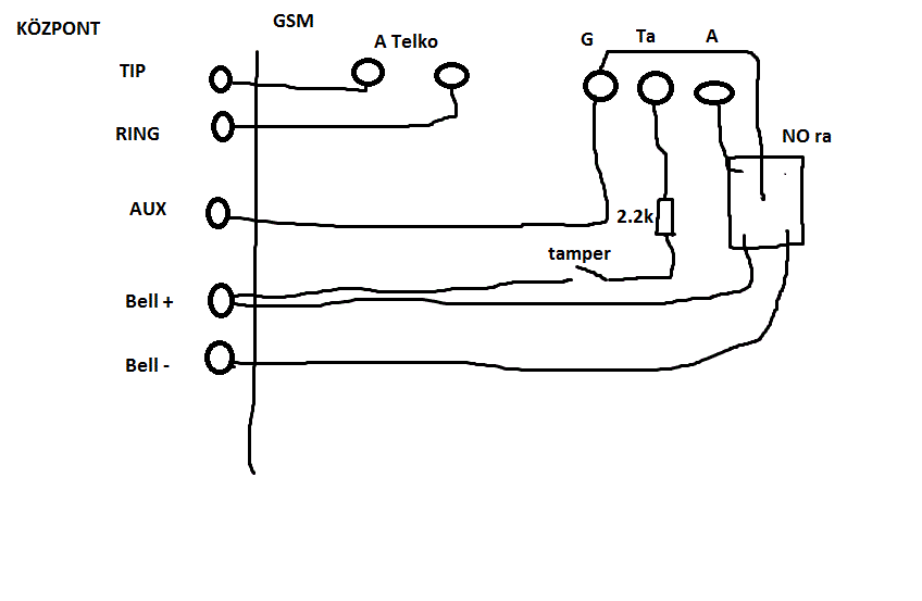
Szia itt egy rajz mi igykötjök
Sziasztok!
Több infrát szeretnék bekötni tamperrel együtt ugyanarra a zónára . A mellékelt képen látható a bekötés az lenne a kérdésem, hogy jó e így? 4,7 k lezáró ellenállást ajánl a központ leírása (nem DSC központ-ról vna szó). Másik kérdésem a tápellátás. Sorba szoktátok kötni az érzékelőket a kisebb fogyasztás miatt?Vagyis az egyik plusszát a másik mínusz ával össze kell kötni .Ekkora a képen látható párhuzamos megoldás hibás.
Természetesen a 4,7 K jelölésű ellenálláson kívül nincs más ellenállás a körben, azt a kettőt véletlenül bent hagytam. Ugye elég a 4 eres kábel?
Ez így nem jó, ha DEOL kötést akarsz.
Külön sorosítsd a zóna, és külön sorosítsd a tamper kapcsokat, és ezt kell DEOL-ba kötni, mintha egy zóna, és egy tamper lenne.
Szia
EOL-al akarom lezárni (más típusú központom van, nem DSC és a leírása EOLT ajánl). Nem találtam neten leírást, hogy hogy lehetne a tampert is bekötni ugyanabba a zónába és egyúttal több PIR is sorba. A központ leírásában találtam a mellékelt két képet. Valaki tudna segíteni hogy jó e az a kapcsolás amit az 1089689-es hszemben van? Mivel a tamper is egy nc kapcsoló gondolom sorba lehet kötni a PIR NC kapcsolójával. Ja és ahogy írtam a 1089689 hsz-emben az első két PIR-nél lévő ellenállást elfelejtettem kitörölni. Szóval az nincs benne a körben.
Szia megoldhato de nem ajánlott mert nem fogsz tudni különbséget tenni riasztás és szabotázs között én javaslom a deol-t mert egyszerübb. Ha jol gondolom ez egy paradox központ és akkor lehetséges a deol csak akkor két külön ellenálás kell viszont a javára szoljon hogy nem kell zonabövitö. Ha több segitségre lenne szükséges akkor ird meg a központod tipusát.
Micron SCORPION Z8020C.
A leírását futólag olvastam csak át de Eolt ajánl. Egyébként magyarul is fent van neten. 8 zónás a központ. 6 zóásra terveztem a védelmet zónánként 2-3 érzékelővel. Szóval ha minden zónához tamperzónát is létrehoznék akkor 12 zónás kellene hogy legyen.... Egyébként aki vagyonvédelmi rednszereket tervez meg tudná mondani hogy nem ütközik e előírásba az ha a szabotázsvédelem is az érzékelő nc körébe van betéve (tehát az, hogy nincs külön tamper zóna)?
4 vezetéken már megoldhato a 2 érzékelés és az is megoldhto hogy a szabotázst sak sorbafüzöd és akkor csak egy zonát használsz.
Értem. Tehát mondjuk az egyes zónák tamper köreit (amin már 2-3 érzékelő tamper kapcsolója sorba van fűzve) csak a dobozon belül tudnám sorba kötni mondjuk sorkapcson keresztül és akkor úgy tenném rá egy zónára az összes érzékelő szabotázsvédelmét.
Sajnos a Micron nem tud DEOL, azaz dupla ellenállásos lezárást.
Így marad a régi módszer, hogy külön zóna a szabotázs kör. Ez általában egy zóna szokott lenni, de csinálhatsz többet is, ha van szabad zóna. 6 zóna esetén lehet akár két szabotázskör is. Ekkor 6 eres kábelt kell használni. (megoldható 4 eres kábellel is, de ekkor nem tudod sorosítani a szabotázs zónát) A MABISZ szerint kell legalább egy szabotázskör a rendszeren, ha egyszeres ellenállással van a rendszer kiépítve. DEOL lezárás esetén a szabotázs különválik a riasztástól, mert négy állapotot tud a riasztó megkülönböztetni, ez esetben nem kell külön szabotázskör az eszközöknek. Példa, a lezáró ellenállások értéke 5k6 Nyugalmi állapot 5k6 Riasztás 11k Szabotázs (szakadás) végtelen Szabotázs (zárlat) 0 Ohm EOL-nál jó esetban is max. 3 állapot érhető el, a DSC ezt használja fel a 4 vezetékes füst zóna beállításánál. Nyugalmi 5k6 Tűz zárlat Hiba szakadás
És a központ tápellátását hogy kell megoldani? Úgy értem hogy egy külön körre kell kötni amin csak ez van, vagy már meglévő körre is rá lehet kötni (pl amelyik körön az előszoba van, ha az előszobába helyezem a központot.) Nyilván ekkor ügyelni kell arra, hogy a kábelt ne terheljem túl.
Erre mi a MABISZ előírás/ajánlás?
Sziasztok, DSC 1864 kozpontnal hogyan lehet az idot atallitani? Koszonom szepen
A központot csak azonnal indulo zonában lehet elhelyezni mivel különben nem fizet a biztosito.
Hát valoszinü hogy nekem ez a problémám. De már a DSC-nél is jeleztem hogy nem tudom miért tudok DLS2002-ben programozni 6010-t,5020-t és 4010-t és erre csak az volt a válasz hogy vegyem meg az ö kebelüket azzal garantáltan müködik. És én ezért voltm szkeptikus hogy miért nem tudom használni a mi kábelünket.
Megjegyzem hogy csak 1,5 éve szerelek riasztot és eközben találkozom nap mint nap riasztoval, sajna egyre töbször szgépen keresztül és ezért érdeklödöm. Volt már dolgom Texecommal a postán (ott is meg kellet venni a saját vezetéket) de ott legalább nem egy sufnituning vezetéket kaptam hanem egy profi vezeték és csatlakozo volt. Egyszonak is száz a vége, a DSC el van maradva a technikai ujjitásoktol.
Én örülök, ha PC-n lehet valamit programozni. Egyrészt, nagyobb rendszereknél gyorsabb, másrészt ha gáz van, akkor gyorsan újra visszatölthető a program. Mondjuk a DSC szoftvere pont nem a legjobb. Egyébként ha nem az ajánlott kábellel akarsz dolgozni, akkor a 1616-1832-1864 központokat a DLS4 szoftverrel programozd. Ezzel működik az a kábel is, amelyik a DLS2002 alatt nem.
Jó néhány éve dolgozom különböző riasztókkal, így már van jó néhány adatkábelem nekem is. Sajnos kéne még néhány, de ezeket azért nem szereztem még be, mert aranyárban mérik (30-tól 140 ezerig! ), és nincs róluk dokumentáció.
Köszi a tippet de már én is rájöttem a DLS IV-re csak kaotikusan van felépitve a program, elvitte a rendszert a grafika. Nem szeretem enyi az egéssz. Esetleg paradox kábel leirásod van? Egyre többel találkoznuk és mindig küzdünk vele hogy nem látjk át a dolgot illetve a programját. Pedig lehet hogy jó lenne esetleg. Meg a pyronx se lenne rossz föleg hogy jó árban van.
Idézet: „Egyszonak is száz a vége, a DSC el van maradva a technikai ujjitásoktol.” Hát ez sajnos így van. A tobbi gyartoktol meg csak úgy jonnek az ujdonsagok, vegyuk a paradox-ot, volt már a tm4, már itt a tm40, dsc-nel semmi. A dsc-nek sincs a pcs200-hoz hasonlíthato komunikatora se (sms meg hivas es akar hangtarcsazo is). Az a kimenet szerinti hívás sms-kuldes azert messze nem ugyanaz, mint amikor a pc-link-en át van osszekapcsolva a kozpont és a komunikátor. Design se epp valami szenzacios a dsc kezeloknel, ha mar az emlitett paradox-hoz hasonlitanam (pl. k32lcd vs pk5500). Viszont a dsc kozpotokkal nincs gond, mukodnek, a dsc erezekelok és az alexor is kivalo.
Az alexoral kapcsolatban csak annyit hogy hogy szerintem kiforratlan a rendszer, legalább 1 sziréna kimenetet raktak volna rá meg egy bus csatlakozást. De az üzletpolitika nem engedi mindenböl adjuk el a leg drágábbat. Mi is azért nem szereljük mert már a hangfényt nem tudunk rárakni csak a gyárit ez szerintem már egy kicsit tulzás. Nem tudom menyirre jok az érzékelök mert a fönököm mindet lebutittatja 3 impuls és 30% érzékenység (azt mondja igy legalább nincs téves riasztás) de mi már szerencsére áttértük a pyronx érzékelökre, és 1 év tapasztalattal azt merem mondani hogy jók és jó szerelni is csak ne legyen benne kötés mert az már nem fér el.
DSC topic ugyan, de ha már itt tartunk, van-e valakinek PIMA központhoz programozó adaptere (LTL-11)? Nem telepítem ezt a típust, de most belefutottam egybe, és nincs hozzá LCD kezelő, pedig csak azzal, vagy számítógéppel lehet felprogramozni. Nem venném meg 12 000+ÁFA-ért egy programozás miatt. Esetleg visszarajzolva, "lekoppintható" állapotban nincs meg valakinek?
|
Bejelentkezés
Hirdetés |














