Fórum témák

» Több friss téma
Fórum » Léptetőmotorok (vezérlése)
Lapozás: OK   79 / 166
(#) Sir-Nyeteg válasza Firefighter1 hozzászólására (») Okt 19, 2011 /
 
Ezek kb 0.5Nm. De szerintem akad 7db egyforma. Viszont ha elegendő kisebb, akkor megtúrom a szekrény alján levő dobozt holnap du, és meglátom, hogy van-e kisebb, de azonos méretből is 7db. Ok?
A többit mailban!
(#) Firefighter1 válasza Sir-Nyeteg hozzászólására (») Okt 20, 2011 /
 
Ok Nekem így teljesen tökéletes. . . és köszönöm hogy áttúrod.
Akkor várom majd a mailt...
Üdv...
(#) edward123456789 hozzászólása Okt 30, 2011 /
 
csőő emberek, tudna valaki mellékelni egy leptető motor vezerlő NYÁK rajzot vagy shémát?6 kimenetes 12 v 33ohmos motorrol van szó, ha lehetne akkor valam egyszerűt csak, hogy forogjon a motor két irányba. előre is köszönöm'!!!!
(#) gulasoft válasza edward123456789 hozzászólására (») Okt 30, 2011 /
 
Esetleg olvass vissza.
(#) edward123456789 válasza gulasoft hozzászólására (») Okt 30, 2011 /
 
vissza olvastam de konkrét nyák rajzot nem találtam,
részletes shéma leirást sem találtam. más tipp e kérdésben?
(#) andru95 hozzászólása Nov 4, 2011 /
 
hello all kezdő robotikás volnák és az volna a kérdésem ill kérésem hogy tud e valaki egy egyszerű léptetőmotor vezérlőt LPT portra. Elég egy kapcsolási rajz is a panelt megtervezem és ha tudna hozzá egy progit valaki azt megkösszönném előre is kösz
(#) tib12 hozzászólása Nov 7, 2011 /
 
Üdv mindenki. Van egy PM55L-048 tipusú léptetőmotorom. Szeretném megcsinálni a lehető legegyszerübben hogy egy gombnyomásra(folyamatos) forogjön, ha elengedem a gombot akkor ne. Azt akarom hogy mind a 2 irányba forogjon akár egy kapcsoló átkapcsolásával, akár egy másik nyomógombbal az mindegy. Esetleg lehetne egy potméterrel a sebességet szabályozni. Erröl kapcsolást és egy bekötést szeretnék.
Előre is köszi mindent.
(#) röntgen válasza tib12 hozzászólására (») Nov 7, 2011 /
 
Kontrolleres megoldáshoz hogy állsz? A hat vezetékes léptető motort viszonylag egyszerű meghajtani. Akár egy ULN28.... tranyós cuccal kapcsolgatható, ahogy az adatlapját nézegetem.
(#) tib12 válasza röntgen hozzászólására (») Nov 7, 2011 /
 
PIC és AVR nélkül ha lehet, mert nincs programozóm és a programot se tudnám megírni. Az ULN28... -al mit tudnék csinálni vele? Amiket leírtam menne? És az egész kb hány voltrol tud üzemelni? 12 elég neki?
(#) röntgen válasza tib12 hozzászólására (») Nov 7, 2011 /
 
A Proteus ISIS-ét ismered, vagy esetleg használod-e?
(#) tib12 válasza röntgen hozzászólására (») Nov 7, 2011 /
 
Hallottam róla, megvan bár még nem próbáltam. Miért is?
(#) röntgen válasza tib12 hozzászólására (») Nov 7, 2011 /
 
Abban van egy számodra megfelelő sample project. Két nyomógombbal léptetőmotor vezérlés.
(#) tib12 válasza röntgen hozzászólására (») Nov 7, 2011 /
 
Nem lesz jó, nem indul el. Ha Neked megvan, át tudnád nekem rajzolni?
(#) röntgen válasza tib12 hozzászólására (») Nov 7, 2011 /
 
Egy screenshot megfelel?
(#) guliver83 válasza tib12 hozzászólására (») Nov 7, 2011 / 1
 
Itt egy vár kapcsolás ezzel meg lehet oldani.
(#) röntgen válasza tib12 hozzászólására (») Nov 7, 2011 /
 
Egy lehetséges............, ha a képet betudnám csatolni.
(#) tib12 válasza röntgen hozzászólására (») Nov 7, 2011 /
 
Azt hiszem a másodikat fogom építeni, mert az elsőnél és a harmadiknál nem tudom hogy kössem a motorra, mondjuk az nem lehet tul bonyolult. Köszönöm a rajzokat.
(#) kaqkk válasza tib12 hozzászólására (») Nov 7, 2011 /
 
az első (a 4013and irf510...) ráadásul hibás is egyedül a d2 van jól bekötve (az összes diódának a 12v on van a helye !)
(#) guliver83 válasza kaqkk hozzászólására (») Nov 7, 2011 /
 
Köszi, hogy átnézted, nem is figyeltem, csak régebben tudom, hogy valamelyiket megépítettem.

Én csináltam olyat is, hogy 555IC, 4013IC, 4db TIP120 NPN tranzisztor.
(#) tib12 válasza kaqkk hozzászólására (») Nov 7, 2011 /
 
Uhh. Köszönöm hogy szoltál. Bár nem azt építem másnak jol jöhet az infó.
(#) kaqkk válasza tib12 hozzászólására (») Nov 7, 2011 /
 
Viszont ha javítjuk a diódák bekötését , egészen univerzális lehet a cuccos mert a fet-ek gyorsak és nagy áramot tudnak kapcsolni .
(#) tib12 válasza kaqkk hozzászólására (») Nov 7, 2011 /
 
Igaz. Bár nekem most nincs időm rajzot javítgatni.
(#) tib12 válasza tib12 hozzászólására (») Nov 7, 2011 /
 
Ha így gondoltad akkor ittvan. Gyorsan módosítottam painttel.
(#) kaqkk válasza tib12 hozzászólására (») Nov 7, 2011 /
 
Így tökéletes
(#) edward123456789 válasza guliver83 hozzászólására (») Nov 11, 2011 /
 
Hello , a második rajznál be kell programozni az ic-k valamelyikét?
(#) edward123456789 válasza guliver83 hozzászólására (») Nov 11, 2011 /
 
Még egy pár kérdés ! Van egy unipoláris léptetőmotorom és van 6 kivezetése ,és nincs 2 piros vezeték rajta, ezzel ellentétben a shémán pedig 2 piros vezetéket ir?!
(#) Istuuu hozzászólása Nov 16, 2011 /
 
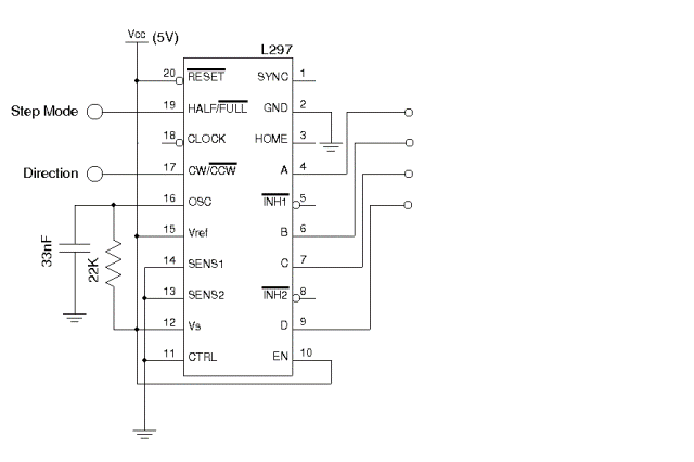
Sziasztok! Az elmúlt héten kitermeltem pár darab léptetőmotort, köztük két darab 17pm-h005-p2v-t.Orosz oldalakon láttam, hogy ezekből csinálnak kissebb cnc-ket. Mivel a vezérlőpaneljükön fellelhető volt sla7024-es gondoltam ezzel fogom hajtani őket.A vezérlést pedig L297-tel. Csatolok két különálló kapcsolást kérdésem összehozható-e a kettő? Fontos lenne a féllépéses üzemmód.Tudom, hogy a vezérlő Ic képes rá, csak az homályos, hogy hogyan lehet váltani fél és az egész lépés között? Válaszokat előre is köszönöm.
(#) Istuuu válasza Istuuu hozzászólására (») Nov 17, 2011 /
 
Ha valakinek lenne pár perce és ért hozzá legyen szives ránézni a kapcsolásokra. Köszönöm
(#) Medve válasza Istuuu hozzászólására (») Nov 17, 2011 /
 
Hello, Összehozható, a "step mode" bemenet váltja a két üzemmódot
(#) Istuuu válasza Medve hozzászólására (») Nov 17, 2011 /
 
Szia! Ha a 19-es lábat a földre húzom akkor lesz féllépéses üzemmódban? A step jelet meg a 18 asra?
Következő: »»   79 / 166
Bejelentkezés

Belépés

Hirdetés
XDT.hu
Az oldalon sütiket használunk a helyes működéshez. Bővebb információt az adatvédelmi szabályzatban olvashatsz. Megértettem