Fórum témák
» Több friss téma |
Helo!
Total comm. F3 vagy valamilyen egyéb file nézővel.
üdv: pic16f628A -hoz kellene segítség km/h ügyben (hex kapcs rajz) 7 szegmenses vagy 2x16 lcd1602A stb
a segítségeket elöre is köszönöm !. Ha nincs nagybetűs mondatkezdés, akkor tranyóka van helyette. szamóca
Helló, Mindenkinek.
Egy olyan műszerfalat szeretnék csinálni ami led csúszkákkal mutatja az autó adatait. Olajnyomás, fordulatszám vízhőfok, üzemanyag szint km, stb. Tanácsot szeretnék kérni mi lenne erre a leg egyszerübb és leg kézenfekvőbb megoldás. Én gondoltam a vízhőfokot pl uaa 180 assal. Sőt szinte mindent ki lehetne hozni ilyen ic-kkel. Nem ragaszkodom, a pichez. Kb egy egy műszert 12 ledből kellene megvalósítani. Van egy valódi műszerfalam, tartalékba, és ennek a házába szeretném beépíteni. Minden megoldást előre is köszönök.
Hello!
Hát ha megfelelő a 12 led, akkor már meg is találtad a megoldást. üdv! proli007
Igen, úgy gondolom az kellő képpen részletes. A kilóméterórával lesznek gondjaim azt hiszem.
Tachográf jeladót sikerült szereznem, namármost, az négyszügjelet produkál, mégpedig 2 félét, tudomásom szerint egyik tökürképe a másiknak.Namármost ezt kellene megoldani, valahogy úgy hogy legyen napi számláló össz és egy led csík mutasson amit már 24 ledből kellene összehozni és egy 3 karakteres közös anódos lededes megejentés. Ez lenne e a km, Minden segítséget szívesen fogadok,Megálmodtam és persze amire én rájövök vagy csinálok, azt én is megosztom, már ha van valaki aki olyanba vágja a fejszéjét mint én. Kollegáim szerint barom vagyok. De nekem nagyon tetszene ha sikerülne. Kitt.Köszönettel.
Igaz nem "home made", de egy elfeledett Opel tipusban mar letezett. Ez pedig az Opel Senator, ami az Omega luxuskivitele volt, melyben digitalis kijelzesu muszerfalat alkalmaztak Senator muszefal. Szerintem a 24 LED-bol kialakitva keves. Ha csak a fordulatszamot nezem es max 6000 kijelzese 250-es lepesenkent, akkor elegendo(?).
Sebessegtartomanynal mire gondoltal, milyen felbontasra? Ha belegondolsz es "csak" 150-ig skalazol, akkor 30 pixel 5km-es felbontast ad, ami bizonyos sebessegeknel elegge elnagyolt.
Hello!
Hát a km órán már én is csodálkoztam. Azért ott kicsit más a követelmény. Az analóg műszerek mint pld. jelen oszlopkijelző is az, tulajdonképpen feszültség (vagy valamilyen fizikai mennyiség) pillanatnyi értékét mutatják. A km óra, viszont nem más, mint a megtett út (vagy impulzus) összegzése. Tehát, ha azt egy analóg kijelzőn akarjuk megjeleníteni, akkor el kell végezni a konverziót. Avagy összegezni kell az impulzus számot, majd az így kapott digitális számot digitál-analóg számlálóval lehet analóg értékre konvertálni. De értelme nem sok van. Legfőképpen elveszítjük a pontosságot, így a kijelzés értelme erősen megkérdőjelezhetővé válik. Itt már nem érdemes analóg kijelzőt használni, még akkor sem, ha ebben a formában szeretnénk megjeleníteni. Egy egyszerű (pld. CD4017) számlálóval is megoldható a probléma. Így 10 Led-es kijelzést kapunk. (de ez bővíthető is) A sebesség kijelzése, ugye egy időegység alatt megtett úttal arányos. Itt már impulzus sűrűséget (avagy frekvenciát kell mérni). Analóg konverzió is megoldható teljesen analóg módon a fordulatszám mérésnél ismertekkel. Tehát monostabil áramkörrel lehet állandó szélességű és amiltudójú impulzust előállítani. Ennek időbeli integrálja (görbe alatti területe) már az impulzusok időbeni sűrűségével lesz egyenlő. Gond, hogy az integrátornak igen lassúnak kell lenni, lévén, hogy a bejövő útjelek (impulzusok) igen lassan érkeznek. De itt már érdemesebb mikroprocesszorban gondolkodni. De a kollégáknak azért igazuk van elég értelmetlennek tűnik a dolog. Mert vagy a pontosság lesz katasztrofális, vagy a leolvashatósághoz kell valami "UFO-s" gondolkodás.. Persze ezeket csak megfontolandó gondolatként írtam le, mert különösebben nem foglalkozom gépjárművel.. üdv! proli007
Értem, Autóelektronikus vagyok.
Nos akkor nekiállok az egyes részegységeknek. Köszi. Kezdem egy egyszerű Volt mérővel. ami 8-16V között mér.
Igazatok van, abban hogy kevés a 12 led kijelzés de nem is gondoltam, hogy a km órát és a fordszámot 12 leddel akarom megjeleníteni. Az elképzelés az lenne, hogy 12 leddel jelenítem meg az
-olajnyomást -vízhőfok -üzemanyag -töltés A fordulatszámot leddel csinálnám de több uaa 180 összekapcsolásával. A kilóméter órát pedig vagy led kijelzővel, valami közös anódú karakteressel, vagy pedig valami kezdetleges olcsó de jó lcd-vel. Nos azt hiszem most mindenki előtt tisztáztam a szándékom. ![]() És köszönöm, a hozzászóllásokat.
Én ismerem a cikk szerzőjét megvan a telefonszáma ha esetleg valakinek esetleg szüksége lenne segítségre.
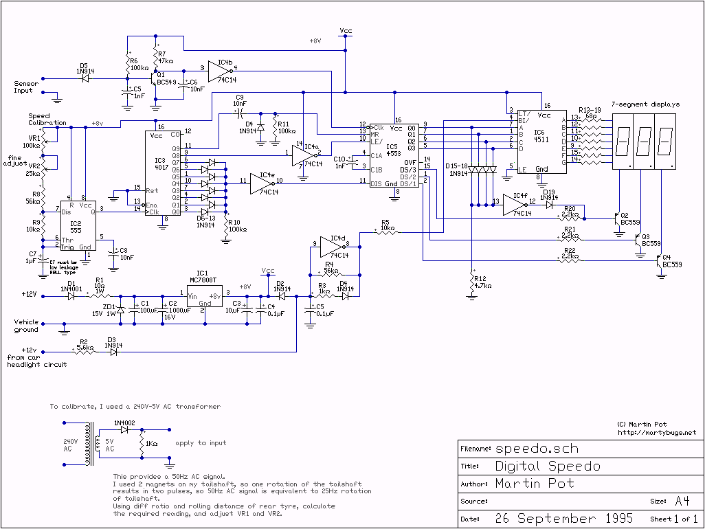
Erről a 2 rajzrol kellene nekem némi infó ha van. Építette e már valaki? Valami müködési elv. Gondoltam, hogy meg kellene éípteni, csak nem nagyon tudom, hogy hogyan kezdjek, hozzá.
Pár hónapja ugyanezt kérdeztem én is,de nem igazán érkezett rá válasz.Hátha neked fog.Ha nem,akkor majd én válaszolok rá,miután megépítem.
)))
Akkor próbáljunk összefogva megoldást találni.
Mit tudsz te? és elmondom mit tudok én, majd utána járunk az alkatrészek nem olyan drágák, a picbe a programmal lehet egy kis gond. De lehet az is meg van valahol.
Hello!
Ha egyet visszalapozol,akkor ott a forrásfile.
Hát bocs de nem nagyon találom.
Hello!
Ne haragudj,de ez egy rövid topic (eddig),ha érdekel ez a téma,akkor vedd légyszíves a fáradtságot és nézd végig. Második oldalon az 549116-os hsz.-em tartalmaz egy .src kiterjesztésű file-t is.Egy egyszerű szövegszerkesztővel bele tudsz nézni.(amúgy már ezt is kérdezték,válaszoltam is rá.) (Megjegyzés: az src a forrás rövidítése )
Sziasztok!
Nekem sok évvel ezelőtt volt egy digitális km/ó az autómban, mely egy eredetileg 4 számjegyes ledes kijelzőt használó mikrokontrolleres frekimérő volt, de a mérőprogram minimális módosításával alkalmas lett km/ó jelzésre is. A kijelzőket multiplexben hajtotta meg. Régóta szeretném felbővíteni, 6 db. a megtett km-eket mutató számlálóval is, mely összesen már 9 db! 7 szegmenses kijelző volna. Kérdésem, hogy szerintetek meg lehet e hajtani még 9 db-ot is egyetlen áramkörrel úgy, hogy ne vibráljanak/villódzanak a kijelzők, és a fényerő is ugyanannyi maradjon? 3x annyi led kijelzőhöz 3x annyi mA-es áram is kell? Az eredeti meghajtó IC-m egy CA3161-es IC, de úgy sejtem már ez sem lesz alkalmas arra, hogy akkora dinamikus áramot áteresszen, ami 9 kijelzőnek is elég. Mi a véleményetek?
Nem ismer valaki pis es lcd-s áramkört?
Mert nekem lényeg lenne a megtett km számolása is. De sajnos sehol sem találok....
Sziasztok!
Km óra szimulációt szeretnék készíteni az eredeti menetidő érzékelő helyett kéne valami kütyü amelytől úgy tűnik mintha menne az autó!Eredeti jeladó 12v és 0v betáppal ellátott forgó jeladó forgás közben a 12v és a jel között mérve 5-12 v között változik az mért érték(gondolom a jel 0 v) Saccolásaim szerint kb 500Hz tud feldolgozni a műszer!Tudnátok valami kapcsolásirajzal segíteni (jó lenne ha egy potival tudnám állítani mennyit mutasson az óra!Előre is köszönöm!Remélem segítetek! Mégegyszer köszi Üdv!
Részleteznéd, ez mire lenne jó? Én valami sumákságra gondolok, az meg nem igazán fér össze az oldal filozófiájával...
csak a magam szórakoztatására szeretném csinálni és kicsit szeretnék beletanulni az elektronikába is!!
De jó.
Most készültem el a komplett digitális óracsoporttal. A bevezetékezés van vissza a jeladóktól és a beépítés. - Fordulatszám - Sebesség mérés (spirálról) - benzinszint - vízhőfok. - Össz km / napi km - átlag fogyasztás
Szerintem a 74hc595el jobban jársz.
8db ledet tud meghajtani. Be kell sorozni 1-0 val hogy melyik led világítson és kijeleztetni. Aztán újra besoroz és kijelez stb stb. Folyamatosan világít, nem villog. Én 104db ledet hajtok meg 13db ilyen IC-vel.
Most olvasom csak a halovány betűket!Hát köszi szépen!Úgy gondolom,hogy aki élből rosszat ,vagy nem is tudom mit gondol/feltételez a másikról az egy nagyon rosszindulatú ember vagy esetleg ő nem jár egyenes úton!!!Nem gondolod???Az előítélet az egy nagyon csúnya dolog ezért tart itt a világ ahol tart mert ilyen emberekkel van tele!!
Szerintem félre érted. nem a számlálót akarja pörgetni, hanem az km óra mutatóját. Azon kívül ez nem is hátra hanem előre pörgetné az meg szerintem senkinek sem az érdeke.
Pl: Ha mész 130al és videózod, hogy mennyivel mész, akkor fel tekered 220ra és azt mondják hú de megtuningoltad a kocsit. Laikusok rendre beugranak az ilyen videóknak amik a jutubon is fent vannak. gery86, bocsi, ha én is rosszat feltételezek.
ilyesmi sem szerepel szándékaim között!Miért hihetetlen, hogy egy ártatlan szimulációt akarok készíteni????!
Köszönöm szépen ,hogy senki nem segít érdemben!
A segédprogramok közt van 555 astabil értékszámító
Az 555 öt egy 7808 ról tápláld és örülj a szimulációnak .
Sziasztok! Arra gondoltam, hogy jól mutatna egy digitális kilóméteróra, idő, fogyasztás stb. kijelzés régebbi autókba. Bármi megoldás érdekelne, hogyan valósítható meg?
Sziasztok!
Nemrég találtam neten egy érdekes kapcsolást, sebesség és napi ill. össz megtett út mérésére,kijelzésére alkalmas. Bővebben: http://code.google.com/p/speedo/wiki/Main Még nem épitettem meg,de itt legalább egyben van "szinte" minden. |
Bejelentkezés
Hirdetés |




és persze amire én rájövök vagy csinálok, azt én is megosztom, már ha van valaki aki olyanba vágja a fejszéjét mint én. Kollegáim szerint barom vagyok. De nekem nagyon tetszene ha sikerülne. Kitt.

)





