Fórum témák
» Több friss téma |
Sziasztok!
Arra gondoltam hogy autóba építenék egy digitális km órát, 1" magas 7 szegmenses kijelzőkből! Ehhez kérnék némi segítséget illetve ötleteket a kivitelezéshez! Előre is köszi a segítséget!
a www.zsiguli.hu oldalon találsz egy leírást, amiben ugyan nincs semmi kapcsolási rajz, de kiindulási alapnak nem rossz.
Nem gyenge ez a digitális műszerfal cucc! Nekem elég volna egy sima km óra is! Amit írt megoldást ahogyan a jelet kapja az nem volna hülyeség (mintha egy számítógép egeret látnál) Ezt mechanikailag meg is tudom valósítani! De hogyan tovább??
Üdv Emberek.
A témához kapcsolódik a kép, ezt két éve készítettem az autómba: http://www.kep.tar.hu/ampervadasz2001/50251866/20743846#2 A sebesség és a megtett úthoz a jelet a bal első kerékről veszem egy jeladó segítségével. Ha érdekel titeket Írhatok pár szót rólla. Üdv
Szevasztok! Én egy kerékpár-kilométerórát tettem az autómba...sajna csak 99-ig mutatott...
ezeknek a megoldásoknak a hatalmas hátránya, hogy be kell konfigurálni az aktuális kerékmérethez! ugyanis nem mindegy, hogy mekkora átmérőjű kerekeken gurul az autód... ha nem jól lövöd be, akkor mérési pontatlanságot eredményez a dolog, és ott vagy, ahol a part szakad.
amúgy meg lennél kedve erről az érdekes dologról egy működés közbeni felvételt is felrakni, ahol a még meglévő analóg órád is látszik?
még van pár dolog ami nem derült ki...
pl. milyen autóról van egyáltalán szó? gyárilag hogyan méri a sebességet? (ugyanis pl. fiat punto 2 nem spirálos, hanem elektromos) ha már gyárilag digitális a műszerfalad, csak mutatók vannak rajta, akkor "csak" be kell mérni, hogy milyen jeleket kap ![]() ha meg a hagymoányos spirálos megoldást képviseli (a jelenleg piacon lévő autók talán 70%-a), akkor kell trükközni amúgy megoldás lehet még a már gyárilag digitális műszerfallal rendelkező autóból kibontani egy komplett egységet, és azt megbontva beleberhelni a kívánt helyre. (pl. fiat tipo digital műszeregységét)
Szóval kevdes bbb a következő a helyzet:
Én még nem láttam olyan műszert/mérőberendezést amit nem kellett kalibrálni a pontos használathoz. Pláne egy olyan műszer esetében amit egyedileg készít el az ember. Az meg hogy a keréknek esetleg változik a kerülete, minden autó km-órájában hibaként jelentkezik. Ha egy hagyományos autónak a sebváltóból kijövő jelét használod fel, akkor tény hogy nem változik a km-órádon mutatott érték, mert a sebváltónak az áttételei nem változnak meg, de a kocsid sebessége ugyanúgy változik ha a kerékátmérő változik. Az én általam használt jel esetében viszont legalább észreveszed, és be tudod állítani a megfelelő átmérőt. Én ezt egyáltalán nem látom nagy problémának, mert 1 évben az ember általában csak 2x cserél kereket. és azoknak ismeri a paramétereit, szal ez nem gond, mert egy pár gombnyomással be lehet állítani a szükséges kerületet az adott gumihoz! Képet nem tudok felrakni a régi órámról, mert az nem működik, pont azért csináltam az új órát. Elősször én is a sebváltó jelét akartam felhasználni, de mivel már maga a bovden meghajtása is rossz volt ezt el kellett vetni.
Szevasztok! Én is szeretnék építeni egy digitális km órát motorra. Valakinek van kapcsolási rajza????
Hello, ezt a rajzot most találtam, lehet belőle táplálkozni...Ez a kapcsolás eredetileg egy LED-et gyújt fel, ha a motor fordulatszámtartománya egy tartományon belül van. (nyomatékcsúcs). Az első két fokozat egy f->U konverter, amit fel lehet használni a sebességimpulzusok feszültséggé alakítására. A digi műszert az R11-C4 pontra köthetjük.
Szia Gagyi! Én szeretnék motoromra csinálni eggy digit km órát ami tudja számolni a megtett utat meg esetleg az időt mutatja eggy lcd-n, meg a sebességet vagy mutatóval vagy ledkijelzővel. Tudnál nekem ebben segíteni? Pikhez nem nagyon értek főként ebbe kellene a segítség. Előre is köszi a választ!
Helló
Nekem tönkrement a sebességmérőm a motoromba és szeretnék csinálni egy digitálisat. Valaki nem tud egy olyan oldalt, ahol nokia kijelzővel van megcsinálva egy ilyen műszer. És az is jó lenne, ha a megtett utat is kijelezné. Vagy ha valaki tufna egy ilyen programot PIC-re az is jó lenne. Bármilyen segítséget várok. Üdv.: Ricsi.
Szia Gagyi! Tudnál nekem segíten km ora építésben? Egy ledkijelzős orára gondoltam meg egy lcds km számláló. nem nagyon értek a pic programozáshoz ezért kérném a segítségedet. Előre is köszi a választ! egyébként egy mociba menne a cucc.
Sziasztok!
Valakinek nincs olyan kapcsolása ami olyan jelet állit elő mintha menne a kocsi? Egy próbapadra kellene Vizuális szemléletre egy km órához és egy potival szeretném ha lehetne a sebességet állitani. Köszi előre is!
Szia!
Pár száz Hz-es astabil multivibrátor. 4093-al; 555-el stb. A kimenetét 1 tranyóval illesztheted +tápra vagy testre tipusfüggően, az eredeti jelnek megfelelően.
Sziasztok! Én is szeretnék egy ilyen digitális órát csak én azt szeretném ha MPH ban mutatná az értékeket! Az se baj ha csak 99 ig mér! 7 szegmenses kijelzőkön mutatná az értéket! Valaki nem tud valami jó kapcsolási rajzot? Előre is köszi a segítséget!
Ugyan az a kapcsolás, csak a kalibrálási értékeket kell átszámolni, és ehez beállítani a készüléket.
Szerk.Most látom ez másik topik Néz át ide.
Jah és még az érzékelés is problémás, mivel ez eredeti km órát is szeretném meghagyni így a spirálos szétberhelős téma nem hiszem hogy szalonképes ötlet volna! Viszont akkor hogyan tudom megoldani hogy ez a műszer plusszba kiírja a mph át is?
Egyébként egy öreg volkswagen Sciroccoba lenne!
Anno én csináltam egy adapter amit az órához csatlakozttam és az tartalmazta az optikai jeladót is.
Valahol még megvan talán.
Ha esetleg előkerülne engem is érdekelne az adapter vagy legalább néhány ötlet az elkészítéshez. Én egy Swiftbe szeretnék a meglévő mellé digitálist.
Nekem is lehet, hogy fetreng még valahol egy-két darab mechanikus jeladó. Ha a kezembe akad rakok fel pár képet róluk ötletadónak - bár nem én készítettem őket. Addig is pár ötlet konkrétabban a mi autónkhoz, valamint általánosságban. :hide:
Szia nem tudom aktuális e még, de találtam valamit neked: link
Sziasztok!
Abban kérném a segítségeteket, hogy van egy autóm, amiben gyárilag mutatós műszerfal van. Létezik digitális műszerfal is, amit a 6 hengeres motorral szerelt modellekbe szereltek. Vettem egy ilyet, be is raktam szépen a helyére, csatikat összedugtam. A problémám az, hogy a km és az olajnyomás kijelzője működik egyedül helyesen, az üzemanyagé összevissza, a többi sehogyan sem. Pedig van fordulatszámmérő, töltés, külső levegő és vízhőmérséklet mérő is, ezen kívül egy kis egység, ami a fordulatszám és üzemanyagszint függvényében kalkulál egy csomó mindent. A hiba valószínűleg abból adódik, hogy a 4 és a 6 hengeresek kompjútere nem egyforma jeleket ad ki, ezért a digitális műszerfal nem "ért" mindent. Arra gondoltam, hogy vagy a mostani érkező jeleket (4 hengeres) kellene az új egység számára "érthetővé tenni", vagy a kompjúteren kívüli, külső érzékelők beépítésével közvetlenül jelet küldeni a műszerfalnak (gondolok itt a töltésjelzőre, ford. szám mérőre, víz hőmérőre). Ehhez persze bele kellene nyúlni a műszerfalba is. Sajnos nem vagyok elektronikai szaki, ezért kérném szépen, hogyha valaki érez magában elég tudást és elszántságot ahhoz, hogy nekimenjen a dolognak, az jelentkezzen. Persze nem ingyen. Ötleteknek is örülnék, hogy hogyan lehetne ezt összehozni, hogy működjön, vagy hogy kik foglalkoznak ilyesmivel. Az autó egy '90-es Chevy. Köszönöm szépen.
Köszönöm szépen, megpróbálom megkérdezni a fórumon, mert nem találtam elérhetőséget a sráchoz.
Esetleg, ha itt tudja valaki, kérem, ne tartsa magában.
én is hasonló cuccot szerettem volna összehozni, talán érdemes megnézned ezt a fórumot http://www.hobbielektronika.hu/forum/topic_6389.html
Sziasztok!
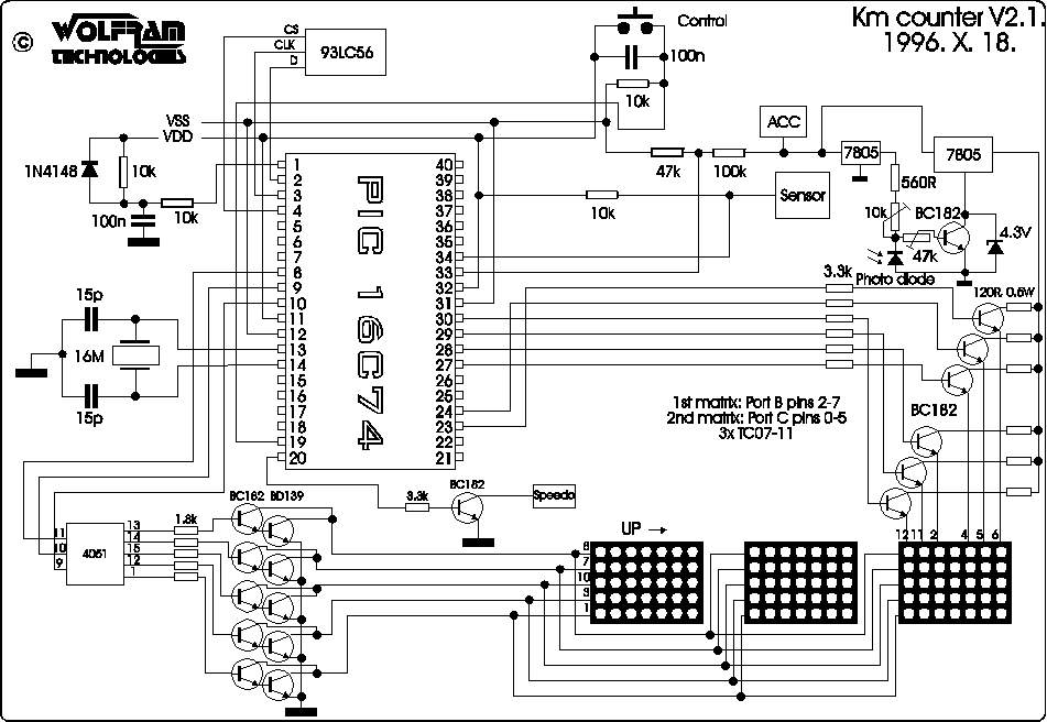
Régebben találtam egy nagyon szuper km-számláló kapcsolást PIC-el.Ha esetleg megépítette már valaki,legyen szíves mondja el a véleményét róla! thx.
Szia. Ezt a speedo.src file-t mivel tudom megnyitni?
|
Bejelentkezés
Hirdetés |












