Fórum témák
» Több friss téma |
Megj.: Jelen esetben 40V-os amplitúdójú szinusz van a kondihíd középpontján. Gondolom a táp akkor korlátoz, amikor ez a szinusz feszültség beüti a fejét a diódák miatt a + tápba, ill. a nullába ér a lába.
A méretezés szerintem nagyjából jó lesz. A Félhíd kb 400W-nál erősen be fog korlátozni.
Végfok teljesítményfelvétele szakaszos, az átlagos teljesítményvelvétel kicsi. Szóval, ha úgy tervezted hogy 120W-nál ne melegedjen túlzottan, akkor egy 120W átlagos teljesítményfelvétel és 400W szakaszos az jó lesz végfoknak.
Igen, arra gondoltam. Azt hittem egyértelműen leírtam. Szóval mire jó ez ?
Sziasztok!
A problémám: van egy DVD tápegységem,kapcsolóüzemű,VIPer22a IC-vel, optoval,szekunderen TL431, az 5 V-os feszre szabályoz. A trafóról lejönnek még +12 és -12 V-ok.A tekercsek vége közös.Ezt akarom én alkalmazni 12 db superflux LED táplálására.Át kellene alakítanom áramgenerátoros üzemre a tápot.Hogy lehetne ezt kivitelezni?(12*100mA kellene.A LED-ek 3,2 V-tól 3,6-ig nyitnak.Az 5V-os ágat lehet 3 A-el terhelni.) István
Én valami ilyesmire gondoltam, az ellenállás értékekkel lehet játszani kell egy kicsit. Az 5Vos tekercsre van kötve így. DE ha a -12 és a +12Vos ág között van 100ma terhelhetőség, és megfelelő feszültség akkor az összes ledet sorba lehetne kötni akár.
Bevetettem újra a szimulátorom.. csak nem tudok neki békénhagyni
A tranzisztoros gate-lehúzós megoldással, 75uH szórási induktivitással, 2x33nF félhíd kondikkal, 100ns/60ns vezérlés fel/lefutással (az IR21531 kb ennyit tud), 2A terheléssel (~125W) a FET-ek átlag kapcsolási vesztesége úgy 1,5W körülire adódik FET-enként (a veszteségi egymásranyitási impulzus időtartama kb. 150ns, csúcsértéke 80W). Kíváncsi leszek, élőben ez hogyan fog kijönni.. eleve más lesz a FET is, meg még 1000 dolog bele fog szólni, ami a sziulációban nincs benne. Valószínű, hogy mindkét FET útjába teszek egy kis áramváltó tekrencet, kérdés, ezeket a pár100nS-os impulzusokat mennyire fogja kiintegrálni. Mindenesetre ezt a 1,5W/FET kapcsolási veszteséget reálisnak tartom. Hűtőlemez nélkül ennyi már bizonyosan megmelengeti őket.
Hggy nyitnak egymásra a fetek ha van egy szép nagy adag (600ns) holtidő?
Ha csak nem túl nagy a FETek gate töltése, akkor biztos nem nyitnak egymásra.
Rosszul fogalmaztam.. ez a nagy dU/dt-ből adódó veszteség, a Miller kapacitások miatt, amit a múltkor Katt-tal kiveséztünk. Hogy amikor pl. a felső FET kikapcsol, lassan csökken a feszültség a FET félhíd kimenetén, aztán a holtidő elteltével hirtelen lerántja azt az alsó FET 0-ra, ami a Miller-effektus miatt valamicskét ismét feltölti picit a G-S kapacitást, és egy nagyon kicsit újra kinyit a felső FET, persze az előtte lévő PNP tranyó arra hivatott, hogy ezt a G-S feszültséget közel nullán tartsa. Ugyebár azt is megbeszéltük, hogy a ZVS ezt hivatott kiküszöbölni. De ez most egyelőre ZCS táp lesz, mivel most nincs olyan magom, amivel megfelelő légrést tudnék egyelőre beállítani.
Idézet: „Igen, pont erre a kis tüskére voltam kiváncsi. Valójában az történik, hogy amikor az alsó FET kikapcsol, akkor vagy a felső FET, vagy ha elég induktív a terhelés, akkor a felső FET-ben levő dióda fog kinyitni és ezzel nagyon gyorsan felrántja az alsó tranyó drain-t a pozitív tápfeszre. Ez esetleg 20...30 ns alatt megtörténik, tehát, iszonyú nagy du/dt van jelen. Ez a feszültségmeredekség viszont szép nagy áramot indít el a Miller kapacitáson keresztül a gate-be, tehát annak a feszültsége nőni fog. Szerencsétlen esetben ennél sokkal nagyobb feszültség is létrejön, arra totál kinyit a FET, aztán még nagyobb lesz a disszipáció. Ez ellen csak úgy lehet védekezni, hogy a gate-et erőszakosan hozzá kell zárni a source-hoz, vagy méginkább negatív feszt kapcsolni ebben az időben a gate-re. A feszültségmeredekségen nem nagyon lehet változtatni, mert ha az alsó FET gate ellenállását növeljük, akkor az igaz, hogy kisebb lesz a du/dt, de méginkább nő az az ellenállás, amin keresztül a source-hoz záródik a gate, tehát, még érzékenyebb lesz. A dióda a gate ellenállással párhuzamosan jó megoldás, de ennél sokkal jobb, ha egy tranyó közvetlenül zárja a gate-et a source-hoz.Persze, ez nem megy az IR meghajtó ic-kel. Ugye, ilyenkor lesz a legnagyobb du/dt, de a tranyó sokkal védettebb lesz. A másik, hogy a nagy du/dt ellen lehet védekezni RCD, vagy csak RC snubberrel, ( vagy eleve ZVS elrendezéssel ) mert sajnos, a nagy du/dt-nek igen komoly hatásai lehetnek a vezérlőáramkörökre is. Többnyire ez az oka annak, amikor egy kapcsitáp, vagy D-class erősítő teljesen össze-vissza kapcsolgat, aztán füstgép lesz belőle. És ez a hatás gyakorlatilag az összes kapcsolóüzemű izénél megvan...”
Köszönöm a rajzot.Közben én is keresgéltem a neten,és találtam egy alkalmazást,direkt LED áramgenerátornak.Ebben van még egy műv.erősítő,ami egyrészt a sönt ellenálláson eső feszt erősíti,másrészt egy védelmet ad a terhelés nélküli üzemnél.Most ezt próbálom átültetni az itthon megtalálható alkatrész bázisra.A másik,amire gondoltam,hogy átépítem ezt a tápot,egy kisebb panelra,a trafót meg megbontom,és áttekerem jó 40 V-ra,ugyanis a sorba kötött LED-ek ennyit igényelnek.Ezt egy áramgenerátorral megfejelve tudom tartani a 100mA-es áramot.
A fejleményekről beszámolok. István
Légrés nélkül is elérhetsz ZVS-t. A ZVS feltétele, hogy a holtidő alatt a meddő áram áttöltse a félhíd kapacitását.
AZ IR21531-nek 600ns holtideje van, ami elég nagy. A magod mágnesező induktivitás kb 3,3mH. Ez kb 310pF-nyi kapacitást tud áttölteni a 600ns alatt. Egy modernebb FETnél (mondjuk STP19NM50N) már ez is elég... Ha már egy papirdarabnyi légrést raksz bele akkor az a 3,3mH leesik gyorsan 2mH-re. Az már 600ns alatt 0,5nF-ot tud áttölteni, ami modnjuk egy régebbi FET párosra (pl IRF740) is elég.
Zupp87!
Amit lorylaci említ meddőáramot, az a trafó mágnesezőárama. Ha teszel légrést a trafóba, akkor ez az áram szép háromszög alakú lesz és a kapcsolási pontoknál maximuma lesz. Ez az áram fogja áttölteni a ZVS kondikat, amikre elég lehet a FET-ek drain-source kapacitása. Ha nem tudsz, vagy nem akarsz légrést tenni a trafóba, akkor ki lehet számolni egy külön fojtót is hozzá, ezt párhuzamosan teszed a főtrafóval és már megy is. ( de lehet ellenállás is, csak hát az fogyasztani fog... ) Nem jönnek ki nagy méretek, aztán egy végleges trafóban ez az induktivitás benne lehet. Ha azt a tranzisztoros lehúzó áramkört használod a gate-source közé, akkor nagyon rövid huzalozást csinálj, mert könnyen át lehet ütni egy gate-et, hiszen ez a tranyó, a gate kapacitás, meg a körben levő induktivitások egy rezgőkört fognak alkotni. Ellenállás alig van a körben, nincs ami csillapítsa, így szép nagy túlfeszek jönnek létre. Ezt a tranyót közvetlenül a gate-source elektródákra forraszd, a lehető legrövidebb lábakkal. Még így is lesz némi tüske, úgyhogy nem árt rátenni egy 15 V körüli zenert, természetesen azt is a lehető legrövidebb lábbal bekötve. Én nem javasolnék a tranyókkal sorban áramváltót. még kicsit sem, nagyon megnövelheti a tranyókon a túlfeszültséget. Végül is így megnöveled a szerelési induktivitást, ami nagyon sok problémát okozhat. Még erősebb ZVS-nél sem az igazi. A félhidat úgy kell összerakni, hogy a a lehető legrövidebb legyen a huzalozás, vagyis a lehető legkisebb méretű legyen az egész.
A bontott PC-táp kacataim között találtam két működőképes 2SK2746-ot, amibe be van építve a G-S közé a két szembekapcsolt zener, viszont annak G-S kapacitása 1,5nF. Ebből kifolyólag kisebb mágnesezési induktivitás kellhet neki a ZVS módhoz. ZCS-ben ezt úgy próbáltam ki szimulátorban, hogy az IRF740-ek G-S átmenetével párhuzamosan tettem még 1-1nF-ot. Számottevően azonban nem növekedtek a kapcsolási veszteségek.
Amúgy gyanítom, hogy a külső Zener-ek is megnövelnék a Ciss értékét.
Ezt hogy lehet kiszámolni, vagy hol találhatok erről egy jó leírást? A Skori oldalán lévőt elolvastam, de az nem tér ki a részletekre.
Ezt konkrétan Skory csodatáblázatával számoltam. A cikkemben szerepelni fog majd egy képlet erről, amit egyékbént az IRS27951 application note-jában is megtaláltok.
Minőségi leírása annyi,hogy minél ksiebb a mágenesezési induktivitásd, akor a terheléssel párhuzamosan annál alacsonyabb impedancia lesz, amin egyre nagyobb meddő áram fog folynó. (ez egy reaktív áram, ami ide-oda áramlik, a hálózatban az ilyeneket meddő áramnak hívják, ezért használom én is ezt a kifejezést). Ha a meddő áramot nem akarod csökkenteni, akkor a holtidőt növelheted, ezzel a meddő áramnak több ideje lesz áttölteni a kapacitásokat. Persze a holtidő növelésének is van határa. Sajnos a cikkem késni fog. A nem publikos válozat fenn van, de amit készítettem megrendelésre tápot, azzal problémáék adódtak a megrendelőnél. Nálam ment rendesen, terheltem is, méricskéltem is, azonban az illetőnél sípol. Nem akarok magamra rossz hírt hozni, így amíg ez meg nem oldódik, valamint nem csinálok még egy tápot, addig nem közlöm a cikket. (még ha elméletben teljes, meg a számításai is rendben vannak)
A Ciss értéknek nem sok köze van a működéshez. Egy 740 esetében ez 1,4 nF, de ha a total gate töltést nézed, akkor a belenyomandó töltés ahhoz, hogy 10 V-ot elérje a gate, az 35 nC. Ez 3,5 nF-os kondinak felel meg. ( Q = C x U ) Ehhez képest egy zener 20...30 pF kapacitása nem sok vizet zavar.
Sziasztok !
http://www.hobbielektronika.hu/forum/topic_hsz_1116474.html#1116474 erre továbbra sincs ötlete senkinek ? Hogy miért kötik össze a hálózati résszel a kimenő oldalt ?
Hogy pontosan miért csinálják, azt nem tudom, de valószínű valami RF zavarszűrés lehet. Azt viszont biztosan tudom, hogy ezzel a kimenetre kikerül a fázis, tehát túl nagy kondi nem lehet ott, mert "csípni" fog a kimenet, meg ha túl nagy ez a kondi, akkor a hálózattal esetlegesen sorba levő fi relé is leold. ( Olyasmi, mint egy Y-os kondi a zavarszűrőkben, annak sem lehet akármekkora az értéke. )
Pontosan. Zavarszűrés. Az Y kondenzátor pedig min. 2kV-os és olyan megoldású, hogy ha meghibásodik, akkor sen mehet zárlatba, csak szakadásba, tehát kifejezetten erre a célra készült kondenzátortipus.
Illetve Y kondit szoktak a zavarszűrőkben a védővezető, és a fázis/nulla vezetők közé bekötni. (megj. pl. az X, X2 kondenzátor is hasonló de az fázis-nulla közé kötheztő be, illetve ilyen célra ajánlott.)
Ez mind igaz, de miért oda kötik? És hogyan zavarszűr?
Csak tippelni tudok:
A primer 2 végén nem egyforma nagyságú a zavarszint, hiszen az alsó oldalon a meredek kapcsoló impulzusok vannak. A primer-szekunder közötti kapacitással (amin a zavr egy része átjut) a külső kondi egy osztót képez, így csökkentve a szekunder oldali zavarszintet. Persze lehet, hogy egyszerüen gyakorlati okai vannak a dolognak, kísérletképen (fejlesztéskor) különböző helyekre bekötve a zavarszűrő kondit, egyszerüen ez a megoldás adta a legjobb eredményt a zavarok szempontjából.
Hello. Egy olyan kapcsitápot keresek amibe PC táp főtrafót fel tudok használni. 250-300W maximális terhelhetőségű kellene.
Ha valaki tud egy ilyen kapcsolást ossza meg velem. Előre is köszönöm.
A pc táp önmaga nem jó?
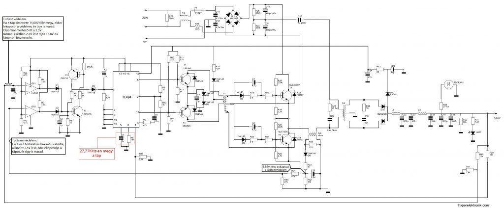
Én tervezgetek egyet már egy jó ideje. Egy Török oldalon találtam az eredetire, azt sok helyen módosítani kellett, hogy minden biztonságos legyen. Paraméterei: - U ki: 12-14.4V - I ki : 20-25A Nem tudom, trafó függő. Van benne kimenő áramfigyelő, és kimeneti túlfesz. figyelő. Ezek ha életbe lépnek, akkor le oldják a tápot, és nem is engedik bekapcsolni egy tápfesz. reszetig. Van benne hőfokfüggő ventillátor szabályzás is. Igazából ez egy magára vigyázni tudó táp, lehet belőle akármi. A többiek is nézzenek rá. Kinek hogy tetszik. A kész nyákról készült képet a török oldalról szedtem. nem az én munkám. Csak azért tettem be, hogy látszódjon, hogy fog ez kinézni a védén.
A kapcsi rajzot tudnád nagyobb felbontásban feltenni?
Nem tudom hogy kell. Amióta új lett itt a motor, nem tudok png-t föltenni. Nekem abban van meg. Azt pedig lehet nagyítani.
Csináljak róla pdf-et?
Fölteszem PDF-ben így talán jobban látszik.
Sok olyan tool van amivel lehet az egyes grafikus formátumokat konvertálni. Én ezt grafikus a konverter -magáncélra ingyenes- programot szoktam használni. Akinek a PNG-vel gondja van javaslom próbálja ki.
Ehhez a tápomhoz kerestem múltkor kicsi toroidot az áramváltóhoz. Azóta sincs...
Igazából kaptam sok hibás DEER PC tápot a cimborámtól, és azon gondolkoztam, hogy lehetne őket jól felhasználni. Ehhez a kapcsoláshoz mindent át lehet belőle tenni. Mostmár. Szerintem tök jó megoldás.
Nekem nincs gondom a PNG-vel. a HE-nek nem akaródzik megjeleníteni amit fájlmellékeltként föl akarok tölteni ide.
Át tudom én is konvertálni, de mire? A PNG nem nagy ki terjedésú, mégsem támogatják itt. A BMP is jó minőségű, de az meg nagyon nagy, ezt meg ezért nem támogatják. Meg is értem. Mi jöhet még szóba? A PDF-et meg mindig le kell innen menteni, és csak úgy megnyitni. Az is körülményes.
A PNG-nél én is tapasztaltam, hogy a thumbnail megjelenik és a kép nem, ezért javaslom mindenkinek a kép konverzióját JPG-re míg a hibát ki nem javítják.
Az általad feltett kapcsolásban a védelem megoldása tetszik. Kérdés a táp mennyire könnyen után építhető, az alkatrészek szórására, és a megadotthoz képest más típusokra mennyire érzékeny. A 13,8V miatt gondolom CB tápnak készült. Más feszültségre, áramra való elkészítésről van-e infód? |
Bejelentkezés
Hirdetés |





A tranzisztoros gate-lehúzós megoldással, 75uH szórási induktivitással, 2x33nF félhíd kondikkal, 100ns/60ns vezérlés fel/lefutással (az IR21531 kb ennyit tud), 2A terheléssel (~125W) a FET-ek átlag kapcsolási vesztesége úgy 1,5W körülire adódik FET-enként (a veszteségi egymásranyitási impulzus időtartama kb. 150ns, csúcsértéke 80W). Kíváncsi leszek, élőben ez hogyan fog kijönni.. eleve más lesz a FET is, meg még 1000 dolog bele fog szólni, ami a sziulációban nincs benne. Valószínű, hogy mindkét FET útjába teszek egy kis áramváltó tekrencet, kérdés, ezeket a pá









