Fórum témák
» Több friss téma |
A tranzisztor bázisa és a 4017 közé sem árt egy ellenállás.
Sziasztok ide várok Led fényfüggöny kapcsolási rajzokat, szükségem lenne rá valami egyszerű és megbízható legyen nem kell semmi IC-s kapcsolás csak szimpla egyszerű kapcsolás!!!
.. Köszönöm!!
Szerintem semmi különleges kapcsolásra nincs szükséged. Azt kell kitalálnod, hogy hány darab ledet szeretnél sorba illetve párhuzamosan kötni.
Ha mondjuk 12V-os tápegységről fogod hajtani akkor szerintem 3db led + 1db ellenállás sorosan majd a többit párhuzamosan össze lehet kötni. A többit már csak rajtad múlik, hogy hogyan rendezed el. Az előtét ellenálláshoz találsz itt az oldalon egy kis segédprogit. /Segédprogramok menüpont/
Oké Elnézést
Egyébként 52 Zöld Ledből állna az egész kb.15V kell hozzá! Olyanra gondoltam még hogy az utólsó ledek a csík alján pirosak lennének és ahhoz megkora ellenálás szükséges ? Eszt még majd átgondolom . De csináltam egy kapcsolási rajzot ! Köszönök előre is válaszokat!
Szia! A LED-ek sorba rendezésével elég jól lehetne csökkenteni az áramfelvételt. Még 20mA-s LED-eknél is. A LED-ek paramétereivel és ezzel a kalkuláror programmal ki tudod számolni magad is a sorba kapcsolandó LED-ek számát és a szükséges előtét ellenállást is. Kellemes számolást.
Üdv.: _jani_
Köszönöm Jani!!!
![]() Az Eredmény 15 Ohm-os ellenálást kell használnom 16v-os Tápnál!!! köszi mégegyszer!!!
Üdv.
Segítségeteket szeretném kérni a következőhöz: Kerékpárra szeretnék készíteni első világítást 30db ilyen ledből párhuzamos kötéssel. A meghajtásukról egy 12V 1.3Ah zselés akksi gondoskodna. Kérdés, hogy mekkora és milyen ellenállás kell elé? Elvi rajz alant.
Hello!
Nem célszerű amit tervezel. Ha párhuzamosan kötsz ennyi Led-et, akkor a nyitófeszültségük különbsége miatt szinte biztos, hogy az áramok nem oszlanak azonosan szét. Így különböző erősséggel fognak világítani. De a nagyobb baj, hogy a a túlterheltek előbb utóbb kiégnek, majd szép sorban a többi. Energia szempontjából sem jó a dolog, hiszen egy fehér Led nyitófeszültsége 3,2V körül van. Így a 12V fennmaradó része, csak fűtésre megy. Ha egy diódán 20mA folyik, akkor 60db párhuzamosan kötött Leden 1,2A áram lesz. Tehát az aksi, még egy órát sem fogja bírni. Viszont ha a Led-eket hármasával sorba kötöd, akkor a nyitófeszültségük összege 9,6V lesz, és az ellenállásra 2,4V feszültség fog jutni. A 60db Led-ből így 20 csoport lesz. Minden csoporthoz tehetsz egy-egy soros ellenállást. 2,4V/20mA=120ohm 2,4V*20mA=48mW. Vagy is bármely kis teljesítményű ellenállásból megfelel 20db. A 20 csoport áramfelvétele is 400mA lesz, ami azért barátságosabb. A gond mindössze az lehet,ne ha az aksit menet közben tölteni szeretnéd, mert akkor a feszültsége változhat és ezzel a Led áram is változik. De ha ez nem áll fenn, nem lesz gond. Egyébként segéd program is van hozzá itt! üdv! proli007
Üdv.
Köszi a választ. Kicsit átvariáltam a rajzot, remélem így már kivitelezhető és érthető a rajz. Az általad küldött link szerint 180ohm-os ellenállások kellenek.
Hello!
Inkább valahogy így rajzolnám. Természetesen lehet úgy is kötni, hogy a 3. Led-ek alja (katódja) megy a negatívra és az ellenállás a +12V-ról jön az első tetejére (anódjára). Csak ezen a rajzon így egyszerűbb volt lerajzolnom. Az ellenállás attól függ, mekkora aksi feszültséggel számolunk. Ha 12V-al, akkor 180ohm-al csak 13mA lesz egy oszlop árama. Ha ez elegendő... üdv! proli007
Üdv.
Igaz, ha 3,2V-al számolok, akkor 120 ohm-os kell. Bár csak 30 db led lesz benne, de szerintem elég. Kissé átgondoltam és átrajzoltam. Mit szólsz hozzá? Bár én párhuzamos kötésre gondoltam vagy az nagy marhaság?
Vagy inkább így sorosan kössem?
Hello!
Ez a jó kötés. De Te nem olvasod amit írok? Mert pontosan leírtam mi a helyzet a soros és párhuzamos kötéseknél.. :no: De célszerűbb lenne Móricka rajzok helyett áramköri jeleket megismerni és azzal rajzolni. üdv! proli007
Helló!
Én azt ajánlom neked hogy mérd meg a kocsiban hogy hány voltot ad le járó motorral, mert nekem pl a műszerfalban 12 voltot ad le mindig.
Üdv.
Időközben tárgytalanná vált. Egyébként úgy 15 éve tanították az áramköri jeleket és inkább asztalos lettem. A fakukacból sose lesz fáziskurkász. :smoke:
Hello!
Ha valakinek más a hobbija és más a szakmája, az nem gond, nem lesz egyoldalú, nem fárasztó. És a logikus gondolkodás alapelemei ugyan azok, ha fát fűrészelsz vagy nyákot tervezel. De az szomorú, hogy olyasmire költött eddig a társadalom, amiből nem lett semmi. Engem legalább is nem nevettet meg, mert az adómat oda fizettem 37 évig. üdv! proli007
Sziasztok. Kellene kis segítség.
Van pár ledes mikrokapcsolóm, amiben 2színű led van. Lényege, hogy ha a ledre 1ik irányból adom a feszt akkor piros, ha a másik irányból akkor zölden világít. Ez a kapcsoló az. A mikrokapcsolók amúgy PIC en kapcsolnak valamit. Lehúzzák testre a lábat, vagyis testet kapcsolnak. Amit szeretnék megoldani, hogy alap esetben pirosan világítsanak (amikor megy a kocsi vagyis gyújtást kap), de ha felkapcsolom a kocsiban a világítást akkor zölden. Egy áram irány váltó elektronika kellene, ha lehet kis méretben. Pic el megtudnám oldani, de nem akarnék erre ilyet használni. Tranzisztorokra gondoltam, de nem ismerem őket annyira.
Szia!
Szerintem egyszerűen egy H híddal tudod megoldani, ha van elég feszültség és nincs nagy áram akkor egy fél híddal és egy U/2 táppal megoldható. Üdv: Gábor
Ok.
De ha annyira lennék jártas az elektronikában mint te, akkor magam is rájöttem volna. ![]() Parasztnak is érthető módon, esetleg rajzot mellékelve is meg tudnád mutatni mire gondolsz? Van 5V vagy 12V bemenő, ami az óracsoportról jöhet is akár, ami lehet állandó, és egy 12V os kapcsoló áramom, ami jön a világítás kapcsolóról. 4db ledet kell vezérelnia felváltva. 2db led folyamatosan világít, de az nem gond, bárhonnan kaphat áramot.
Szia!
Pont nem sikerült a módosítás, egy egyszerű rajz, de szabadon módosítható az áramokhoz és igényekhez mérten. Az 5V még jó is lehet féltápnak. Üdv: Gábor
Akkor ha jól értem a U/2 jön alap esetben és az alsó tranzisztoron keresztül zárva van a kör, vagyis egyik irányba világít. pl zöld.
Mikor ráadom a 12V ot akkor a felső tranzisztoron keresztül az u/2 felé zár. A különbözeti fesz adja a másik irányú áramot, így másik színnel világít. Ugyan akkor az alsó tranzisztor kinyit és nem zár le testre. Jól értem?
Szia!
Összesen két állapota van. A nyomógomb elengedett állapotában az egyik LED világít, a zárt állapotban a másik. A tranzisztorok közös pontja vagy 0V vagy 12V. A féltáphoz képest + vagy - 6V Üdv: Gábor
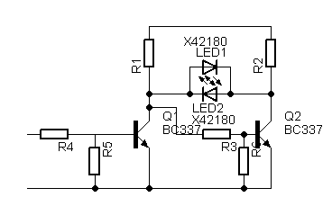
Hello! Esetleg? üdv! proli007
Esetleg ez. A kollektor ellenállások egyben a led előtét ellenállásai is.
Sziasztok!
Hogy lehetne megoldani az alábbi logikai kapcsolást uC- nélkül ? CD4011 re is gondoltam de nem vagyok túl jártas ezekben az analóg(and, nand, or, xor....) ic-k ben. Tudnátok segíteni egy rajzzal? A led egy 3 lábú led, közös gnd-vel. Szimmetrikus tápot kéne figyelni vele. +-15V ot. Köszi!
Szia! Készítettem egy elvi rajzot.
Köszi, de ezzel sajnos nem tudom figyelni hogy a + és a - tápfesz is megvan-e. Ha itt valamelyik hiányzik már nem világít a led. Ha nincs - akkor a egy szál +al nem tud világítani.
Valahogy a 0-át is bele kéne vonni hogy tudjon mihez viszonyítani hogy mi nincs meg neki. |
Bejelentkezés
Hirdetés |




.. Köszönöm!! 
Egyébként 52 Zöld Ledből állna az egész kb.15V kell hozzá! Olyanra gondoltam még hogy az utólsó ledek a csík alján pirosak lennének és ahhoz megkora ellenálás szükséges ?
Eszt még majd átgondolom . De csináltam egy kapcsolási rajzot ! 
















