Fórum témák

» Több friss téma
Fórum » Mini mixer
 
Témaindító: borvendeg, idő: Márc 13, 2007
Lapozás: OK   2 / 2
(#) reloop válasza Szabi1 hozzászólására (») Jan 23, 2012 /
 
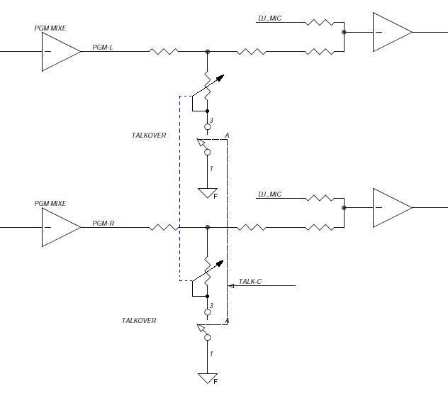
Szia! Ilyen egy gyári kapcsolás.

Talkover.JPG
    
(#) Szabi1 válasza reloop hozzászólására (») Jan 23, 2012 /
 
Én értelek de azt az ellenállást ki kell számolni. Egyébként én olyat akarok mint amit a virtual dj nevű program tud hogy be lehet állitani előre, hogy mellyit halkitjon a háttérzenén, s ha bekapcsolok akkor lehalkit, de és ezt hardware-el akarom megvalósitani. Gondoltam elhelyezek egy trimmert, és csak a dobozon kivül rakok egy kapcsolót, s akkor nem a hangerő potin megy át a jel hanem a talk overes trimmeren.
(#) reloop válasza Szabi1 hozzászólására (») Jan 23, 2012 /
 
Így már tetszőlegesen halkíthatóak a mikrofonon kívüli jelek.

Talkover2.JPG
    
(#) Szabi1 válasza reloop hozzászólására (») Jan 23, 2012 /
 
Pont hogy én is leültem tervezni és vacsoráztam is , elméletileg jó az én kapcsolásom is. A relé normál üzemmódban a rákapcsolt poti hangerőt szabályoz.
A relé behúzott állapotában a jel a trimmer potihoz, véglegesen a 2 db fix ellenálláshoz vezet, ami azután az erősitőbe megy.

Untitled.jpg
    
(#) reloop válasza Szabi1 hozzászólására (») Jan 23, 2012 /
 
Túlzás ebbe váltó kapcsolót - főleg relét - belekombinálni. Egy Omnitronic rajzból ollóztam, nézz át pár gyári keverő rajzot hátha valamelyik megtetszik. Amit ki lehet találni ebben a témában az szerintem már kitalálták.
(#) Szabi1 válasza reloop hozzászólására (») Jan 23, 2012 /
 
Megnéztem a rajzot, szóval az előerősitő előtt betehetem nem? A poti feszültségosztó üzemmódba van és ha teljesen rákapcsolom a bemenetre a gnd-t akkor csend van a csatorán.
Még lenne egy kérdés nincs valami olyan bemenetválasztó kapcsolás ami nem relével működik?
Még ez a mixer dolog csak tervbe van. Először az elkészitett tda 7294 hid erositokhoz veszek trafót, csak azután fogok mixerrel foglalkozni.
(#) Szabi1 válasza Szabi1 hozzászólására (») Jan 23, 2012 /
 
Már találtam igenyeimnek megfelelő kapcsolást.
(#) bali00 hozzászólása Máj 17, 2013 /
 
Sziasztok!

Találtam a munkahelyemen az egyik kis sufniban egy interm mx 642-es mixert aminek hiányzott a 220as dugója. Kinyitottam a dobozt és egyből láttam mi a hiba ,hiányzik a tápegysége. Szerintetek mivel lehetne pótolni? Mivel kicsi az esély hogy találok egy ugyanilyet.
(#) kadarist válasza bali00 hozzászólására (») Máj 17, 2013 /
 
Szia!
Remélem a rajz segít. A letöltéshez kattints a "processing (please wait)" helyén megjelemő "GetMnual"-ra. Bővebben: Link
(#) enmate95 hozzászólása Jún 30, 2013 /
 
Sziasztok! Megépítettem ezt a kapcsolást minden működik rendesen kivéve azt hogy búg egy kicsit.Mit gondoltok mit csináljak vele? Már raktam a tápra egy 1000uf-es kondit jobb lett tőle de még nem az igazi. http://www.tradeofic.com/Circuit/1577-ONE_TRANSISTOR_AUDIO_MIXER.html
(#) Blintux hozzászólása Júl 22, 2017 /
 
Sziasztok!

Van két számítógép, amit közös hangfalakra szeretnék kötni. (Rendes erősítős hangfalak.)
Találtam egy nagyon egyszerű kapcsolási rajzot, ami szerint elég egy-egy 10K-s ellenállás kell csak a csatornák elé.
Kapcsolási rajz

Ez így szerintetek is elég, vagy kellene bonyolítani?
(#) Szabi1 válasza Blintux hozzászólására (») Júl 24, 2017 /
 
Igen elég, esetleg használj két darab sztereó hangerőszabályzót, aminek a kimenetét megfelelően közösíted.
Következő: »»   2 / 2
Bejelentkezés

Belépés

Hirdetés
XDT.hu
Az oldalon sütiket használunk a helyes működéshez. Bővebb információt az adatvédelmi szabályzatban olvashatsz. Megértettem