Fórum témák
» Több friss téma |
Fórum » Inverteres hegesztőtrafó
Vásznas szigetelő anyag, elviekben kábelgyárban használták régen, egyik ismerőstől kaptam régen. Mikróban majd beizzítom a vasat..
Idézet: „Mi az a fekete szalag, villanyász PVC?!” Párszáz forint egy tekercs,bandázsszalag néven is ismerik,villanyász bótokban kapható,eléggé erős,az enyémet tépni nem,csak vágni lehet.Használják (ták) az autógyártásban is a vezetékek korbácsba fogására.Elég jól bírja a hőt (próbáltam),szinte minden gépem trafójánál használtam,volt olyan megoldás is,hogy alatta először teflonnal (nem rokona a muflonnak ) majd ezzel a szalaggal szigeteltem a vezetéket.
Bocsi.30uH akartam írni.De csináltam már,5uH légmagos tekercset is és azzal is működött
Most jutott eszembe, hogy ezt a vásznas szalagot, a vaterán vettem régebben 4 tekercset olyan 800ft körül. Elég jó cucc, tépni nem lehet, minimálisan nyúlik és egész jól ráfeszül a huzalra. Multkor a piacon is láttam ugyanilyet, ha legközelebb arra járok megérdeklődöm mi pénzbe adják, ha valakinek esetleg szüksége lenne rá.
A vasmagokra visszatérve, próbáltam mikrozni a tekercset, de az ötödik 10 másodperces melegítés után volt egy kis szikra, ami után nem mertem tovább próbálni. Később újra megpróbáltam vízben felfőzni, nem sok sikerrel, sikerült darabokra törni. A törés után az egyik darabot próbáltam a ragasztásnál eltörni, de mindenhol máshol tört csak a ragasztásnál nem. Olyan volt mint amikor a hegesztés mellet törik el a vas és nem a hegesztés. Ez valami nagyon erős cuccal lett összeragasztva. Máskor is próbáltam olyan magot szétszedni ami nem a sárga szalaggal és ragasztóval volt összefogatva, hanem csak a ferritek szélei voltak "összepréselve" de törés nélkül sosem sikerült a bontásuk.
én már sok magot szét szedtem, nem mikróval hanem hő lég pisztollyal az 350-500C' ad nagyon olcsón lehet venni tesco gazdaságost cirka 2000ft és még sok mindenre jó pl. zsugor csövekhez! Ha esetleg van egy jó erős forrasztó pákád az is megfelel, rá teszed a trafóra és jól felmelegíted aztán szépen szét lehet szedni.
most készítem az új nyáktervet amin már rajta lesz a hot start, arc force, antisticking is. A két NE555 helyett NE 556 lesz lágy indításhoz és a hőfok kapcsolóhoz
De lehet, ha lesz kedvem akkor rá teszek még egy kapcsolást, ami a segéd tápfeszültség 11 volt vagy más táp fesz beállítása alá zuhanásakor lekapcsolja a vezérlést. Lehetőleg úgy próbálom megtervezni, hogy a 12V-hoz is és a 15 volthoz is jó legyen. Rajta vagyok.
A hőlégfúvó régi barátom
. Főleg kiforrasztani szoktam vele, régi nyákok bontásánál. EI33-at rendszeresen szedtem szét hőlégfúvóval, de E és ETD magoknál nemigazán vált be, ott a cséve hamarabb szétolvadt mint a ragasztás elengedett volna. Amit még nem próbáltam rezsóra rátenni és azzal felmelegíteni, ha a vas ér hozzá a forró laphoz akkor remélhetőleg hamarabb felmelegszik, mint ahogy a cséve elolvadna.
Sanyi,a régi jó "öreg" kapcsolás plusz tupír lészen vagy Colt?Majd szeretném látni,ha lehet a végső elképzelést.Mostanában,mióta bevezették a napi 10 óra munkát nálunk,még meghalni sincs időm.Dolgozgatok egy Trabant motoros kis traktor átépítésén-felújításán + pótkocsi és egyebek,jól jön,hogy több gépem is van,egy bent a műhelyben,egy kint a gépnél egy pedig talonban.
A rezsós megoldás jó lehet,én kályha tetején (platnin) szoktam melegíteni,de légfúvót is használtam már.Az ETD magok "kényesebbek".
Szia!
Az eddigi legjobb megoldás, veszel egy elég öblös, egyliteres befőttes üveget. Megtöltöd egy liter nitróhigitóval, majd beleteszed a kiforrasztott trafót(kupak rázár). Egy-két nap, max egy hét, minden ragasztás megadja magát. Minden lakkmaradék egy ronggyal szépen letörölhető, a tekercsek könnyedén lefejthetők.Ha szépen törölgetsz, szinte új vasmagot kapsz, csévével együtt.
Szervusz Gábor!
Amit írtál azt ismerem, nagyon jó. A képen nem látszott, hogy mi, és az ördög nem alszik. Szia: Kálmán
Szia! Nem lágyítja meg a lakkot (zománcot), vagy a csévét? A nitró elég agresszív. Még nem mertem próbálni( más helyeken már megszívatott).
Nem. A nitró a legjobb megoldás, igaz nem a leggyorsabb. Egyszer próbáltam csak melegíteni, szét is tört utána darabokra.
Nitrora gondoltam én is, de csak szintetikus hígítóm volt itthon, de beszerzem azt is, mert úgyis kerül még ferrit a kezembe bontásból.
A régi jól bevált kapcsolást rajzolom újra!
Ha kész lesz felteszem. Layout 5-el tervezem.
Hello.
Van egy (praktikerben vásárolt) Domtool Welder 3.2 inverterem. Csak egy pótméter van rajta, jelölve az áramerősséggel. Nem bízom a pótméterben. Szeretnék egy DIGITÁLIS KIJELZÉSŰ árammérőt rákötni (mondjuk egy multimétert, vagy digitalis kis panelműszert). Gondolom egy SÖNT ellenállásal megoldható a nagy áramerösség mérése? Esetleg van valakinek konkrét ötlete, hol és milyen panelműszert érdemes venni?
Miért? Nem tudod úgy beállítani, hogy hegeszteni tudjál vele?
Hegesztés közben én pl. nem érek rá az ampermérőt lesni. Biztos csak én vagyok ilyen ügyetlen.
Állítólag a nők tudnak egyszerre több dologra koncentrálni,ki tudja hátha egyszer nő fog vele dolgozni,akkor jól jöhet
Azért azt megnézném, hogy valaki egyszerre nézi azt amit csinál és közben bámulja az ampermérőt! A hegesztőpajzs mögül oldalra pillantani nem tudom hogy lehet...
Sziasztok!
Azt szeretném megkérdezni hogy lehetséges e egy olyan hegesztő GÉP építése amiben nincs trafó. Már láttam a interneten kapcsolóüzemű tápokat trafó nélkül de még nem hallottam kapcsolóüzemű hegesztőről. Az inverteres az mit jelent? Hallottam már róla pár dolgot de még nem teljesen tiszta. Ákos
Szia!
Trafó az van benne, de szükség is van rá! (...egyébiránt mit tennél a fázissal...?) E fórumot végig olvasod, jó dolgokat fogsz megtudni! (...van kitől...!)
Jelenleg itt és most ilyet még nem csináltunk! Mert az inverteres heg.gépben is van trafó csak az sokkal kisebb, ferritből készül és nagy frekivel működik, mi most speciel ilyenekkel foglalkozunk ebben a topikban. Olvasd el végig
Te arra gondolsz ugye, hogy a poti beállításakor vizuálisan is lásd a beállított áramerősséget egy kijelzőn
?! Nem hegesztés közben?Persze, hogy lehet ilyet készíteni hiszen az áram mérés is feszültség mérésen alapul! Bármilyen műszer jó hozzá, lehet az digitális vagy analóg még deprez műszerből is lehet ilyet bütykölni! Mi ezt egérmozinak hívjuk.
A fázissal azt tenném hogy a hálózati feszültséget egyenirányítanám pufferelném és utána jönne egy sor elektronika utána megint puffer és kész a jó nagy áram. Esetleg meg is lehetne spékelni egy mcu val és máris lcd-n látom a beállított és jelenlegi feszültséget és áramot.
Hát akkor rajta rajzold le és tedd ide.
Na! Itt akadtam el. Ehhez kellene nekem segítség megtervezni meg kiokoskodni együtt. Ha én egyedül állnék neki abból az elkövetkező 20 évben nem lenne semmi. Egy olyan kapcsolásra gondoltam ami a feszültséget csökkenti de fordított arányosságban növeli az áramot. A végére egyenirányítás után még kéne egy giga kondenzátor hogy könnyebben gyújtson. Az áramkör az lehet egy kapcsolóüzemű tápegység egy kicsit felturbózva? Vagy a jó öreg 555-el nem lehet megoldani? Galvanikusan leválasztva az 555-öt és vezérelni a kitöltési tényezőt meg a frekvenciát és már kész is. Amint már írtam a végére a hatalmas kondi a diódahíd után. Diódahidak helyett lehet használni egy triakot ha jól tudom mert az két tirisztor ellenpárhuzamban. A vezérlőt összekötöm a bemenettel és már egyenirányítok is. Persze kell egy ellenállás a vezérlőre. Vannak ezek a fázishasításos dolgok meg mindenféle, azzal nem lehet a feszültséget csökkenteni és növelni az áramot fordított arányosságban?
Nem csak az a baj, hogy kell mondjuk 200 A a hegesztéshez és ezt könnyebb megcsinálni, ha van valahol egy trafó, aminek az áttételével könnyebb elérni ezt az áramot. A baj ott van, hogy nem lesz a megoldásod leválasztva a hálózatról. A hálózati fesz úgy van kiépítve, hogy az egyik drót a fázis, a másik meg a nulla. A nulla a földdel közösítve van. Tehát, a földhöz képest ( mondjuk a vasból készült vízvezetékhez képest ) 230 V váltkozófesz mérhető. Te is a földön állsz, tehát ha megfogod a fázisvezetőt, akkor rajtad keresztül fog folyni az áram. Vagyis megráz... Na, ezért kell galvanikusan leválasztani a fázist. Ha van valahol egy trafó, akkor galvanikusan, - vagyis fémesen - nem érintkezel a hálózattal. Az inverteres hegesztőgép pont erre megy ki, vagyis leválasztjuk a hálózattól a hegesztőpálcát. És, hogy ne kelljen nagy trafó, ezért megy viszonylag nagy frekvencián.
Attól, hogy te egyenirányítasz, meg mindenfélét csinálsz a hálózati fesszel, az még fémesen összeér a hálózattal, tehát nincs galvanikus leválasztás.
Ja akkor mindenképp kell trafó.Ha már kell trafó akkor azzal be lehet lőni a feszt, az áramot meg majd az elektronika.
Szerintem te most ezt viccből írtad...
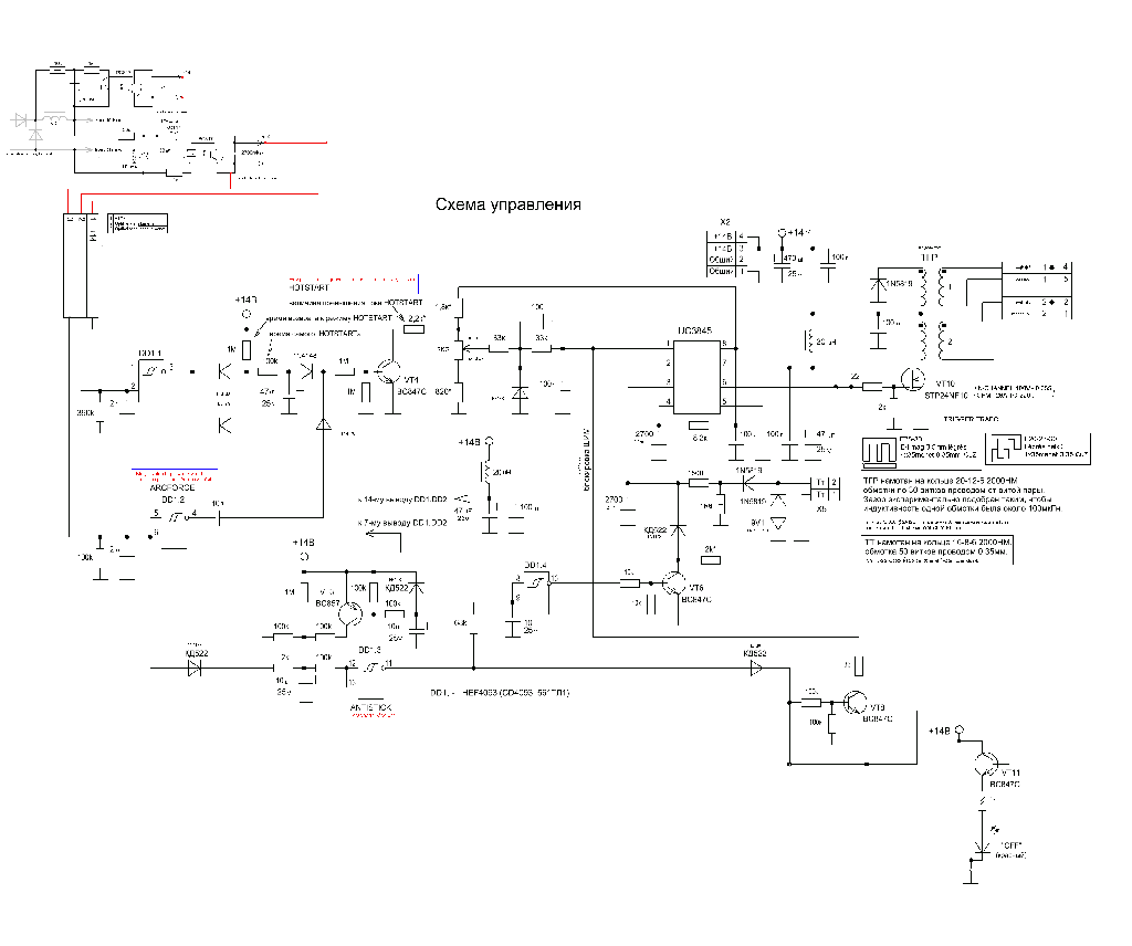
Itt van amit ígértem! Mindenkinek! Nézzétek át! A nyákterven a jobb felső sarokban van egy feszültség figyelő á.k.kékkel körbe rajzolva ez még nincs tesztelve. Az optót lehet, hogy másképpen kell kötni vagy egy ellenállást kell majd betenni helyette a Led működik. A zéner dióda változtatásával lehet a feszültség küszöbön változtatni. Nincs készen vezérlőm ezért nem tudtam még ezt a részt tesztelni, de rajta leszek.
|
Bejelentkezés
Hirdetés |




) majd ezzel a szalaggal szigeteltem a vezetéket. 
De lehet, ha lesz kedvem akkor rá teszek még egy kapcsolást, ami a segéd tápfeszültség 11 volt vagy más táp fesz beállítása alá zuhanásakor lekapcsolja a vezérlést. Lehetőleg úgy próbálom megtervezni, hogy a 12V-hoz is és a 15 volthoz is jó legyen. Rajta vagyok.
. Főleg kiforrasztani szoktam vele, régi nyákok bontásánál. EI33-at rendszeresen szedtem szét hőlégfúvóval, de E és ETD magoknál nemigazán vált be, ott a cséve hamarabb szétolvadt mint a ragasztás elengedett volna. Amit még nem próbáltam rezsóra rátenni és azzal felmelegíteni, ha a vas ér hozzá a forró laphoz akkor remélhetőleg hamarabb felmelegszik, mint ahogy a cséve elolvadna.
?! Nem hegesztés közben?





