Fórum témák
» Több friss téma |
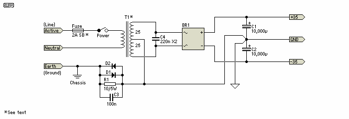
40voltos pufferek tökéletesek lesznek bele! 25x 1,41 =35,25 ami egyenirányítás utáni feszültség, de mindez ugye 2x szerintem pont optimális. Az én erősítőmbe is ugyan így van!
Elliott oldaláról egy táp-rajz.
Gratulálok! Szép munka!
Üdv mindenkinek!
Hamarosan én is rakok fel képeket az erősítőmről. Dual mono, oldalanként külön táppal. 4*4700µF 63V/oldal Nemsokára készen vagyok vele. Ma teszteltem és nagyon tetszik a hangja! + Készül hozzá a hangszínszabályzó is. LM1036+NE5532.
Szia!
Nagyon elborult ötlet az, ha a végfok panelt és a puffer kondikat egy panelra integrálnám? Tehát nem lenne külön táp panel a kondiknak. Természetesen a +/- ágakba bekerülne 1-1 olvadó betét...
Szerintem semmi akadálya.
Valahol itt már láttam olyan panel tervet.
Inkább átkötésekkel tervezz, mint hosszú kacifántos vezetősávokkal.
Üdv!
Egy olyan kérdésem lenne, hogy az oldalon található alulátersztő szűrő kapcsolást megcsináltam/topi-féle/ és bekötöttem a tda 7294 vegfokhoz, minden szépen szól, de nagy hangerőn elkezd pattogó hangot kiadni a hangszóró. Ez a túlterhlés jele nála vagy valami nem stimmel?
A hővédelem működését hallod. Gyorsabb hőelvezetés szükséges. (hűtőtönk)
Üdv mindenkinek!
Van egy Genius házimozim (5005-ös széria). Ebben a subot egy TDA7294 hajtja. Mivel általában halkabban hallgatjuk (fél hangerő alatt) ezért elég kevés a mély benne. Találtam egy loudness kapcsolást, amivel kicsit meg akarom tuningolni. A csatolmányban van az elképzelésem. Vessetek már rá 1-2 pillantást, hogy életképes-e a dolog és hogy emelne-e valamit a mély hangerején.
Köszönöm!
Helló! A transzformátor és puffer kondenzátor között azért szokás a lehető legrövidebb vezetéket alkalmazni, mert a kondik csak a szinusz hullámú feszültség csúcsai közelében, elég nagy áramerősséggel töltődnek. Egyrészt számít ennek a vezető szakasznak az ellenállása, mert a csúcsáramnak megfelelő feszültség esik rajta, másrészt zavaró feszültséget indukálhat a közelében futó vezetékekben - akár egy jelkábel árnyékolásában is.
A pufferelt egyenfeszültség vezetése az erősítő dobozán belül kevesebb kalamajkát okoz.
Szia!
Igy mehete a tap az erositohoz? Ebben a modban meg parhuzamosan kapna egy panelt,tehat ket panelt vezerelne. A trafo:2*25vac 4amper. Puffernek 2*20,000.uf szamoltam. Olyan baj tude lenni pl.ha egy erositohoz sok puffer rakok?
Minél több a puffer annál jobb. Baj nem lesz belőle. Max annyi hogy nagyobb mélyeknél nem esik annyit afesz. Ami persze jó
Rajz jo?
Szia! Jó a rajz.
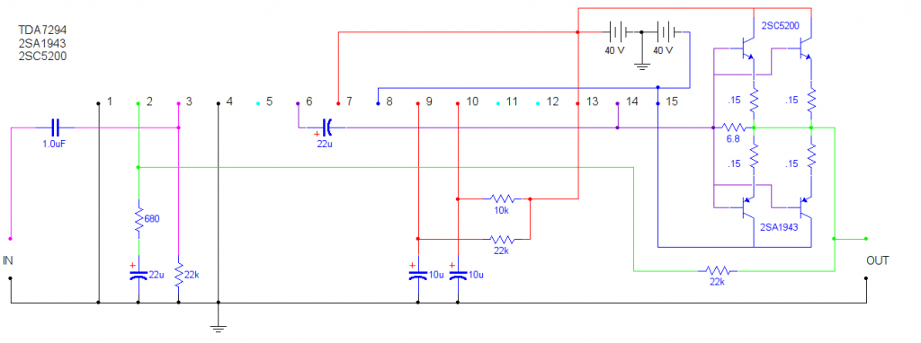
Sziasztok! Azt szeretném kérdezni,hogy érdemes-e a TDA7294-et kiegésziteni tranzisztorokkal? Épitett már valaki ijen erősitő kapcsolást?A véleményeteket kérném róla.Üdv:
Szia
Ha a LINN Chakra- erősítőjét így csinálja akkor biztos...........
Nem jó fotót raktam be bocsi
" Linn LK140 PS+IC power amp.jpg" nem erre gondoltam
Szia!
Nekem 2x51Voltal van megküldve, és eddig ok. Az aktív szubomat ilyen 7294bridge-val oldottam meg. Amúgy 2x46V maxot írnak pl mikroshopék is. Üdv!
Én úgy tudom+-43 a biztonságos határ.
Bátor vagy
50V a adatlap szerint. De gondolom ez is túl van méretezve mint az autóiparba...Akkor a 45V még belefér.
Sajnos csak ilyen tápom van, majd erre a célra átalakítok egy atx pc tápot. +-45V al tuti jó lesz!!!
Helló! Nemrég befejeztem egy sztereó TDA7294 híd erősítőt. Most szeretnék még egyet építeni, mert az előző (szerintem) zajos, vagyis nagyobb az alapzaj, mint amit vártam. LM1036 van előtte, valószínű az az oka, mert anélkül csendesebb. Kérdésem az, hogy van-e valaki, akinek sikerült valami trükkel extra alacsony alapzajt elérnie vezetősáv elrendezéssel, vagy valahogy. Az előzőt talán feleslegesen bonyolítottam meg. Most egy egyszerűt akarok.
Ezeknek az előfok ícéknek van egy kis zajuk. Mit lehet hallani? Sustorog, vagy netán búg is?
Nekem is LM1036 os van előtte de semmi alapzaj nincs. Én árnyékolt kábellel kötöttem mindent össze és amikor nem forrasztottam be az árnyékolás kábelét akkor volt alapzaja.
Inkább sustorog. Úgy van, hogy van egy szintemelő NE5534, aztán LM1036+NE5532. Csak a szintemelővel csendesebb, de ha változtatom az erősítését, akkor azzal is nő a zaj. Próbáltam minden zajt kiszűrni, a trafókat leárnyékoltam, testnek igyekeztem minél nagyobb felületet hagyni, a doboz fém burkolata a védőföldön, az erősítő GND-jét elszigeteltem. Nekem a Mute láb a +tápon van, esetleg ha azt bekötném rendesen, akkor elképzelhető, hogy csökken a zaj, ha nincs rajt jel? Vagy azt kellene megoldanom, hogy egy bizonyos jelszint alatt némítson. Az alapzajt én úgy értem, hogy rá van kötve a keverőre, max hangerő, de nincs bemenőjel.
|
Bejelentkezés
Hirdetés |

















