Fórum témák
» Több friss téma |
Most vettem észre, hogy nagyobb hangerőn feltűnik egy brummszerű zaj, de ha bármelyik földponthoz hozzáérek az erősítőn, akkor megszűnik, és csak egy nagyon nagyon halk, finom alapzaj marad. Egyébként akkora hangerőről van szó, ahol alapesetben már nem hallgatok zenét, és ez a "zaj" csak akkor hallható ilyen hangerőállásnál, ha épp audio jel nincs, ami elnyomná. De azért zavar...
Nyilván ezt lehet szűrni valamivel. Ha valaki találkozott már ilyen jelenséggel, akkor szívesen fogadnám a segítségét. Köszi
Nem igazán jól tervezted meg a bemenet kábelezését.
Ide kötött hosszú kábel szedi össze, rövidítsd le, vagy árnyékolt vezetéket használj.
Ha az erősítés csak másfélszeres akkor is?
Csak azért kérdeztem, mert amikor csak egy sima pc tápról volt hajtva semmi zúgás nem volt benne. Igaz az a táp csak az erősítőt hajtotta. De amikor egy hálózati trafóról ment akkor elég nagy zaja volt.
Akkor inkább csináljak neki egy stabilizált tápegységet? Csak az baj, hogy alig van elosztó így is néhány dolog az erősítőm ac outputjába van bekötve.
Mondjuk elég hosszú a kábel a bemeneten, az igaz. OK. Ha hazaérek, kikötöm, és teszek be helyette valami jól árnyékolt megoldást. Van egy amerikai eredetű, 50 ohm-os duplán árnyékolt koakszom, abból tudok bontani masszív, sűrűen szőtt árnyékolóharisnyát. Ha megszűnik ez a kis zaj is, onnantól teljesen késznek nyilvánítom a készüléket.
Jazz-t hallgatva rajta majdnem olyan tere van, mint a szobai rendszeremnek. Normál hangerőn teljesen zajtalan, gyönyörű hangja van. Ezt a zajt is úgy fedeztem fel, hogy járattam vele az új fejhallgatómat, úgy, hogy közben nem volt a fejemen, és mikor észrevettem, hogy nem szól, feltettem, míg másik zenét keresek, ami bejáratásra is alkalmas. Akkor tűnt fel, hogy "zümmög" .
A CanAmpnak lesz is alapzaja bármit is csinálsz vele. Még az eredetinek is van. Ha egy érzékenyebb fejhallgató van rákötve akkor lehet hallani ezt.
Ok, de ebben az esetben nem erről van szó. Az alapzaj meg egy többmilliós híg-end erőlködőnél is jelen van, csak a mérték nem mindegy. Az én esetemben több mint valószínű, hogy az árnyékolatlan, hosszú bemeneti jelkábel szed össze még egy kis plusz zajt a táp felől. Ezt leárnyékolom, és kiderül, hogy mire megyek vele. Ha csak a "normál" alapzaj marad, leszek nagyon boldog.
![]() Amúgy a fejhallgatóm elég érzékeny, hogy kihalljam ezeket a felesleges hangokat.
Esetleg ha valaki nem jár a ki mit épített - be akkor itt egy hivatkozás a soron következő kis hibrid-ről.
Bővebben: Link
Erre jártam és a látvány nagyon tetszik. A hangját meg ismerem. Sok örömet hozzá.
Sziasztok!
Találtam a dobozaim egyikében egy elvileg tökéletes M5218 jelű IC-t, és gondoltam, megépíthetném belőle a hónapok óta tervezett monitor fejhallgató erősítőmet, deckek és rádiók javítás közbeni ellenőrzéséhez. Ha jól emlékszem, épp egy Technics magnó kapcsolásában láttam fejhallgató erősítőként, és nem is szólt rosszul, elég hangos is volt. Megvan az adatlapról a fejhallgató erősítő kapcsolás, egyszerű is az egész, szóval meg tudnám építeni magamtól, de itt jön a gond: miről tudom majd járatni? Mert szimmetrikus 15V-os tápom nincsen sajnos, feltétlenül szerezzek egy ilyen trafót és építsek hozzá egyenirányító(ka)t, vagy esetleg megoldható a 12V-os stabilizált adapteremmel is valahogyan?
Helló mindenkinek!
Esetleg nincs meg valakinek az eredeti nyák rajza ehhez a kapcsoláshoz? Próbáltam visszarajzolni, de nemsikerült. Köszi Szép estét
Üdv!
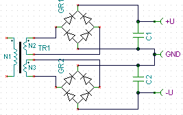
Lenne nekem egy ilyen trafóm CanAmp klónhoz. Az első dolog, amiben nem vagyok biztos, az az lenne, hogy a szekunder tekercsek középső két kivezetése lesz-e a CanAmp földje. A második, hogy nekem azt mondták, hogy a dobozra kötött védőföldet nem szabad összekötni a trafó földjével. Na de ha ez igaz, akkor a be-, és kimeneti csatlakozókat sem szabad közvetlenül a dobozra kötni? (Mert ezáltal ugye, a védőföld és a táp földje mégiscsak összekötésre kerülne.)
Szia! Javaslom a két szekundert külön egyenirányítsd és puffereld, ezután alakítsd ki a test (föld) pontot.
A hálózati védőföldet lehetőleg ne használd, tartsd be a kettős-szigetelésű készülékekre vonatkozó szabályokat. A fém házat a táp test-pontjához kötném, és szigetelten szerelném a csatlakozókat. Ez utóbbi kettő felcserélhető ha úgy jobb az eredmény.
A táppal kapcsolatban megfogadom a tanácsodat, köszi!
Ezt a fajtát hogy a legegyszerűbb szigetelten felszerelni? Sehogy?
Szereld fel egy darabka lemaratott nyáklemezre, a csatlakozónak pedig 10mm-es lyukat fúrj a készülékházra.
Pontosan
Rábukkantam egy kész nyákra.Szerintetek szükséges az a rengeteg kék fóliakondi?Vajon gyárilag így kerül forgalomba?Esetleg valaki nemtudná átrajzolni?Próbáltam én is de az ic fóláját is eltakarja a kék kondi.
Szép estét
Szia! Én is építettem CanAmp-ot, bár még mindig nincs kész teljesen, ezt a képet láttam egy fórumon, ez már egy "modolt" verzió, a gyári kondikat cserélte ki az illető ezekre amiket a fólia oldalon látni a minél rövidebb lábhossz és a lábtávok összeférhetetlensége miatt. Ahogy nézegettem a fórumot már elég sok NyÁK terv van közzétéve, én is terveztem hozzá egyet, de nem a gyárit követve, csak a szimmetriára és a lehető legjobb csillagpontos földelésre törekedtem. Sikeres utánépítést kívánok!
Köszi az infót.A táp részében lévő kondik értéke érdekelne igazából.Valamint az, hogy a gyári nyák milyen méretű.Csak azért, mert nem szeretném nagyon tömörre rakni a cuccokat.
Szép napot
Te István, csak most kezdek gondolkodni... Ha külön egyenirányítok, akkor külön IC-vel kell előállítani a negatív (na meg akkor már a pozitív) tápot, ugye?
Idézet: „Ez utóbbi kettő felcserélhető ha úgy jobb az eredmény.” A már-már kész doboz miatt a lemaratott NYÁK nem igazán kivitelezhető. Ez a felcserélt megoldás hogy lenne?
Szia! Az egyik lehetőség: a tápnál lévő testpontot (csillagpontot) kötöd a házra. A másik esetben a bemeneti csatlakozók fémes kapcsolatba kerülhetnek a dobozzal, így az innen fog testet kapni. A kettőt nem jó együttesen használni, mert földhurkot okoz.
A tápot lerajzoltam.
Jó reggelt!
Elkezdtem visszarajzolni a nyákot a canamp-hoz.Sajnos annyira belebonyolódtam, hogy elvesztettem a fonalat, ráadásul a táprészt már több helyen is félrekötöttem és újra át kellene tervezni.Atápban 4 elko van gyárilag és van 2ellenállás is.Felteszem a lay fájlt.Esetleg valaki tudna segíteni, hogy elkészüljön???Szeretnék az eredeti nyák után menni.Valamint van egy 100n-os kondi az ic 4-5 lábánál amit nemtudok hova megy.Egy jó minőségű fényképet igazán csinálhatna valaki a nyákról Akinek van ilyen erősítője. Köszönöm Sziasztok
Szia!
Olvasom a kérdéseidet, de nem igazán értem miért görcsölsz ezen a "gyári NYÁK-on". Szemmel láthatóan, semmi ingalmas nincs benne. Sőt, ahogy elnézem, ennél csak jobbat lehet kitalálni. Mi kifogásad van az itt közölt cikk NYÁK-ja ellen? Ha te csinálod, akkor "gyári" sosem lesz. Ha meg DIY-nek szánod, akkor meg szabad a vásár. Ez oly annyira egyszerű kapcsolás, hogy lehetetlen vele hibázni.
Halihó
Semmi gondom nincs az itt közölt cikk nyákjával.Csak annyi, hogy Én szeretném a trafót is rátenni, valamint kábelezés nélkül megoldani az egészet.Szerintem nem véletlenül kerül ennyibe az eredeti az üzletekben.Nézegettem a neten és a világon szinte mindenhol foglalkoztak már a minőségével.Szóval biztos nem lehet nagyon sok probléma a gyári tervel.Ezért szeretném ezt megépíteni.De sajnos van pár dolog amiben megakadtam.Remélem Valaki azért majd segít.Vagyis csak reménykedek benne. Szép napot
Sziasztok!
Nekem személy szerint nem tetszik a canampban, hogy egy sima ellenállást használ áramgenerátornak, ezért gondoltam kicsierélem, egy rendes tranyós áramgenerátorra. Persze a bemeneten legyen becsatoló kondi, esetleg még a visszacsatolásba, és a kimenetre lehetne egy szűrőtagot elhelyezni.
Több más áramgenerátoros megoldás van fent a neten.
Üdv mindenkinek, szerintetek ez http://diyaudioprojects.com/Solid/12AU7-IRF510-LM317-Headamp/ vagy a cső miatt hasonló kigondolásúvalérdemes-e foglalkozni? ECC83, 82, 81 van itthon.
Ez igaz, viszont így nem kell kicsatoló kondenzátor a duplatáp miatt, és nem kell hogy féltápfesz legyen a kondi előtt a max kivezérelhetőség érdekében, és az alsó határfrekibe se szól bele a kicsatolókondi. És persze kezesztezési torzitás sincs A osztály révén. És mivel van 2db OPA a fiókba amiket szeretnék elhasználni, de az A osztály is fontos, így a sok netes keresgélés után ez maradt.
|
Bejelentkezés
Hirdetés |




. 












