Fórum témák
» Több friss téma |
Sziasztok !
Van egy hálózati adapterem melynek paraméterei Input : 220V 50Hz Output : 9V DC 500mA terhelés nélkül a 220V aljzatba bedugva 14.97 V egyen kimenő feszűltséget mérek rajta. Ezzel az adapterrel szeretnék készíteni egy LED világítást 5 mm átmérőjű vízfehér LED- ekből kb. 24 - 30 db felhasználásával. A kérdésem az lenne, hogy van e valakinek valamilyen kapcsolási rajza hozzá és a LED-eket sorba vagy párhuzamosan kössem ? Köszi.
hali
szerintem először nézd meg, hogy mennyit esik a feszültség a 14,9 voltból ha rákötöd a 30 lednek megfelelő terhelést, tehát 30 X 20mA -t, ha a feszültség 9 volton marad akkor szerintem hármassával kötheted sorba a ledeket üdv
Hát nem hiszem, hogy egy fehér led 20mA-t fogyaszt...
(többet)
lehet, de úgy tudom ezek között is van több tipus, azt kellene megtudni ez melyik..... ??
Vagyis valószínű világít 20mA-nél is és 10 cm-ről jó is a fénye, de ha világítani akar vele, akkor több kell, hiába 30db-ot akar világíttatni... de 30 gyenge fényű led az nem túl hatékony... lehet már 5-10 db leddel is frankón világítani, csak azok más fajtájúak és nagyobb árammal mennek...
A LED típusa : extra fényerejű víztiszta fehér
16-19000mcd 3.3V 20mA. Ezekről a kapcsolásokról mi a vélemény ? http://www.solorb.com/elect/solarcirc/18ledlit/index.html http://radiolocation.tripod.com/LEDdimmer/LEDlampDimmer.html
Szia!
Úgy csináld meg, hogy fogst egy potit előszöris, a lényeg az, hogy kb 5-20ohm között tudd szabályozni, és ezután az a 30 ledet párhuzamosan kötöd, de az ellenállással sorba... Ha állítgatsz a potin, akkor be tudod lőni a megfelelő fényerőt, de vigyázz, nehogy túl nagy áramot kapjanak a ledek, ezért köss be az áramkörbe sorosan egy ampermérőt és figyeld, hogy 30mA (50mA, de az már veszélyes...) legyen rajta!!! Utána kiveszed a potit, megméred az ellenállását, és kb egy ugyanakkora ellenállást raksz be a helyére! De arra figyelj, hogy amit mérsz, az nem biztos, hogy szabvány, ezért vagy felfelé kerekítessz és a szabványt rakod be, vagy játszol az értékekkel sorosan vagy párhuzamosan, és egy közeli értéket kiraksz... De szerintem ha beraksz egy 20ohmos ellenállást se csinálsz rosszat... Üdv: Peti
Nah akkor meg 10 és 20 ohm között kell játszanod...
HI
Én úgy tudom, hogy ha párhuzamosan kötöd a LED-eket, akkor a főágban (adapter drótja) nő az áram. Minnél több LED-et kötsz rá, annál több áramot(mA) vesz fel. Szerintem a potit sem nagyon érdemes egymagába betenni a fentiek miatt, mert túl nagy áram mehet át rajta, ami tönkreteheti. 20mA*30=600mA
Ez a téma már eléggé lerágott csont... másik topikban.
Minimum kettesével kösd be a ledeket ( kettő sorba ), aztán párhuzamosan a pl. 12 db egységet. Ekkor minden ágba kell előtét, kb. 330 ohm, ami a terhelt táptól függ, ugyanis az áram egyenlő eloszlása nem garantált sima párhuzamos üzemben. Azt is megpróbálhatod, hogy ha 3 db-ot sorbaraksz és 8 csoportot paralel, akkor marad-e 10,5-11 volt puffer , mert ebben az esetben a kisebb össz áramfelvétel miatt jobb lesz a tápnak is. Ekkor az előtétek 68-150 ohm körül lesznek áganként. A tápot valami nagyobb wattos ellenállással ki is próbálhatod ( 160 mA-t fogyasszon...), mennyi lenne a fesz.
Ma szétszedtem egy gyári LED lámpát. 50 000 órát írtak rá, de nem nent talán 100 at. Hiba: egy led zárlat.
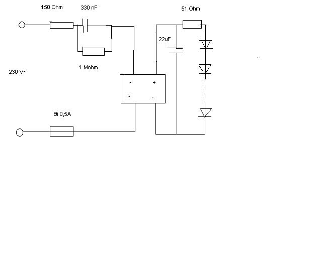
A kapcsolás rém egyszerű! 150 Ohm 0,9W - 330nF630V - graetz 250V1A (smd) - biztosíték 0.5A Egyenáramú oldal 22uF63V- 51 Ohm 18x fehér LED sorban. (A 330nF párhuzamosan 1Mohm hogy ne rázzon ha kiveszed) Lehet utánépíteni javítani, Mi van ezen 3 000 HUF?
Bocs én is vettem ilyen lámpát, és 3000 ért a húsz led benne, még mindig olcsóbra jött ki mintha bármelyik alkatrészkereskedésbe vettem volna 150Ft/darabáron 20 nagyfényerejű ledet. Persze az is igaz, hogy vettem egy nagyáruházban 150Ft ért zsebrádiót, melyben "nagyfényerejű" led is volt, meg még fejhalgató is. Na az biznisz volt.
Egyébként tényleg a fent leírt kapcsolás van a ledlámpában, és csak egyetlenegy dolog zavar benne, hogy még úgy is energiatakarékos, hogy a teljesítmény egyrésze egy ellenálláson hővé alakulva vész el
Ja meg nem csak az ellenállás, hanem a trafó miatt is adj hozzá +5w-ot a fogyasztáshoz. (inkább hagyd a trafót a fenébe, nem kell hozzá! Grétz+ellenállás+led
Grétz+ellenállás+led az úgy nagyjából 3W-ot fog elfűteni az ellenálláson. Nem mondom, hogy sok, de nemis kevés. Inkább 680nF/250VAC kondenzátor, és vele sorba egy 270-330ohm ellenállás+graetz.
Szia !
Esetleg lerajzolnád a kapcsolását a lámpának ? Köszi
Sziasztok !
Akár soros (230 V egyenirányitva) akár párhuzamos üzemben(törpefesz) használjátok a fehér ledeket, ajánlott az áramgenerátoros megoldás.A poti,ellenállás felejtős,mert megszaladhat a ledek árama,aztán annyi... Törpefesz esetén még a PWM is szóbajöhet.(hatásfok). Ajánlom a következő linket: http://torolt_link6/webtartalom/kapcsolasok/billentyuzet/ledlamp.pdf Az LM 317 törpefesznél is alkalmazható,az ellenállást kell csak módositani. Üdv ! Luki
Szia !
Két három . 1. Mi a különbség az én általam használni kívánt LED és a kapcsolásban található vaku LED között ? Egyáltalán az 5 mm víztiszta extra fényerejű 16-19000 mcd 3.3V 20mA típusú LED használható e ebben a kapcsolásban ? 2. A kapcsolás 25 db LED-et alkalmaz, ha a LED-ek darabszámát módosítom, hogyan kell kiszámolni az R1 értékét ? 3. Az általam használni kívánt adapter alkalmas e ?
Szia !
Idézet: „3. Az általam használni kívánt adapter alkalmas e ?” Akkor ha párhuzamosan kötöd a ledeket 25db. Sorba maximum 3db. Üdv!
Rajz a LED lámpáról 230V
Utánépítésnél ÉRINTÉSVÉDELEM -re nagyon figyelni!! Alkatrészek: 150 Ohm 0,9W 330 nF 630V 51 Ohm smd Graetz 250V 1A SMD 1MOhm = 2 db SMD sorban 22µF 63V Elko Led 18 db fehér sorba kötve Remélem segítettem.
Szia!
Honnan lehet beszerezni a vaku LED-et? Üdv.: Csaba!
Még egy kérdés.
Ha mondjuk a tápegység feszűltségét egy L7805CV stab. IC használatával korlátozom. /A kísérletek során azt tapasztaltam hogy a tápegység feszűltsége rendesen ingadozik 15V - ... között/ akkor , hogyan számoljam ki a használható ledek /vízfehér extra fényerő 16-19000mcd 3.3V 20mA/ darabszámát és hogyan kössem öket ???
Szia !
Idézet: „egy L7805CV stab. IC használatával korlátozom.” Akkor nem stabil 5V van ? Vagy mi ingadozik Üdv!
Szia !
Tehát ingadozott, és ezért stabilizáltad 5V-ra. Kiszámolni úgy tudod: párhuzamos kötés tápfesz - LED nyitófesz osztva mA Példa: R = 5V - 3.3V / 0,02 1db-ra vonatkozik (több LED esetén az áramerősség összeadódik) Annyi LED-t teszel amekkora terhelhetőségű a tápod. Sorosan: Összeadódnak a LED nyitófeszek, igy 5V-ra 1 db jut csak Üdv!
Egy kis kiegészítés: ezen stabic max 40V-ot bír ki.
Az Elmü szabályzata szerint a hálózati fesz ingadozása +/- 10% de naponta néhányszor +15 -20% is lehet (sum=80V ingadozás), nem beszélve a motorok (hűtő, mosógép) keltette megengedett 2,5kV-os tüskéiről... Úgyhogy én a korlátlan élettartam helyett az élettartam hosszát inkább az 1nap -hoz közelíteném, ha ennél nagyobb akkor az csak a véletlen szerencse..
Szia !
Idézet: „Egy kis kiegészítés:.....” Miröl is van szó ? Üdv! |
Bejelentkezés
Hirdetés |











