Fórum témák
» Több friss téma |
Fórum » Labortápegység készítése
Helló!
A multiméteredet kösd a kimenetre (természetesen dugd át a nagyáramú csatlakozóba a mérővezetékedet a multiméteren ) állítsd árammérésre. A labortápon az áramkorlátot nulláról indítva növeld és a multimétered mutatja a kimeneten folyó áramot, összetudod hasonlítani a panelmérő által mért árammal.Mivel egyik sem ideális (tehát nem nulla a belső ellenállásuk ezért eltérés az lesz).
A másik kérdésedre ilyen messziről nem tudom a választ, esetleg azt tudom tanácsolni hogy nézd át a beállításokat (pl. az Alkotós tápban a a negatív ágban van a sönt ellenállás, ezt is figyelembe kell venni a mikrokontrolles panelműszernél -ha jól emlékszem )
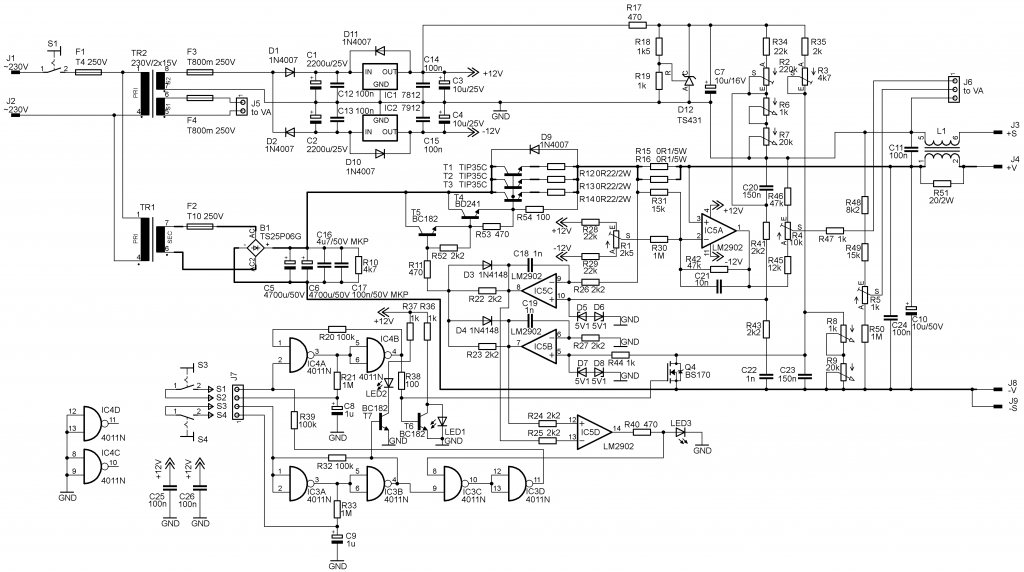
Egyébként én is Attila panelműszerét fogom megépíteni. A labortápom pedig ha minden jól megy akkor a csatolt kapcsolási rajz alapján fog elkészülni.Ha valaki észrevesz valamit benne ami nem jó akkor kérem szóljon, hátha elnéztem valamit. Lesz rajta egy elektronikus ON/OFF - egy nyomógombbal megvalósítva ( S3 ), valamint egy elektronikus fuse ( S4 ), ami azt csinálja hogy ha aktív akkor nem vált át áramgenerátoros üzemmódba, hanem lekapcsolja a kimenetet.
Hello!
Itt rengeteg probléma van. - Nem látni, de vélhetően a CMOS kapuk a GND és +12V tápot kapják meg. Nos a tápegység GND pontja, nem más, mint a labortáp, pozitív kimeneti pontja. Viszont a BS170 forrása (amit vezérelni akarsz a CMOS-al), a táp negatív pontján, vagy is kimenő feszültségtől függően 0..-40V között van. Hogy fogja a CMOS vezérelni azt? - A Fet Gate rá van kötve a T6 bázisára, ahol 0V/650mV van. Az nem lenne elégséges a Fet vezérléséhez, még akkor sem, ha a Fet forrása a GND-re lenne kötve. - Az R38 értéke nagyon kicsi, túlterheli IC4b kimenetét. T7 bázisáról nem is beszélve, ami közvetlen van bekötve IC3b kimenetére, ahol ettől aztán nincs is meg a logikai szint, ami vezérelné IC3a bemenetét. - Az IC3c bemenetéhez a Led3-ról veszel feszültséget, ami szintén nem elegendő IC3 bemenetének magas szintjéhez. Azt az R40 másik felére kell kötni. - Az IC4a-b áramkör kialakítása nem megfelelő. Ha pld. a táp ki van kapcsolva, IC4b kimenete alacsony, akkor az visszacsatolódik R20-on keresztül IC4a bemenetére, aminek szintje szintén alacsony lesz. Ha egy NAND kapu egyik bemenete alacsony szintű, akkor annak kimenete magas szintű. Vagy is kedvedre nyomogathatod S3 nyomógombot, nem fog változni semmi. - De az R39-en keresztüli visszacsatolás sem megfelelő. Mert tételezzük fel, hogy bekapcsoltad S4-el az "elektronikus biztit" Ekkor IC3b kimenete magas szintű. (vagy is engedélyezi a bizti működését) Ha az áramkorlátozás Led3 Led is jelez, akkor IC3c kimenete alacsony, míg az IC3d kimenete alacsony szintre vált. Ez a jel, R39-en keresztül kikapcsolja a tápot. Ekkor viszont megszűnik Led3 jelzése, hiszen megszűnik az áramkorlát is. Megszűnik Led1 jelzése, mert kikapcsolt a táp. Led2 jelez, mert a "bizti" be van kapcsolva. Csak éppen nem tudni, hogy mi történt, vagy is mi kapcsolta le a tápot, mert ez egy szemvillanás alatt zajlik le. Valamint S3-al nem tudod újra bekapcsolni a tápot. (Persze ezek akkor működnének, ha tényleg be-ki tudnád a tápot kapcsolni a BS-el, és a tranyók bázisa rendben lenének) üdv! proli007
Sziasztok!
Édekelne a következő tápegységről a véleményetek?Előre is köszönöm!
Hello! Szeretném megépíteni az Alkotó féle labortápegységet,csak az a problémám hogy 2N3055-ös tranzisztorom nincs,helyette gondoltam a 2N3773-as tanyót.Szerintetek így isműködne a kapcsolás, vagy inkább felejtsem el a dolgot?De azért a biztonság kedvéért csatolom a kapcsolást !Segítségeteket előre is köszönöm!
Helló!
Köszönöm a segítséget, kijavítom a hibákat, valószínű a BS170 helyett egy miniatűr relé lesz, akkor nem lesz probléma, valamint a többi hibát is kijavítom és összepakolom breadboardon ezt a kapus részt, és megnézem mit csinál. Valahogy biztos megoldható a dolog.
Sziasztok!
Készítettem egy videót a 2.7.4b labortápomról amit nemrég teszteltem. Tökéletesen működik, merem ajánlani mindenkinek aki még nem tudta eldönteni, hogy melyiket építse meg. Video (Azért ide írtam nem pedig a ki mit épített témába mert még nincs kész.)
Frankó lett az új 2.7.4 táp. Gratulálok az elkészítéshez is PIC-nek.
Erősen gondolkozok, hogy csinálok egy facelift-et az én 2.7.1 tápomon. Hogy látod? Ez a hűtőborda elég lehet egy 30V 5A-es táphoz? Én sokkal nagyobbat használtam annó. Hogy alakul a minimális beállítható áramkorlát? Az enyém nem tudott 20mA alá menni. Lehet ha már meg túrom a tápomat, akkor már az előszabályzósat kellene megcsinálni.
Nagyon rég ezt az Elektoros tápot használom,napi használatra nekem bevált. Egyszer pakolta ki az áteresztőket a majd húsz év alatt.
Üdv!
Szeretnék egy kis segítséget kérni. Szükségem lenne egy változtatható feszültségű tápra. 0-30V feszültségig. Ehhez találtam is egy kapcsolástBővebben: Link (ami kellően egyszerűnek is látszik számomra ), ami a gond, hogy arra lenne szükségem, hogy a kapcsolás tudjon 20 A-t. A trafóm megvan hozzá, jó combos darab, csak nem tudom, hogy a kapcsolást át lehet e variálni ehhez. Azt írták a kapcsolás leírásában, hogy lehet növelni az áramerősséget megfelelő alkatrész változtatásokkal, de nem tudom hogy kezdjek neki.
Köszönöm szépen a gratulációkat!
Jól esnek.Az áteresztőtranzisztorokhoz vezető kábelek még csak forrasztva vannak, majd még venni kell ilyen sorkapcsokat. Az ilyen csatlakozókat szeretem én készíteni nem pedig megvenni kábellel készen, így olyan színű kábelt forrasztok bele és olyan hosszút amilyet szeretnék. (és ráadásul filléres dolog) A hűtőborda 3A-rel terhelve ventilátor nélkül elkezd melegedni rendesen, de majd az automata Alkotó féle két szenzoros automata hűtés megoldja a problémát már az is kész és tökéletesen működik. Nomeg nem hiszem, hogy huzamosabb ideig nagyon megterhelném....és hogy Köbzoli szavaival éljek: a "Gyorsan dobozba vele." művelet hamarosan meg is kezdődik
Mondjuk indulásként gondolkozz el azon, hogy ha a 30V-ot és a 20A-t egyszerre akarod tudni, akkor oda nagyságrendileg egy min. 600W-os trafó kell (a valóságban inkább nagyobb). Ha utána ezt a kapcsolást mondjuk 2V-ra állítod, és megterheled 20A-rel, akkor min. 28V * 20A = 560W-ot (a valóságban inkább ennél is többet) kell elfűtened a kapcsolásban levő tranzisztorokkal és söntökkel.
Mi az elképzelésed, hova gondoltad tenni ezt a meleget?
Üdv.
Ha már be a dobozba vele hangulat van. Luca széke módban de haladok én is.A képek készülte óta már egy rakat kábelt bekötöttem ill. előkészítettem bekötésre.
Üdv!
Tehát ilyen paraméterek mellett elfelejthetem az állítható feszt. Vagy lesz egy rezsóm aminek nem sok értelme. Azért köszönöm.
Nem feltetlenul lesz egy kalyhad.
Ajanlanam atolvasasra Alkotó-s tápleírás v1.0 cimu irasat. Ebben egy reles elovalasztorol esik szo, ami segithet a nagy elfecserelt energia mersekleseben. Esetlegeg az igenyed pici modositasa is pozitivan befolyasolhatja valasztasod. Oly sokszor leirtak mar elottem az OKOSOK, hogy nem sok olyan eszkoz van ami elesztesehez 3-5A-nal tobb kellenne. Ha meg a mukodesehez szukseges megis a 10-20A akkor annak mar sajat betaplalasa lesz, es nem a labortaprol fogod jaratni.
Így van. Miért írtad szürkével.
Nekem van egy 200A-es bika tápom ami 12V-ot tud. Ha tesztelek, vagy terhelés alatt mérem az erősítőket akkor azt használom. Javításhoz meg bőven elég az 5A-es labortáp.
Ezeknek a tranzisztoroknak körül belül mekkora hűtés kell,mert 2N3773-ból van 3 db,és még mellettük van egy BD244 is.Ha én a 0-30V/0-3A -ig szabályozhatót szeretném megépíteni.
Hello!
Persze működni fog az, csak egy dióda kell majd a kettő közé. Elfelejtettem írni, hogy az IC5d kimenete és a IC3c bemenete közé, egy 10..100kohm-os ellenállást tegyél, mert az IC5 felől negatív feszt (kb. -10V-ot) fog kapni a kapu. de ha van soros ellenállás, a bementi védődióda simán levágja a jelet és nem lesz gond belőle.. üdv! proli007
Ha az egyik PNP, a másik NPN, akkor mégis hogyan gondoltad?
Üdv!
Labortápegységet szeretnék készíteni., a terv az lenne, hogy Uki: 0-20V és Iki: 0-4A, viszont mindezt 5mV és 1mA felbontással. A referencia feszültségek előállítása lenne csak digitális (12 bit DAC/ 4.096V ref), a szabályozás teljesen analóg. A mellékelt fájl tartalmaz egy, egyenlőre nagyon egyszerűsített, koncepciót. A feszültség szabályozás nagyon egyszerűen és pontosan megvalósítható precíziós műveleti erősítökkel (LT1014A v. LT1179 v. OPA4188...). A probléma az áramkorlát pontos beállítása, mivel az árammérés a felső ágban (high-side current sensing) történik. Itt U_common_mode 0...Uki_MAX között van, ezért valamilyen spéci megoldás kell: - vannak direkt "current sense" áramkörök erre a célra, de, vagy nem lehet 0V-ig levinni a feszültséget a bemenetükön (INA138), vagy nem elég pontosak (INA193 20mV alatt nem pontos), vagy a takozásuk nem megfelelő számomra. - "difference amplifier": én ezt használtam a mellékelt fájlban (INA105), itt is vannak hátrányok - "instrumentation amplifier": nem jó mivel U_CM_MAX kisebb mint U_ki_MAX. Van erre valamilyen jobb módszer, vagy jó lesz az enyém is? Előre is köszönöm.
Öhhmmm...
Mivel levetted a kapcsolóüzemű előszabályozó részt, ezért nem kell a 2x4700µF elkó, elég 1db 10000µF-os is. Továbbá a 4,7µF-os fóliakondi sem kell rá, mert nincsenek a kapcsolóüzemből eredő tranziensek. Hasonló okból a kimeneti fojtó sem kell. IC5A amikor a kapcsolást terveztem akkor az akkori elektronikai ismereteimhez mérten jó ötletnek tűnt, de most már tudom egy borzasztó rossz megoldás. Ultra alacsony offsetű OPA kell és kész. A segédtáp is elég béna megoldás, mert a negatív ág terhelése nagyságrendekkel kisebb. Ma oda egy graetz-et és egy 7805-öt tennék (bocsi, 7812-őt) és a negatív segédtápfeszt mondjuk egy 555-el vagy egy ICL7660-al (valami ilyesmi neve van) oldanám meg. IC5D-t anno azért tettem oda hogy minden OPA használva legyen ha már ott van. Felesleges, a LED-et a két szabályozó OPA kimenetei közé be lehet kötni és kész. Felesleges a két szekunder tekercs, mert mint írod az én műszeremet használnád a táphoz. Nos, az gyönyörűen elműködik a labortáp által előállított segédtápról is (direkt így terveztem hogy megspóroljunk egy szekundert), csak nem +-12V-osnak hanem +-5V-osnak kell lennie. Ehhez kellene átméretezni a dolgokat. Kis ügyeskedéssel megoldható lenne, hogy ne legyen külön 1-1 emitter ellenállás a teljesítmény-tranzisztoroknak (apropó, miért cserélted ki a fetemet bipolárisra?) és egy árammérő sönt. A tranzisztorok emitter-ellenállásait lehetne használni söntnek! Ezáltal csökkenne a táp disszipációja, növekedne a hatásfoka (egy picit), és az Ukimax jobban megközelíthetné az Ube-t. Az egyetlen dolog amit te tettél hozzá a kapcsolásomhoz (logikai rész) ahhoz inkább hozzá sem szólok, főleg hogy Proli007 már megtette.
Köszi az útbaigazítást köbzoli!
Szia!
Mint láthatod az én elektronikai tudásom csak idáig terjedt. Ezért is köszönöm hogy hozzászóltál.Jó néhány szarvashibát elkövettem a logikai résznél, amit talán ha még párszor átnézek vagy esetleg neki is állok összepakolni akkor rájöttem volna de nem figyeltem, csak gyorsan megosztottam hogy mit szóltok hozzá. Néhány észrevételedre reagálnék, illetve kérdeznék: - 2x4700u azért van mert ilyenem van itthon, nem kell venni - a 4u7-et azért tettem én is be mert főleg audio áramköröket építek és ha kipróbálom akkor egy kicsit segítsen be a szűrésbe, ugyanis nagyobb frekvenciákon a nagyobb elkók már nem igazán érvényesülnek - akkor a kimeneti fojtót kidobhatom, és a a segédtáp GND-je mehet a pozitív kimenetre? - IC5A helyére akkor tegyek egy alacsony offszetű OPA-t és akkor a kiegyenlítéshez használt trimmer és a két ellenállás sem kell? - a segédtápot pedig átgondolom, esetleg ha tudnál ajánlani valami jó kis kapcsolást a negatív ágra az jól jönne, de agyalok én is rajta - az 1 és két szekunderes paneltrafó ugyanannyiba kerül, ezért nem is gondolkodtam rajta hogy mást megoldást válasszak ( a panelműszer táplálására ) - hogy miért cseréltem le a FET-et bipolárisra? Fogalmam sincs. Hogy a logika részhez nem szólsz azt megköszönöm, már én szégyenlem a pofámat hogy így elcsesztem, pedig ennyire hülye nem vagyok, csak már régen foglalkoztam elektronikával ilyen szinten, megkopott az agyam egy kicsit, éppen azért épül ez a táp is hogy komolyabban neki tudjak állni néhány dolognak. Köszönöm az eddigi segítséget mindkettőtöknek, hamarosan áttervezem az egészet, az általatok javasoltra. yagi
Szia!
Csak ma tudtam a táppal foglalkozni. Egyébként 50VA-s. A kimeneten maximum 25V-ot tudok beállítani és ehhez az értékhez az i max-ot 0,4A -ben. Egy kisebb pic-es panelt és lcd-t már el sem visz. Egyébként toroid trafóról van szó. Gyenge hozzá a trafó? Érdemes egy nagyobbal kipróbálnom, vagy esetleg máshol keressem a hibát? Köszi
Nagyon jó nyomon követni ahogy haladsz vele! Nagyon szép munka, minden elismerésem. A gyári műszerdobozt nem találod gyengének? Én is vettem pár éve ilyet, és az alsó lemez az jócskán meghajlott a 400VA-os toroid alatt.
Mondjuk az másfajta doboz volt, jóval kisebb is volt. Egyébként majd Én is ezt a tápot szeretném megépíteni. A rajzokat elnézve nem lehet rossz. |
Bejelentkezés
Hirdetés |









), ami a gond, hogy arra lenne szükségem, hogy a kapcsolás tudjon 20 A-t. A trafóm megvan hozzá, jó combos darab, csak nem tudom, hogy a kapcsolást át lehet e variálni ehhez. Azt írták a kapcsolás leírásában, hogy lehet növelni az áramerősséget megfelelő alkatrész változtatásokkal, de nem tudom hogy kezdjek neki.
már az is kész és tökéletesen működik. Nomeg nem hiszem, hogy huzamosabb ideig nagyon megterhelném.






