Fórum témák
» Több friss téma |
Mielőtt kérdezel, a következő két dolgot ellenőrizd!
I. A helyes tápfeszültségek megléte.
II. A kimeneten van-e egyenfeszültség.
Élesztés.
Ha 2x10.000uf kondi az már elég/séges/ mennie kell.
2x2 10000µF láttam 1-2 tápba hogy külömbüző ic ket tesznek meg ilyeneket, ez igazából egy 4ohmos mélyládát fog hajtani a minőség annyira nem számít.
Nem kell semmi ic meg hasonló,talán még 2db 100nf 100voltos tantál kondi a gerjedés miatt és ennyi a táp része.
Küldenél egy képet 100nF-os 100V-os tantál kondenzátorról?
Biztos csak elírás, de van hasonló: Bővebben: Link
Lenne még két kérdésem:
1. Ezeket a 100W-os végfokozatokat meg lehet csinálni autóerősítőnek? (nem szeretném, de hajt a kíváncsiság) Mármint, ha meg is lehet, ami bizonyára valószínű, akkor kell ehhez valamiféle kapcsolás, avagy csak rá kell kötni az akkumulátorra a végfokokat, mint a rendes autóerősítőket? (Gondolom nem valószínű, mivel fenn áll a veszélye, hogy túl áramot kapnak a végfokok és így tönkremegy az erősítő...) 2. Egyik szintén kezdő elektrós barátom javasolta, hogy ráköthetem pl.: számítógépre vagy egyéb lejátszó eszközre simán a végfokokat előerősítő nélkül. Kipróbáltam így is. Ezzel tisztában vagyok, csak az a baj, hogy így nem fog nagyot szólni, szerintem kivéve akkor, ha egy autórádióra kötöm rá. Szóval visszakanyarodva a dolgokra jó lenne úgy is, csak akkor nem szól nagyon az erősítő, mivel a kis hangfrekis jelet nem tudja eléggé felerősíteni a végfok és is nem szól nagyot, hanem kb. 50%-os teljesítmény érhető csak el....
A megoldást ebben a témában találod.
A számítógép hangkártyájának kimenete az erősítők többségét maximálisan ki tudja vezérelni. Ehhez természetesen a szoftveres hangerőszabályzókat fel kell venni.
Igen bocsi kerámia kondit akartam irni,
http://www.hestore.hu/cat_63.html?cat=63&pg=1
Sziasztok,
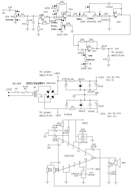
Megépítettem az erősítőt-majdnem-. A kapcsolási rajz bal felső sarkában van egy 1µF-os kondi.Ha jól emlékszem fóliakondi kéne oda,de nincs. Lehetne helyettesíteni egy 2,2µF-os elkóval? Köszönöm
Helló!
Méregettem az tranzisztorokat, ugy néz ki hogy minden a helyén van, minden működik. Most egy aktiv sub szűrővel próbálkoztam ami 2. ra sikerült. Az erősítőt feltettem a polcra, kicsit stresszes a munkahelyem aztán félek hogy kárt teszek benne. hétvégén előveszem aztán kipróbálom valahogy. Tényleg, ehhez érdemes előerősítőt építeni? mert itt az oldalon lévő kapcsolások között klvő aktiv szub szűrő lesz előtte de az előerősít is? vagy csak szűr?
Azért érdeklődöm mert nézegetem egy ideje ezt a véget és a véleményre lennék kiváncsi hogy szól
Hát valahogy vezérelni kell hangerő mindenképp az előfok meg csak rajtad múlik akarsz e.Nem ismerem a sub szürőt de valószínű emel a jelszinten
Üdv.!
Lenne két 16 Ohm 2W-os hangszóróm, amikhez szeretnék egy erősítőt készíteni. Úgy szeretném, hogy a bemenete egy sztereo Jack csatlakozó lenne. Ha esetleg megoldható lenne, hogy elemről is menjen, akkor az még pluszban nagyon jó lenne, de ez már csak hab lenne a tortán. Tudnátok ehhez ajánlani valamilyen kapcsolást, vagy IC-t?
Üdv! Erősítőnek az LM386 végfok IC-t ajánlom. Ez a téma foglalkozik vele. Sztereóhoz kettőre lesz szükséged belőle.
Udv!En meg ajanlanam neked a tea2025b erosito ict,sztereo.Nekem ket sorbakotott telefon akkumulatorrol 4 ohmos hangszoroval gyonyoruen mukodik,mivel neked 16 ohmosak,meg kevesebbet fogyasztana.[Hosszabb uzemido.]Ez az ic is egy lehetoseg,remelem segitettem.
Sziasztok!Segitséget kérnék,adott egy sztereó tranzisztoros erősitő,az a probléma vele,hogyha rövidre zárom az egyik bemenetet,akkor elkezd sipolni a hangszóró,de hogyha a kimenet közös pontjával zárom a bemenetet akkor viszont nem sipol.Tudna valaki megoldást a hibára?Előre is köszönöm.Üdv.
Rossz a bemeneti test (el kezd oszcillálni a szerkentyü).
A testeket csillagba illik kötni, mert az sokat segit (-het).
Esetleg nem lehetésges, hogy véletlenül nem az egyik bemenetet zárod a GND-re, hanem a két bemenetet egymáshoz?
Még annyit szeretnék, hogy mi a különbség hogy 0.33,vagy 0.47 óhmos az emitter elenálás?.
Nem!mert független egymástól a két oldal.
Erről lenne szó.
TDA2822M sztereó ic ajánlanám, olcsón hozzá lehet jutni.Bővebben: Link
Közbe megoldottam a problémát,hogy megvágtam a bemenet melett lévő test fólia csikot,és külön vezetékkel kötöttem össze a kimeneti közös ponttal,és igy már teljesen csendben van.Köszönöm az eddigi segitséget.Üdv.
Köszönöm!
Szóval ha számítógépre kötöm rá az erősítőt, akkor nem igényel előerősítőt?
Hát látom próba cseresznye legfeljebb füstgépnek eladom ha rosszul gondolom ...
Helló,
rendelkezem egy 2.1-es hangrendszerrel (sat: 8W - 4 Ohm és sub: 24W - 4Ohm), amihez szeretnék házilag bütykölni egy erősítőt kis extrával. Az extra mindössze egy távirányítási lehetőség lenne, amihez már vannak ötleteim és elképzeléseim is, viszont a hangtechnika területén gyöknulla tapasztalattal bírok. Elkezdtem átolvasni a témát, próbáltam keresni is, de mivel fogalmam sincs mi lenne nekem a megfelelő, nem tudom miben mélyedjek jobban el. Azzal a kéréssel fordulnék hozzátok, hogy ha van valami javaslatotok, merre induljak kereséssel, tanulással, osszátok meg velem. Köszi: IGB
erre gondoltál?
Bővebben: Link
A történet az, hogy a hangrendszer a tv-re van kötve, és a tv távirányítójára szeretném hangolni az egészet. Sajnos a tv hangereje maximumra állítva se haladja meg a suttogást, így az nem zavarhat be. Viszont a hang kimenetnél szép egyenletes jelet küld ki, amit most is a hangrendszer eredeti elektronikájával használok, csak ugye a lustaság nagy úr, és nem esik jól felállni minden reklámnál, csatornaváltásnál, hogy beállítsam a hangerőt.
Ahogy néztem az eredeti erősítése annyira átláthatatlan, illetve a hangerő kezelés olyan bonyolult nekem, hogy inkább építenék egy újat mindenből. Gyakorlatnak se lenne utolsó azt hiszem. A hangrendszer amúgy egy régebbi JBL creature II. |
Bejelentkezés
Hirdetés |





hétvégén előveszem aztán kipróbálom valahogy. Tényleg, ehhez érdemes előerősítőt építeni? mert itt az oldalon lévő kapcsolások között klvő aktiv szub szűrő lesz előtte de az előerősít is? vagy csak szűr?





