Fórum témák
» Több friss téma |
Mielőtt kérdezel, a következő két dolgot ellenőrizd!
I. A helyes tápfeszültségek megléte.
II. A kimeneten van-e egyenfeszültség.
Élesztés.
Köszönöm mindenkinek, a baráti hozzászólást. Már egyre közelebb a cél. -Aztán jöhet a többi elmélet -majd az azt követő gyakorlati megvalósítás. Dobozt csak az kap amelyik megérdemli.
Szia! A TDA2052 a maximális +/-25V tápfeszültséggel 6 ohm terhelésre 40W-ot képes leadni. Ha figyelembe vesszük, hogy a táp esni fog a terhelés hatására, valamint nem fogod 5-10% torzításba vezérelni az erősítőt - teljes nyugalommal ajánlom a megépítését. Az, hogy milyen hangos lesz, a hangsugárzód érzékenységén is múlni fog.
Sziasztok!
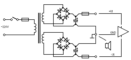
Erről az erősítőről szeretnék kérdezni,hogy 75 volt-ról kb mekkora teljesítmény leadására képes 8 ohm-ra és , hogy milyen osztályú ? B osztályú erősítőt szeretnék építeni 70-100 Wattosat asszimetrikus táppal az se baj ha tud 4 Ohm -ra dolgozni. A válaszokat előre is köszönöm.
Nem asszimetrikus ,hanem szimpla. Az asszimetrikus azt jelenti hogy nem a egyforma. (Tudod mint a csajok melle.
Nézd meg ezt a topikot . Itt is találsz egyet. Bővebben: Link
Szükségem lenne, egy olyan aktív váltóra ami 18dB/oktáv meredekséggel aluláteresztő szűrő 160Hz-nél és 70Hz-nél 12dB/oktáv meredekségű felüláteresztő szűrő. Valami program nincs ami kiszámolja az értékeket?
75 voltról is biztos lehetsz benne hogy működik. A kapcsolás AB osztályú, a nyugalmi áram pedig fixen beállított. Lehet hogy 75 volttal torzítani fog így a nyugalmi áram beállításon változtatnod kell. A 4 ohm se jelent problémát szerintem. Mire szeretnéd használni? Hangosításra? Otthoni zenehallgatásra? Csak mert ez a topológia nekem egy picit gyenge. Nem tudom megéri-e az utánépítést, tekintve hogy ettől sokkal egyszerűbb és jobb kapcsolások vannak, akár még szimpla táppal is. A tranzisztorok típusai is el vannak írva szerintem, C2238 az szerintem SC2238, A968-ra semmit nem dobott ki a google, de a germániumok voltak régen A betűsek ha jól tudom. Ez jót mááááár nem jelent...
Sziasztok!
Köszönöm a válaszokat ,most már ezt is tudom ,hogy szimpla táposnak hívják. Keresgéltem az interneten ,de 75 v környékére nem találtam kapcsolást ami B osztályú szimpla tápos.
Sziasztok!
Van egy kapcsolás amit már kipróbáltam és 60 v -ig jó ,de nemtudom ,hogy működne -e 75 v -al is.
Idézet: „A tranzisztorok típusai is el vannak írva szerintem, C2238 az szerintem SC2238, A968-ra semmit nem dobott ki a google, de a germániumok voltak régen” Nincs elírva,csak elé kell tenni,hogy 2S....
Sziasztok létezik hogy a hangszóróvédelemben az egyenfesz figyelő túl érzékeny.A végre felkötöttem egy hangszínszabályozót,és ha azt feltekerem folyamatosan leold a védelem.Nemigen értem.Pedig mértem 1.8mvolt van a szabályozó kimenetén,ami nem sok.Köszönöm
Felkötöttem a szabályozót egy másik végre egy csinált TDA-s kis 12 voltos vég védelem nélkül azon jó,semmi rendellenes nincs,
Hy "mesterek" van egy erositom 2x350W 8ohm 2x 500W 4ohm 1000W 8ohm hidban. lehet ezt 40hm on hasznalni hidban? ugy menyit adna ki? Bővebben: Linka
Szevasz, hídban 4 ohmra nem szabad le terhelni!, akkor már 2 ohm ellenállás esne a két végfokon, és az meg főzné szegényt. És sehol, sem látom hogy bírná a 2 ohmos terhelést.
Es ha raknak bele meg 20darab vegtranzisztort? gyarilag 20dr van benne. A P3200 mar birja oldalankent is 2ohm os terhelest... pedig az csak 15kg... az enyem 27kilo... meg 1600Va trafo van benne...
Csak az a helyzet hogy a másik típusnak a végfok-ja más elven működik mint a tied, az nem úgy van hogy rakok még bele 20 darab tranzisztort, és mindjárt bírja a 2 ohmot is, ott kemény feltételeknek kel meg feleljen a végfok ahhoz hogy bírja a 2 ohmot is! Nem értem miért nem elég neked ez az erősítő, már 500W-nagyot tud szólni 4 ohmon.
Elegnek eleg az 500w 4ohm on oldalankent" Csak sok hangfalam van es azert erdekelt hogy lehetne e tobbet kihuzni belolle!!Majus elsejetol 3ikaig 4ohm on szolt hidba 2dr 18" volt rolla hajtva huvosben voltak a vegfokok es tartotta a Yamaha az 55c hutobordan rajtavolt a multimeter szondaja es eleg surun neztem....Bővebben: Link Bővebben: Link
Akkor viszont meg sok át alakítás kellene az erősítőn végezni, a trafót startból ki szelektálnám belőle, a toraidok sokkal jobbak az e+i vasmagosoknál, puffer kondít meg növelném duplájára, és még ezen kívül sok mindent kéne alakítgatni, de ez a végfokodtól függ, milyen áramkörrel rendelkezik, hogy van meg oldva lehet e fejleszteni. Szerintem jobban járnál ha vennél egy újat, vagy használtan is kapsz, és akkor nem kel birizgáljad a végfokodat, és meg van oldva a keleti kérdés. Én ajánlom neked a The T-AMP 2400-ast az van nekem is 1200W-ot tud 4 ohmon, nem is olyan drága, és jó meg bízható végfok.
Szia! Minél nagyobb és minél alacsonyabb frekvenciájú jelet kap annál könnyebben leold a védelem. Az előtét ellenállást, vagy a kondit növeld.
Sokan dicserik a The T-AMP 2400... Te mien hangszorokat hajtasz rolla?Szervizelted mar?Nagyabol abban mien cucc van? trafo,tranyok?
A The T-AMP, ban van 6 darab 2SC 5200 as, 6 darab 2SA1943-as 2x125 x 2x45V ról üzemel és egy 3000W-os trafó szolgáltatja az energiát, 4 darab 35 A-es egyenirányító híd, és 8 darab 10000 mikrofarados kondenzátor látja el a végfokokat. Nagyjából ennyi. 2 darab US Blaster 700/1400W-os/4 ohmos hangfalat hajtok vele.
Valaki tud segiteni miert nem szol?
Sohasem csinaltam meeg 2 graetzel egyent. Ezt probalom megalkotni, de gyanitom ne jo helyen veszem le a hangszoro foldeleset. 7294 sima.
Az sem rossz, nem mondom. Még tudom neked ajánlani a DB-tól a DB HPA 1400-ast Hd osztályban működik és nem melegszik egy cseppet sem ami nagy előny, nekem ez van még a TA mellet még. Nagyon jó hangú kis vég fok ez is, ebben is 2 SC 2500-as, és 2SA 1943-as dolgozik. Ez a végfok már jóval drágább de meg éri a pénzét.
DB TECHNOLOGIES
Olyasfajtan szol mintha alulvago szurot csinaltam volna.
Ez mitol van?
Precision Devices szoro rol halottal? Egyik ismerosom kinal 21" et, anyi a baja hogy kicsit szet van szakadva... 1850 tolcserbaszusban volt es a kis kompreszios kamraban levo vakum szakitotta szet a ficko szerint aki arulja... mert 12mm a kilengese a hangszoro nak...Bővebben: Link
Na ilyet még nem láttam hogy így el legyen intézve egy hangszóró, de még olyat sem halottam hogy a vakum intézi el ennyire a hangszórót, hát mit mondjak nem semmi.
Hallottam már erről a márkáról, de szerencsém még nem volt hozzá.
Hallottam olyat is hogy 21 colos hangszórók nagyon lusták, és nem szólnak olyan jól mint mondjuk egy 18 colos hangszóró, neked volt már szerencséd 21 coloshoz, hallottál már egy ilyet hogy hogy szól?.
|
Bejelentkezés
Hirdetés |









Hallottam már erről a márkáról, de szerencsém még nem volt hozzá. 



