Fórum témák
» Több friss téma |
Fórum » Házilag építhető fémkereső
A többrétegű nyák furatgalvanizált, elvileg forraszthatók az alkatrészek. Persze óvatosan.
Mielőtt szétszeded, érdemes lenne szkóppal megnézni egy pár ponton, hogy van-e egyáltalán valami jel. Akár találomra is. Így még akár a kiszáradt elkókat is ki tudod szűrni. Kezdetben a tekercs kivezetéseket, műveleti erősítők kimenetét nézném meg...
Hammerhead-hez van még 1-2. 8x10cm nem smd, 2 oldalas furatgalvános nyák.
Köszi, az most nagy nekem, egy vékony csőbe szeretném beépíteni. Surfnek megvan a hagyományos, de hosszúkásra tervezett áramköre, de annál is kisebbet szeretnék.
Tényleg, hogy vált be a Hammer?
Ezért az eredményért akkor sem fognék neki ha fizetnének érte. A játékok többet tudnak.
Esetleg annyit hogy milyen huzalt rendeljek innen hestore bol?
Terepen még mindig nem próbáltam, illetve szkóphoz se jutottam, jó lenne beállítani pontosan az időzítéseket. A nyelet is be kéne fejeznem, csak az idő, az hiányzik.
Ha az első fejeidet tekered, szerintem ne költsél sokat a huzalra. Gyakorlásnak próbálkozzál bontott huzallal, vagy vékony, szigetelt vezetékkel. A neten olvasható adatok kiinduló pontnak megfelelőek, de ne vedd őket biztosnak, mert a bevált, sok munka és anyagigényű eredményeit senki nem kiabálja ki a hálóra.
Mire lesz annyi hulladék rezed, hogy az vastelepi árban kiteszi egy vadonatúj S.E.F fej árát, már biztosan jó fejeket fogsz csinálni.
Hát köszi, van otthon 1-es és talán 0,2 es huzalom csak nem tudom hogy mennyit kellene milyen átmérőre mert nem akarom hogy lefüstöljön tőle cucc mert kevés vagy hogy sok. De az lenne jo ha drót égne el mert vékony vagy a fet mert vastag.
Milyen ellenállás értéknek kellene lennie kb hogy ne legyen füst?
A huzalt nem fogod tudni elégetni. A FET-et előbb. Ha nagyon vastag vezetéket és kevés menetet használsz, ami a készüléket veszélyezteti, akkor a készülék és a fej majd szól, ne aggódj. Nem hangosan, de szól.
Kezdetnek az Equinox tekercsét is megépítheted hozzá. RT évkönyv, 2003. Igazából azt a készüléket, amit Te csináltál mélykeresőnek lehet jól használni. Kis fejjel is jól használható, csak szögből elég kiszedni pár százat és unalmas lesz.
Köszi a tippet, igazából arra gondoltam hogy csinálok egy 30-35cm kör/ovál alakú fejet van itthon 250g 1mm-es zománcozott huzal. De gondolom ez elég komoly menetszámban kéne, mert vastag. Lehet annyi nem lenne a dobon. A másik terv egy 1*1,5m es keret utp-ből. De előbb működjön ezzel.
szerk.:1,3 ohm műszer szerint az ellenállása így azon a kis gyári csévén. Elég lehet ha mind feltekerem?
http://www.lammertbies.nl/electronics/PI_metal_detector.html
Az oldalon található adatok alapján tekerjél. Az 1 milliméter átmérőjű huzal vastag.
Az egyenáramú ellenállás az más dolog, hiába méricskéled, ez tekercs.
Sziasztok!
Most fejeztem be a BFO rendszerű kereső áramkörét. Épített már valaki olyat, ami működött? Ezek adták az ötletet: Bővebben: Link Bővebben: Link A youtube-os beültetési rajz (ha jól látom) legalább két helyen hibás. A frekvencia méréséhez feltétlenül szükséges az oszcilloszkóp, vagy nem számít a jelalak és elég egy okos multiméter is? Még az lenne a kérdésem, hogy ha nem a megadott keresztmetszetű huzalból készítem a tekercseket, akkor azt valahogy úgy kell alakítanom, hogy az én tekercsem és a neten látható tekercs induktivitása megegyezzen? A tekercs Ohmikus ellenállása számít? Előre is köszönöm a segítséget.
Olvasd el ugyan az a home made metal detector X-es youtubos csak kicsit érthetőbb és normális kivitelezés
Videó és weboldal mellékelve: Bővebben: Link Bővebben: Link
Üdv kollégák!
Egy újabb VLF detektor építéséhez tervezek hozzálátni. A különbség az eddigi megvalósult építésekhez képest az lenne, hogy ehhez egy gyári DD fejet szeretnék beszerezni. Ehhez kérnék segítséget, ha lenne valakinek, esetleg tud valaki eladó használt tekercset, arra rámozdulnék. (az ár amit gondolok, max. 20 EFt.) Köszönöm előre. Szép napot.
Sziasztok!
Üzemképes az újonnan épített BFO keresőm. Csak találomra, hulladékból készítettem hozzá két próbatekercset, az egyik 12mm-es és kb. 130 menetes, a másik 14 cm-es és 19 menetes, kb. 0,16-os huzalból készültek. A hatótávolsága így, levegőben max. 30cm. Most készül hozzá kb. 0,35-ös huzalból az igazi referencia és keresőtekercs. A kérdésem az lenne, hogy ha az instrukcióknak megfelelően beszabályozom a frekvenciákat 100kHz körülire és a keresőtekercset kb. 27-30cm-esre építem, javulni fog-e a hatótávolság? Azt olvastam valahol, hogy az alacsonyabb frekvencia mélyebbre hatol, de a kisebb dolgokat nem igazán találja meg, a nagy frekvencia jobb a kisebb dolgokra, viszont nem hatol mélyre a talajban. Ha az én gépem 100kHz-es, ami relatíve nagy frekvencia és elvileg kis keresési mélység, növelhető-e a mélység a nagyobb keresőtekerccsel? Üdv.
A nagyobb tekercs növelni fogja a keresési mélységet, de ezzel párhuzamosan csökkenni fog az apró tárgyakra az érzékenység.
BFO-t nem tudom, VLF detektoroknál ez olyan 40-45cm átmérőtől válik érzékelhetővé. Én az explorerrel a a nagyobb gyári fejjel felveszek pl fülbevalóstekkert. Keretes gépekkel 1x1m-es tekercsel még jönnek a pénzek.
sajna néha az oszcillátorok mindenféle gerjedést produkálnak, ilyenkor a multi bármit mérhet. Szerintem akkor fog csak elfogadhatóan működni a géped, ha szép szabályos sínusod lesz
Hali!
Én is BFO-s keresőt építettem, meg vagyok vele elégedve egy bizonyos szintig, a kereső tekercsem pedig 21 cm átmérő, 19 menet, 1mm átmérő zománc huzalból, freki 50 kHz. Próbálkoztam én is mindenféle keresőtekercssel, de úgy tapasztaltam hogy kisebb induktivitás és nagyobb kapacitás az előnyösebb érzékenység szempontjából. A huzalátmérőt célszerű lenne kicsit növelni, a tekercs jósági tényezője kicsit javulna. Üdv.
Szia!
Te melyik áramkört építetted, vagy hogyan módosítottad? Milyen eredményeket produkál a gép? Nekem ez lesz az első gépem, így nincs túl sok tapasztalatom.... Mostanában készítem a keresőtekercset, a referenciatekercs már kész, de 100 kHz-re van beszabályozva. Ha a leírásokat jól értelmeztem, a keresőtekercsnek is valahol a 100 kHz környékén kell üzemelni, +/- néhány kHz? Mindenkinek köszönöm a válaszokat! Üdv.
Hali!
Én a DX 1000-est építettem meg, amit itt már sajnos kicsit lenéznek a többiek. Viszont egy frekimérővel életre lehet kelteni, nem kell hozzá szkóp. Érmézéshez kiváló, a keresési mélysége hagy egy kis kívánnivalót, de volt már hogy sörösdobozt nedves homokban 2 ásónyi mélységről jelezte. Az alumínium fület 15 cm mélyről jelzi. Az áramkörön annyit módosítottam hogy egy egyszerű stabilizátort építettem a telepek után, (2x4.5 V laposelem) és 8 V - ra állítottam be. Ez elég sokat használt az oszcillátorok együttfutása szempontjából. A másik változtatás a helyi oszcillátort a keresőoszcillátor szerinti kapcsolás mintájára építettem. Üdv.
A feszültség stabilizálást hogyan oldottad meg? Tudomásom szerint egy elem (nem akku) cella akkor tekinthető lemerültnek, ha a kapocsfeszültsége 0.8 volt. Ez a Te esetedben 4.8 volt.
Bocs, elfelejtettem közölni hogy sorba kapcsoltam a két
lapos elemet. Tehát úgy üzemel, hogy ha 8,2 V alá esik a feszültség a két telepen, akkor kezd csökkenni a tápfesz az áramkörön. Azért kell alkalmazni npn germánium tranzisztort stabilizátornak hogy csak 0,2 V essen rajta. Egyébként nagyon jól bevált. Persze lehet más feszre is kiépíteni.
Azt gondoltam, hogy sorba vannak kapcsolva a telepek. De a 8.2 voltos pakk még nem lemerült.
Persze, de kisebb feszre is be lehet lőni, de úgy tapasztalom, hogy a laposelemek ha 8 V környékén vannak, akkor már nem sokáig tartanak.
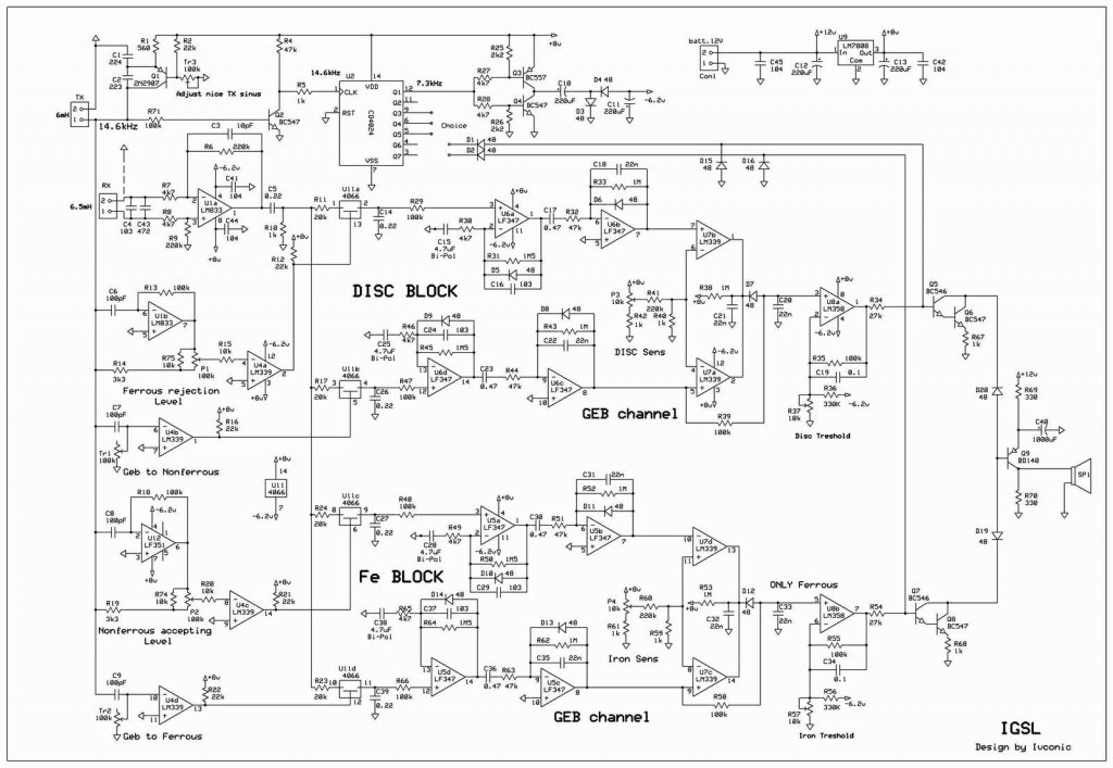
Üdv!
Te melyik IGSL kapcsolást építetted meg, mert a netten van pár variáns, esetleg egy nyáktervet kapcsolással tudnál adni?
Helló!
A TGSL fejes variánst építettem meg. A nyáktervet kissé módosítottam, 3 plusz kondenzátor bekerülése miatt és pár huzalátkötést kiszedtem, amit ki lehetett. Egy-egy 10 pikós kondi került az U1B 6-7 és az U12 2-6 lába közé, mivel a kondi nélkül gerjedtek. Ezen kívül kapott még az áramkör egy plusz tápfesz szűrő kondit, azon a részen, ahol már túl hosszúnak ítéltem a tápfesz fóliát. A kapcsolásban szerepelnek 4.7 mikrós bipolár kondenzátorok. Ezeket az eredeti nyáktervben kettő darab, soros 10 mikrós hagyományos elkóval tervezték. Nem tudom, hogy miért, de ezeket is megszüntettem, és most úgy van, ahogyan a rajzon is.
Az előbb elfelejtetem odaírni, hogy a műveleti erősítőket a TL081-082-084 szériával behelyettesítve is tökéletesen működik az áramkör.
|
Bejelentkezés
Hirdetés |















