Fórum témák

» Több friss téma
Fórum » Elektronikában kezdők kérdései
- Ez a felület kizárólag, az elektronikában kezdők kérdéseinek van fenntartva és nem elfelejtve, hogy hobbielektronika a fórumunk!
- Ami tehát azt jelenti, hogy a nagymama bevásárlását nem itt beszéljük meg, ill. ez nem üzenőfal!
- Kerülendő az olyan kérdés, amit egy másik meglévő (több mint 17000 van), témában kellene kitárgyalni!
- És végül büntetés terhe mellett kerülendő az MSN és egyéb szleng, a magyar helyesírás mellőzése, beleértve a mondateleji nagybetűket is!
Lapozás: OK   127 / 4035
(#) burkus hozzászólása Okt 8, 2007 /
 
hello van ez az adatlap amit csatoltam azt szeretném kérdezni hogy ott az utolsó rajzon nem e lehetne elhagyni azt a 4,4 V-s zener diodát ?

datasheet.pdf
    
(#) robbbb hozzászólása Okt 8, 2007 /
 
Sziasztok!

Van suliba laborból 1 házim,amit assembly-be kell megírni és a "picoblaze" nevű progiba kell futtatni.
A feladat ez:Készítsen egy számlálót felhasználva az f1 ~1Hz frekvenciájú jelet. A számláló állapotát a LED-eken jelenítse meg.
Már van 1 kész progim ami valamiért nem fut.
A progit csatolom mellékletként.
Ha valaki csak annyit tudna segíteni,hogy mitől nem fut a progi azt nagyon megköszönném.

üdv.:
Kovács Róbert
(#) nandras válasza burkus hozzászólására (») Okt 8, 2007 /
 
nem igazán, mert arra a ref fesz miatt van szükség...
ja, és az a zener nem 4,4 hanem 7,4V-os! (ha csak elírtad véletlenül, akkor nem szóltam :yes: )
(#) burkus válasza nandras hozzászólására (») Okt 8, 2007 /
 
ok köszi azt meg csak véletlenül írtam el utána meg már nem tudtam javítani. És még egy kérdés én nem 6V-s motorokat akarok használni hanem 7-12 akkor azt mivel tudom álítani ? azzal az ellenálással aminek nincs megadva az értéke ?
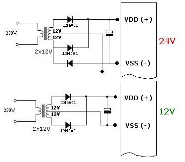
(#) Rapidus hozzászólása Okt 8, 2007 /
 
A mellékelt kapcsolásban a 2x12V táp nem sok az MM5387-nek? A kondi után már 24 x 1.41, tehát majdnem 34V lesz! Az MM5387 pdf-jét is mellékeltem.
(#) nandras válasza burkus hozzászólására (») Okt 8, 2007 /
 
a kimemeti fesz értékét a tápfeszel, ill. a ref zener értékének változtatásával lehet beállítani.
tanulmányozd az adatlapon levő grafikonokat, különösen a 3,4 és a 12, 13 sz. ábrákat. ezekből lehet leolvasni, hogy milyen kimenő feszhez milyen zener érték tartozik.
a konkrét kimenő fesz kiszámítását a 388. lapon, a 4. pontban írja le (drive circuit).
nincs olyan ellenállás, aminek nincs megadva az értéke (a rajzon) - amire esetleg gondoltál, annak az értéke: 10 ohm.
(#) nandras válasza Rapidus hozzászólására (») Okt 8, 2007 /
 
az adatlapon levő legalsó képen levő szerkezetnek hol van a tápcsatija?
(#) Rapidus válasza nandras hozzászólására (») Okt 8, 2007 /
 
Na bazz, ez nem semmi, egy német oldalról töltöttem le, de ezt észre sem vettem.
Szóval sorry, érte, de maradjunk az eredeti kérdsemnél.
(#) nandras válasza Rapidus hozzászólására (») Okt 8, 2007 /
 
nem kell érte elnézést kérni (persze azért kíváncsi lennék a működési elvére...)
a témához:
ha jól tévedek, akkor a rajzon egy 2xegyutas egyenirányító van, tehát a kimenő fesz nem 2x12v, ezért nem lehet gond a feszültséggel. (a harmadik dióda a Q1, Q2 tranyónak szól)
(#) nandras válasza nandras hozzászólására (») Okt 8, 2007 /
 
helyesbítek: a 2x12V nem azt jelenti, hogy a kimeneten 24V van, hanem 2x12V - egyszer a trafó egyik, másszor a másik fele "dolgozik", így a kimeneten pulzáló egyenfesz jelleggel 12V jelenik meg.
(#) Rapidus válasza nandras hozzászólására (») Okt 9, 2007 /
 
Akkor rosszul gondolom, hogy van különbség a kétféle megoldás között? Rosszul gondolom?
(#) Rapidus hozzászólása Okt 9, 2007 /
 
Nem hagyott nyugodni a dolog, kora reggeli forr. gyakorlatként gyorsba öszedrórtoztam egy ilyet, és tényleg 33V mérhető a kondi sarkain, ha az eredeti rajz szerint építem meg. De akkor ez -visszakanyarodva az alpap problémámhoz- rövid úton kinyírná az MM5387-et, nem?
(#) nandras válasza Rapidus hozzászólására (») Okt 9, 2007 /
 
na, akkor most passzolom a kérdést
mielőtt az előző válaszomat megírtam volna, alaposan kutakodtam az emlékeimben - meg a rajzaim között...- tápegység ügyében, de úgy látszik nem voltam elég alapos...
esetleg próbáld meg terhelni a tápot...
találkoztam már elrajzolt kapcsolással, de ismerve a német alaposságot) nem tartom valószínűnek, hogy ennyire elcsesztek volna valamit.
az adatlapi tápot megnézve ott is elég furcsa táp - de ott a hálózati fesz 110V!
lehet, hogy a te rajzodon is 110 volt lenne a bemenet???
(#) nandras válasza nandras hozzászólására (») Okt 9, 2007 /
 
nem, mégsem jó ötlet, hiszen a szekunderen egyértelműen 12V- ot ír...vannak rejtélyes dolgok
(#) Rapidus válasza nandras hozzászólására (») Okt 9, 2007 /
 
Hát ez az, mert másképp ez a 110V tényleg jó lenne megoldásnak. (Ha a primer oldalon 110V van, akkor a szekunder oldalon 2x6=12V lenne.)
(#) nandras válasza Rapidus hozzászólására (») Okt 9, 2007 /
 
terhelni próbáltad?
egy nagyon elcseszett ötlet...:
építsd meg 2x6V- ra és ha úgy nem megy, akkor lehet cserélni a trafót. (tudom, hogy más *****val verem a csalánt, de nincs jobb ötletem)
(#) Rapidus válasza nandras hozzászólására (») Okt 9, 2007 /
 
Még nem próbáltam terhelni, mert még nincs kész. Sajna csak 2x12v-os trafóm van jelenleg, szereznem kell egy másikat.
Viszont azóta találtam egy másik oldalt, ahol ugyan erről van szó.
Bővebben: Link
Itt a leírásban már nem 2x12, hanem 2x8, vagy 2x10V-ról van szó. Habár németül nem beszélek, csak angolul, de ez elég egyértelmű:
"Sekundärwicklung mit 2 x 8 V~ bis 10 V~ verwendet..."
(#) nandras válasza Rapidus hozzászólására (») Okt 9, 2007 /
 
akkor sztem egyértelmű a helyzet. német barátaink kissé figyelmetlenek voltak, és "megszokásból" elírták a szek feszültséget amikor 12V- ot írtak - szerintem...
(#) nandras válasza nandras hozzászólására (») Okt 9, 2007 /
 
megnéztem a linket, és bár a németet én sem nagyon vágom (fene beléjük, hogy nem tanulnak meg tisztességes nyelven - az angol nekem is jobban megy...), de egyértelmű a helyzet, annál is inkább, mert külön felhívja a figyelmet, hogy az IC tápja max 26V lehet!
(#) nandras válasza nandras hozzászólására (») Okt 9, 2007 /
 
más:
arra gondoltál, hogy ez az óra az életben nem lesz pontos (még a leggyengébb kvarcórákét sem nagyon fogja elérni), mivel a hálózati freki nem igazán tekinthető referenciának...
(#) Rapidus válasza nandras hozzászólására (») Okt 9, 2007 /
 
A 35-ös láb (50/60hz input) nálam egy kvarc oszcillátorról megy majd, (3.27Mhz leosztva) mert csak így lesz szerintem is elég pontos.
(#) nandras válasza Rapidus hozzászólására (») Okt 9, 2007 /
 
úgy már OK :yes:
(#) nandras válasza nandras hozzászólására (») Okt 9, 2007 /
 
csak izgat a téma :yes:
két megoldási ötlet:
1./ mindent hagysz úgy, ahogy van, de beteszel egy stab IC- t a tápfesz kimenetére és máris van tetszés szerinti feszültséged
2./ ha már egyszer csak 2x12v- os trafód van, akkor egyszerűen csak az egyik felét használod. (természetesen az egyenirányítást eir kockával kell ekkor megoldani...)
nagyon hülye ötletek?
(#) MaxPower hozzászólása Okt 9, 2007 /
 
sziasztok,

...nem tudom mi van velem, de az elektronikának az a 'rádiós' része is el kezdett édekelni...

Szeretnék megismerkedni a technikákkal... am,fm és nem csak a sugárzás elve érdekelne... hanem a kapcsolások is, hogy mi miért meg minek és hogyan

és nagyon köszi, ha tudnátok linkelni olyan oldalakat, ahol ez jól össze van szedve vagy valami pédéefesített vagy déjévéúsított könyvet.

(sok infóval találkozni,de mind csak egy-egy részlet, ami kevés, hogy összeálljon a kép)
(#) Medve válasza MaxPower hozzászólására (») Okt 9, 2007 /
 
Hello, pl itt is van anyag a műszaki ismeretek c. fejezetben...
(#) Rapidus válasza nandras hozzászólására (») Okt 9, 2007 /
 
Ezt nem tudom én sem. Az adtalap szerint így néz ki:
pin 28: Vss
pin 29: Vdd
pin 23: Output Common Source
Én az MM5387 helyett S1998-ból akarom építeni, ez elvileg majdnem ugyan az, csak közös anódos, az MM már kifutott típus, beszerezhetetlen
Ennek a kapcsolása is ott van, EZEN Link az oldalon alul.
Hogy igazából mire való a 23-as láb OCS-e, azt nem tudom. A német rajzon ide kötik a trafó közepét.
(#) nandras válasza Rapidus hozzászólására (») Okt 9, 2007 /
 
"if Vss=24V to 26V then OCS=Vss" - innentől a helyzet egyértelmű
(#) indiánjoe hozzászólása Okt 9, 2007 /
 
Hali mindenkinek! Lenne egy kérdésem. Hogy tudok egypólusú kétállású 12v-os relét építeni? A hőkapcsolóhoz kellene. Remélem valaki tud segíteni mert nagyon fontos lenne. A segítséget előre is köszönöm!
(#) nandras válasza indiánjoe hozzászólására (») Okt 9, 2007 /
 
jól gondolom, hogy egy olyan reléről lenne szó, amelyik az egyik impulzusra bekapcsol és ha kap még egy impulzust, akkor meg ki?
(#) bancsi15 hozzászólása Okt 12, 2007 /
 
Sziasztok!

Lesz valami baja a kocsinak, ha rákötök egy Ledes fordulatszámmérőt a kocsi tarfójának "1"-es (ez megy a megszakítóhoz, vagyis ez a jel)kivezetésére? Tételezzük fel, hogy valami baja van a fordulatszámmérőnek ( ez bármi lehet: rövidzár....stb).
Következő: »»   127 / 4035
Bejelentkezés

Belépés

Hirdetés
XDT.hu
Az oldalon sütiket használunk a helyes működéshez. Bővebb információt az adatvédelmi szabályzatban olvashatsz. Megértettem