Fórum témák
» Több friss téma |
Fórum » Kapcsolóüzemű táp autóba Hi-Fi-hez
Pc tápból van! Kell a kékkel jelölt alkatrészek is?? is???Vagy azt ki lehet hagyni??
Cuki lesz ha azt kötöd be
. Neked magas frekit kell,hogy egyenirányítson,tehát gyors diódákra lesz szükséged!
Értek már mindent!!!!!!!!!!!! KÖSZÖNÖM MINDENKINEK!!!!!!!!!
Az a gáz,hogy csak ilyenem van! FR305 de ez kevés 4A kéne!
Bár azt meg nem értem mért nem kell a kék rész!!!Mert a kittben nincs TL072P!
Még 1 kérdés. a kitten van ST-BY MUTE ide mit kell kötni?? A hozzászólás módosítva: Nov 21, 2012
Azért nem kell a kék rész mert az az erősítő része.Te úgy döntöttél,hogy nem azt fogod megépíteni,hanem a KIT-eset.A KIT-el kapcsolatos kérdésedre pedig itt kaphatsz választ.
A hozzászólás módosítva: Nov 21, 2012
Ezek szerint a 40V + ra kell kötni??!!!!Az icét kell szigetelni a hűtő bordától??
Nem volt választásom a építéssel kapcsolatban!!!Nincs nyomtatom,maratóm meg ami kell hozzá!!! A hozzászólás módosítva: Nov 22, 2012
Köszi Ge Lee a választ, tehát akkor érdemesebb inkább leszedni a tekercseket a trafóról és újratekerni. A söntös dolgot hát úgy ahogy megértettem.
Köszi a választ! Nem lenne 1*üb válaszóni ???!!!
![]() Végül-is autóba rakom!DE MIND 111111111!!!!!!
1 kérdésem maradt csak ha többire nincs válasz. Gond-e ha a trafó ennyire közel van a végfokhoz???
A hozzászólás módosítva: Nov 22, 2012
Ez majd akkor fog kiderülni ha elindítod. Ha esetleg zavarná, akkor teszel a trafó és a végfok közé egy darab horganyzott lemezt (régi tuner árnyékolása, PC táp doboza stb.), és testre kötöd. Azért ilyet mert ez egyrészt mágnesesen is árnyékol, másrészt forrasztható.
Köszi!! Úgy érted a pc.táp dobozából vágjak 1 darabot??!!
Azért nem válaszolok rá,mert nem tudom!Egyébként az erősítő része ebben a topikban off!
Nem akarok vitázni!!de akkor nem küldözgess!!!Lehet,hogy off de onnan meg ide küldenének a táp miatt!!!
Egyszerű a megoldás. A táp részéről itt, a végfok részéről meg ott kérdezel. A kettőt 3 vezeték köti össze, annak egyértelműnek kell lennie. Ezen kívül semmi közük nincs egymáshoz.
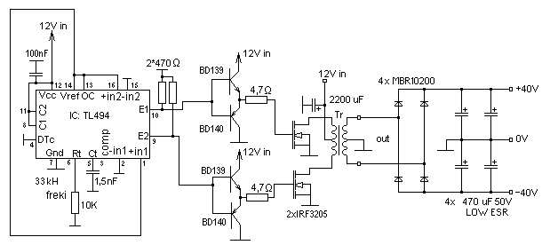
Hali. Kérdezném, hogy az általam kiegészített, csatolt kapcsolás ebben a formában működőképes lenne-e? 400 Wattos pc táp trafót tekernék át, ahhoz kellene. Kb. mennyi lenne a kimenő teljesítmény? Előre is köszönöm.
A hozzászólás módosítva: Dec 4, 2012
Ha szabályozni (stabilizálni) is akarod a feszültséget akkor nem így kell megcsinálni. Ha nem, akkor sem jó. Ha az IC belső referenciáját összekötöd a kimenettel, abból érdekes dolgok lesznek. Az 1-es lábra sem kell semmi, le kell kötni a földre. A kimenetre sem kell annyi puffer, a trafó nem 50Hz-en hanem 30-40kHz-en jár, 1000-2200µF bőven sok. A teljesítménye attól is függ hogy készíted el, valahol 200 és 350W között lesz.
A hozzászólás módosítva: Dec 4, 2012
Akkor a Vreferenciát hova kell kötni? Én hü@e azt hittem.
Puffernek 6 darab 470µF akkor jó lenne? Igazából elővettem cimopata autóhifis tápját abban láttam, hogy az akksi után elég sok kondit rakott puffernek 10 db talán feltétlen szükséges annyi? Javítottam a rajzon. A hozzászólás módosítva: Dec 4, 2012
Szia!
A referencialábat össze kell kötni a PWM control potméterrel. Eredeti rajz.
Van ám annak az IC-nek adatlapja... A referenciát sehova sem kell kötni, azon előállít az IC stabil5V-ot. Erre kell rákötni az Output Control lábat azért, hogy ellenütemben menjenek a kimenetek. Illetve ide kell kötni a két hibajel erősítő nem invertáló bemeneteit (1-es és 16-os láb) ha ezek nincsenek használva, esetedben nem lesznek. Az invertáló bemeneteket (2-es és 15-ös láb) pedig földre, a 3-as láb pedig üresen marad. Puffernek pedig 4db 470µF elég.
Köszi szépen a választ, át is rajzoltam tehát akkor így mondtad? De ezekkel a módosításokkal működőképes lesz, mert valaki írta itt, (nem nekem) hogy nem fog működni ha nincs a 3-as láb bekötve.
Nem jó. Olvasd el még egyszer hogy mit írtam. A nem invertáló bemeneteket is a Vref-re kell kötni.
Aki azt írta biztos nagyon érthet hozzá. A 3-as lábra a szabályozóhurok kialakításakor van szükség, de itt olyan nem lesz.
Okés de az előbb azt mondtad, hogy az 1-est kössem földre de az is nem invertáló bemenet, de mindegy javítottam a rajzon. Elég otromba lett de hát na...
Kérdezném, ha autóshifi tápnak használnám az adott kapcsolást, persze ha jó
akkor a 12-es lábra (Vcc) mehet a remote szál a fejegységről?
Bocs, én írtam rosszul. Az 1-es és 16-os lábnak kell földön lenni, és a 2-es és 15-ösnek pedig a Vref-en.
Igen, mehet a Vcc-re a remote, de egy 10-22 ohmos ellenállást köss vele sorba. A trafóra is kelleni fog egy snubber (vagyis a két drain közé), a 4,7n-22 ohm általában jó szokott lenni.
ez a kapcsolás semmire sem jo. én nem tudom honnan szedik néhányan az ezekhez hasonlo hulladék kapcsolásokat.
csak visszább kellene olvasni és találnál megépitett kiprobált és üzembiztosnak itéltetett kapcsolást is. talán még nyák is van hozzá.
Hát figyi ezt annak idején Rosco csinálta a terminálon, szóval szerintem annyira rossz nem lehet, de kísérletezni lehet azért... mondjuk full leírást full kapcsolással, trafókészítéssel, mindennel együtt nem találtam, de nem is várom el senkitől se, hogy tegyen fel mert a készből nem mindig lehet tanulni.
Így gondoltad Ge Lee?
A hozzászólás módosítva: Dec 4, 2012
Igen, ez már működni fog. Azonban még mindig nem olvasol figyelmesen. A snubber a trafóra kell vagyis a 2 FET drain-je közé, nem pedig oda ahova rajzoltad, és csak 1db kell. Azt ugye tudod (ha nem majd megtudod), hogy a push pull kapcsolás rákfenéje a primerek minél szorosabb csatolása. Tehát ha csak simán feltekered őket az úgy nem lesz jó. Hogy hogy lesz jó az is le lett már írva ide párszor, csak vissza kell olvasni.
|
Bejelentkezés
Hirdetés |




. Neked magas frekit kell,hogy egyenirányítson,tehát gyors diódákra lesz szükséged!















