Fórum témák
» Több friss téma |
Fórum » PC táp átalakítás
"Mivel előtte már ment sima 12V-on úgy hogy teljesen kibontottam minden fölöslegest a kapcsolás alapján.
Most visszakötöttem 12V-ra " Csak nem mindegy, hogy mikor hol van a föld. Előfordulhat olyan is, hogy nem kívánt helyen földelődik valami. Ezért kell kiszedni mindent, ami a trafóra csatlakozik, és a föld tekercsét is levenni a GND-ről.
Jelenleg a gyári elrendezésben van a trafó,a 12V-os tekercseit használom,5-6A max amit leveszek belőle.
Aztán majd elválik,elbirja-e a következő fogyasztókat,amik még nem állnak készen a rácsatlakozásra.
Hali ! lenne egy kérdésem ... úgy alakítottam átt a AT tápot mint ahogy az egyik cikkben le van írva de a gond az hogy a pótméterrel ami az IC 2. lábára megy azzal csak 3.2-3.1 voltig tudom levinni a feszültséget mit ronthattam el ?
Többször is le lett már írva, olvass vissza. A cikk szerinti megoldás nem jó, mert nem kap tápot a vezérlés. Annak folyamatosan szüksége van a 12V-ra, de ha letekered a kimenő feszt akkor nyilván le fog állni, mivel máshonnan nem kap tápfeszt. Külső 12V-ról kell megtáplálni a vezérlést (2-300mA elég), mint ahogy az ATX-esben is van.
Sziasztok!
Olyan kérdésem lenne, hogy miért van az, hogy az átalakított pc tápomon nem szimmetrikus a + - fesz? De mindez csak akkor ha a vezérlő IC-re vissza van csatolva a fesz. Ha leveszem az 1es lábról a feszt és csak a földre van lekötve ellenállásokkal, akkor szépen kijön a +-30V.. teljesen szimmetrikus, ha megterhelem valamelyik ágat, akkor mászik el pár Voltot, de ez még teljesen okés. Viszont ha vissza van csatolva a + ág, akkor a beállított 24V szépen ott van, de a negatív ágon leesik a fesz és mászkál is, terhelni nem lehet... Elképzelhető, hogy a negatív ágat is vissza kell csatolni a 15-16 lábakra? Csatolok egy kapcsrajzot.. Végülis egy -5V eredetileg oda van kötve... nálam már nincs. Kiiktattam minden feszt, csak a +-12Vos ág maradt meg megfelelően diódázva és kondizva.
Hello!
Mivel egy tápban, csak egy szabályzó működik, a feszültségeknek annyi közük van egymáshoz, amit a trafó csatolása megenged. Épp ezért a tápot a legnagyobb terhelésre szabályozzák vissza, meg egy kicsit a következőre. Ez a +5V és a +12V. Aztán olyan az egymástól függés, amilyen. De gondolj bele ha vissza is vezetnéd egyiket-másikat, ha egyik leesne, mit tegyen a táp? Felszabályoz? Akkor a másik meddig nő? üdv!
A vezérlés a primer körbe avatkozik be, természetesen szimmetrikusan, azaz mindkét félperiódusban ugyanakkora feszültséget és kitöltési tényezőt kap a primer tekercs. Ha a szekundered elrendezése szimmetrikus, akkor a feszültségnek is annak kell lennie, függetlenül attól hogy teljes kitöltéssel működik, vagy a szabályozás miatt csökkent kitöltéssel. A táp eredetileg (régebbi verziók) csak az 5V-os ágat figyelte (vagyis arra szabályozott), mégis rendben volt a -5V-os és a -12V-os ág is (nem is nagyon lehet másképp a trafó áttétele miatt, és amiatt hogy minden ágnak kétutas egyenirányítása van).
Rendben! Köszönöm a válaszokat! Újra át fogom nézni, hogy mindent rendben kötöttem e be... aztán hétfőn szkópra rakom a vezérlést.
Kicsit én is idegenkedtem attól, hogy a negatív periódust külön vezérli mint a pozitívat... és mint kiderült tényleg nem is vezérli így.. de hát mondom ki tudja.. hátha csak én nem tudtam róla. Még a visszacsatoláson gondolkodom.. lehet ott nem okés valami? Mondjuk megmértem, az 1es 2es lábakon 2,5V-2,5V. 1esre a referencia feszből leosztva, 2esre a kimeneti feszről. Számít itt, hogy milyen ellenállásokkal oldom meg a leosztást? Nyilván az arány az ugyan az lesz... de lehet nem mindegy, hogy pl az 5V-ot 1k-1k-val osztom vagy 10k-10k (ez csak példa)
Arra figyelj, hogy az átalakítás során teljesen szimmetrikus legyen a + és - ág! Ugyanakkora első kondi, azonos menetszám azonos keresztmetszettel ellentétes irányban a ferritgyűrűn, azonos méretű második kondi, előterhelés, ... Ha minden egyforma, nem lehet eltérés a két oldal között. Persze közel egyformán illik terhelni is.
Gyárilag pl. a -12 V-os ágba akad, ahol 2 db soros diódát is tesznek feszültségejtőnek, mindehhez kisebb induktivitás és kondi jár. Ekkor éri el max. terheléshez közelítve a - ág + értékét.
Az osztók értéke nem kritikus, de belül kell maradni egy határon, ahogy az eredeti alkalmazásban is csinálták. Nyilván abból lehet csak építkezni ami van, de a 494 referenciája max 10mA-el terhelhető, nem nagyon illik 7-8mA fölé menni. A kimenetről pedig 22-33k-nál nagyobbat ne használj az osztó felső tagjaként.
Ha a vezérlés aszimmetrikus lenne akkor a ferrit mágneseződése is, ami elég rövid idő alatt a tranyók tönkremeneteléhez vezetne.
Na továbbra is értetlenül álok a dolgok előtt. A felépítés nem teljesen azonos a + és a - oldalon. A trafó után a diódák különböznek, aztán jön a ferritgyűrűre tekert tekercs (bifillárisan tekerve, lehet ezt újra kellene tekernem?), majd 2db 2200µF 50V kondi a két ágnak. Ha visszacsatolom a feszt az ICre akkor negatív ág terhelhetetlen... ha leterhelem leesik a fesz 0V-ra, a + ág megemelkedik 40V körülre... Ha nincs visszacsatolás, akkor megy szépen a két oldal... alig van némi eltérés a fesz értékek között.
A visszacsatolás 40k és 4,5k val van megoldva. Az nem lehet gond, hogy a -5V megszünt a 15-16os lábakról? Nem nagyon értem, hogy mire is szolgál az ott.
Na... azt kell mondjam jó nagy hü.. vagyok. Rájöttem, hogy az a baj, hogy kihagytam a terhelő ellenállásokat... amikor a - ágat terheltem, akkor a + ágat nem terhelte semmi. Azaz az IC nem is vezérelte a tranyókat. Így már érthető, hogy miért kaptam ezt az eredményt. Ebből a tanulság számomra, hogy a feleslegesnek hitt alkatrészeket se kellene kihagynom. Na most már jöhet a trafó csere...
Sziasztok !
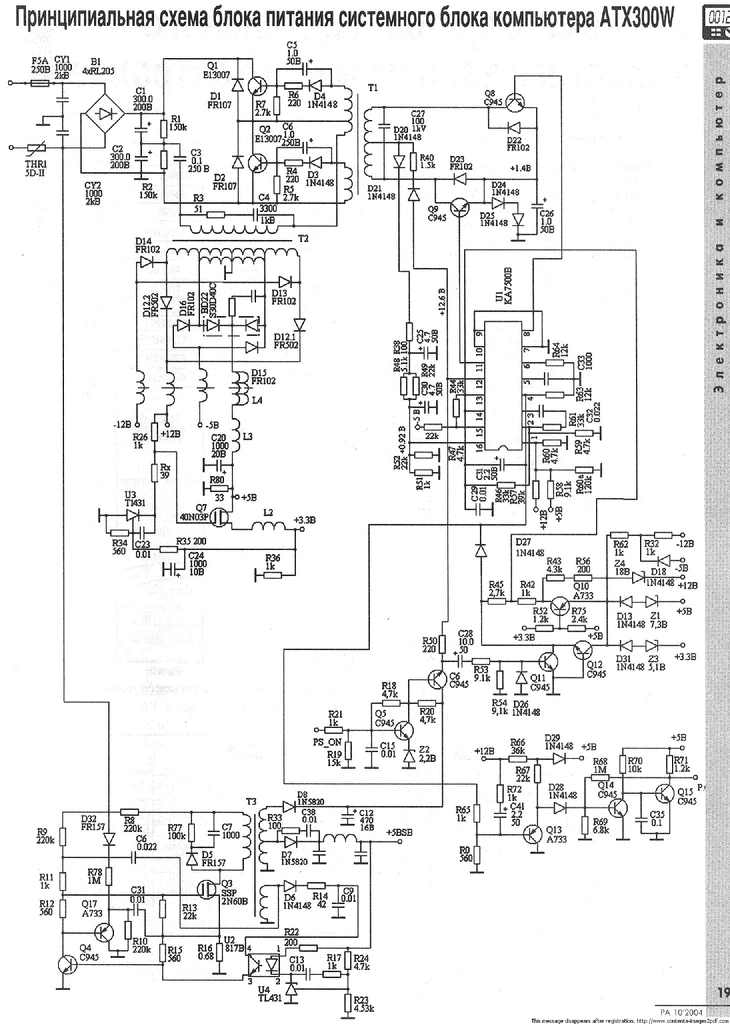
Lenne egy olyan kérdésem hogy van egy PC tápom ( Codegen 250W model:250x ) és szeretnék belőle 24V - ot + 10A körül kihozni [i]ha lehet[/i] és ehhez kérném a segítségeteket mert én még nagyon nagyon kezdő vagyok mellékeltem kapcsolási rajzot ha valaki megnézné nagyon örülnék elöre is köszönöm
Szia
Szerencsed van, mert ezt nem nehez kivitelezni. A -12Vos ágban a diódát megerősíted plusz kicseréled a kondit egy nagyobb kapacitásúra és meg is van a 24Vod. Mire szeretnéd használni?
Éppen erre próbáltam korábban terelni a figyelmedet. Ha szimmetrikus tápot akarsz készíteni, akkor egyformának kell lennie a két oldalon. Természetesen ehhez újra kell tekerni egyforma huzallal, menetszámmal a ferritgyűrűt, de a tekercseket egymással szembe (fordítva) kell bekötni. Ha figyelsz a kiforrasztásnál, láthatod, hogy két vékonyszálú tekercs, a -5V és a -12 V fordítva van bekötve. Ugyanolyan diódákat illik tenni, ha nincs lapos (TOxxx), akkor az FR..., RG,,,, egyéb megfelelő áramú gyors diódákat használhatod. A tápok elrendezése eléggé változó, de általában már a ferrit után van az első elko, majd kisebb tekercs, általában álló ferritrúdon, utána még egy elko és az előterhelő ellenállások. Ezeknek mindkét oldalon egyformáknak kell lenniük. Ha még ezek után is jelentős eltérés lenne a feszültségben, más baj van. Egyoldalú terhelés hatására sem szabad túl nagy eltérésnek jelentkeznie.
Forrasztópáka tápjaként
és köszönöm a segítséget megerősítem a diódát ?? hogy érted ? és kb. mekkorára cseréljem a kondit ? bocs hogy ennyit bajlódok
A -12 V-os oldalon általában sima 1N4001 vagy 4002-es diódák vannak és legfeljebb 100 µF 16 V-os kondi. Előfordul, hogy valahol van még egy soros dióda. Ezt ki kell hagyni (áthidalás a helyére). A ferritgyűrűn pedig vékony szálból van a tekercse. Ezeket a korábbi hozzászólásomnak megfelelően ki kell cserélni. A diódák lehetnek pl. FR302, a kondi 1000 µF 16 vagy 25 V. A tekercset azt sajnos át kell tekerni 2 egyforma vastag (0,6-0,7 mm-es) szállal, a legnagyobb menetszámmal egyezően. Ha van kis álló ferritmagos tekercsecske, azt is erősebbre kell cserélni.
Minek egy forrasztópákának 10A?!?
Amúgy abból a tápból elég valószerűtlennek hangzik a 24V*10A = 240W kinyerése. Vadi új korában, lejtőn, hátszéllel talán tudott 250W-ot...
Hát igazából azt nem tudom hogy hány amper kell neki mert az van ráírva hogy 24V 30W szval. kb 1.25 amper kell neki csak most számoltam utána és elnézést a hülyeségért amit az előbb írtam
24 V 10 A-t biztos nem lehet tartósan kivenni belőle. Ezek a régebbi tápok 12 V-on általában 10 A leadására készültek (2 db hűtött 3 A-es diódával
). A - oldalon jön még ehhez 0,5 A. Ha a többi ág nincs terhelve és a - oldalon is 3 A-es diódák vannak, le lehet venni tartósan 24 V 6 A-t. Ezt garantáltan bírja, ha a pufferkondik épek. Rövid időre (felfűtés) még a 10 A sem elképzelhetetlen, de bádogos pákával ne akarjunk forrasztani. 24 V 300 W.
Hát köszönöm a felvilágosításokat és a segítséget
akkor megpróbálom és remélem jó lesz
Még egy dologra figyelj oda! A rajzon az 5 V-os ágban közvetlenül a ferritgyűrű után van kondi. A 12 V-os ágakba is tegyél legalább 330 µF 25 V-osat! Utána a kis álló tekercs majd még egy 1000 µF-os.
Nem tudom, mennyire akarsz belemerülni az átalakításba, a többi ágat akár meg is hagyhatod, de akkor az 5 V-ra egy 10 Ohm 5 W-os előterhelést tegyél!
Jó értem
És még egyszer köszönöm a segítséget A hozzászólás módosítva: Márc 18, 2013
Rendben! Tudom, hogy nem teljesen követtem a tanácsod, de abból próbálok építkezni, amim van, mert itt elég nehéz beszerezni a megfelelő cuccokat. (mindent rendelnek és 4szerese a pesti árnak) Természetesen megteszem ami tőlem telik.
Amúgy még így is elég jól teljesít, úgyhogy elégedett vagyok a végeredménnyel...
Én is messze lakok Pesttől, így bontott csirkéből (tápokból) gazdálkodok.
Sziasztok!
Érdeklődni szeretnék, hogy nincs-e valakinek erről a PC táp ról, kapcsolási rajza. IC-k a tápban, UC3842, UCC3817, TPS3510. A hozzászólás módosítva: Ápr 6, 2013
Ha szabályozható tápot akarsz belőle, az rajz nélkül nem lesz egyszerű. Az UCC a PFC vezérlő, az UC az áram módú pwm vezérlő, ami ha 1 tranyó van benne akkor egy 1 tranyós forward elrendezést hajt, a TPS pedig a feszültségek meglétét figyeli.
|
Bejelentkezés
Hirdetés |






és köszönöm a segítséget megerősítem a diódát ?? hogy érted ? és kb. mekkorára cseréljem a kondit ? bocs hogy ennyit bajlódok
). A - oldalon jön még ehhez 0,5 A. Ha a többi ág nincs terhelve és a - oldalon is 3 A-es diódák vannak, le lehet venni tartósan 24 V 6 A-t. Ezt garantáltan bírja, ha a pufferkondik épek. Rövid időre (felfűtés) még a 10 A sem elképzelhetetlen, de bádogos pákával ne akarjunk forrasztani. 24 V 300 W. 








