Fórum témák
» Több friss téma |
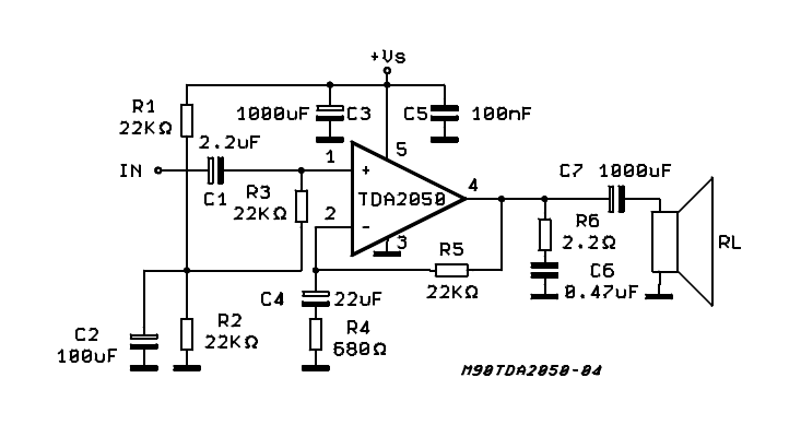
Két rajzot láttam feltéve tőled ide . Mindkető ugyan az ?aszimetrikus egyszeres táppal meg építhető?
Megépítettem egy erősítőt tda2050-el.
Szerintem nem működik mivel a kimeneten pozitív táp van. Mitől lehet? Az IC halott? Előre is kösz a segítséget.
Szia! Melyiket építetted meg? Fotót tudnál feltenni?
A testhez képest mi mérhető az 1-es és a 2-es lábakon?
Hűha, mennyi most tápfeszültség valójában? Testhez képest a 21V elég soknak tűnik.
Minden esetre ha a 2-es láb feszültsége pozitívabb az 1-es lábnál és eközben pozitív feszültség mérhető a 4-es lábon, akkor az IC sajnos reménytelen. Nézd meg azért a 3-as láb becsületesen megkapja-e a negatív tápot, ha ott szakadás, rossz forrasztás van, az is produkálhat ilyet. Mérj rá közvetlen az IC lábra!
Valószínű hallott mindkettő IC, de fogalmam nincs miért. A táp +-23,5V.
Mitől halhat meg? Gyárilag hibás?
A TDA2050 3-as alkatrészlábán ott a -23V? Ha igen, akkor sajnos így jártál.
Picit magas a tápod, +/-25V a plafon, +/-22V a legmagasabb ajánlott érték. Élesztésnél használtál valamilyen áramkorlátozót? Mutatott jelentősebb áramfelvételt?
A tápom üres járása 23V terhelés alá kb 20-21V.
Nem használtam semmi korlátozást, direkt a tápra kötöttem az IC-t. Gondoltam ilyen egyszerű áramkörben nem lehet hiba. Rosszul gondoltam. Rendeltem ma 2 új IC, hátha most nem cirkuszol. Létezhet hogy 2drb IC is széria hibás? A hozzászólás módosítva: Ápr 8, 2013
Hamarosan kiderül. Egyszerre csak egy IC-t ültess be, a tápágakba tégy 10-47 ohm ellenállásokat, ügyelj a helyes polaritásra.
Szia!
Hallottam olyat, hogy a húzottszeműek legyártanak sok 2030-at, egy részüket eladják 2030-ként, de a javát 2050-re feliratozzák, az jobban fogy így hamisítják (minek két fajtát gyártani) és ugye adják a drágábban. Így nem csoda ha ráadod a nagyobb feszt, mondván az adatlap szerint megteheted és jön a meglepi, csendes halál. Szerintem mindenképp próbáld alacsonyabb tápról először, esetleg labortápról, és óvatosan növeld a tápfeszt. üdv: Metabo Bocs ezt luluzulunak szántam, de tán Ő is látja! A hozzászólás módosítva: Ápr 8, 2013
Most van egy ilyen hullám több TDA-val is ('74, '73 pl.), egyszerűen nem működik és nem találok magyarázatot.
Szia.
Nincs véletlenül egy NYÁK terved TDA2050-hez aszimetrikus táp ellátásról? Ha lenne meg köszönném.
Szia! Majd igazítsd az alkatrészméreteket az általad használtakhoz. Bővebben: Link
Közben össze hoztam egy sajátot.
Megnéznéd hogy jó e?
Ezt jól eltévesztettem. Ezt kellett volna csatolnom.
A beültetést a hozzászólás "ehhez" szavára kattintva találod meg.
Ok. Köszi.
Egyébként az enyémet nèzted?
Kísérletek végezetével következőkre jutottam.
3 Halott IC Fokozatosan adtam a nagyobb tápfeszültséget 12V, 25V, 45V 12V-25V szépen működött (Bár a teljesítménye és hangzása sem fogott meg, sőt nagyon nem tetszett) A 45V egy az egyben rövid zárba taszította az IC-t. Ezek szerint tényleg TDA2030 van a TDA2050-es tokokban. A ferde szeműek családját sokszor üdvözöltem...
Sőtt a 2040-es tokban is gyakran előfordul a 2030-as.
Sziasztok!
Valaki tudna segíteni a rajzon látható TDA2030 hoz szeretném bekötni a tápellátást de nekem csak sima trafós tápegységem van van,Azt hogyan kell itt bekötni.Itt olvastam,hogy a hűtőbordát kikell szigetelni és a testre vezetni. kérem segítsen aki tud!! üdv:md
Szia! Kénytelen leszel ilyen tápot építeni, ha nincs dupla szekunder tekercsed.
Köszönöm a választ, csak valami dioda érték és kondi ,milyen kell ?
Md
Diódának 1N4007-et, puffernek 4700µF 25V-ot ajánlok.
Sziasztok!
Építettem egy erősítőt TDA2040-el, de valamiért gerjed és a tápot is elég rendesen megrángatja. Azt megfigyeltem ,hogy ha közelítem felé a kezem, arra is reagál, pedig árnyékolva vannak a kábelek. Csináltam már több ehhez hasonlót is, és volt amelyik működött , de volt ami ugyan ezt csinálta. Tapasztalt már valaki ilyet? Mi lehet a hiba?
Hello!Szeretnékcsinálni egy 2.1-et tda2030-al és egy szimpla táplálású véget keresek.Ha van valakinek megoszthatná velem!
Kössz!
sziasztok! valaki tudna nekem segíteni???? rendeltem 1 ilyen erősítőt, összeraktam és nem szól
vagy is ha teljesen felhúzom akkor nagyon halkan szól de recseg.
és még 3 kép...
|
Bejelentkezés
Hirdetés |






vagy is ha teljesen felhúzom akkor nagyon halkan szól de recseg. 















