Fórum témák
» Több friss téma |
Fórum » Ki mit épített?
Ez a téma ha úgy tetszik a mi "kiállítótermünk", nem pedig a ki mit csinált volna másképpen, mások helyett, és legfőképpen nem javítós téma.
Minden készüléknek van saját témája, ott kell kitárgyalni a részleteket!
FONTOS! A kapcsolási rajzok keresésére is van saját téma, ott keressetek rajzokat!
Bővebben: Link
A hozzászólás módosítva: Ápr 23, 2013
Ha valami kérdésed van evvel a PT4115 el kapcsolatosan kérdezz nyugodtan már pár dolgot építettem belőle, a led meghajtástól kezdve a lézeren át telefon töltésre, mindenre jó.
Nagyon stabil eszköz, én az ebay röl vásároltam pár darabot.
Nagyon köszönöm a felajánlást. Most 2 db 1W-os LED-et szeretnék üzembe helyezni.
Szia!
Melphi fórumtársunk rengeteg mindent linkelt be, amik között minden ott van, ami szükséges lehet. Én kizárólag az alapkapcsolást építettem meg, 3 db 1W-os LED-del, az adatlapban megtalálható minden információ róla. Üdv
Sziasztok
Még annyit fűznék hozzá, hogy a gyári kapcsolás teljesen ideális nem is érdemes mást keresni, annyit lehet módosítani, hogy a leddel párhuzamosan egy 100nF kondit kell beforrasztani, egyenáram esetén teljesen elég 1db dióda a tápágba legalább meg van a polaritásvédelem. A hűtésről úgy kel gondoskodni hogy a nyáklapon nagyobb negatív felületeket kell készíteni ez bőven elég. Az ic határai nagyon tág akár egy 10w os ledet is jól elvisz úgyhogy csak bátran a ledek mennyiségével, a lényeg a ledek jó kapcsolása. Ha további kérdésetek van azt ne ide tegyétek fel mert van topija ennek a témának is pl:Nagyteljesítményű LED, powerLED (pl. Cree, Luxeon) vezérlése
Sziasztok!
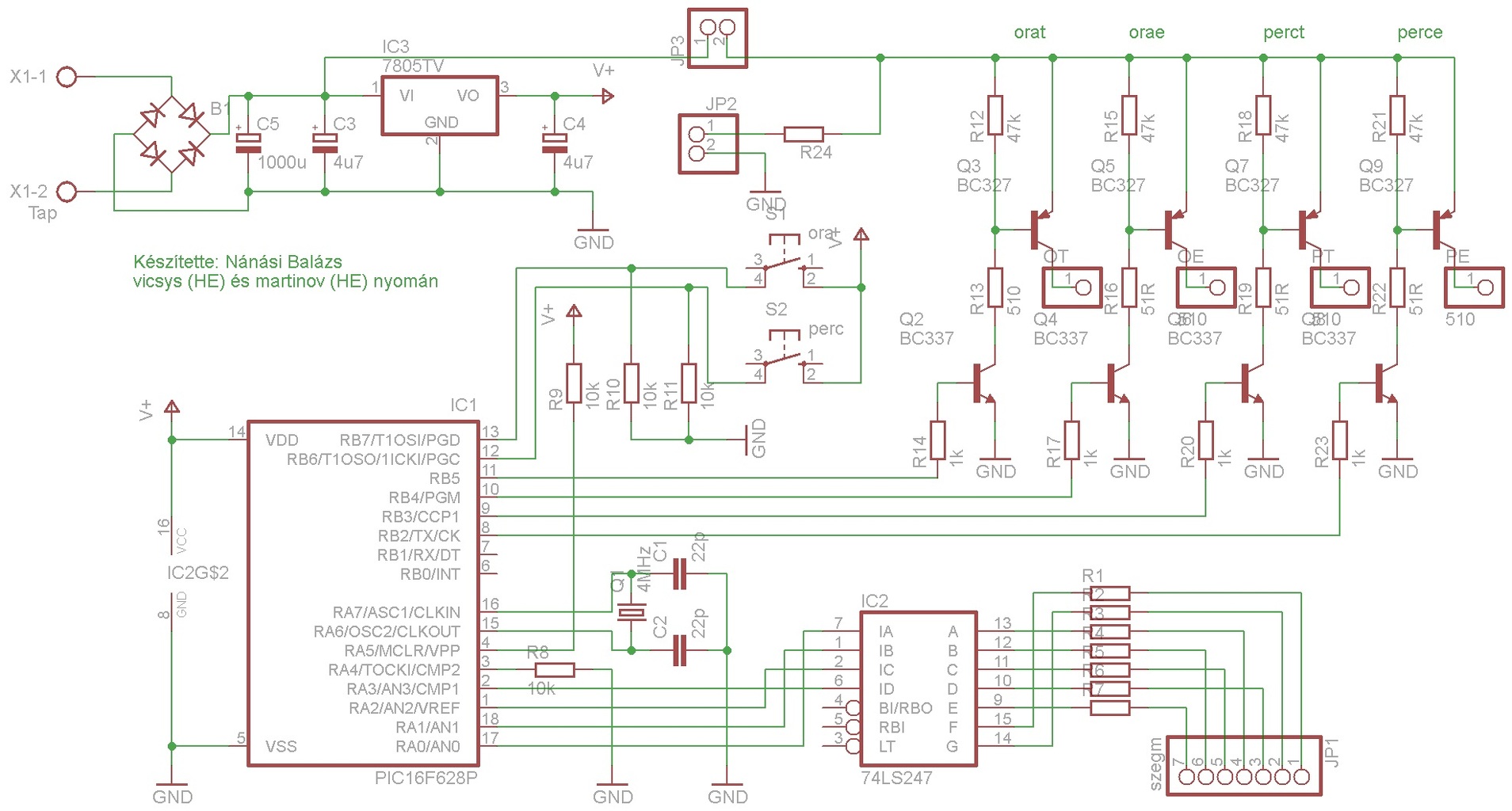
Íme az első komolyabb munkám, ami egy utánépítés, Atosz90 itt publikált munkája alapján.
A testvére nálam már 2 éve dolgozik
Idézet: „A csövektől milyen távra rakjam az üveget?” Azt neked kell kitalálni levilágítási próbával, de amugy olyan 10 centire. Vegyél 3 mind1 mekkora méretű nyákot, fújd le őket fotólakkal, rendeltetésszerűen, az egyiket 5 percig világísd, a másodikat 10 percig, a harmadikat 15 ig. Ugyanazzal a rajzzal. Lehet benne sokféle méretű vezetősáv, sőt célszerű is. Hívd elő a levilágított felületet, jelöld meg elötte a nyákot, hogy melyiket mennyi ideig tetted ki a fénynek, és amelyik nyákon jobban látszódik a fotólakk, illetve a legtöbb rész maradt meg, annyi ideig kell levilágítani ezután a többit is. Természetesen így beállítható a cső, és az üveg közötti távolság, de nekem 10 centire van, 2 db 8W-os UV csővel.
Szép lett. Gratula
Sziasztok, összedobtam gyorsan egy kis funkció generátort. A lelke egy XR8038-as ic, ami légszerelve került beépítésre, mivel igazán kevés alkatrész kell hozzá. A kis generátor 2Hz-200kHz ig tud szép háromszöget, négyszöget és szinuszt. A freki 6 lépcsőben kapcsolható, a lépcsők között egy 10 fordulatos helipoti segít beállítani a frekvenciát. Lehet állítani amplitudót és a kitöltési tényezőt is, így a háromszög jelből felfutó és lefutó fűrészjelet is elő lehet állítani. Kimenő amplitudó 4Vcs-cs. Erősítőt meghajtani teljesen elég. A dobozolás műhely használatra, nem kiállításra készült, de azért szerintem annyira nem lett csúnya. Feliratozást már holnapra halasztom, mára ennyi elég.
A hozzászólás módosítva: Ápr 25, 2013
Anno Kr. e. az autóm (Astra F) műszerfal világítását bütyköltem meg. 5mm-es nagy fényerejű fehér ledekkel oldottam meg. A középső mutatóra sajnos nem jutott nagy fény, de szerintem így is jobb mint a gyári izzós világítás
Tuti kis szerkezet nagyon egyszerűen megoldottad a belvilágot nekem tetszik és a működés az elsődleges szempont , szerinted ez jobb mint az XR2206 ?
Köszönöm. Ezt nem akartam túlbonyolítani, igazából volt két ilyen IC-m, és kedvem támadt kipróbálni. Mivel az adatlap eléggé egyszerű és néhány alkatrésszel megvalósítható rajzot adott, így gondoltam mi baj lehet. Aztán úgy megtetszett a "próba padon" hogy nekiálltam keresni yaxley-t, találtam egy olyat amint pont ide való poti is van, ez máris jó lett a kitöltési tényezőt rákötni, véletlen volt ide való helipotom is, szóval ez most így adta magát. A dobozolás is véletlenül sikerült ilyen könnyedre, a táp is ott fetrengett a fiókba, ez most egy könnyű meccs volt. Az, hogy jobb e mint az XR2206, szerintem jel alak tekintetében közel olyat tud mint az, annyival komolyabb talán, hogy ezt lehet sweepelni is, vagyis fűrészfeszt adva a sweep bemenetére működik a funkció, illetve kitöltésit lehet állítani. De kimeneti fokozata nincs, igaz az XR2206-nak sincs, de tetszés szerint építhető utánna egy fokozat, mondjuk ami tud DC offsetet, és akkor teljes értékű generátor.
Köszönöm. Az igazi mondjuk egy MAX038 lenne, dehát az horror ár. Na majd eccő'
Csak a fényképen látszik úgy, vagy valóban vannak fényesebb területek? Felcsiszolást próbáltad? Azzal jobban szét lehet szórni a ledek fényét. Meg láttam már olyat is, hogy valaki diffúzort (?) használt a ledek meg a skála között, és így lett egyenletes. Én is akartam csinálni ilyet, de aztán nem lett elég a motivációm hozzá
Ha már szóbakerült a 2206, akkor íme az általam ezzel az IC-vel épített függvénygenerátor, egy Vicsys - féle frekimérővel megtoldva.
A frekimérő külön is kapcsolható, ilyenkor a négyszög kimenetre kötött bemenő jel frekijét méri. Előlap nincs, előbb a zsúfoltságot kellene megszüntetni átrendezéssel, de lusta vagyok szétbontani. A szkópot nem kellett volna vakuzni, de úgy meg a generátor nem látszott rendesen. Azért remélem, látszik a jel is.
XR2206 , na én is épitettem egyet igaz még dobozba kellene tömöríteni , nagy gázzal elmegy kategória , az is igaz 20éven keresztül egy ettől még egyszerübb kis generátort használtam és az is tökéletesen megfelelt az én szerény igényeimnek ...
Bővebben: Link A hozzászólás módosítva: Ápr 26, 2013
Nem rossz, nem rossz, nade ha már XR2206, akkor ne lógjak ki a sorból én se. Régebben építettem, már nincs is meg, Lényegébe ugyanaz mint Lacié, csak mellé épült egy LCF mérő, így került egy dobozba a kettő. Így bal oldalt egy generátor, jobb oldalt egy induktivitás, kapacitás és frekimérő egyben. Szintén külső és belső frekimérésre alkalmas. KÉPEK sajnos csak webcamerás képek vannak, erről. Akkor épp nem volt gépem.
Hirtelen nem tudtam mire gondolsz, aztán megnéztem a képeket,
na ugye ez egy videó doboza, amit látsz az egy scart csatlakozó maradék, valahogy ott maradt a dobozban. . Tovább lapozva találtam jobb képet az elejéről. Sajnálom, hogy elüzleteltem, de beleszerettem egy projektoros TV-be, és elcseréltem rá, a képeken látható elektrorudi féle lengőműszeres ESR mérővel együtt. Persze a TV 8-napon belül splitterhibás lett...... 18.000Ft. A hozzászólás módosítva: Ápr 26, 2013
|
Bejelentkezés
Hirdetés |






















na ugye ez egy videó doboza, amit látsz az egy scart csatlakozó maradék, valahogy ott maradt a dobozban.





