Fórum témák
» Több friss téma |
- Ez a felület kizárólag, az elektronikában kezdők kérdéseinek van fenntartva és nem elfelejtve, hogy hobbielektronika a fórumunk!
- Ami tehát azt jelenti, hogy a nagymama bevásárlását nem itt beszéljük meg, ill. ez nem üzenőfal! - Kerülendő az olyan kérdés, amit egy másik meglévő (több mint 17000 van), témában kellene kitárgyalni! - És végül büntetés terhe mellett kerülendő az MSN és egyéb szleng, a magyar helyesírás mellőzése, beleértve a mondateleji nagybetűket is!
Csak a 7912 rossz. 7905 az jó viszont -25V bemenetet már nem szereti.
Nem tudom miért, de a 12VAC trafón 16-17VAC-t mérek. Ez még egyenirányítom az már sok a 7905-nek.
Ez természetes, mert a kistrafóknak nagy a feszültségesése. De ha már rajta van rajta terhelés, lehet hogy semmi gond nem lesz.
Sziasztok!
Szükségem lenne pár elektronikus potméterre. Fontos, hogy ne zavarja a hangot, mert hangszínszabályozó áramkörben lesz, és ne okozzon problémát a kisjelű áramkörben. Úgy viselkedjen az áramkörben, mint ha sima három lábú potméter lenne. (A többi láb a táp, vezérlés.) Ne digitális legyen, hanem feszültségvezérelt. Milyen IC-t javasoltok erre a célra?
Sziasztok!
A segítségeteket szeretném kérni a következő feladatok megoldásában. A feladatok megoldási menetében lenne szükségem segítségre. Köszönöm a segítséget!
Helo! Ezt az összes kritériumot, leginkább szerintem csak egy motoros potival lehet elérni.. üdv!
Melyik az a kritérium, amely lehetetlenné teszi?
Akkor marad a kivezetős módszer árnyékolt kábellel az előlapi potméterekhez.
Egyébként azért kellett volna, mert erősítőt építek, és modulrendszrű lesz, akárcsak a Videotonok. Minden fokozat külön panelra kerül. Az alaplemezen csak csatolókondenzátorok, stabilizátorok, meg a táp egy része lesz.
Gondolom az áramgenerátorok rezonanciafrekvencián működnek.
A rezonanciafrekvencia és a veszteségi ellenállás kiszámításához a rezgőkörökkel kapcsolatos fogalmakkal, az egyes alkotóelemek tulajdonságaival, összefüggésekkel érdemes megbarátkozni. Ehhez bizony olvasgatni kell. Mindez nagy valószínűséggel megtalálható a tankönyvben, vagy (Bővebben: Link). A feszültségek, áramok pl. a Kirchoff törvényekkel számíthatók (Pl. tankönyv, vagy Bővebben: Link). A reaktancia az adott frekvencián tanúsított ellenállás (R, XL. Xc)
Mivel kis terhelés lesz, esetleg a 7905 bemenő feszültségét egy sorbakötött Z diódával illetve egy áteresztő tranzisztoros "stabilizátor" segítségével lehetne csökkenteni. Így a 7905 már kellemes környezetben működhet. A bemeneti feszültség csökkenhet, ha nem Graetz, hanem egyutas egyenirányítót használsz....
Egy OPA (műveleti erősítő), aminek az erősítését szabályozod egy potméterrel talán megfelelhet ezeknek az extra igényeknek...
Sziasztok!
Belefogtam egy 230V/12V használatú hordozható MP5 lejátszós erősítőbe. A 230V-os része már kész van: Erősítők, hangszínszabályzó, MP5 lejátszó, stabil 12V/5V/5V tápegység, erősítők puffer része. Ez működik is rendesen csak szeretném meg oldani, hogy autóból is lehessen használni szivargyújtóról. Arra nem tudtam rájönni hogy hogyan oldjam meg a hálózat és a 12V közötti kapcsolást úgy hogy biztonságos is legyen. Működni kellene a 2 tápegységnek meg az erősítőknek.
Szia!
Nem kell semmit sem kapcsolni, egyszerűen kösd a külső 12V-ot belső 12V-os táppontokra. Ha fontos a két 12V szétválasztása, akkor diódán keresztül kösd a kis tápegység 12V-os pontjára a külső feszültséget. A hozzászólás módosítva: Máj 19, 2013
Valahogy így gondoltad. Mert akkor elég lenne egy 3 állású kapcsoló. (ON-OFF-ON)
Ezzel egy csapásra meglenne oldva a kikapcsolás és a tápbemenet választás is.
De minek kapcsoló? Nem kell a Graetz-et leválasztani a külső 12V-ról, mert a diódái nem fogják engedni a külső 12V trafóra jutását. Vagy vannak nem ismert szempontok is? Gondolom ha autóban van az erősítő, akkor nem fog 230V-os táplálást igényelni.
A hozzászólás módosítva: Máj 19, 2013
Azért kell a kapcsoló, mert úgy ha hálózatra van kötve akkor az egészet ki tudom kapcsolni.
Meg ha az autó is van bedugva akkor is le tudom kapcsolni és nem kell állandóan kihúzni. Meg egy kicsit bolond biztosra is akarom csinálni, mert nem csak nálam lenne hanem a haveromnál a nyaralóban is. Ha egy kicsit több bubis vizet isznak akkor nem kell félnem attól hogy autóra és 230V-ra is rákötik egyszerre hátha úgy erősebb. Csak ezért írom ezt mert már hasonló eset történt már náluk. Köszönöm a segítséget. Ha elakadok valamiben akkor még kérdezek itt a fórumon.
Üdv, úgy döntöttem hogy elkezdek készülni az egyetemre, és már most elkezdenek forrasztgatni, és egyszerűbb áramköröket építeni. Az lenne a keresem hogy mondjatok van jó szakirodalmat ami segít a komolyabb elemekben pl dioda, tranzisztor, stb... működésének és használatának megértésében, mert a nagyon alap dolgokat már megértettem.
Az értelmes válaszokat előre is köszönöm... Üdv Máté
Egy nagyon jó online szimulációs program: Bővebben: Link
Rövid leírás pár alkatrészről: Bővebben: Link Bővebben: Link Bővebben: Link Bővebben: Link A hozzászólás módosítva: Máj 19, 2013
Szia!
Itt rengeteg JAVA-s szimulációt találsz, ahol egérkattintással kijelölhetsz elemeket és megváltoztathatod az értéküket.
Sziasztok.
Ne haragudjatok, hogy ide teszem fel a kérdésemet, de hogyan tudok elérni egy moderátort ha gondom van? Köszönöm
Mondjuk odapattintasz a fejlécben található pipára, és már is látod.. üdv!
Idézet: „Üdv, úgy döntöttem hogy elkezdek készülni az egyetemre, és már most elkezdenek forrasztgatni, és egyszerűbb áramköröket építeni” Nem akarom elvenni a kedved (majd elveszik az Egyetemen), de akkor ne forrasztani kezdjél el hanem magolni a száraz elméletet. Hidd el, hogy az első két évben úgy megszívatnak ellenállás, feszültség, áram, teljesítmény számításokkal, hogy azt is elfelejted mi az, hogy forrasztás. Az elméleti alapokra gyúrj először. Persze ezt is könnyebb megérteni, ha az életben is kipróbálod, de ahhoz rengeteg forrasztani való idő kell. Minden esetre kitartást hozzá. A fentiek saját tapasztalataim esti villamosmérnök képzésben.
Nem értek én ehhez az újmódi technológiákhoz.
Amikor először hallottam róla, akkor a Texas Instruments tudtommal még nem gyártott ilyet, csak a Fairchild meg az RCA vagy a Signetics.
Na igen, amikor 1963-ban piacra dobta a Fairchild az uA702-t, akkor még a tranzisztor is újdonság volt, nem még az integrált műveleti erősítő.
Üdv. Bontottam egy opto-t de nemtudom melyik a bemenet és a kimenet rajta. Valaki el tudná mondani minek az alapján tudok erre rájönni? Vagy ha így nem is akkor itt a tipusszáma: B0745 817O (vagy a végén 0, nem látom jol). A segítséget előre is köszönöm.
Hello!
Ha egy általános és nem speciális optórol van szó, viszonylag egyszerű a dolog. - Legtöbb esetben 4 láb mellett, az 1-2 között van a Led dióda. Az anód az 1-es szokott leni. - A fototranzisztor általános bekötése 3-ak emitter 4-es kollektor. Szinte kizárólag NPN tranyót alkalmaznak. - Ha láb esetén, 1-es anód, 2-es katód, 3-as üres. 4-es emitter, 5-ös kollektor, 6-os bázis. - De a Led dióda viszonylag könnyen megtalálható, még ha a lábakat nem ismered, akkor is. A tokban egy infra Led van, aminek nyitófeszültsége kb. 1,5V. Ha egy 1kohm-os ellenálláson keresztül megtáplálod egy 10..12V-os táppal, vagy egy 9V-os elemmel, akkor ha a dióda kinyit, akkor azon a két lábon mérhető az 1,2V feszültség. - Ha ez meg van, akkor a tranyó, már kikereshető egy OHM mérővel is. A kollektor-emitter között, nem szabad ellenállást mérni (vagy dióda állásban). HA viszont megtáplálod az előbbi módon a Led-et, akkor helyes polaritás esetén, a tranyó kollektor-emittere vezetni fog. Tehát a teszthez elégséges egy elem, egy ellenállás, és egy kézi műszer. Persze egy dugdosós próbapanel sem árthat a könnyebb kezelhetőség miatt.. üdv!
Nagyon szépen köszönöm
Van belőle egy maréknyi és nemtudtam őket eddig használni mert a tipusra nem dob ki semmit a gugli. További szép estét.
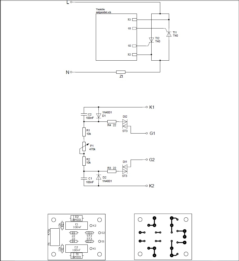
Üdv!
Lécci segítsetek! Én ezt a teljesítményszabályzót szeretném megépíteni (muszáj) csak nem tudom hogy milyen alkatrészek kellenek hozzá ( mi a P1, ST3 DI1) |
Bejelentkezés
Hirdetés |








Amikor először hallottam róla, akkor a Texas Instruments tudtommal még nem gyártott ilyet, csak a Fairchild meg az RCA vagy a Signetics. 
