Fórum témák
» Több friss téma |
Nekem tökéletes! Ha jól gondolom, akkor, ez felhúzza 5voltra a vonalat, amit a telefon valamiért nem igényelt, mivel gyári kábel, tuti, hogy ez is hiányzik (nem gond, a töltés plusz egy 78l05). Alakul ez, de mára már tényleg csak az elmélet marad. Mégegyszer köszi!
Igazán nincs mit, Nem olyan nagy baj ha beöntött, csak kell csinálnod egy közdarabot, hogy az átkötéseket meg tudd csinálni...
Mérni gép nélkül kell, mert a txd-rxd vonalakat nem tudod úgy billegtetni mint a többit. Értelemszerűen az alapállapot azaz, hogy a ptt vonalon 5 volt mérhető, ezt húzza a txd vonal gnd-re. Ez pedig jelváltozásként jelentkezik az rxd vonalon. Valami ilyesmiképp kell kimérni. A rádió is adatküldéskor 5 voltot húzgálja le.. A mikrofon vonal az egyben a ptt is, ez bonyolíthatja a helyzetet, mert kétfunkciós a dolog, ha egy elektret betétek kötsz rá és adásba megy, akkor sorosan kell a ptt nyomógombot kötni. Ha nem vált adásba, de rövidzárlatnál igen, akkor pedig a mikrofon betéttel párhuzamosan kell a nyomógomb de a gombbal sorosan egy 1-2.2kohm körüli ellenállás. Értéke attól függ, hogy stabil legyen a ptt adásra váltása a rádiónak, de ne söntölje a mikrofon jelét számottevően, így a modulációt is lehet állítani...
Na most kereshetek papa- mama dugót, de nem probléma, biztos van. Amúgy olyan 600 ohm körüli dina mikire gondoltam (cb rádiójé, tetszik, meg már megszokta a kezem), nem tudtam, hogy csak két polusú az ajzat, majd veszek mono csatit, de előbb a kábel legyen jó. Üdv:Laci!
A dinamikus mikrofon nem lesz jó, csak átalakítással. Kell kondenzátoros leválasztás, meg kisebb átalakítás. Mert az elektret mikrofonra van tervezve, a dinamikus meg nem tolerálja a tekercsén a feszültséget.
A rádió ptt-vonala egyben a mikrofon vonal is, így táplálja az elektronikus betétet. Alap 5 volt feszültség van ezen a vonalon, amit a mikrofon betét pár milliamperrel lesöntöl 2.5 volt alá, ekkor vált a rádió adásra, a maradék feszültséget modulálja a mikrofon jele.
Szia! Nem biztos, hogy van ilyen mikrofonom, de ez még várhat. Gondolom, akkor a ptt gomb meg egy soros ellenállás, közös gnd és egy kondival becsatolt dinamiki jele édeskevés? Van erősítővel rendelkező kondi mikim, ami illeszkedne az 5 voltos táphoz, igenám, csak az képes meghajtani egy kishangszórót. Mekkora jelszintet "vár" itt a rádió? Üdv:Laci!
Szia! Nem működik, úgy látszik, hogy oka van annak, hogy hiányoznak a felhúzóellenállások, és az átkötések, lehet, hogy a telcsi másképp kommunikál, jó lenne belelátni a csatiba. Nem foglalkozom tovább vele, nehogy kárt tegyek a rádióban. Most ezzel a tranyós megoldással foglalkozok. Bármilyen npn, pnp tranyó jó ebbe a kapcsolásba, illetve zénerem nincs itthon, használhatok helette 78l05-öt? Megcsinálta már valaki, jó az én rádiómhoz? Üdv:Laci!
Helló.
Az elképzelés jó, a jelszint meg mikrofon és rádiófüggő. Nem tudom megmondani mekkora a jelszint igénye, talán 10-100miliVolteff, lehet. Nagyobb jelszintet meg le lehet osztani.
A kapcsolás jónak tűnik, könnyen lehet igazítani rajta ha nem menne jól. A Z-dióda összerakható több darab alacsonyabb értékűből, de a 78L05 is működhet, ha a com-portod valós 12Volt értékkel operál.
Régebben én is tranzisztorosat használtam, valami orosz kapcsolás volt több tranyóval. Pontos típusra nem kényesek itt a dolgok.
Szia!
Köszi, a zénert azért kérdeztem, mert csak nagyobbak vannak, írtam már, hogy nem akarok futárt rendelni egy alkatrészért, ehhez a kapcsoláshoz meg minden van itthon. A miki meg majd kialakul, de az tényleg másodlagos. Más kérdés, hogy kizárjam a rádió hibáját: Ha progizó kábel nélkül be van kapcsolva a rádió és szervíz módban van ,akkor az aktuális frekvenciát írja ki (adási, vagy vételi?), és 1megán belül lehet léptetni fel, vagy le, normális ez, elméletileg a rádió készen áll a programozásra, csak bennem van a hiba? Üdv:Laci!
Ahogy írod, úgy kell lennie. A vételi frekit írja ki, az elején meg nincs kiírva a 4-es.
A 2.5 csatlakozód az sztereó vagy csak kétpólusú mono? Mert sztereónál van az a gond, hogy nem jut el a GND a progizóhoz. Ha rövidre zárod akkor kiírja LOAD utána ERR, ez esetben minden oké.
Kezdek megnyugodni..... Sajnos csak sztereo van itthon, ezt a rövidrezárást még nem próbáltam, gombnyomásra igen kiirja a loadot, majd egy idő után a hibát... naná nem kapja meg, amit várna, kiolvasásnál gombnyomásra, pedig felvillan a led. Szigorúan mindent úgycsinálva, ahogy a leírásban van csak a jack csatlakoztatása nélkül.
Akkor ezek után már ki lehet jelenteni, hogy a rádióval nincs gond, csak én vagyok balf....? Üdv:Laci!
Működik a sztereó csatival is, csak a nyakát és a középső gyűrűt össze kell kötni, és mono lesz belőle. Szerintem a rádió az oké. A többi már csak kínlódás kérdése, például szívathat még az, hogy a programban fordítva van a adat le-fel töltés..., Nem magyar agynak találták ki...
Na akkor tisztázzuk a dolgot, a francba, hogy szétkaptam mérgemben a kábelt! Most nincs előttem a program, de ha jól emlékszem: f5 kiolvasás, f6 írás? (ez már sok sörömbe fog kerülni egy személyet találkozásnál)
Nos, nekem is másik gépen van, fejből nem is emlékszem jól. De amit a download jelentene, hogy letöltjük a rádióból az adatokat, az éppen a feltöltést jelenti a program nézetéből.
Lehet, hogy én gondolom fordítva, de ezzel sokat szívtam míg jó magyar módszer szerint meg kell próbálni fordítva is, ha valami nem megy. És lőn csoda ment.
No már megkeverlek, sőt magamat is, amit írtam nem kimondottan a ce2-re vonatkozik... ce29-nél már igaz.
Ce2- ben úgy írja hogy write rom, írás, és read rom (bocs ha nem helyes az angolom,de beszélni is így beszélem, amikor a csehekkel nyomtam angolul, akkor nem volt gond, de, egy angol már azt mondaná, hogy nem értem, de paraszt vagy!) a magyar leírás, is ezeket az f betűket. adja meg.( ja igen a rom miatt nem lehet félreérteni, de a le- fel töltésnél már kérdéses, hogy a rádiófelől, vagy a gép felől nézzük, bizony lehet fordítva is, mint a dátum, név ,stb írásmódja.)
Sziasztok!
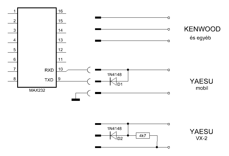
Egy univerzális programozót építek Yaesu és Kenwood rádiókhoz. A Kenwood egyszerű mert külön RXD külön TXD-je van, de a Yaesu közösített. A mellékelt rajz szerintetek jó lessz? Vagy ti változtatnátok az ellenállások értékén? (láttam rajzot ahol a diódát is rövidzárral helyettesítették, de akkor szerintem a rádió küzd a max232 kimenete ellen) A VX2R rádió rajzát nézve van benne diódás túlfesz-védelem és 100k testre húzás, txd esetén egy pnp tranyó huzigatja fel 3V-ra. Az FT8900R esetén viszont semmi sincs, egy 220ohmon keresztül közvetlen a százlábúra megy a jel. A MAX232-ben 400k van beépítve felhúzónak 5V-ra.
Úgy gondoltam a programozóba mégsem kell mindent beletenni, inkább a kábelbe mennek az egyedi alkatrészek. Vélemény ?
A hozzászólás módosítva: Jún 12, 2013
Mégis mit vársz? Hogy bólogassunk? Van egy ötleted, valósítsd meg, ha beválik, örülsz, örülünk, ha nem, jöhet a B változat.
Egyébként is ezeknél a készülékeknél nincs általános, vagy szabványos eljárás, ha mégis egyformán kell programmozni valamelyikeket, az szinte a véletlen műve, vagy nincs több lehetséges variáció. Nomeg az amatőr oldalakon több segítségre számíthatsz, ha szükséged lenne rá.
Lehet csak nem akarnak olyan kérdéshez hozzászólni amit nem tudnak biztosra. Egyébként az én 857esem az nem mbusos henem fbusos. A TE rajzod viszont mbust jelöl.
Én azt csinálnám, hogy utána néznék, hogy a kívánt rádióknál milyen jelszintekkel lehet programozni és ahhoz készítenék szintillesztőt. Esetleg nézz rá a gp300 programozóra, hogy ott hogy oldották meg a közösítést. Az a kapcsolás biztos, hogy működik, mert azt csináltam meg én is. Bővebben: Link (Még valami.. ebayről olcsóbban lehet rendelni illesztőt mintha magadnak raknád össze.) A hozzászólás módosítva: Jún 13, 2013
Idézet: Inkább hibákra figyelmeztetést vártam volna, pl: -hiányzik a felhúzó ellenállás / -hiányzik a lehúzó ellenállás / -nem oda kell a dióda hanem így, stbstb„Mégis mit vársz? Hogy bólogassunk?” eBay-ről csak annyit hogy van egypár belőlük nekem (usb és soros is). Teljesen használhatatlan vackok, ámbár régebben még működött eggyik-másik. Ezután kényszerültem a saját építésre.
Utána néztem volt: a yaesu mobilrádió 5V-os cpu-val dolgozik, és van 4k7 felhúzó ellenállás a bemenetén. A kézi rádió 3V-os cpu-val dolgozik, de van diódás túlfesz védelme, felhúzó ellenállás nincs, a lehúzó ellenállása furcsán nagy értékű, vezérlése felfele huzigat tranyóval.
Sajnos a linken nincs kapcsolási rajz.
Amit én rendeltem az még megy. De kétségtelen... van pár kínai lomom már ami kimúlt. Ezek közé tartozik pl egy usb->soros átalakító is.
Igazából én azt gondolnám a felhúzó/lehúzó ellenállásokról, hogy attól, hogy van a rádióba is, nem baj, ha van a programozóba. Azon meg szerintem ne csodálkozz, hogy nagy értékűek, szerintem a kis áramok miatt van így. A diódás védelem meg jó, de én azért nem kísérteném a dolgot. Na meg mi van akkor ha olyan rádió kerül a kezedbe amibe nincs ez a védelem. A közösítést meg a 7407-es ICvel oldották meg. Ha megnézed a "beültetési" rajzot a MAX IC T2IN R2OUT lábai mennek a 7407-re és ott "egyesülnek". Persze lehet megoldható ez a dolog IC nélkül is, de sajna azt én nem ismerem.
Amit én rendeltem az sem hibásodott meg, ma is mennének, nem ezzel van gond.
Hanem azzal hogy a soros cucc nem szabványos (hanem tranzisztoros felépítésű), így csak alaplapi soros cuccal működőképes, az usb-s pedig kizárólag winXP-vel kompatibilis a hamisított chip miatt. Se alaplapi portom, se XP-m nincs már. A védódiódáról annyit hogy a gyár (pl yaesu) is egyfajta programozót gyártott az egyvonalon programozható rádióihoz, ezért eleve számoltak ezzel, szerintem az open-colectoros tipusú vezérléshez azon 1db dióda elég, felesleges a 7407 (villogó led díszek se kellenek). A soros port DB9 csatin eleve egy kis dróttal zárom a 4-6 és 7-8 lábakat.
Pont ilyen célra van egy P1 -es gép az ágy alatt, win98 al.
Próbáld ki a diódás dolgot, lehet bőven elég az hozzá. Amúgy nekem is egy régebbi gép szolgál a programozásra.
Hát az nagyon ciki, főleg ha mindenki másnak laptopja van Win7/8-al és nem otthon kell(lene) programoznod. Aztán buszozhatsz egyik hónaljadnál egy nagy gép, másikon a monitor.
Szerintem van optimálisabb megoldás: ezért építek magamnak egy ilyen programozót. Így én csak beteszem a táskába a W7/8-as netbookot, a gyufásdoboznyi programozót és a kábeleket zsebrevágom és goo.. Vagy csak pendrivevon viszem a progit, mert van ott akármilyen gép, és zsebben elfér minden szükséges. A hozzászólás módosítva: Jún 14, 2013
Ezzel csak az a baj, hogy jó pár régi rádióhoz (amik minőségben magasan verik a most elterjedt woxu/bao féléket) nincs program, csak olyan ami soros porttal hajlandó működni. Nem jó neki se az usb-s kábel se az usb/rs232 átalakítós dolog. Arról már nem is beszélve, hogy sok program dos alatt fut, mert nem kompatibilisek a winnel. Persze minden attól függ, hogy ki milyen rádiót szeretne programozni.
Ja, és van még egy Compaq LTE5000 laptop is, ha netán hordozni kéne. Mai szemmel elég gyengusz, a 24 MB ramjával, de ilyen dolgokra jó.
A hozzászólás módosítva: Jún 14, 2013
|
Bejelentkezés
Hirdetés |













