Fórum témák
» Több friss téma |
Mielőtt kérdezel, a következő két dolgot ellenőrizd!
I. A helyes tápfeszültségek megléte.
II. A kimeneten van-e egyenfeszültség.
Élesztés.
Nem baj fiuk, nekem sem sikerült, de azért köszönöm, majd ki kísérletezem az ellenállást, 820 ohm-al kezdem majd, vagy be válik vagy nem.
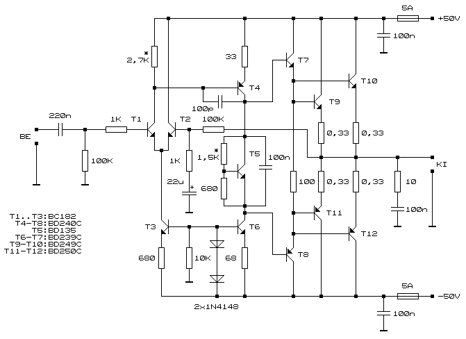
A végtranyók- 2SJ200, és 2SK 1529-esek.
Szia!
Neten nézegettem erősítőbelsőről képeket, és nekem lila-piros-barna ellenállásnak tűnnek ami 720ohm. Persze elég rossz minőségűek a képek, de egyre inkább erősödik a gyanú, hogy az a 820 ohm nem is nagy mellélövés.
Szia!, hát igen remélem igazam van.
Itt egy közelebb kép az ellenállásokról. Szinkod
Sziasztok !
Az lenne a kérdésem, hogyha egy erősítő maximum +/- 20V -al működhet, akkor az azt jelenti hogy asszimmetrikus táppal + 40V -al ? Ill. a minimum tápellátására is igaz ez ? Kösz !
Igen. Csak műközepet kell neki csinálni! Kissé kevesebb lehet, de akkor nem jön ki belőle a max.
Köszi !
Van ez az IC,TDA2616Q és megcsináltam a kapcsolást ami asszimmetrikus táppal van. (9. oldal) Egy mp3 lejátszóval hajtottam, de valami eszméletlen halkan szólt egy régi Videoton (7W-os) hangszórón. + 18 V -ot kapott az IC. Arra gondoltam gyenge a bemenő jel. Van egy gitár előerősítőm, erre rákötöttem az mp3 lejátszót és úgy már azt szinte maximumra tekerve sokkal hangosabban, meg jó torzan szólt. Viszont nem lehetett rendesen szabályozni a hangerőt, vagy viszonylag hangosan torzan szólt, vagy tisztán de nagyon halkan. Persze a gitárerősítő csöve is betorzított. Szerintetek a táp volt kevés ? Ez az első IC-s "erősítőm", aztán fogalmam sincs mi lehetett a baj. A hozzászólás módosítva: Aug 26, 2013
Adatlapja szerint is csak szól valahogy +/- 7.5V-ról, de valójában min. +/-16V kell neki. A 18V=+/- 9V, elég karcsú ezek szerint (ha mindent az alapkapcsolás szerint csináltál). És nem arányos a kivehető teljesítmény a feszültséggel (nem fél fesz.-fél telj.)
Szia Reloop van nekem GPA300 végfokom megépitve,80vDc ről üzemel,és azért melegszik kicsit ha komolyabban megtekerem,gondolkoztam azon megtoldom 2-2 pár végtranyóval a végeit, akkor talán nem fog annyira melegedni.MJ15024-25 van szerelve.Minden a gyári ajánlás szerint van beállitva rajta,és müködik is rendesen hiba nélkül.8ohm-on használom,csak melegszik.A nyugalmija 60mA van állitva,a kimeneti egyen fesz 0.02mV.Rajzot nem tudok produkálni hozzá mert nincs sehol sem hozzá.
Köszönöm
Szia! Úgy vélem ez a kapcsolási rajza.
A tranzisztorok számának növelése nem változtat az erősítő hatásfokán, tehát a termelt hő amit el kell vezetni változatlan marad. Mekkora és milyen kialakítású a végfokozat hűtése? Tapasztalsz-e jelentős hőmérséklet különbséget a végtranzisztor és a hűtőborda között? Vigyázz meg ne rázzon az áram a tranzisztor tapintásakor!
Egy hangyányit melegebb a végtranzisztor mint a borda de ez T03-nál érthető,maga a borda amire fel van rakva, az 280x120x50x8mm,vizszintes bordázatú,ventilátorral 2db 12cm hütve.
A rajz nem igen az övé,amit néztem,de lehet tévedek.Kép róla Mind két panel ezen a bordán van. A hozzászólás módosítva: Aug 28, 2013
A borda ugyan tekintélyes méretű, de az elvezetésre váró 4-500W bizony ezt is fel melegíti. A tranzisztorok számának növelése csak alacsonyabb terhelő impedancia esetén indokolt, és nem tudható a meghajtók győznék-e árammal.
8 ohm-os terhelés esetén semmi tennivalót nem látok.
Köszönöm válaszod,akkor marad igy.8ohm-nál nem kap kisebbet terhelésnek.Anno beszéltem a készítőjével,és ő is mondta hogy melegedni fog kicsit jobban mint szokott, a nagyobb fesz miatt,de azóta se volt gondom vele,csak hamar felfűti magát.Egyszer mértem fél óra "bőgetés"után,65-70 fokos volt a borda,akkor kapott még két ventilátort a bordákra,igy már 4 hűtötte,és akkor beállt 50fokra,de mint szélcsatorna olyan hangos volt.De akkor kap 1 kapcsolót a +2 db venti és akkor ennyi.
Köszönöm még egyszer a választ U.I: Nagy szentségtörés ha a meghajtók helyett végtranzisztort használok?Abból van most bőven,meghajtókból kevesebb.Általánosságban... Köszönöm A hozzászólás módosítva: Aug 28, 2013
A utólag feltett kérdésre a tranzisztorok adatlapjában találod meg a választ. Meg kell nézni a 10mA-1A tartományban mennyire lineáris és elegendő mértékű-e az erősítés. Ha nem találsz adatot, akkor majd a próba eldönti
Sziasztok!, nincs meg véletlen valakinek a nyomtatott áramkori rajza ehhez a végfokhoz Lay formátumba?. Már át néztem az oldalt de sehol se lelem.
Szia! Itt kopogtass
Szia! Oké tudom kiről van szó!
Köszönöm!
Kolléga, adj egy címet magánban, és küldök neked néhány csillám szigetelőlemezt...ezt a szenvedést már nem bírom elnézni...
Szeretnék tanácsot kérni az erősítő elrendezésében a dobozán belül. Dual-mono gainclone-t építek 2 toroiddal, de sehogysem tudom úgy megcsinálni, hogy a bemenet és a hangszóró-kimenet az erősítő hátulján legyen, a potméter pedig az elején, de ne keresztezze a jelvezeték útját a trafó, vagy közel ne menjen hozzá.
A másik kérdésem pedig az lenne, hogy 2 toroid trafót egymásra lehet-e tenni, vagy kötelező egymás mellé tenni.
Írtam üzit.Köszi szépen.Hát sajna nemkaptam sehol itt a városba.Pedig vanpár elektronikai bolt.
Ez nálam is gyakori probléma, ezért szoktam a bemenetet előre, a hangerőszabályzó mellé rakni. Fotókat tölthetnél fel a dobozról és a belevalókról, úgy könnyebb lenne.
Trafó középre, a panelek két oldalt. A doboz szélén mennek a kábelek az előlapra, közéről meg a panelek felé a táp vezeték, stb. Nem olyan nehéz ez. KÉP
Több megoldás is létezik. Lehet kábelezni, és lehet a poti tengelyét meghoszabbítani. Minden megoldásnak vannak előnyei és hátrányai is.
De nem ez a legfontosabb, hanem az a feltevés, amiből kiindul az egész probléma. A vezetékek keresztezése, és/vagy trafóhoz való közelsége. Azt tanácsolom, végezz néhány nagyon egyszerű kísérletet. Meg fogsz lepődni, mert az említett körülményeknek a legtöbb esetben semmiféle hallható hatása nincs. Pl a bementi árnyékolt kábelt szorosan tedd a trafó mellé, és hallgasd meg észlelsz-e búgást. Aztán kötegelt egybe a tápvezetékekkel, és ismét hallgasd meg. Egyáltalán nem, vagy csak az érzékelésed határán lesz valami hallható eredmény. Sokkal fontosabb mint hová kötsz, miként tudod a földhurkot kikerülni! Ettől még célszerű betartani néhány szabályt, de az erősítőn kívül is egymás mellett kanyarognak a ki és bemenet vezetékei.
A trafót célszerű mindig az egyik sarokba rakni, akkor nincs útban semminek. Ha megnézed a régebbi gyári készülékeket, szinte kivétel nélkül az összes így készült. Mindig a bal (szemből) hátsó sarokba szoktam rakni (a kapcsolóüzeműt is), és a hálózati kapcsoló is bal oldalt van. Jobb hátsó oldalon a bemenet(ek), a kimenet pedig hátul középen, vagy balra, a hálózati kábeltől kellő távolságra. Az előlap szabad az összes kezelőszervnek, karácsonyfának stb. Minden erősítőm ezzel az elrendezéssel készült (30-tól 600W-ig), egyikkel sem volt gond, még földhurok sem. Ez az elrendezés még a forszírozott hűtést is egyszerűsíti, mert elég 1db ventilátor a táp és a végfok bordái közé (a kapcsitápon átszívja, a bordákon pedig átfújja a levegőt).
És mi a helyzet, ha 2 trafóm van, mert nálam ez a helyzet? A 2 hátsó sarokba teszem a trafókat, középre meg a 2 monoblokkot?
Sziasztok!
Segítséget szeretnék kérni. Van egy philips FA630/00r típusú erősítőm és sajnos nem működik. Nagy való színűséggel a trafója halt be benne mert semmi kijövő áramot nem tudok mérni rajta. Valaki meg tudná nekem mondani mekkora áramot kéne mérnem rajta ha működik illetve milyen trafóval helyettesíthetem? Előrre is köszönöm a segítségeteket
Heló!Esetleg tudok segíteni,a trafónál,hogy írtad hogy nem jön ki belőle feszültség.Nos lehetséges,hogy a hő ki oldó kapcsolt szét a trafóban.meg kell bontanod a trafó külső szigetelését,és ott lesz egy kis fehér lapos műanyag,amiből két pólus jön ki.hidald át,és azonnal be fog indulni.Tapasztalatból írtam mindezt.,próbáld meg,nem veszítesz semmit.
Köszi a segítséget
Gondolom a fehér vezetékem lesz a közös a két sárga meg a 27v kétszer ? |
Bejelentkezés
Hirdetés |





Köszönöm! 




