Fórum témák
» Több friss téma |
Fórum » Keverőpult építése, javítása
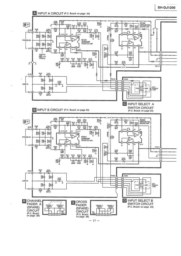
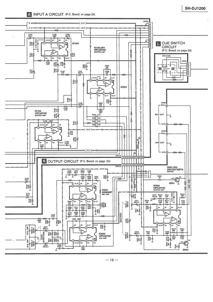
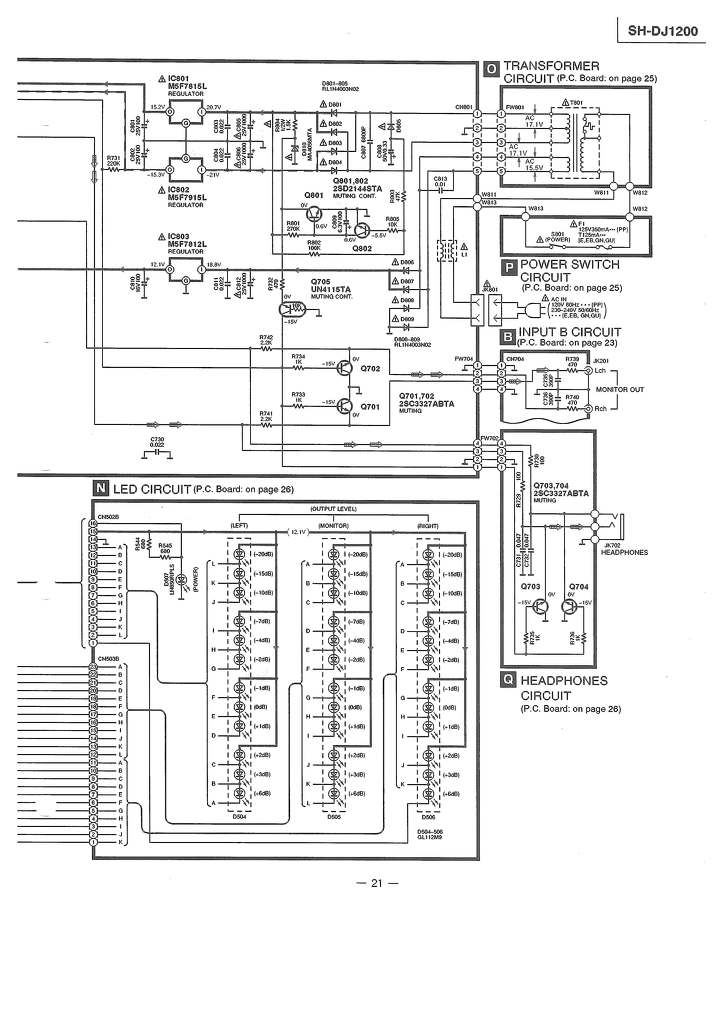
Csatolom a rajzokat.A 18-ast nem töltöm fel újra.
Szia! A kollégát én irányítottam ide. A LOW és a HIGH szabályzóira vonatkozik a kérdés. Úgy látom a poti egyik vége normál szintű jelet kap, a másik közvetlen egy invertáló bemenetre megy. Ebből arra a következtetésre jutottam, hogy a poti pálya közepének testre kötése nélkülözhetetlen a szabályzó helyes működése szempontjából. A kérdés: ilyen hétlábú csoda milyen forrásból szerezhető be.
Szevasztok, készített valaki innen működő keverőt? Amihez vannak tervek is...
Pont ugyanilyen, szerintem legfeljebb a saját márkaszervizében rendelhető.
Sziasztok.
Kaptam egy Numark DXM-06 keverőpultot ami táphibás volt. Nos szétszedtem és 2db kondi és egy stab IC elszállt benne. Kicseréltem és ugynézki, hogy minden okés. A gyári dugasztápja nincsen meg neki, de volt nekem itthon egy szekunder nélküli kb 100 Wattos trafóm amit semmi másra nemtudtam használni azon kivül, hogy porfogó volt. Meg is tekertem szépen 9V-ra mert annyi kell a keverőnek AC-ben. Pontosabban 9V/1.5A. 0.7mm-es vezetékből tekertem úgy, hogy duplán fogtam a vezetéket. Gondolom ez igy elég csak kibír 1.5A-t. Elég nagy ez a trafó ehhez, de csak egy jóval kisebb van még, de nemtudom, hogy mekkora teljesítményű kellene ami még elég hozzá. A kérdésem az lenne, hogy használhatom így, vagy szerezzek hozzá egy gyári dugasztápot? Igazából a gyárijából is váltó fesz jön ki szóval nagy különbség nincs köztünk. A hozzászólás módosítva: Ápr 12, 2013
Szia! Meglehet, de nem inkább a Te igényeidet kéne vázolnod, hogy tudjunk segíteni?
Hello tudna valaki nekem abban segiteni hogy kellene egy keverőhöz kapcsolási rajz 10 bemenet ,omdegyik kulon szabályozható gain master mély magas kozep és 3 egymástól független külön allithatop kimenet előre is köszönöm a válaszokat
A hozzászólás módosítva: Ápr 25, 2013
Ilyesmire gondolsz? Itt találtam a téma képei között.
valami ilyesmi kellene csak tobb bemenet meg kimenet kellene es biztosan mukodjon
Közelítsük meg úgy, hogy leírod milyen célra szeretnéd használni.
kisebb rendezvenyeken hangositani meg zenefelvevo studioba
Ha nem kizárólag az építés öröméért készíted, akkor vásárolj egy használt készüléket és rakd rendbe. Az sokkal olcsóbb és megbízhatóbb lesz, az esztétikáról már nem is beszélve
Teljesen egyetértek!
Egy használt Behri 8-12 csatornás keverőt kis hibával már 5-10 ezerért meg lehet venni, és olyant vagy még hasonlót se rak össze házilag senki. Ha csak az anyagigényt nézem beszerzési áron, kétszeresébe van mintha egyet felújít valaki.
Csak amíg kireszelgeti az ember az előlapon a 16 - 20 tolópoti helyét, addigra bele is őszül.
És segítenétek nekem hogy hol találhatok mert nektek van ismertségetek legalábbis én ezt gondolom.
Például ezt az oldalt kísérd figyelemmel.
Sziasztok! Adott két audió jel és egy fülhallgató (motoron két telefon és egy headset). Hogyan tudom a legegyszerűbb módon összekötni őket a hangszóróval? 3.5-es jack-en jön a jel mindkét irányból. Passzív alkatrészeket szeretnék használni, hogy ne kelljen külön áramforrást alkalmazni.
sziasztok . szeretnék egy kis segítséget kérni tőletek ,mert látom nagyon megy nektek ez a keverős dolog
![]() Szóval van nekem egy Omnitronic PM-524 Unique edition keverőm. Csak az a gond vele hogy a 3 csatornából egyiken sincs asszem bal oldali kimenet. Mi lehet a gond ???? ![]() Vajon tipus hiba lenne ,vagy csak elhasználódás?? Mikor megvettem használtan akkor még volt valami hang rajta de el is csendesedett lassan most már teljesen süket . Köszönöm előre is ha valaki tudna tanácsot adni hogy mi lehetne a megoldás
Szia! Nekem van egy 520-asom, abban a potikkal volt gond. Mint kiderült, az előző tulajnál kapott egy kis kólát - az megmarta rendesen.
Sziasztok!Azért nyitottam erről új témát mert erről a keverőről sehol nem találtam semmit!
Szóval az lenne a kérdésem hogy van-e olyan aki ismeri ezt a keverőt!lenne-e kapcsolási rajza hozzá!vagy tapasztalata ezzel a keverővel! Amit csinált hogy bekapcsoltam és az összes led összevissza villogott!volt hogy hozzáértem a keverővalameik részéhez akkor világitott minden, elengedtem abba hagyta!A táp részén egy ellenállás biztosan elégett de fogalmam sincs mekkora vagy milyen lehetett mert minden leégett róla! Előre is köszönöm a válaszokat!
Pedig akad róla itt-ott infó.
A részletes kapcsolási rajza itt megtalálható még néhány egzotikummal egyetemben... Ha nem ismerősek az orosz karakterek, a legutolsó sorban találod. De könnyen meglehet hogy emiatt kár volt új topicot nyitni, és elpaterolnak egy meglevő audiós helyre.
Köszi!_úgy is lett, el><tettek ide(Keverőpult építése, javítása)!_Köszi a linket!_Én tényleg bújtam már mindent de nem találtam!_Láthatólag a tápnál az R1 ellenállás elszált!_a kapcs rajzon úgy látom ugyan><az mint az R2 de szerintem beépítve nem az volt!_legalábbis más színűnek látszott!_Szerinted ezenkívül más is elmehetett benne?_most<>már semmi nem világít rajt(a) csak a mutatók fénye!_rossz bekötés lehetett az oka?_vagy valahogy meggyilkolták?_Amúgy te ismered ezt a keverőt?_érdemes szerinted foglalkozni vele?
Előre is köszi!_már a rajzal is sokat segítettél A hozzászólás módosítva: Szept 9, 2013
Szia! Nem ismerem ezt az erősítőt, csak a táp rajzára pillantottam rá eddig.
Az ellenállás értéke nem kritikus, akár 50%-kal is eltérhet. Gyanús, hogy túlterhelés áldozata lett. Egyelőre csak 20 ohm körülivel pótold, és figyeld a rajta eső feszültséget. Ha ez 6-8V-nál nem több akkor nincs nagy baj. A táp kimenő +/-15V feszültségét ellenőrizd le!
Volt szerencsém hasonló keverőhöz sok évvel ezelőtt, de nem javítás szinten, csak rám akarták sózni és kipróbáltam. Arra emlékszem hogy működött ugyan, de eszeveszettül zajos volt, és a potik is recsegtek nagyon.
A rajzát és korát elnézve meg sok jóval amúgy sem bíztatnálak. A javítást azzal kezdeném, hogy a buszrendszerről lekötném a tápokat, és anélkül próbálnám helyreállítani a tápfeszeket. Szinte biztos, hogy valamelyik csatorna szűrőelkója zárlatos, és az okozta a tápban az égést. De alapból a tápban is először az elkók vizsgálatával kezdenék. Ha blegondolok, hogy egy mai kis Behringer digit effektes 8 csatornás keverő mennyivel kisebb, kezesebb és olcsób - nem sokáig babrálnék vele. Persze ha kihvásnak gondolod, jó kis tanuló-szervizelést gyakorolhatsz rajta, és megismerkedhetsz az orosz technikával Egy Junoszty tv-nél azért egyszerűbb lesz talán.
Nem tudjátok esetleg hogy használati utasítást honnét tudnék szerezni hozzá?
Az eddigi válaszokat is nagyon szépen köszönöm!
Üdv mindenkit!
![]() Kerestem ilyen témájú topicot, nem találtam, de ha mégis van elnézéseteket kérem... ![]() A lényeg, tervben van egy 5 csatornás keverő-erősítő. Terv: 5 csatorna, magas-közép-mély állítási lehetőséggel, (sztereóban kellene, gondolomakkor mindent duplán kell építeni...)minden csatornára LED-es kivezérlésjelző, plusz egy a Masterra, és ezeket 4xTDA7294 erősítővel feldobva. Tudom hogy költséges, meg ez-az-amaz, de a kihívás miatt is felkeltette az érdeklődésem. Ha tudnátok kapcsolási rajzokat linkelni az nagyszerű lenne, mert már rengeteg fórum témát olvastam át, de nem találtam megfelelőt. esetleg ötletek, tapasztalatok? Köszi előre is. A hozzászólás módosítva: Okt 10, 2013
ja és még az lemaradt, hogy kivezérlés-jelzőt már találtam, a kapcsolási rajzot közzéteszem, hátha valakinek a hasznára válik
A hozzászólás módosítva: Okt 10, 2013
A keverőpult építése sokkal nagyobb falat, mint gondolnád. Számold össze a hozzávaló alkatrészeket, potikat, csatlakozókat és a készülék házat, máris egy használt keverő áránál tartasz ami oly kevéssé brummos, mint amilyen az amatőr sosem lesz.
Végfokot építs nyugodtan, az kezdő számára jó iskola, elérhető közelségben lesz a sikerélmény. A kivezérlésjelzőnek is van témája, amit találtál nem áll a helyzet magaslatán. Itt nem OFF-olnék róla. Erre sem bukkantál rá? Bővebben: Link
Sziasztok,
A segítségeteket kérném, egy keverő javításán dolgozom. A hibajelenség, hogy van rajt egy CD/PHONO kapcsoló ez nem működik (maga a kapcsoló hibátlan), másrészt a sáv nagyon halk, hasonló bemenetre, nem ilyen volt régen. Csatoltam két képet az egyik egy sematikus ábra az illesztő fokról, szerintem ez hibás (a valóságban duplán van sztereó a sáv), a másik egy forraszoldali fénykép amire berajzoltam az alkatrészeket. A gyanúm az, hogy a JRC4558DD-s műveleti erősítő rossz, nem veszi "figyelembe" a visszacsatolás értékének változását. Hogy tudnám ezt méréssel igazolni, mielőtt kiforrasztanám és cserélném?
Szia! Ellenőrizd az IC táplábain a feszültséget. Vesd össze a neminvertáló bemenet és a kimenet DC feszültségét - közel egyezni kell ha jó az IC.
Adj a bemenetre (pl. hangkártyáról) szinuszt, mérd AC voltmérővel a be és a ki pontokon. A visszacsatoló hálózatból az elvárt erősítést ki tudod számolni. Ez eddig a válasz, a megoldás a következő: alkatrész oldalról az IC tok tövében csípd el mind a nyolc lábal, és így a NYÁK gyötrése nélkül egyenként ki tudod őket forrasztani. Foglalattal tégy be egy másik műveleti erősítőt - mi más is lenne a hibája |
Bejelentkezés
Hirdetés |













