Fórum témák
» Több friss téma |
- Ez a felület kizárólag, az elektronikában kezdők kérdéseinek van fenntartva és nem elfelejtve, hogy hobbielektronika a fórumunk!
- Ami tehát azt jelenti, hogy a nagymama bevásárlását nem itt beszéljük meg, ill. ez nem üzenőfal! - Kerülendő az olyan kérdés, amit egy másik meglévő (több mint 17000 van), témában kellene kitárgyalni! - És végül büntetés terhe mellett kerülendő az MSN és egyéb szleng, a magyar helyesírás mellőzése, beleértve a mondateleji nagybetűket is!
Szia! Próbálj hozzá rajzot keresni. Ha ez megoldhatatlan, akkor rajzold vissza ezt a pár alkatrészt, áruld el a panel funkcióját és segítünk ellenállást méretezni bele.
Azt is ki kéne deríteni mi okozta a szétégését, mert lehet egyéb feladat is lesz még.
Ja, tényleg. Akkor azzal keverem, hogy a TL072 kimenete levihető GND-ig, a 062 pedig nem. Nem? Akkor mehet bele?
A GND-re sem megy le maradéktalanul, de hát ezért van az adatlap, hogy ezeket kiolvasd belőle.
Szóval nyugodtan rakd be a helyére, rosszabb nem lesz.
Rendben, köszi.
Rendben, köszönöm. Akkor írok oda. És persze feldolgozom az infót amit írtál
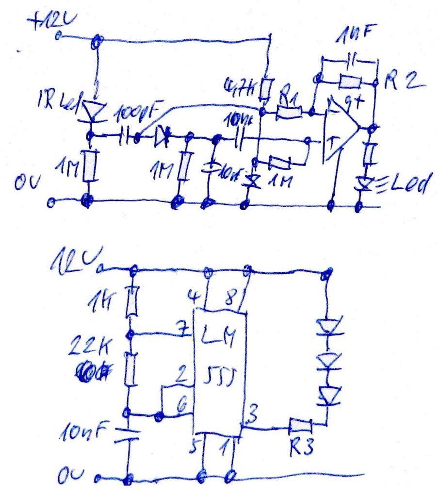
Itt mellékelek rajzot, ezt kellene kikísérletezni. 32KHz frekin megy az adó, a vevő felüláteresztő, demodulátor, aluláteresztő erősítő.
LM555 ic. állítja elő a 3.2kHz jelet, 3-as lábán hajtja a 3 db. ir. ledet. Itt R3 ellenállás 100 Ohm-nál kisebb ne legyen, ennek növelésével kell beállítani a szükséges adóteljesítményt. Vevőnél TLC272 -vagy hasonló- műveleti erősítő, R1 és R2 ellenállásokkal erősítés állítható be. Induló értéknek R1=10K, R2 1M, R3 100 Ohm, de ezek kísérletezéssel állíthatók be. Célszerűen R3 értékét nőveljük a megfelelő működésig, azaz csökkentjük az adó ledek sugárzását. A 3 adóled egymás mellett legyen, átfogva az érzékelendő keresztmetszetet. Ha valamelyik sugarát metszi a mag, csökken a vevődiódán az ir. sugár, ezt erősíti a vevőerősítő. A 100pF levágja a napsugárzás mozgásra hatását, gyakorlatilag csak a kisugárzott 32KHz jelenik meg a vevő kimenetén.
Előbbi rajzon hiba van, kimaradt az itt pirossal rajzolt ellenállás. A diódák 1N4141, Az infra bármilyen adó, és vevő led előnyösebb minél kisebb sugárszögút választani, 10-20 fok körülit adóoldalon.
Ami ebbe a topikba is belefér azt írom ide: Átnéztem amiket írtál, és nagyon tetszik az ötlet, csak még nem értem. A LIN meghajtót értem mire való, de a komparátort azt még nem. Utána olvastam, és még mindig nem teljesen értem, ez itt most az analóg jelet alakítja digitálissá a LIN meghajtónak, vagy a jelet erősíti, esetleg a jel eltérését/változását? Tudnál egy ábrát/vázlatot rajzolni kérlek?
Egy kicsit más, mit jelent hogy: 10sec időállandót alkot.? Hiába kerestem utána, még nem értem sajnos.
Senkinek nincsen megoldása erre a helyzetre, tényleg ennyire problémás a csupán 1,2V feszültség analóg kapcsolgatása?
Üdv!
Szerintem, inkább ez a kapcsolás problémás. Kezdjük a 100Ohm-os ellenállással, amin kb. 20mA tölőáram elvész, ha maximumon megy a napelem (lehet ennél nagyobb áramot nem is tud). Másrészt ebben a felállásban, az a szerencsétlen tranzisztor sosem fog kinyitni rendesen. Mellékeltem egy kapcsolást, talán ez működőképes. Az alkatrészek típusai nem kritikusak. Szerk.: Lemaradt egy 1k-s ellenállás a Q2 kollektora és a táp között. A hozzászólás módosítva: Ápr 22, 2014
Sziasztok!
Biztosra szeretnék menni ezért inkább kérdezek! Ezt a kondenzátort 220V AC-ra párhuzamosan be lehet kötni? Trafó elé szeretnék valami egyszerű (kis méretü) zavarszűröt készíteni. És jelenlegi tudásom szerint ez a kondi arra "alkalmas" igaz nem tudom hogy egymagában mennyit ér, de pont ezért próbálkozom! A konkrét gond az, hogy a megépített taps kapcsolom ha a fürdőben minimum 1 percig be van kapcsolva a lámpa, akkor ha lekapcsolom a fürdőben a lámpát akkor a taps kapcsoló is kikapcsol a szobámban Csak mert én eddig úgy tudtam, hogy váltó áramot nem igazán szeretik. Vagy ez valami spéci kondi? Bocs a
Szia!
Ez egy spéci X2 kondi, ezért mehet direktben 230V-ra. De ha megnézed ennek a tápegységnek a bekötését, akkor láthatod, hogy hogyan van kötve.
Sziasztok! Egy egyszerű, számomra még is bonyolult kapcsolási rajz elkészítésében szeretnék segítséget kérni. Adott egy LED TV és egy erősítő. Azt szeretném elérni, hogy ha bekapcsolom a TV-t bekapcsolódjon az erősítő. Ha kikapcsolom a TV-t kikapcsolódjon az erősítő. (energia takarékosság és kényelem miatt, mert így nem kell oda menni az erősítőhöz bekapcsolni, a hangerőt meg lehet a TV-n állítani) Erre úgy gondolom az USB port tökéletes lenne. Mert bekapcsolva ott van az 5 volt. kikapcsolva pedig nincs. Tudna erre nekem valaki csinálni egy kapcsolási rajzot, hogy az USB port végén egy relé legyen, Illetve azt szeretném ha az USB csak egy tranzisztort vezéreljen, a relé meg egy külső tápról kapja feszt, így gondolom nagyobb biztonságba lenne a méregdrága TV. Köszönöm!
A hozzászólás módosítva: Ápr 22, 2014
Értelek köszönöm! És egymagában lenne értelme?
Szerintem ezt a projektet hagyd, méghozzá azért, mert nem vagy jártas az elektronikában, és itt nem törpe feszültséget akarsz kapcsolni, hanem 230Vot. Ami életveszélyes játék.
Szerintem használj sima kapcsolós elosztót. A hozzászólás módosítva: Ápr 22, 2014
A főoldalon a legfrissebb cikket nézd meg. Pont erről szól, konkrétan.
Köszi! Ezt jól elírtam! (Ballal közben azt csináltam.)
Értelme nem sok van. Ha a tapskapcsolód érzékeny a hálózati zavarokra, akkor abban keresd a hibát, (földhurok, tápszűrés, stb.) a hálózatra csak úgy egyszerűen rákötött kondi a fázisjavításon kívül nem sokat csinál.
A speciális hálózati zavarszűrőkben, (ami talán segíthetne) nem csak kondi van.
Ez most komoly? Föoldal!
Bővebben: Link
Átnézem amiket írtál!
Az az érdekes, hogy 1 hónapig használtam probléma mentesen és az idő alatt nem változtattam rajta semmit! Még amire gyanakszom az az, hogy 12V relé van benne, viszont elég kis adapterre raktam rá, terheletlenül 12V DC-t tud leadni. Gondoltam ha a relé nem enged el akkor jó lesz. De majd megpróbálok valami komolyabbat a helyére hátha az a baj.
Sziasztok! Rendeltem egy NCP 1402 nevezetü IC -t. Kaptam helyette egy MCP 1402- öt.. szerintetek sem ugyanaz a 2 ugye? Ha jól láttam más a láb kiosztása.
Üdv!
Attól függ, mit szerettél volna rendelni, mert a kettőnek semmi köze egymáshoz. NCP1402 -> 200 mA, PFM Step-Up Micropower Switching Regulator MCP1402 -> 500 mA, High-Speed Power MOSFET Driver
Én nem ismerem testközelből ezt a kapcsolást, csak a kapcsolási rajz alapján mondom amit mondok.
- Ebben egy oszcillátor van, aminek váltóáramú jelét egyenirányítja a középső fokozat. De az áramkör, nem a -50V feszültségét figyeli, hanem a feszültség változását. Ezért van betéve a C5-R7 differenciáló tag. Ennek időállandója T=R*C Így jön ki a 10sec. - Mivel ezt a jelet egy N-MOS Fet "dolgozza fel", tulajdonképpen komparálja. Egy MOS feszültség vezérelt és hatalmas bemenő ellenállású. Fet-nek van egy küszöbfeszültsége. Ha ezt a GS feszültsége meghaladja, akkor folyik a Drain-ben áram. Ekkor szólal meg a csipogó. - A küszöbfeszültség általában pár volt. Ezt kellene a differenciáló tag utáni feszültség változásnak meghaladni. De hogy ez a megszólalás kisebb feszültségen is létrejöhessen, van egy poti, aminek leosztott feszültségéhez adódik hozzá a differenciáló tag jele. Vagy is ha pld. a küszöbfeszültség 2V és a potival 1,8V feszültséget állítunk be, akkor a differenciáló tagnak csak ezt a 0,2V feszültséget kell szolgáltatnia. Avagy a -50V-nak 0,2V-al kell esnie ahhoz, hogy a csipogó megszólaljon. (A Fet körüli diódák, csak a Fet Gate védelmét szolgálják, mert a Max G-S feszültség általában nem lehet több mint 20V) - No, ez kb. így működik jelenleg. - Egy komparátor analóg feszültséget diszkrét feszültséggé alakít át. (A "digitális" jelző kissé túlzás, mert az általában több bit átalakítását jelenti.) Vagy is ha van egy analóg bementi jel, azt összehasonlítja egy referencia feszültséggel és ha az analóg jel értéke a referenciánál kisebb, akkor a komparátor kimenete alacsony szintű ("L") ha a bementi feszültség nagyobb, mint a referencia, akkor a kimenete magas szintű ("H"). - Ezzel a módszerrel lehet kapcsolgatni a Led-eket, csak a komparátoroknak más és más referencia feszültséget kell adni, ahol kapcsolni szeretnénk az analóg jelre. Az LM3914-ben 10 ilyen komparátor van, belső referenciával, és belső referencia osztóval. Ezenkívül van még 10 db. Led-meghajtó áramgenerátor benne. - A minimális referencia ahol a 10. Led jelez, 1,2V. Tehát a 10 Led 120mV-onkét fohg kapcsolni. De bemenő ellenállása nem oly nagy, hogy a differenciáló tag 10M-ohm-ját ne terhelné. Ezért kellene elé, egy követő, vagy erősítő fokozat, aminek bementi ellenállása meglehetősen nagy. Vagy is MOS bemenetű erősítő, ami képes a 3V-ról is működni már. - De létezik MOS bemenetű komparátor IC is, amiben pld. 4db. komparátor van. Ez közvetlen is fel tudja dolgozni a differenciáló tag jelét, de a komparátorok összekapcsolásáról és a szükséges referenciáról magunknak kell gondoskodni. Nos, ezt kellene átgondolni. Meg azt, hogy egyáltalán megfelelő lesz-e ez a Led-es kijelzés. Mert ez csak akkor fog jelet adni, ha "lóbálod a tekercset a tárgy felett". Hiszen a differenciáló tag csak jelváltozásra ad kimenti feszültséget. Ha a jel állandósul, a feszültség ismét "nullává" válik. Akkor meg mindegy, hogy a Led-eket nézed vagy a hangot hallod. A hangot nem kell nézegetni sem, ami gátol a keresésében. De ezekhez én már nem értek, azért ajánlottam a fémkereső kollégákat. Majd azok megmondják, érdemes-e ez az erőfeszítés vagy sem.
Hello!
Köszönöm a gyors hozzászólást. Az előbbit szerettem volna,vagyis az NCP -t. Még benne van a csomagolásban, azon MCP -t ír. Ha hazaérek megnézem nagyítóval., az érdekes hogy a honlapjukon is NCP - ként van feltüntetve.Bővebben: Link
Van náluk mind a kettőből, valószínűleg félre nézték az első betűt a számlázásnál és csomagolásnál. Keresd fel őket, hátha elküldik neked a jó fajtát. Talán nem szívóznak 274Ft + posta miatt. Meg amúgy is az ő hibájuk, ha te jót rendeltél.
Sziasztok! Transzformátor üresjárati fogyasztás számitásához kéne nekem a képlet megtenné valaki hogy leirja!? Köszi!!
Transzformátor nagyon sok minden lehet. Ha energiaátvitelre valóra (pl. hálózati táp-) gondolsz, akkor a konstrukciós adatokból (magminőség, frekvencia, rézveszteség, stb.) cca. számítható a hatásfok, ebből a kérdésre a válasz. A többi a jóslás, ill. az utólagos mérés kategóriája.
Sziasztok. A 7805-ös stabilizátor adatlapja szerint a bemenetre egy 0.33 mikrós kondi kell, a kimenetre Meg egy 0,1 mikrós. Ugyanakkor vicsys egyik kapcs. rajzában (mellékelem) a bemeneten egy 470 mikrós és egy 0,1 mikrós, a kimeneten pedig egy 0,1 mikrós és egy 100 mikrós kondi van. Az lenne a kérdésem, hogy miért nem ugyanazokat az értékeket használja, továbbá miért van 2-2 db, miért nem elég 1-1? És miért van ott az a három dióda? Ja és a reset áramkörhöz miért kellenek a kondik? Azt hiszem a többi részét értem
A hozzászólás módosítva: Ápr 22, 2014
|
Bejelentkezés
Hirdetés |













