Fórum témák

» Több friss téma
Fórum » Elektronikában kezdők kérdései
- Ez a felület kizárólag, az elektronikában kezdők kérdéseinek van fenntartva és nem elfelejtve, hogy hobbielektronika a fórumunk!
- Ami tehát azt jelenti, hogy a nagymama bevásárlását nem itt beszéljük meg, ill. ez nem üzenőfal!
- Kerülendő az olyan kérdés, amit egy másik meglévő (több mint 17000 van), témában kellene kitárgyalni!
- És végül büntetés terhe mellett kerülendő az MSN és egyéb szleng, a magyar helyesírás mellőzése, beleértve a mondateleji nagybetűket is!
Lapozás: OK   2137 / 4065
(#) mindenes válasza FeketeVipera hozzászólására (») Okt 19, 2013 /
 
Üdv! Viccet félre téve , ebben az esetben a kondik a csövek tápfeszszürését láthatták el, a 6,3V is számomra erre utal, főleg ha 1960 írunk..
(#) proli007 válasza danydosster hozzászólására (») Okt 19, 2013 /
 
Hello! Ez természetes, mert a 138-at címvezetékek dekódolására hozták létre, és az engedélyezést vezérlő vonalak szinte mindig "negatív logikával " működtek. (L szintnél aktív.) De ha a Led-eket nem a GMD-re kötöd, hanem a VCC-re, a gond meg is van oldva. üdv!
(#) hapro válasza BEMcorp hozzászólására (») Okt 19, 2013 /
 
Erre gondoltam én is, de akkor miért van a két dióda egymással szembe fordítva? Akkor szerintem nem tud működni a dolog.
(#) BEMcorp válasza hapro hozzászólására (») Okt 19, 2013 /
 
Szerintem attól még működhet, mert így az alapból nyitó irányban lévőn csak egy pici feszültség esik csak, ami - ha jól gondolom - hozzáadódik a másik törési feszültségéhez.
(#) mindenes válasza hapro hozzászólására (») Okt 19, 2013 /
 
Üdv. A tranzi szerepében védelmi szerepet látok én is, adott fesz. felett a tranzi nyit ezáltal a bizti kiolvadása megszakitj az áramkört.
A szembe fordítoot zénerek működésére viszont kiváncsi lennék én is , már több hellyen láttam ilyen védelmi áramkört.
A hozzászólás módosítva: Okt 19, 2013
(#) proli007 válasza mindenes hozzászólására (») Okt 19, 2013 /
 
Hello! Ha van szemmel verés, akkor lehet, hogy a Fet kiveri a biztit.. De amúgy? üdv!
(#) danydosster hozzászólása Okt 19, 2013 /
 
Üdv!

A kérdőjel helyére kellene nekem valamilyen kapcsolás ami azt azt csinálná, hogy az in (nyomógomb) megnyomásakor az A kimeneten menjen a jel, majd a következő megnyomáskor a B aztán megint A, majd B és így tovább.
Tudtok ebben segíteni?
(#) blackdog válasza danydosster hozzászólására (») Okt 19, 2013 /
 
Nem egyértelmű a "rajz". Mit jelent nálad a jel? Csak mert annak nem rajzoltál bemenetet így joggal gondolok arra, hogy egyszer az A másszor a B kimeneten legyen H szint. Erre elég egy CD4017 vagy CD4013. Vagy mit szeretnél?
A hozzászólás módosítva: Okt 19, 2013
(#) kadarist válasza danydosster hozzászólására (») Okt 19, 2013 /
 
Szia!
Keress rá a bistabil flip-flop-ra.
(#) pucuka válasza danydosster hozzászólására (») Okt 19, 2013 /
 
(#) danydosster válasza pucuka hozzászólására (») Okt 19, 2013 /
 
Köszönöm szépen. Ez nagyon jól! Csak gondolom a bal oldalon kimaradt, hogy ott is van egy kimenet.
Az inputtal és a kondik segítségével pedig gondolom változtatja, hogy melyik kimenet lesz aktív. Mert "megjegyzi" az előzőt.
(#) danydosster válasza pucuka hozzászólására (») Okt 19, 2013 /
 
Még annyit, hogy ez folyamatosan adja a jelet, mert nekem olyan kellene ami csak addig ad jelet amíg megnyomom a gombot.
Leírom pontosabban hogy mit is szeretnék. Tehát egy nyomógomb segítségével tudok váltani a kimenetek kötött. Van ugye In, A, B.
Ha In H szintre kerül (+5V) akkor először az A kimenetre megy a H szint. De ha elengedem a gombot akkor L szintre kerül.
Ha még egyszer megnyomom a gombot akkor a B re kerül a kimentet (H szint), majd ha elengedem a gombot akkor L szintre vált. Ha újra megnyomom akkor A ra és így tovább.
(#) proli007 válasza danydosster hozzászólására (») Okt 20, 2013 /
 
Hello! Tessék.. üdv!
(#) szemjan hozzászólása Okt 20, 2013 /
 
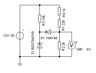
Kérdésem az lenne hogy tudok biztonságosan leosztani egy 50 volt /10 ampert 4 volt ra. Elegendő sima feszültségosztó pár ellenállással.
(#) IRONbene hozzászólása Okt 20, 2013 /
 
Sziasztok.
Passzív alkatrészekkel lehet olyan szűrőt építeni ami 2kHz -től 14kHz -ig lineárisan -6dB -t csillapít majd 14kHz -től mint egy felül áteresztő szűrő karakterisztikával 0dB -hez tart ?
(#) qvasz2 válasza szemjan hozzászólására (») Okt 20, 2013 /
 
Attól függ, hogy mit szeretnél vele. Ha 4 V 10 A-t, akkor nagyon nem!
(#) Lacko12 hozzászólása Okt 20, 2013 /
 
Sziasztok!
A mi nap találkoztam egy olyan headset-el telefonhoz ami 4 pólusú volt, a megszokott 3 helyett.
És sajnos a szabvány 3 pólusú jack csatlakozóval nem is szimpatizál esetleg tudnátok adni valami ábrát hogy melyik pólus a test a bal meg a jobb oldal?
És hogy a 4. pólus az mire is szolgál lényegében?
Köszi szépen előre is!
(#) sastas01 válasza Lacko12 hozzászólására (») Okt 20, 2013 /
 
Szia!
Sztereó fülhallgató plusz mikrofon. A test közös és jobb-bal-mikrofon. Vagy nem sztereó fülhallgató mikrofonnal és akkor fülhallgató test-jel és mikrofon test-jel.
(#) szemjan válasza qvasz2 hozzászólására (») Okt 20, 2013 /
 
Elég lenne 4 volt és pár mA mert jelfeldolgozóhoz lenne adott egy 0-50 voltos analog műszer. aminek a jelét digitalizálni kellene0-4 voltig. Maga a 10 Amper egy maximalizált érték lehet ettől jóval kevesebb is a valóságtól de ez nem ismert ezért fő a biztonság.
(#) Lacko12 válasza sastas01 hozzászólására (») Okt 20, 2013 /
 
Szia!
Köszi szépen a gyors választ így már világos!
(#) qvasz2 válasza Lacko12 hozzászólására (») Okt 20, 2013 /
 
Sajnos sokféle kiosztás van, még gyártón belül is tud különböző lenni! Google a barátod, ha van konkrét típus.
A negyedik érintkező a mikrofonhoz és a nyomógombhoz kell, amivel felveszed a telót. Némelyik típus még egyéb kunsztokat is tud: zene közben állj, előre, hátra, stb...
(#) qvasz2 válasza szemjan hozzászólására (») Okt 20, 2013 /
 
Ha csak a feszültség kell feldolgozásra, arra jó a fesz. osztó ellenállásokból.
(#) danydosster válasza proli007 hozzászólására (») Okt 20, 2013 /
 
Köszönöm szépen!!!
(#) proli007 válasza IRONbene hozzászólására (») Okt 20, 2013 /
 
Hello! Ez a "2kHz -től 14kHz -ig lineárisan -6dB -t csillapít " elég furán hangzik. Ilyesmit meg lehet oldani, de passzív alkatrészekkel "nagyokat nem lehet hasogatni"... üdv!

Filter.png
    
(#) proli007 válasza szemjan hozzászólására (») Okt 20, 2013 /
 
Hello! Elég nehezen érthető mit szeretnél. Ha a biztonság alatt azt érted, hogy semmiképp ne emelkedhessen a feszültség lényegesen 4V fölé, akkor zéneres határolást kell készíteni az osztó mellé. De hogy mi köze van ennek a 10A-hez, azt nem tudni.. üdv!
A hozzászólás módosítva: Okt 20, 2013

50to4V.png
    
(#) danydosster hozzászólása Okt 20, 2013 /
 
Tina -ban próbáltam megcsinálni egy egyszerű 2 ledes villogót, de sehogysem akar működni.
Utánanézegettem és annyit találtam, hogy az alkatrészeken kell valamit állítani, hogy nem legyenek egyformák. A probléma az hogy a ledek állandóan világítanak.
Valaki meg tudná mondani, hogy mit kell másra állítani, vagy esetleg nincs valakinek egy ilyen projektje amit meg tudok nézni, hogy mégis mi a baja?
(#) laffesz hozzászólása Okt 20, 2013 /
 
Sziasztok!
Segítenétek megérteni ennek a kapcsolásnak a működését, nekem eléggé új az elektronika, és most szembetaláltam magam egy NPN tranzisztorral valamint egy fotodiódával, amikről eddig azt se tudtam mi fán teremnek.

Szóval alapvetően ha egy fényes helyen tartom ezt a kapcsolást akkor a LED nem világít, azonban ha mondjuk egy ujjal letakarom a fotodiódát akkor már igen.

Annyit már sikerült megértenem, hogy a fotodióda fény hatására vezetőként funkciónál, tehát ha letakarom az ujjammal megszakad ez az áramkör.

Valamint az NPN tranzisztorról annyit olvastam, hogy akkor vezeti a kollektorról az emitterre az áramot, ha a bázis megfelelő feszültséget kap.

A teljes megértés viszont elkerült még idáig, ebben ki tudnátok segíteni?
(#) proli007 válasza danydosster hozzászólására (») Okt 20, 2013 /
 
Hello! A valóságban a két tranyó áramköre között mindig van differencia, így a gyorsabb, vagy nagyobb erősítésű fog elsőként bebillenni. A szimulátor meg számolja, azonos paraméterekkel. Így nem is tudja eldönteni hova is billenjen el. Ezért az egyik tranyó bétáját (Forvard beta) le kell csökkenteni. A szimulációt, meg tranzies módban kell végrehajtani "Zero inital values" beállítással.
És miért nem a TINA topikjában kérdezted? üdv!
A hozzászólás módosítva: Okt 20, 2013
(#) danydosster válasza proli007 hozzászólására (») Okt 20, 2013 /
 
A tranzies mód és a Zero inital values megvan, de a tranyónál nem találtam Forward beta beállítási opciót.

névtelen.jpg
    
(#) proli007 válasza laffesz hozzászólására (») Okt 20, 2013 /
 
Hello! Kb. így van, azzal a különbséggel, hogy a tranyó nem feszültséggel, hanem árammal működik. A bázisba befolyó áram felerősítve folyik át a kollektor-emitteren. A fototranyó feletti ellenállás biztosítja a tranyó nyitásához a bázisáramot. Ha a fototranyó fényt kap, akkor elszívja a tranyó bázisáramát (azon folyik át a felette lévő ellenállás árama nem a bázisba folyik), így az nem tudja azt felerősíteni.
A feszültségnek annyi szerepe van, hogy a bázis-emitter között, mint egy nyitóirányú "dióda" van. Vagy is a bázisáram csak akkor tud egyáltalán befolyni, ha a nyitóirányú 600..700mV feszültség meg van a bázis-emitter között. Avagy ha a opto feletti ellenállás nem a tápfeszültségre, hanem mondjuk 500mV-ra lenne kötve, nem tudna bázisáram folyni. Így kollektoráram sem lenne..
A fototranyó is hasonlóan működik mint a tranyó, csak ott a bázisáramot a fény biztosítja számára. De nézz utána a tranyók működésének. üdv!
Következő: »»   2137 / 4065
Bejelentkezés

Belépés

Hirdetés
XDT.hu
Az oldalon sütiket használunk a helyes működéshez. Bővebb információt az adatvédelmi szabályzatban olvashatsz. Megértettem