Fórum témák
» Több friss téma |
Akkor hogyan tudom felismerni egy kapcsolásról hogy az erősítő ,vagy komparátor?
Nem nagyon léteznek, általában a tok lábainak száma, és az általános felhasználási mód miatt általában a max. erősítőnégyes a leggyakoribb. Nem nevezném négycsatornásnak, mert pl. ha a négy erősítőt egymás után használod fel, (erősítő - korrektor - impedancia illesztő) akkor csak egy csatornás lesz.
Mivel általános célúak, ezért van TL071, egy erősítő, TL072 két (dupla) erősítő, TL074 négy erősítő, (legtöbbször a típusszám is utal rá, de nem mindig) Olyan kombinációban használhatod őket, ahogy tetszik, de azért arra is figyelemmel kell lenni, hogy az egy tokba integrált erősítők igen egyformák, viszont a köztük való áthallás véges.
Az szeretném kérdezni tudom nem tejesen ehhez a fórumhoz tartozik, de az lenne a problémám hogy a pic 2,5v-5v bemenetén van plusz kb. 1,75 volt felesleges feszültségem ami a merendő értékemen alapból rajta van . 0-1v-ig eső feszültséget erősítek 5 voltig műveleti erősítővel de az a 1,75 volt alapból rajta van és az nem akarom erősíteni de, feszültség osztót nem használhatok az erősítő elüt mert az bezavarja a mérendő jelemet ezért is használok műveleti erősítőt a nagy bemeneti ellenállása mait. A probléma az, hogy bárhol vonom ki belőle a felesleges feszültséget az a későbbi erősítésemen is változtat amit nem szeretnék.
A hozzászólás módosítva: Szept 17, 2013
A pic programban oldd meg a kivonást.
Szerintem egy egyszerű kivonó áramkörös elektronikával megtudom oldani.
Abban az esetben, ha a bemeneten először egy követő erősítőt használsz. Mert a kivonónak, van bemenő ellenállása. üdv!
Sziasztok !
Egy ilyen átlagos műveleti erősítő az hány wattos ? Meg tudna hajtani egy fejhallgatót ? ( 2 db erősítő) Illetve szerintetek elhagyható a kicsatolókondenzátor a kimenetéről ? Kösz ! Idézet: „Egy ilyen átlagos műveleti erősítő az hány wattos ?” Nem Wattokban mérik a teljesítményét, hanem mWattokban, mondjuk 10-100mW várható el tőle maximum. Idézet: „Meg tudna hajtani egy fejhallgatót ?” Nem. Erre a célra gyártanak fejhallgató-erősítőket, olyanokat kell használni.
Kösz !
Amúgy ezeknek a nyugalmi áramát hogyan lehet beállítani ? Mert ahogy néztem, ezeknek nincs is olyan pontjuk amit a testre kell kötni. (az offset beállítást leszámítva) Ha a kimenet és a test közé kötött ellenállás értékét változtatom, akkor mi változik ? Előre is kösz !
A műveleti erősítők nyugalmi áramát legcélszerűbb a táplábai és a tápegység között mérni.
Idézet: „Ha a kimenet és a test közé kötött ellenállás értékét változtatom, akkor mi változik?” A tápból folyó áram értéke fog változni. Egyébként vannak olyan teljesítményerősítő fokozatok, amiben egy kis értékű ellenállással terhelt műveleti erősítő volt a bemenő fokozat, a jelet a táp lábaihoz kapcsolt ellenállásokról vették le. Ezzel sok szintillesztési feladatot is ellátott a műveleti erősítő. Egyébként kapható nagyobb teljesítményű műveleti erősítők is: LM165, LM675, OPA541, OPA2541, OPA569, TCA0372, LH0101, OMA541
És ezek is néhány 10 mV bemenő jellel működnek ?
Vagy ezek elé már elé kell kötni egy jelerősítő fokozatot ? (ha mondjuk néhány 10 mV bemenő jellel akarom használni)
Erősítésük (Open loop voltage gain) 80..100 dB körül van.
Műveleti erősítő elé nem nagyon szokás erősítő fokozatot tenni, mert szinte biztos, hogy csak rontasz a helyzeten. Igen speciális esetben kell a műveleti erősítő elé erősítőfokozatot tenni, ilyenkor az eszközök, és a kapcsolás is speciális. Pl. extra alacsony zaj, extrém nagy bemenő impedancia esetén. Bár ma már vannak erre a célra alkalmas erősítők.
Olvasgass adatlapokat, sokat lehet tanulni belőlük.
Sziasztok! Bocsánat,ha rossz helyre írok,de külön nem adott ki a kereső komparátorokat.Az lenne a kérdésem,hogy van egy akksitöltő LM 324-es IC van benne.Ennek az 5és 6-os lába át van hidalva,és úgy megy a GND-re.A kimenete a( 7-es láb) ellenálláson keresztül kapcsolódik a trafóra.De a kérdésem pedig az lenne,hogy mi a szerepe annak hogy áthidalták azt a két lábat?(gyárilag)Hiszen ha nincs feszültség szint különbség ,mivel ez a +és - bemenete,akkor mi alapján fog kapcsolni a kimenet?Utánanéztem a komparátor alapkapcsolások között,de ilyent nem találtam. Sem a műveleti erősítő kapcsolások között nincs ilyen.De a töltő viszont működik így,csak nem értem a kapcsolást
A hozzászólás módosítva: Okt 17, 2013
Szia!
Rajzold vissza a kapcsolást, mert így nagyon ködös ez az egész. Komparátoros témák. A hozzászólás módosítva: Okt 17, 2013
Köszi,az általad megadott oldalra felteszem a rajzot, a komparátorok-hoz
Sziasztok,
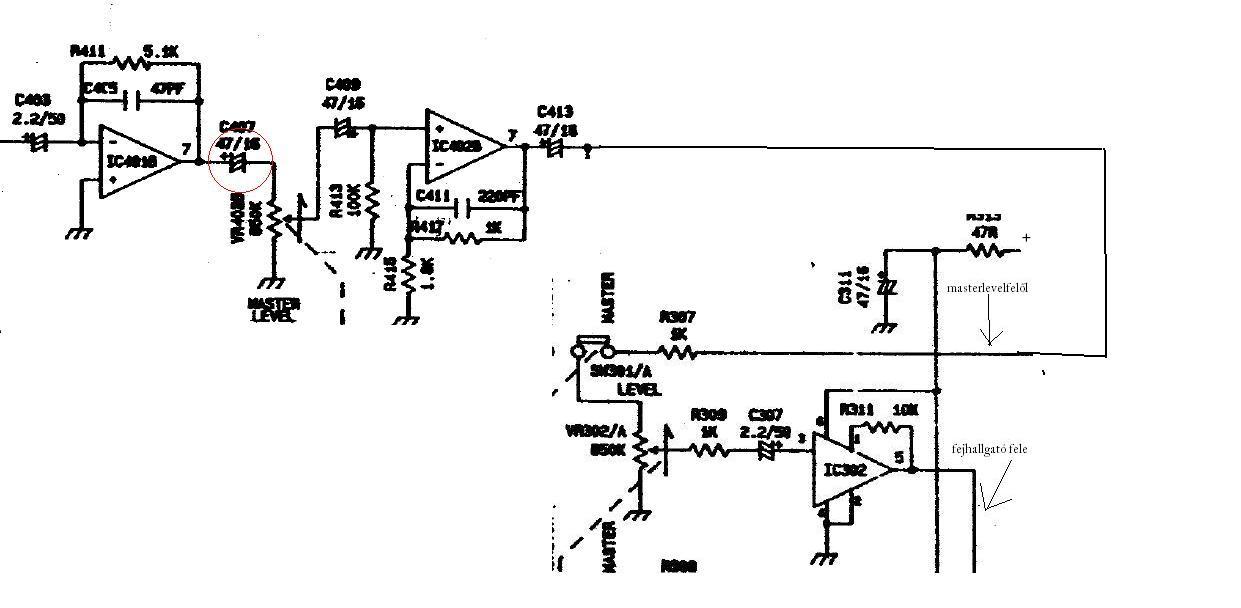
Belefutottam egy dologba elsőre egyszerűnek tűnt, és lehet, hogy az is, csak én kezdem túlpörögni. Csatoltam egy kapcsolást, amit szeretnék megvalósítani, az az, hogy a master level pótméter, előttről levenni jelet, és továbbadni, a jobb alsó fejhallgató erősítő foknak (NE5532) közvetlenül, úgy, hogy ahhoz "jól illeszkedjen". Bekarikáztam pirossal, hogy valahol ott, de nem tudom, hogy a kondenzátor előtt, mögött, ha kihagyom második műveleti erősítőt (JRC4558) kap-e elég jelet az NE5532. Köszönöm, ha ránéztek a dologra
Szia! A jel nagyságával nem lesz gond, a két poti mehet közvetlenül párhuzamosan.
Újabb kérdéssel fordulok hozzátok! Hogy lehetne megoldani a 200mV bemenő jelet 10x erősíteni a 200mV=2V. Pontos kapcsolást kérhetek mert kínlódtam a hétvégén UA741 műv. erősítővel de nem akart összejönni.
Valami ilyesmire gondoltam a 200mV feszültségmérő alapműszerhez való jelet kellene illeszteni AVR-hez 0-200mV -> 0-2V, de nem tudom miért nem jó? A hozzászólás módosítva: Okt 20, 2013
Hello! A 741 nem jó választás, két okból sem. Részben ez egy kettős tápfeszültséggel üzemelő OPA, valamint elég magas offset feszültséggel rendelkezik. Az erősítő egyébként mindenképpen rontja majd a pontosságot. De célszerűbb lenne egy Rail-to-Rail műveleti erősítőt alkalmazni. Ennek akár az AVR 5V-ja is lehet tápfeszültsége. Vagy ha kettős tápfesz áll rendelkezésre (gondolom nem mert működött volna a 741 is) akkor pld. egy OP07-es. De 0/5V tápfesz mellet is már jobb eredményt lehet elérni egy LM358-al, mint egy 741-el. üdv!
Köszönöm ki fogom próbálni csak most dolgozom majd du. beszerzem a megfelelő alkatrészeket és megpróbálom. Hálás köszönet.
Üdv mindenkinek.
Egy olyan kérdésem lenne, hogy belső felépítésileg miben különbözik egy njm4560 és egy 4558-as ic? Tehát próbára betehetném lábkiosztást figyelembe véve a 4560 helyére a 4558-at? A válaszokat előre is köszönöm.
Köszönöm szépen, szerintem megpróbálom. Azért kérdeztem mert nem nagyon tudom mit kell figyelembe venni ezeknél, ezért mivel itt vannak sokkal okosabbak nálam gondoltam megkérdem
Sziasztok, egy szabályozható táp kimenetén szeretném figyelni a feszültséget és az áramot, ránézne a mellékelt kapcsolásra egy hozzáértő, hogy ez így jó lesz-e, vagy van még mit igazítani rajta. Köszönöm előre is.( Az 1K3-as ellenállás a söntök után vannak)
A hozzászólás módosítva: Okt 26, 2013
Mivel a "föld" jelzést használtad az ábrádon, így azt is fel kéne rajzolni, hogy az egyes tápok hogy viszonyulnak egymáshoz: azaz rajzold fel az összes tápot, melyik hogyan van előállítva (trafóval - nem trafóval), egymáshoz hogyan vannak hozzákötve (különös tekintettel a földjeikre).
|
Bejelentkezés
Hirdetés |











